148265 (692263), страница 2
Текст из файла (страница 2)
Обслуживание катушки сводится к визуальному осмотру и замеру сопротивления. На ней не должно быть трещин, вмятин. Для проверки обмоток катушки зажигания отключите от её контактов Б и К провода и снимите высоковольтный провод. Замерьте омметром сопротивление первичной и вторичной обмотки при 25оС. Оно должно быть 0,45±0,05 Ом, (рис. 3,б), вторичной – 5±0,5 кОм (рис. 3, а). Если есть трещины, механические повреждения или сопротивление обмоток не соответствует указанному - замените катушку.
Высоковольтные провода зажигания
Используются в цепях высокого напряжения системы зажигания, т. е. от вторичной обмотки катушки зажигания к распределителю и свечам зажигания. Эти провода имеют специальную высоковольтную изоляцию. Они не только проводят ток высокого напряжения, но и одновременно подавляют радиопомехи, создаваемые системой зажигания. Наиболее широко распространенные "жигулевские" провода имеют следующую конструкцию. Сердечник провода, представляющий собой шнур из льняной пряжи, заключен в оболочку, изготовленную из пластмассы с максимальным добавлением феррита. Поверх этой оболочки намотан провод диаметром 0,11 мм из сплава никеля и железа по 30 витков на сантиметр. Снаружи провод имеет изолирующую оболочку из поливинилхлорида. Концы высокоомного провода соединены с латунными контактными зажимами, размещенными на концах проводов. Эти зажимы приспособлены для установки в катушку зажигания, распределитель зажигания или наконечники свечей.
Главное в проводах - это величина распределенного по длине сопротивления и величина пробивного напряжения изоляции. В зависимости от величины распределенного сопротивления оболочка провода имеет различную окраску.
Для систем зажигания высокой энергии (ВАЗ-21213, 2108) применяют провода синего цвета (силиконовая изоляция) с распределенным сопротивлением 2,55 кОм/м (2,28 - 2,82 кОм/м) и пробивным напряжением до 30 кВ. Зарубежные высоковольтные провода как правило отличаются повышенным распределенным сопротивлением (из-за более строгих требований к подавлению радиотелепомех). Их величина распределенного сопротивления может быть в пределах 9-25 кОм на метр, т. е. заметно больше, чем у наших синих проводов. Силиконовая изоляция таких проводов лучше, сами провода мягче.
Увеличение распределенного сопротивления уменьшает время горения искры между электродами свечи (разница до 20%) и энергию высоковольтного импульса (до 50%). Такое снижение может свести на нет все "запасы" в системе зажигания, и запуск двигателя при неблагоприятных условиях может оказаться затрудненным.
Большое значение имеет жесткость проводов. Чем провода более жесткие (особенно при низких температурах), тем быстрее ослабляются их контакты в соединениях. Кроме того, в жесткой изоляции чаще образовываются трещины.
Диагностика проводов высокого напряжения. Если в темноте, открыв капот при работающем двигателе, вы обнаружили "северное сияние" - светящиеся высоковольтные провода, то их необходимо заменить. Если за высоковольтные провода иномарок можно свободно браться руками, то до наших проводов лучше не дотрагиваться. При обычной системе зажигания "дотрагивание" может вызвать просто неприятные ощущения, при системах зажигания высокой энергии искра может пробить кожу, т. е. велика вероятность получения электротравмы. Высоковольтные провода должны быть чистыми, иначе снаружи может образоваться токопроводящий слой грязи, который будет уменьшать максимальное напряжение во вторичной цепи. На изоляции и резиновых колпачках не должно быть трещин, разрывов, которые способствуют утечке тока, плохому запуску и неустойчивой работе двигателя. Иногда этих трещин и разрывов не видно. Для того чтобы их обнаружить, необходимо найти подходящий по длине отрезок провода, зачистить его с двух сторон. Один конец соединить с "массой", а вторым поочерёдно вести вдоль высоковольтных проводов, от начала до конца, включая резиновые колпачки с обеих сторон проводов. Проведите концом этого провода сверху между электродами и вокруг крышки 11 (рис. 4) распределителя, а также по крышке 9 (рис. 2) катушки зажигания. Ни в коем случае нельзя касаться контактов катушки. Если где-то есть трещины, разрывы, то в этом месте проскочит серия искр между концом оголённого провода, которым вы ведёте, и, например, резиновым колпачком третьей свечи. В этот момент двигатель начнёт "троить" - работать неровно, неустойчиво. Это означает что именно в этом месте неисправность. При обнаружении этого дефекта необходимо заменить неисправные части высоковольтной системы.
На обрыв высоковольтные провода можно проверить омметром, подключив его к наконечникам провода.
Рис. 4. Датчик-распределитель зажигания 38.3706 1 – валик 2 - маслоотражательная муфта 3 - бесконтактный датчик 4 - корпус вакуумного регулятора 5 – мембрана 6 - крышка вакуумного регулятора 7 - тяга вакуумного регулятора 8 - опорная пластина центробежного регулятора 9 - ротор распределителя зажигания 10 - боковой электрод с клеммой 11 – крышка 12 - центральный электрод с клеммой 13 - уголек центрального электрода 14 – резистор 15 - наружный контакт ротора 16 - пластина центробежного регулятора 17 – грузик 18 - опорная пластина бесконтактного датчика 19 – экран 20 – корпус
Крышка датчика - распределителя зажигания сделана из специального токонепроводящего материала. Она имеет центральный электрод с клеммой, подпружиненный уголёк центрального электрода и боковые электроды с клеммами. Крышка на датчике-распределителе закрепляется с помощью двух пружинных защёлок расположенных друг напротив друга. С целью уменьшения конденсации паров, внутри крышки предусмотрена вентиляция полости корпуса распределителя через два небольших отверстия в крышке и на дне корпуса. Высоковольтное напряжение подаётся от катушки к центральному электроду крышки. Ток проходит через подпружиненный уголёк и попадает на центральный электрод ротора распределителя. Далее ток проходит через помехоподавляющий резистор к боковому электроду ротора. Ротор жёстко связан с валиком датчика-распределителя. При вращении валика ротор вращается с ним же, передавая ток к боковым электродам крышки распределителя. Обслуживание крышки сводится в поддержании её в чистоте как снаружи, так и внутри. Концом плоского надфиля зачищают боковые электроды в крышке распределителя. Этим облегчается стекание высоковольтного импульса с наружного электрода ротора на боковой электрод крышки, что предупреждает нежелательное стекание в другом месте и способствует подводу повышенного напряжения к электродам свечи. Необходимо обратить внимание и на подвижность центрального подпружиненного угольного электрода крышки. Были случаи, когда "уголек" заклинивался в отверстии крышки и уже не прижимался пружиной к центральному контакту ротора. Это приводило к сгоранию угольного электрода и отказу системы зажигания. При обслуживании системы зажигания нужно обратить внимание на ротор. При необходимости центральный контакт ротора нужно протереть тряпкой смоченной в бензине, ацетоне или растворителе, а боковой можно зачистить надфилем или наждачной бумагой. Если на роторе обнаружено обугливание необходимо заменить его.
Если в пути перегорел помехоподавляющий резистор, то его можно заменить кусочком провода подходящим по длине. А если ротор коротит на "массу", то нужно подложить под него полиэтиленовый пакет, свёрнутый в два-три слоя. Поставить на место ротор, а торчащие концы пакета обрезать ножом.
Датчик Холла
Магнитоэлектрический, получил свое название по имени Э. Холла, американского физика, открывшего в 1879 г. важное гальваномагнитное явление. Бесконтактные клавишные переключатели на основе эффекта Холла применялись за рубежом довольно широко уже с начала 70-х годов. Достоинства этого переключателя - высокая надежность и долговечность, малые габариты, а недостатки - постоянное потребление энергии и сравнительно высокая стоимость.
Рассмотрим принцип действия датчика Холла. Он имеет щелевую конструкцию. С одной стороны щели расположен полупроводник, по которому при включенном зажигании протекает ток, а с другой стороны - постоянный магнит. В щель датчика входит стальной цилиндрический экран с прорезями. При вращении экрана, когда его прорези оказываются в зазоре датчика, магнитный поток воздействует на полупроводник с протекающим по нему током, и управляющие импульсы датчика Холла подаются в коммутатор.
Датчик Холла не обслуживается, неисправный заменяют новым.
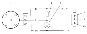
Проверка датчика Холла. С выхода датчика снимается напряжение, если в его зазоре находится стальной экран. Если экрана в зазоре нет, то напряжение на выходе датчика близко к нулю. На снятом с двигателя датчике-распределителе зажигания датчик можно проверить по схеме, приведенной на рис. 5, при напряжении питания 8-14 В.
Медленно вращая валик датчика-распределителя зажигания, измерьте вольтметром напряжение на выходе датчика. Оно должно резко меняться от минимального (не более 0,4 В) до максимального (не более, чем на 3 В меньше напряжения питания).
Рис 5. Схема для проверки датчика Холла на снятом распределителе зажигания. 1 - датчик-распределитель, 2 - резистор 2 кОм, 3 - вольтметр.
Рис. 6. Схема для проверки датчика Холла на автомобиле. 1 - датчик-распределитель зажигания, 2 - вольтметр с пределом шкалы не менее 15 В, 3 - разъём датчика Холла.
Проверять работу датчика Холла пробником с лампочкой нельзя! Выходной ток датчика слишком мал, чтобы зажечь даже лампу мощностью 3 Вт, а из-за перегрузки ДХ может выйти из строя.
Центробежный (ЦБ) регулятор и вакуумный регулятор
Служат для автоматической регулировки угла опережения зажигания. Взаимодействие этих устройств обеспечивает получение соответствующего угла опережения зажигания для существующих в данный момент частоты вращения коленчатого вала и нагрузки двигателя. Центробежный регулятор (см. рис. 7) вращается вместе с ротором аппарата зажигания, который расположен асимметрично с кулачком 3 (ротора нет на рисунке).
Рис. 7. Принцип действия центробежного регулятора: а - статическое состояние, б - рабочее состояние.
1 - пружина, 2 - грузики, 3 - кулачок, 4 - ось грузика, 5 - нижний диск, б - штифт грузика, 7 - сегмент, 8 - корпус аппарата зажигания.
Грузики 2 установлены на осях 4, укрепленных на нижнем диске 5, жестко связанном с осью регулятора. Кулачок 3 и соединенный с ним верхний сегмент 7 надеты на ротор распределителя. Верхний сегмент шарнирно соединен с грузиком 2 с помощью штифта 6, который входит в отверстие.
Регулятор работает на принципе использования центробежных сил, воздействующих на грузики. При увеличении частоты вращения ротора аппарата зажигания грузики, отклоняясь наружу, приводят к повороту кулачка в направлении вращения. Величина угла поворота кулачка определяется равновесием между центробежной силой, воздействующей на грузики, и силой натяжения пружин. Дальнейшее увеличение частоты вращения приводит к тому, что состояние равновесия этих сил происходит при другом угле поворота кулачка. Поворот кулачка в том же направлении, что и вращение ротора, приводит к подаче более раннего управляющего импульса датчика Холла. Таким образом, угол опережения зажигания увеличивается, и зажигание происходит раньше. Уменьшение частоты вращения приводит к уменьшению угла опережения зажигания.
Если в регуляторе обе пружины одинаковы, то характеристика угла опережения зажигания как функция числа оборотов линейна. Если же используются две разных пружины, то при малой частоте вращения больше вытягивается более слабая пружина, а при достижении определенной частоты в работу включается более сильная пружина, замедляя увеличение угла опережения зажигания. При этом характеристика последнего становится нелинейной. Максимальный угол опережения зажигания ограничен механически в результате ограничения поворота кулачка в крайнем положении. Кулачок может поворачиваться грузиками на 15-15,5о относительно валика. Соответственно угол опережения зажигания по коленвалу будет 30-31о, т. к. частота его вращения в два раза больше частоты вращения валика датчика-распределителя.
Вакуумный регулятор служит для увеличения угла опережения зажигания при уменьшении нагрузки двигателя (и наоборот). Для этого используется разрежение, создаваемое в диффузоре карбюратора. Расположение входного отверстия трубопровода, соединяющего карбюратор с регулятором, выбрано так, чтобы при полной нагрузке, холостом ходе и запуске двигателя разрежение не поступало на регулятор или было незначительным. Вследствие этих соображений входное отверстие размещается перед дроссельной заслонкой. При открывании дроссельной заслонки ее край проходит мимо входного отверстия трубопровода и разрежение в нем увеличивается.
Рис. 8. Принцип действия вакуумного регулятора а - холостой ход б - частичная нагрузка в - полная нагрузка
Разрежение через эластичный трубопровод 1 поступает в вакуумную камеру регулятора, находящуюся с левой стороны от диафрагмы 3. При работе двигателя на холостом ходу разрежение невелико и регулятор не работает (рис. 8, а). По мере увеличения нагрузки (т. е. по мере открытия дроссельной заслонки) увеличивается разрежение в вакуумной камере регулятора. Вследствие разницы давлений (разрежения в вакуумной камере и атмосферного давления) эластичная диафрагма 3 прогибается влево, преодолевая сопротивление пружины 2 и увлекая за собой тягу 5. Эта тяга шарнирно соединена с диском 6, на котором расположен датчик Холла. Перемещение тяги влево (при увеличении разрежения) приводит к повороту опорной пластины вместе с датчиком Холла 7 в направлении, противоположном направлению вращения экрана (рис. 8, б). Происходит более ранняя подача управляющего импульса с датчика Холла на коммутатор, а, значит, и более раннее зажигание. Максимальный поворот диска, а, следовательно, и максимальный угол опережения зажигания ограничены механически. При перемещении дроссельной заслонки в полностью открытое положение разрежение уменьшается, пружина 2 вызывает перемещение диафрагмы, тяги и диска в противоположном направлении, в результате чего уменьшается угол опережения зажигания (более позднее зажигание). При полностью открытой дроссельной заслонке регулятор не работает (рис. 8, в).















