148042 (692172)
Текст из файла
Содержание
-
Устройство. Описание конструкции
-
Выбор расчётной схемы
-
Определение нагрузок
-
Расчёт деталей моста
-
Расчёт зубчатой передачи
-
Расчёт валов
-
Подбор подшипников
-
Проверочный расчёт
-
Проверочный расчёт зубчатой передачи
-
Проверочный расчёт валов
-
Проверочный расчёт подшипников
Литература
1. Устройство. Описание конструкции
Крутящий момент к главным передачам ведущих мостов передаётся через межосевой дифференциал, установленный в среднем мосту. Картеры мостов сварены из стальных штампованных балок, к которым приварены крышки картеров, фланцы для крепления главных передачи суппортов тормозных механизмов, цапфы ступиц колёс, кронштейны для крепления реактивных тяг и опоры рессор.
На картерах мостов автомобилей-самосвалов КАМАЗ-4310 приварены установочные пластины для крепления опоры рессор.
Главная передача – двухступенчатая. Первая ступень состоит из пары конических шестерён со спиральными зубьями, вторая из пары цилиндрических шестерён с косыми зубьями. Для обеспечения оптимальных тягово-динамических характеристик в зависимости от назначения автомобиля конструкцией мостов предусматриваются четыре варианта передаточных чисел главной передачи: 7,22; 6,53; 5,94; 5,43.
Передаточные числа 7,22 и 6,53 характерны для автомобилей, работающих в составе автопоезда, и седельных тягачей, а передаточные числа 5,94 и 5,43 – для одиночных автомобилей. Изменение передаточного числа главной передачи достигается установкой различных пар цилиндрических шестерен.
Ведущие конические шестерни среднего и заднего мостов отличаются хвостовиками. Ведомые конические шестерни одинаковы.
Ведущая коническая шестерня главной передачи установлена на шлицах ведущего вала. Ведомая коническая шестерня расположена на валу ведущей цилиндрической шестерни и передаёт ему вращение через прямоугольную шпонку. Ведущая цилиндрическая шестерня выполнена как одно целое с валом. К зубчатому венцу ведомой цилиндрической шестерни болтами прикреплены чашки колёсного дифференциала.
В чашках установлены две конические полуосевые шестерни, находящиеся в зацеплении с четырьмя сидящими на шипах крестовины дифференциала сателлитами. В них запрессованы бронзовые втулки. Под торцы полуосевых шестерён и сателлитов подложены опорные шайбы. В шлицевые отверстия конических шестерён входят шлицы полуосей, фланцы которых прикреплены гайками к шпилькам ступиц колёс.
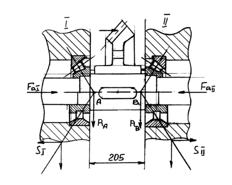
Дифференциал в сборе с киническими подшипниками размещён в гнёздах картера главной передачи. После монтажа дифференциала на наружные обоймы подшипников устанавливают крышки и крепят их болтами. Предварительный натяг подшипников осуществляют упорными гайками, ввёрнутыми в гнёзда подшипников. Этими же гайками регулируют положение ведомой цилиндрической шестерни относительно ведущей. Ведущий вал вращается в двух конических роликоподшипниках, размещённых на хвостовике ведущей конической шестерни, и в одном цилиндрическом роликоподшипнике, находящемся в гнезде картера главной передачи. Наружный конический подшипник находится в стакане. Попаданию грязи и пыли в передний подшипниковый узел и вытеканию смазки из него препятствует крышка с двухкромочным сальником. Задний цилиндрический подшипник закрыт глухой крышкой с прокладкой.
Вал ведущей цилиндрической шестерни вращается в двух конических роликоподшипниках и в одном цилиндрическом, размещённом в гнезде картера главной передачи. Наружные обоймы конических подшипников установлены в стакане. Подшипниковый узел защищен от попадания грязи и пыли глухой крышкой с прокладкой.
Предварительный натяг подшипников конической пары обеспечивают подбором толщины пакета шайб, находящихся между внутренними обоймами конических подшипников. Зацепление (пятно контакта) конических шестерён регулируют подбором толщины пакетов регулировочных прокладок, помещёнными под фланцами стаканов конических подшипников. Для смазки подшипниковых узлов в картере главной передачи имеются маслосборники, из которых масло по сверлениям в стенках картера поступает к подшипникам.
Для равномерного распределения крутящего момента между ведущими мостами в трансмиссию автомобиля введён симметричный межосевой дифференциал.
Межосевой дифференциал.
Межосевой дифференциал с механизмом блокировки собран в отдельном картере, прикреплённом болтами к фланцу стакана подшипников ведущей конической шестерни, и состоит из передней и задней чашек, внутри которых установлены конические шестерни приводов заднего и среднего мостов. Чашки обрабатывают совместно, поэтому при сборке их нужно ставить так, чтобы совпадали места клеймения комплекта, выбитые на торце отверстия под шип крестовины. Конические шестерни дифференциала находятся в зацеплении с четырьмя сателлитами, сидящими на шипах крестовины. В чашках и конических шестернях имеются отверстия, для подвода смазки к рабочим поверхностям шестерён. Под торцы конических шестерён и сателлитов подложены опорные шайбы. Чашки дифференциала соединены между собой болтами.
Задний вал и хвостовик ведущеё конической шестерни соединены с коническими шестернями межосевого дифференциала шлицевыми соединениями. Задний вал свободно установлен внутри хвостовика ведущей конической шестерни и вращается на двух шарикоподшипниках.
Наружная обойма переднего подшипника запрессована в выточку картера межосевого дифференциала, а во внутренней обойме установлен хвостовик передней крышки дифференциала, внутри которой размещены коническая шестерня и передний торец заднего вала. Задний шарикоподшипник расположен в выточке картера главной передачи среднего моста.
На шлицах хвостовика передней чашки дифференциала и заднего вала имеются фланцы для крепления карданных валов.
Конструкция подшипникового узла ведущей конической шестерни аналогична конструкции узла главной передачи заднего моста, а подшипниковые узлы ведомых конических (ведущих цилиндрических) шестерён обоих мостов одинаковы.
Предварительный натяг подшипников и зацепление в конических шестернях регулируют так же, как и натяг подшипников и зацепление шестерён заднего моста.
Картер главной передачи заднего моста в сборе с колёсным дифференциалом и картер и картер главной передачи среднего моста в сборе с колёсным и межосевым дифференциалом при установке центрируют посадочным пояском и крепят гайками на шпильках, ввёрнутых в картер моста.
Полуоси мостов полностью разгружены. На цапфах, приваренных к торцам картеров мотов, гайками, замковыми шайбами и контргайками закреплены ступицы, вращающиеся на двух конических роликоподшипниках. К заднему фланцу ступицы прикреплён шпильками тормозной барабан, а к наружному фланцу гайками, прижимами проставочным кольцом – ободы задних колёс.
Для демонтажа в полуосях предусмотрены резьбовые отверстия под болты съёмника. Ступицы болтов и детали их крепления взаимозаменяемы.
В верхней части левого кожуха полуоси установлен сапун, сообщающий полость картера моста с атмосферой.
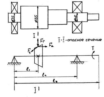
2. Выбор расчётной схемы
В данной курсовой работе рассчитывается мост автомобиля КамАЗ-5511. По данному агрегату производится расчёт вала ведомой конической шестерни, зубчатой передачи и двух подшипников. Двигатель: модель 740. Для расчёта необходимы следующие технические характеристики:
Т=650 Н*м – крутящий момент при 2600 об/мин;
n=2600 об/мин – обороты двигателя;
ксц=1,2 – коэффициент сцепления, (1,1…..1,3).
3. Определение нагрузок
Рис. 1. Силы в зацеплении конической передачи.
Рис. 2. Размеры конических колёс.
Рис. 3. Расчётная схема вала.
Рис. 4. Определение расчётных осевых нагрузок для подшипников.
4. Расчёт деталей коробки передач
4.1 Расчёт конической передачи
Исходные данные: Крутящий момент, передаваемый на главную передачу по прямой (пятой) передаче: Т=780 Н*м
(с учётом коэффициента сцепления)
Частота вращения колеса: n=2600 об/мин.
Передаточное число конической передачи: U=1.73
(26 и 15 зубьев);
Срок службы: t=10 л.;
Коэффициент, учитывающий работу деталей за год: кгод=0,4;
Коэффициент, учитывающий работу за сутки: ксут=0,3.
Ц
иклограмма нагружений.
Т
max=1,7Т
Т
0,55Т
0,25Т
t
0,35t 0.35t 0.3t
t
1. Из табл. 3.1. (Соловьёв В.Д. Курсовое проектирование деталей машин стр. 39) выбираем материал зубчатых колёс:
сталь 35ХМ ГОСТ 4543-71 с сочетанием термообработок:
шестерня – закалка 45…50 HRC;
колесо – улучшение 269…302 НВ,
=750 Мпа.
2. Допускаемые напряжения определяем из табл. 3.2. (Соловьёв В.Д. Курсовое проектирование деталей машин стр. 40):
для шестерни:
для колеса:
3. Срок службы передачи:
t=10*кгод*365*24*ксут
t=10*0,4*365*24*0,3=10512 ч.
4.Число циклов нагружения:
Nк=60nt
Nк=60*2600*10512=16,39*108
-
Эквивалентный крутящий момент:
,
где
-наибольший из длительно действующих на колесе крутящих моментов по циклограмме;
-крутящий момент, соответствующий 1-й ступени циклограммы;
-число циклов напряжений, соответствующее 1-й ступени циклограммы;
-общее число циклов напряжений, соответствующее заданному сроку службы.
-
При несимметрично относительно опор расположения зубчатых колёс
. Тогда:
7. Из табл. 3.3. (Соловьёв В.Д. Курсовое проектирование деталей машин стр. 42) определяем коэффициент концентрации нагрузки:
8. Расчётное значение допускаемого контактного напряжения:
Характеристики
Тип файла документ
Документы такого типа открываются такими программами, как Microsoft Office Word на компьютерах Windows, Apple Pages на компьютерах Mac, Open Office - бесплатная альтернатива на различных платформах, в том числе Linux. Наиболее простым и современным решением будут Google документы, так как открываются онлайн без скачивания прямо в браузере на любой платформе. Существуют российские качественные аналоги, например от Яндекса.
Будьте внимательны на мобильных устройствах, так как там используются упрощённый функционал даже в официальном приложении от Microsoft, поэтому для просмотра скачивайте PDF-версию. А если нужно редактировать файл, то используйте оригинальный файл.
Файлы такого типа обычно разбиты на страницы, а текст может быть форматированным (жирный, курсив, выбор шрифта, таблицы и т.п.), а также в него можно добавлять изображения. Формат идеально подходит для рефератов, докладов и РПЗ курсовых проектов, которые необходимо распечатать. Кстати перед печатью также сохраняйте файл в PDF, так как принтер может начудить со шрифтами.
. Тогда:















