148021 (692155)
Текст из файла
Федеральное агентство железнодорожного транспорта
Иркутский государственный университет путей сообщения
Кафедра: ЭЖТ
КУРСОВОЙ ПРОЕКТ
Выполнил: Добрынин А.И
Проверил: Канд.техн.наук,доц.
Пузина Е.Ю
г. Иркутск
2009
ЗАДАНИЕ НА КУРСОВОЙ ПРОЕКТ
Глава 1. Однолинейная схема главных электрических соединений тяговой подстанции
Структурная схема подстанции
Разработка однолинейной схемы тяговой подстанции
Описание назначения основных элементов схемы тяговой подстанции
Выбор трансформатора собственных нужд
Глава 2. Расчёт токов короткого замыкания
2.1. Расчётная схема тяговой подстанции
2.2 Электрическая схема замещения
2.3 Расчёт сопротивлений элементов схемы замещения
2.4 Расчёт токов короткого замыкания на шинах заданного РУ
Глава 3. Выбор аппаратуры и токоведущих частей подстанции
3.1 Расчёт максимальных рабочих токов основных присоединений подстанции
3.2 Расчёт величины теплового импульса для заданного РУ
3.3 Выбор сборных шин и токоведущих элементов. Выбор изоляторов
3.4 Выбор коммутационной аппаратуры
3.4.1 Выключатели
3.4.2 Разъединители
3.5 Выбор измерительных трансформаторов
3.5.1 Выбор объёма измерений
3.5.2 Разработка схем измерений
3.5.3 Выбор трансформаторов тока
3.5.4 Выбор трансформаторов напряжения
3.6 Выбор ОПН.
3.7 Выбор аккумуляторной батареи и зарядно-подзарядного агрегата
3.8 Выбор установки поперечной емкостной компенсации
Глава 4. Расчёт заземляющего устройства
Глава 5. Экономическая часть проекта
5.1 Определение стоимости тяговой подстанции
5.2 Определение себестоимости перерабатываемой электроэнергии
5.3 Основные технико-экономические показатели тяговой подстанции
Глава 6. Объём графической части проекта
6.1 Однолинейная схема тяговой подстанции
СОДЕРЖАНИЕ
ВВЕДЕНИЕ
РЕФЕРАТ
ИСХОДНЫЕ ДАННЫЕ
Выбор трансформатора собственных нужд
Расчет токов короткого замыкания
Расчёт сопротивлений элементов схемы замещения
Расчёт токов короткого замыкания на шинах РУ 27.5 кв
Выбор аппаратуры и токоведущих частей подстанции
Расчёт максимальных рабочих токов основных присоединений подстанции
Расчёт величины теплового импульса для ОРУ 27.5 кВ
Выбор сборных шин и токоведущих элементов. Выбор изоляторов
Выбор изоляторов
Выбор коммутационной аппаратуры
Выключатели
Разъединители
Выбор измерительных трансформаторов
Выбор объёма измерений
Разработка схем измерений
Выбор трансформаторов тока
Ввод низкого напряжения тягового трансформатора 27,5 кВ
Ввод среднего напряжения тягового трансформатора 35 кВ
Выбор трансформаторов напряжения
Выбор ограничителей перенапряжения
Выбор аккумуляторной батареи и зарядно-подзарядного агрегата
Расчёт заземляющего устройства
Экономическая часть проекта
Определение стоимости тяговой подстанции
Основные технико-экономические показатели тяговой Подстанции
Список использованной литературы
ВВЕДЕНИЕ
Одним из звеньев в системе электроснабжения электрифицированных железных дорог являются тяговые подстанции, которые преобразуют электроэнергию поступающую от электрических станций. В зависимости от системы, от которой электрифицированы железные дороги, тяговые подстанции бывают постоянного и переменного тока. Кроме питания электроподвижного состава тяговые подстанции снабжают электроэнергией железнодорожные, промышленные и сельскохозяйственные потребители в районе места их нахождения.
Тяговые подстанции это сложные и мощные электроустановки, требующие от персонала глубоких знаний устройства электроустановок, электрооборудования, схем и аппаратуры управления, а также знаний по технике безопасности при проведении всех работ на тяговых подстанциях.
Проектирование тяговой подстанции выполняется с учетом действующих правил и норм на основании имеющегося опыта эксплуатации и имеющихся достижений науки и технике в области электрифицированного железнодорожного транспорта.
Целью курсового проекта являются обобщения и углубления студентами знаний по дисциплине, изучение современных проблем проектирования.
Грамотно эксплуатировать оборудование тяговой подстанции, уметь наблюдать и анализировать происходящие в нем процессы, при необходимости наметить пути усовершенствования отдельных узлов и иметь уверенность в том, что их осуществление возможно только после тщательного целенаправленного изучения принципа действия и устройства всего того единого целого, что объясняется названием тяговая подстанция.
Тяговые подстанции классифицируют по:
-
Способу подключения к ЛЭП (опорные, транзитные, отпаечные, тупиковые)
-
Роду тока (постоянные, переменные, 127,5 кВ, 227,5 кВ, смешанные)
-
По способу управления
-
По способу обслуживания (с постоянным дежурным персоналом, с дежурным персоналом на дому, без дежурного персонала)
-
По уровню входного напряжения (220, 110, 35, 10(6) кВ)
-
По виду оборудования (с выпрямительными и с выпрямительно-инверторными агрегатами)
-
По виду аппаратуры на вводе высокого напряжения силового трансформатора (на выключателях, на отделителях и короткозамыкателях)
-
По типу тяговой подстанции (передвижные, стационарные)
-
По конструкции РУ (ОРУ, ОРУ+ЗРУ, ОРУ+ЗРУ+КРУН)
-
По типу здания (панельные, кирпичные)
РЕФЕРАТ
В данном курсовом проекте разработана схема главных электрических соединений тяговой подстанции системы тяги соответствующей варианту задания. Рассчитываются токи коротких замыканий на шинах тяговой подстанции. С учётом рассчитанных токов коротких замыканий производится выбор и проверка аппаратуры, токоведущих частей и изоляторов, применяемых на данной тяговой подстанции. Производится выбор ТСН и аккумуляторной батареи. Рассчитываются заземляющие устройства. Производится расчёт технико-экономических показателей тяговой подстанции.
Курсовой проект содержит.
Рисунков – 11
Таблиц - 9
Чертежей - 1
ИСХОДНЫЕ ДАННЫЕ
1. Схема внешнего электроснабжения
Рис.1. Схема присоединения к системе внешнего электроснабжения
Тяговая подстанция №5.
Род тока – переменный.
Характеристика источника питания.
МВА;
МВА;
МВА;
5. Данные по подстанции. Проверить РУ НН
Понизительный тяговый трансформатор ТДТНЭ-40000/110/35/27,5:
МВА;
кВ;
кВ;
кВ;
кВА;
Количество фидеров – 6;
Количество фидеров кс – 5;
Количество трансформаторов – 2;
;
6. Длины участков ЛЭП.
l1 =55 км; l2 =40 км; l3 =45 км; l4 =50 км; l5 =50 км;
8. Данные для расчёта заземляющих устройств.
Сопротивление земли:
Омм; Площадь подстанции: S=8500м2
9. Выдержка времени релейной защиты.
Вводы 110 кВ – 2 с;
Вводы 35 кВ – 1,4 с;
Вводы 27.5 кВ – 1,1с;
Фидер 27.5 кВ – 0.4 с;
Фидер 35 кВ – 0.4 с;
10. Ток длительной нагрузки
Ток аварийной нагрузки
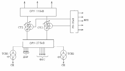
Рис.2 Однолинейная схема главных электрических соединений
Технические характеристики силового трансформатора
Таблица 1
| Тип трансформатора | Номинальное напряжение обмоток, кВ | Потери, кВт | uК, % | IХ, % | Схема и группа соединения обмоток | Пределы РПН со стороны ВН, % Uном | |||||||
| ВН | СН | НН | РХ | РК | ВН-СН | ВН-НН | СН-НН | ||||||
| ТДТНЭ-40000/110/35/27,5 | 110 | 35 | 27,5 | 45 | 145 | 17.5 | 10,5 | 6.5 | 1,0 | Y0/Y0/- 0-11 | 91.0 | ||
Выбор трансформатора собственных нужд
На тяговой подстанции устанавливают два ТСН с вторичным напряжением 380/220 В, каждый из которых рассчитан на полную мощность собственных нужд.
Питание ТСН на тяговых подстанциях переменного тока осуществляем от шин 27,5 кВ.
Необходимая мощность для питания собственных нужд переменного тока может быть определена суммированием всех мощностей потребителей подстанции.
Расчётная мощность для питания собственных нужд (мощность ТСН) определяется:
Расчётную мощность ТСН определим по формуле:
где:
- коэффициент собственных нужд равный 0,006
- число понижающих трансформаторов равно 2
-Номинальная мощность трансформатора равная 40000 кВА
-Мощность устройств автоблокировки равная 40 кВА
-Мощность передвижной базы масляного хозяйства равная 20 кВА
кВА
По рассчитанной мощности выбираем ТСН типа: ТМЖ –400/27,5/0,4
Расчет токов короткого замыкания
Рис.3. Расчетная схема тяговой подстанции
Рис.4. Электрическая схема замещения до точки к1
Расчёт сопротивлений элементов схемы замещения
Расчет сопротивлений системы найдём относительные сопротивления энергосистемы:
где:
- базисная мощность, принимаем 100 МВА;
- мощность короткого замыкания, МВА.
Относительные сопротивления ЛЭП:
где:
- удельное сопротивление проводов 1 км линии,
=0,4 Ом/км;
l – длина линии, км.
Расчётные значения напряжения К.З. обмоток тяговых трансформаторов определим, используя выражения:
Относительные сопротивления обмоток тягового трансформатора:
Характеристики
Тип файла документ
Документы такого типа открываются такими программами, как Microsoft Office Word на компьютерах Windows, Apple Pages на компьютерах Mac, Open Office - бесплатная альтернатива на различных платформах, в том числе Linux. Наиболее простым и современным решением будут Google документы, так как открываются онлайн без скачивания прямо в браузере на любой платформе. Существуют российские качественные аналоги, например от Яндекса.
Будьте внимательны на мобильных устройствах, так как там используются упрощённый функционал даже в официальном приложении от Microsoft, поэтому для просмотра скачивайте PDF-версию. А если нужно редактировать файл, то используйте оригинальный файл.
Файлы такого типа обычно разбиты на страницы, а текст может быть форматированным (жирный, курсив, выбор шрифта, таблицы и т.п.), а также в него можно добавлять изображения. Формат идеально подходит для рефератов, докладов и РПЗ курсовых проектов, которые необходимо распечатать. Кстати перед печатью также сохраняйте файл в PDF, так как принтер может начудить со шрифтами.















