147221 (691801)
Текст из файла
Содержание
Введение
-
Назначение
-
Общее устройство коробки передач
-
Главная передача с дифференциалом
-
Автоматические коробки передач
-
Неисправности коробки передач
-
Заключение
Литература
Введение
Автомобилю приходится двигаться со скоростями от очень маленькой до сотни-другой километров в час – а потому диапазон, в котором изменяются обороты колес, получается огромным – раз в 50. Но двигатель внутреннего сгорания способен эффективно работать лишь в интервале 2000–6000 об/мин, то есть менять скорость вращения коленчатого вала всего раза в три. Поэтому и приходится между ним и колесами ставить ту самую коробку, чтобы получить требуемую скорость движения при близких к оптимальным оборотах двигателя.
Кстати, не все известные моторы требуют применения такого преобразователя на шестеренках. Например, паровая машина и электродвигатель развивают немалый крутящий момент, что называется, "от нуля" – именно поэтому в троллейбусах (как и в паровозах) нет ни третьей педали, ни рычага коробки передач.
На различных автомобилях устройство коробки передач может отличаться, но принципиальная схема остаётся примерно одинаковой. Во втором разделе мы рассмотрим общее её устройство.
В четвёртом разделе мы выясним можно-ли заставить коробку передач работать, автоматически подстраиваясь к режиму движения. Рассмотрим три самых распространенных сегодня варианта.
В пятом разделе будут рассмотрены основные неисправности коробки передач и способы их устранения.
Назначение
Назначение коробки передач — изменять силу тяги, скорость и направление движения автомобиля. У автомобильных двигателей с уменьшением частоты вращения коленчатого вала крутящий момент незначительно возрастает, достигает максимального значения и при дальнейшем снижении частоты вращения также уменьшается. Однако при движении автомобиля на подъемах, по плохим дорогам, при трогании с места и быстром разгоне необходимо увеличение крутящего момента, передаваемого от двигателя к ведущим колесам. Для этой цели и служит коробка передач, в которую входит также передача, позволяющая автомобилю двигаться задним ходом. Кроме того, коробка передач обеспечивает разъединение двигателя с трансмиссией.
Ступенчатая коробка передач состоит из набора зубчатых колес, которые входят в зацепление в различных сочетаниях, образуя несколько передач или ступеней с различными передаточными числами. Чем больше число передач, тем лучше автомобиль «приспосабливается» к различным условиям движения. Коробка передач должна работать бесшумно, с минимальным износом; этого достигают применением зубчатых колес с косыми зубьями.
Ступенчатые коробки передач по числу передач переднего хода делят на четырех- и пятиступенчатые. Обычно коробки передач легковых автомобилей, малогабаритных автобусов и грузовых автомобилей небольшой грузоподъемности имеют четыре ступени, а коробки передач больших автобусов и грузовых автомобилей значительной грузо-подъемности — пять ступеней.
Ступенчатые коробки передач могут быть простые и планетарные. В основном на автомобилях применяют простые ступенчатые коробки передач, переключение передач в которых происходит двумя способами: передвижением зубчатых колес или передвижением муфт.
Иногда автомобили оборудуют бесступенчатыми коробками передач с плавным изменением передаточного числа и комбинированными коробками передач, в которых использованы оба способа изменения передаточного числа.
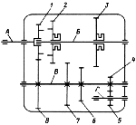
В простой ступенчатой коробке передач (рис. 1) имеются три вала: ведущий (первичный) А, связанный через сцепление с коленчатым валом двигателя; ведомый (вторичный) Б, соединенный через карданную передачу и другие механизмы с ведущими колесами автомобиля; промежуточный В. С ведущим валом как одно целое изготовлено ведущее зубчатое колесо 1, находящееся в постоянном зацеплении с ведомым зубчатым колесом 8, жестко соединенным с промежуточным валом. При включении сцепления вращаются ведущий и промежуточный валы.
Рис.1. Схема трехступенчатой коробки передач: А — ведущий вал; Б — ведомый вал; В — промежуточный вал; Г — ось зубчатого колеса передачи заднего хода; 1–8 — зубчатые колеса.
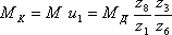
На ведомом валу установлены подвижные зубчатые колеса 2 и 3, а зубчатые колеса 7, 6 и 4, так же как и колесо 8, жестко соединены с промежуточным валом. Отношение числа зубьев ведомого зубчатого колеса к числу зубьев ведущего колеса, обратное отношению их частот вращения, называют передаточным числом. Например, передаточное число передачи, состоящей из зубчатых колес 8 и 1,
где z8 — число зубьев ведомого зубчатого колеса 8; z1 — число зубьев ведущего зубчатого колеса 1.
Когда какое-либо зубчатое колесо ведомого вала входит в зацепление с одним из зубчатых колес промежуточного вала, крутящий момент от двигателя через ведущий, промежуточный и ведомый валы коробки передач передается карданной передаче и далее на ведущие колеса автомобиля. Для включения первой передачи колесо 3 передвигают вперед, вводя его в зацепление с шестерней 6 первой передачи промежуточного вала. Общее передаточное число первой передачи определяют как произведение передаточных чисел отдельных пар зубчатых колес, т. е.
где z3 и z6 — числа зубьев соответственно колеса 3 и шестерни 6.
При включении первой передачи крутящий момент Мк на ведомом валу коробки передач увеличивается по сравнению с крутящим моментом двигателя Мд в u1 раз, т. е.
и имеет максимальную величину, так как шестерня 6 является наименьшей из зубчатых колес промежуточного вала, а колесо 3 — наибольшим из зубчатых колес ведомого вала.
Первой передачей пользуются при движении автомобиля в самых тяжелых дорожных условиях, на крутых подъемах, а также при трогании с места на плохой дороге и с грузом.
Вторая передача обеспечивается включением зубчатых колес 2 и 7. Тогда
где z2 и z7 — числа зубьев зубчатых колес соответственно 2 и 7.
Вторая передача является промежуточной. В приведенной схеме трехступенчатой коробки она единственная. В четырех- и пятиступенчатой коробках передач может быть две или даже три промежуточные передачи.
При включении прямой (в данном случае третьей) передачи ведущий и ведомый валы соединяются непосредственно через зубчатые колеса 1 и 2 (u3 = 1). Прямая передача является основной передачей, используемой при движении автомобиля по хорошей дороге.
Переключение передач выполняют при выключенном сцеплении, вводя подвижные зубчатые колеса (каретки) ведомого вала в зацепление с неподвижными зубчатыми колесами промежуточного вала. Это зацепление сопровождается ударами торцов зубьев и их повышенным износом. Поэтому на автомобилях часто применяют коробки передач с постоянным зацеплением зубчатых колес, отличающиеся высокой долговечностью.
С зубчатым колесом 4 промежуточного вала в постоянном зацеплении находится промежуточное зубчатое колесо 5 передачи заднего хода, которое на рис. 1 условно изображено в плоскости чертежа. Для включения передачи заднего хода зубчатое колесо 3 передвигают назад, вводя его в зацепление с промежуточным зубчатым колесом 5 передачи заднего хода, свободно вращающимся на своей оси.
Общее устройство коробки передач
На различных автомобилях устройство коробки передач может отличаться, но принципиальная схема остаётся примерно одинаковой. В этом разделе мы рассмотрим общее её устройство.
Коробка передач (рис. 1) механическая, трехходовая, четырехступенчатая, с четырьмя передачами вперед и одной назад. Зубчатые колеса первой, второй, третьей и четвертой передач косозубые. Ведущее и ведомое зубчатые колеса заднего хода прямозубые. Промежуточное зубчатое колесо заднего хода косозубое.
Передаточные числа пар зубчатых колес коробки передач
первой передачи......................................... 3,8
второй передачи......................................... 2,118
третьей передачи........................................ 1,409
четвертой передачи.................................... 0,964
заднего хода............................................... 4,156
Картер коробки передач представляет собой блочную конструкцию, разделенную перегородками на три секции. В первой секции со стороны маховика размещена главная передача. Во второй секции размещены зубчатые колеса первой и второй передач и зубчатые колеса заднего хода, а в третьей секции — зубчатые колеса третьей и четвертой передач. Первая и вторая секции сообщаются между собой и имеют общее отверстие для слива масла, закрытое пробкой с вклеенным постоянным магнитом для сбора металлических частиц, попавших в масло. Третья секция сообщается с полостью задней крышки и также имеет отверстие для слива масла, закрытое такой же пробкой. В третьей секции между зубчатыми колесами третьей и четвертой передач установлено зубчатое колесо привода спидометра. В передней части картера коробки передач крепится картер сцепления, к задней — задняя крышка. Посадочные места картера коробки передач обработаны совместно с картером сцепления, поэтому они заменяются в комплекте.
Рис. 2. Коробка передач:
1 — задняя крышка; 2 — шток ползуна; 3 — уплотнитель; 4 — задняя втулка;5 — передняя втулка; 6 — крышка картера; 7 — прокладка; 8 — втулка; 9 — ведущая шестерня четвертой передачи; 10 — шайба; 11 — ступица; 12 — муфта третьей и четвертой передач; 13 — игольчатый подшипник; 14 — кольцо блокирующее; 15 — шестерня третьей передачи; 16 — подшипник роликовый; 17 — промежуточный вал; 18 — рычаг; 19 — стопорное кольцо; 20 — ведущий вал коробки передач; 21 — крышка; 22 — ведущая шестерня (ведомый вал) главной передачи; 23 — крышка переднего подшипника; 24 — маслосливная пробка; 25 — регулировочная прокладка; 26 — упорный подшипник ведущей шестерни; 27 — регулировочная прокладка; 28 — ведомая шестерня первой передачи; 29 — шайба; 30 — ведомая шестерня заднего хода; 31 — ведомая шестерня второй передачи; 32 — ведомая шестерня третьей передачи; 33 — ведущая шестерня привода спидометра; 34 — ведомая шестерня четвертой передачи; 35 — задний подшипник ведущей шестерни; 36 — картер коробки передач; 37 — прокладка; 38 — шайба; 39 — гайка; 40 — шайба; 41 — шлицевой вал ведущей шестерни заднего хода; 42 — промежуточная ведущая шестерня заднего хода; 43 — промежуточная ведомая шестерня заднего хода; 44 — втулка оси; 45 — ось шлицевого вала; 46 - сухарь; 47 — пружина; 48 — заглушка; 49 — ведомая шестерня привода спидометра; 50 — уплотнитель; 51 — ведущая шестерня; 52 — вал; 53 — корпус редуктора; 54 — шестерня; 55 — ведомый вал. Схема работы синхронизатора: а — нейтральное положение передач; б — начало синхронизации; в — передача включена
Р
ис. 3.
Ведущий вал коробки передач вращается на двух подшипниках: передний конец вала на игольчатом подшипнике, запрессованном в болт маховика, а задний — на подшипнике, установленном в отверстие картера коробки передач. Упорное разрезное кольцо, установленное на ведущем валу, препятствует смещению подшипника и вала назад. От смещения вперед он удерживается крышкой заднего подшипника, которая закреплена болтами с моментом затяжки 1,6-2 кгс-м. На переднем конце ведущего вала нарезаны шлицы для скользящей посадки ведомого диска сцепления. В средней части вала, находящейся внутри коробки передач, нарезана косозубая шестерня, которая находится в постоянном зацеплении с ведомой шестерней первой передачи и промежуточной ведомой шестерней заднего хода. Осевая сила, возникающая при передаче крутящего момента ведущим валом, воспринимается шариковым подшипником. За шестерней на заднем конце ведущего вала имеются эвольвентные шлицы, входящие в зацепление со ступицей промежуточного вала. Уплотнение ведущего вала осуществляется самоподвижным резиновым сальником с масло сгонной резьбой.
Промежуточный вал коробки передач пустотелый, выполнен заодно с ведущей шестерней второй передачи. Вращается вал на двух подшипниках: переднем роликовом и заднем шариковом, установленных в отверстии картера коробки передач. На промежуточном валу на двухрядных игольчатых подшипниках вращаются ведущие шестерни третьей и четвертой передач. Для ограничения осевых перемещений, возникающих на косозубых шестернях при передаче крутящего момента, установлены упорные фигурные шайбы. Необходимый осевой разбег шестерен в пределах 0,26-0,39 мм обеспечивается длиной втулок.
Ось шлицевого вала заднего хода запрессована в отверстия передней и средней стенок картера и дополнительно удерживается усом крышки, входящим в паз на переднем конце оси. Диаметр переднего конца оси на 27 мм больше диаметра остальной части на 0,04 мм. Соответственно увеличено и отверстие в передней стенке картера, что облегчает сборку и разборку узла.
Ведомый вал выполнен заодно целое с ведущей шестерней главной передачи и вращается на трех подшипниках, запрессованных в картер коробки передач. Передний подшипник двухрядный, упорный, конический, запрессован в переднюю спинку картера и воспринимает радиальное и осевое усилия от главной передачи. От осевых перемещений, возникающих под действием осевых сил на стальных зубьях при передаче крутящего момента, подшипник фиксируется крышкой, которая крепится к картеру четырьмя болтами моментом 3,2-4 кгс-м.
Синхронизаторы предназначаются для выравнивания скоростей вращающихся деталей силовой передачи при переключении передач. В коробке передач предусмотрены два синхронизатора: для четвертой и третьей передач и для второй и первой. Синхронизаторы имеют одинаковое устройство и одни и те же размеры, но в синхронизаторе второй и первой передач муфтой служит ведомая шестерня заднего хода. Ступица синхронизатора внутренними шлицами надета на шлицы промежуточного вала и удерживается на нем вместе с другими деталями, шайбами и гайкой. На наружной поверхности ступицы нарезаны шлицы, по которым может перемещаться муфта синхронизатора. Кроме шлицев, на ступице вырезаны на разных расстояниях один от другого три продольных паза, в которых помещены три штампованных сухаря с выступами на середине. Сухари прижаты к шлицам муфты двумя пружинными кольцами, причем выступы сухарей входят в кольцевую проточку муфты. С обеих сторон ступицы установлены латунные блокирующие кольца. На торцах этих колец, обращенных к ступице, сделано по три паза, в которые входят концы сухарей. Блокирующие кольца имеют внутреннюю коническую поверхность, которая соответствует конической поверхности венцов синхронизатора шестерен. На конической поверхности колец нарезана мелкая резьба. В цилиндрическую проточку на верхней поверхности муфты синхронизатора входит вилка включения передач. Она разрывает пленку между блокирующими кольцами и конической поверхностью шестерни включаемой передачи при их соприкосновении, вследствие чего между кольцом и конической поверхностью возникает повышенное трение. Снаружи на кольцах имеются короткие прямые зубцы, такие же, как и на соседних с ними венцах синхронизатора шестерен. Эти зубцы соответствуют впадинам между шлицами муфты синхронизатора, в результате чего муфта, перемещаясь в осевом направлении, может входить в зацепление своими шлицами с зубцами блокирующих колец и с зубчатыми венцами. Муфты и ступицы подбираются на заводе комплектами, таким образом обеспечивается плавное и легкое скольжение м
уфты по ступицам с минимальным зазором. На автомобиле ЗИЛ – 130 применяют синхронизатор инерционного типа.
Характеристики
Тип файла документ
Документы такого типа открываются такими программами, как Microsoft Office Word на компьютерах Windows, Apple Pages на компьютерах Mac, Open Office - бесплатная альтернатива на различных платформах, в том числе Linux. Наиболее простым и современным решением будут Google документы, так как открываются онлайн без скачивания прямо в браузере на любой платформе. Существуют российские качественные аналоги, например от Яндекса.
Будьте внимательны на мобильных устройствах, так как там используются упрощённый функционал даже в официальном приложении от Microsoft, поэтому для просмотра скачивайте PDF-версию. А если нужно редактировать файл, то используйте оригинальный файл.
Файлы такого типа обычно разбиты на страницы, а текст может быть форматированным (жирный, курсив, выбор шрифта, таблицы и т.п.), а также в него можно добавлять изображения. Формат идеально подходит для рефератов, докладов и РПЗ курсовых проектов, которые необходимо распечатать. Кстати перед печатью также сохраняйте файл в PDF, так как принтер может начудить со шрифтами.















