185080 (691763), страница 4
Текст из файла (страница 4)
3 – месяц (римскими цифрами) и год (две последние цифры) проведения полного освидетельствования;
4 – клейма службы технического контроля и приемщика локомотивов (инспектора-приемщика).
Рисунок 9 – Знаки и клейма на левом торце оси колесной пары:
а — тепловозов с торцовыми упорами качения; б — тепловозов с торцовым упором скольжения;
в — электровозов и МВПС на подшипниках качения без торцового упора;
После постановки клейм торцы осей с торцовым упором необходимо обработать. Шероховатость поверхности должна соответствовать Ra не более 1,25 мкм.
Запрещается заварка или зачеканка знаков и клейм изготовления оси и формирования колесной пары на правом торце оси. Они должны сохраняться на все время эксплуатации оси для локомотивов. Клейма формирования (переформирования) колесной пары для МВПС и клейма переформирования для локомотивов должны сохраняться до следующего переформирования.
При заполнении всех секторов левого торца оси проводится заварка знаков предыдущих полных освидетельствований и после зачистки или механической обработки торец вновь используется для постановки знаков полного освидетельствования колесной пары. При этом сохраняют клеймо последней перепрессовки колесного центра (цельнокатаного колеса).
9. Организация рабочего места
Производительность колёсных цехов в значительной степени зависят от рациональной компоновки участков, оптимального размещения производственного, подъёмно – транспортного и вспомогательного оборудования на площади цеха. Размещение оборудования (планировка) должно обеспечивать максимальную прямоточность производственного процесса, непрерывность в движении и наименьший грузооборот колёсных пар и их элементов в процессе ремонта и формирования, а также рациональное использование площади и объёма здания колёсного цеха.
Кроме того, в процессе планировки оборудования учитывают необходимость обеспечения экономии трудовых движении рабочих и их наименьшую утомляемость. Рациональная планировка оборудования требует соблюдения и ряда других условии, таких, как удобство разборки оборудования при ремонте, выделение площадок для размещения оснастки, межоперационных заделов, удобство подачи инструментов, вспомогательных материалов, применение многостаночного обслуживания, соблюдение правил техники безопасности.
Вместе с тем схема планировки оборудования должна предусматривать возможность внесения в неё изменений в процессе совершенствования технологического процесса ремонта колёсных пар. При компоновке участков цеха и размещения станков в линии необходимо предусматривать кратчайшие пути движения колёсных пар при их ремонте, не допускать обратных, кольцевых или петлеобразных движений, создающих встречные потоки и затрудняющих транспортирование колёсных пар. Учёт и реализация указанных требований при расстановки оборудования во многом зависят от конструктивно – технических особенностей колёсных пар, программы и принятой организации производства.
При расстановки оборудования необходимо руководствоваться нормальными размерами промежутков (разрывов) между оборудованием в предельном и поперечном направлениях и размерами расстояний от стен и колонн. Эти размеры должны гарантировать удобство выполнения работ, безотказность рабочих, свободу движения людей и транспортных средств, возможность выполнения ремонта оборудования. При размещении оборудования в поточную линию при назначении расстояний между станками необходимо учитывать межоперационные заделы. На основе планировки оборудования и рабочих мест определяют площадь цеха.
По своему назначению площадь цеха подразделяются на производственную, вспомогательную и служебно – бытовую. Под производственной понимается площадь цеха, предназначенная для осуществления технологического процесса ремонта и формирования колёсных пар. В состав производственной площади входят площади, занимаемые производственным и подъёмно – транспортным оборудованием, а также стеллажами, верстаками, стендами, проходами и проездами (кроме магистральных) между станками. К вспомогательной относят площади, занятые вспомогательным оборудованием,магистральными проездами, складами, кладовыми и другими подсобными помещениями. На служебно – бытовой площади цеха размещают конторские и бытовые помещения.
В колесном цехе ремонтируют колесные пары на программу завода и для железных дорог, проводят новое формирование колесных пар для тепловозов и других видов подвижного состава, изготовляют элементы колесных пар как запасные части для поставки по межзаводской кооперации. Колесный цех относится к группе основных цехов. По существующей структуре в состав колесного цеха входят следующие самостоятельные хозрасчетные отделения и участки, участок по ремонту и формированию колесных пар, включающий в себя демонтажное отделение, производящее демонтаж буксового узла с колесной пары; прессовое отделение по распрессовке, запрессовке и опробованию на сдвиг элементов колесных пар при формировании;
б
36
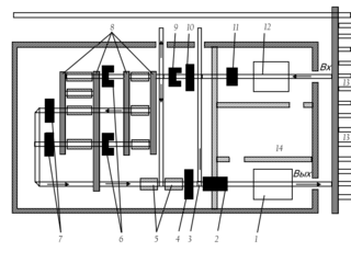
андажное отделение для снятия бракованных и насадки новых бандажей; колесотокарное отделение по обработке поверхности катания цельнокатаных колес и бандажей и обработке шеек и подступичных частей осей колесных пар; механическое отделение, которое изготовляет (обрабатывает) элементы колесных пар; сварочное отделение для срезки и приварки наличников к корпусам букс, наплавки ступиц центров и цельнокатаных колес; монтажное отделение, выполняющее сборку колесных пар с буксовыми узлами, и малярное отделение, в котором производятся окраска, сушка колесных пар. Участок по обработке осей для колесных пар имеет группы специализированных станков по видам обработки. Колесный цех располагают в пролете блока основных цехов или в отдельном здании. В цехе производятся в зависимости от объема выполняемых работ два вида ремонта - со сменой элементов (бандажей, ведомых зубчатых колес, цельнокатаных колес, центров и осей) и без смены элементов. Ремонтные операции осуществляются согласно технологическому процессу со строгим соблюдением требований соответствующих инструкций. Очищенные от грязи и обмытые в моечной машине колесные пары из тележечного цеха поступают в демонтажное отделение колесного цеха, где производят демонтаж буксовых узлов. Работу выполняют с помощью ручного механизированного инструмента и индукционных нагревателей для съема лабиринтных колец и внутренних колец роликоподшипников. Выпрессованные на специальном малогабаритном прессе из корпусов букс роликоподшипники укладывают в тару и передают на ремонт в специализированное отделение по ремонту подшипников качения. Крышки, осевые упоры и корпуса букс проходят обмывку в моечной машине, а затем поступают в ремонт. Лабиринтные и дистанционные кольца моют и складируют на специальные подставки с последующей передачей в монтажное отделение на сборку. Для улучшения культуры и чистоты производства отделение оборудовано устройством для сбора отработанной смазки из корпусов букс при демонтаже. Устройство установлено под полом. Смазка стекает со всего участка по желобам в заглубленный бак, который по мере наполнения заменяется порожним. Колесная пара после демонтажа буксового узла и тщательной обтирки и очистки от грязи шеек оси по рельсовому пути подается на стенд дефектоскопии. Здесь производится магнитный и ультразвуковой контроль оси и ведомого зубчатого колеса. Для дефектоскопии применяют дефекоскопы ДТС-М-63 и УЗД-64. После тщательного осмотра, измерений и дефектоскопии мастер окончательно определяет вид ремонта, и колесная пара передается в соответствующее отделение. Наиболее характерным для колесных пар является ремонт со сменой бандажей и ведомых зубчатых колес. Колесные пары со стенда дефектоскопии поступают в колесотокарное отделение на вырезку укрепляющих колец. Здесь же находится бандажное отделение, где производится съем забракованных бандажей на электрогорне. В прессовом отделении спрессовывают центр и бракованное ведомое колесо. Посадочные поверхности оси колесной пары после опрессовки элементов проверяют магнитным дефектоскопом и подготовляют на шеечно-накатном станке КЖ15 для насадки тепловым методом нового ведомого зубчатого колеса и напрессовки центра. Колесную пару с насаженным остывшим ведомым зубчатым колесом подвергают опробованию на прессе на сдвиг с записью диаграммы. Аналогично выполняют операции при тепловом формировании колесных пар. Для устранения эксцентричности поверхности колесных центров относительно оси и определения правильности запрессовки оси каждую колесную пару протачивают по периметру и торцовым поверхностям колесных центров. При отсутствии биения проверяемых поверхностей колесную пару направляют для насадки бандажей в бандажное отделение. Одновременно со сменой бракованных изготовляют новые элементы в механическом отделении цеха из заготовок, имеющих соответствующие клейма и маркировку. Принцип обработки посадочных поверхностей - по системе вала, т. е. приточка ступицы колеса к окончательно обработанной подступичной части оси и бандажа к ободу центра. Все вновь изготовленные и приточенные на карусельных станках бандажи подвергаются магнитному контролю на стенде дефектоскопии и подаются в бандажное отделение на установку скоростного электронагревателя. При достижении заданной температуры бандажа 270 °С установка автоматически отключается от электросети, после чего производятся насадка бандажа на центр и установка стопорного укрепляющего кольца. Заготовку кольца осуществляют на специальном гибочном станке. Затем выполняют завальцовку прижимных буртов бандажей колесной пары на гидравлическом прессе М963. После остывания колес в колесо-токарном отделении производят обработку поверхностей катания колес на колесотокарных станках 1836А и 1836. Параллельно технологическому процессу ремонта колесных пар со сменой элементов выполняют ремонт без смены элементов. При этом колесная пара после стенда дефектоскопии направляется сразу же в колесотокарное отделение для проточки и накатки шеек осей, зачистки торцов, обточки по профилю поверхности круга катания. Слияние обоих потоков ремонтируемых колесных пар происходит при окончательной магнитной дефектоскопии шеек осей на рельсовом пути. Затем колесные пары передают в монтажное отделение на зачистку от заусенцев ведомых зубчатых колес и на сборку с отремонтированными буксовыми узлами.На схеме приведена наиболее рациональная планировка оборудования колёсного цеха, на котором: 12 – стенд демонтажа роликовых букс; 11 – моечная машина; 10 – стенд для измерения колёсных пар; 9 – установка для магнитной и ультразвуковой дефектоскопии; 6 – портальные колесотокарные станки; 7 – станки для обтачивания и накатывания шеек и предподступичных частей осей колёсных пар; 4 – устройство выходного контроля (дефектоскопия, измерение и клеймение колёсных пар); 2 – площадка для окраски и сушки колёсных пар; стенд для монтажа роликовых букс; 14 – участок ремонта и комплектования подшипников и буксовых узлов; 13 – колёсный парк; 3 – поворотные устройства; 8 – устройства для поперечного перемещения колёсных пар; 5 – накопители колёсных пар.
Размещённое в цехе оборудование, показанное на схеме, обеспечивает поточный ремонт колёсных пар, которые поступают в цех (Вх), проходят демонтаж, обмывку, очистку и входной контроль (осмотр, дефектоскопию, измерение). А далее поток колёсных пар распределяется на три направления : первое – на колёсотокарные и шеечно – накатные станки для ремонта без смены элементов (восстановление профиля поверхностей катания колёс и ремонт шеек осей), второе – на выходной контроль, окраску, сушку и монтаж роликовых букс, и на выход (Вых)при выполнении освидетельствования, и третье – на боковой выход из цеха в том случае, если колёсные пары нуждаются в ремонте со сменой элементов или подлежат исключению из инвентаря. В колёсном цехе имеют место два устойчивых потока колёсных пар : один состоит из колёсных пар, которые подвергаются обыкновенному и полному освидетельствованию, а другой – из колёсных пар, которые проходят освидетельствование и ремонт без смены элементов.
38
10. Техника безопасности при ремонте колесных пар
Ответственным за выполнение правил техники безопасности в цехе является старший мастер. Сменные мастера и бригадиры несут ответственность за выполнение правил по технике безопасности и промсанитарии по кругу своих обязанностей.
Старший мастер цеха проводит инструктаж по соблюдению рабочими инструкции по Технике безопасности и безопасными правилами работы в соответствии с положением " Об организации обучения и проверки знаний по охране труда на железнодорожном транспорте " № ЦСР-325 и инструктивными указаниями СТП ССБТ 008-98 " Обучение и проверка знаний по охране труда работников депо", а так же обеспечивает своевременное проведение с работниками цеха периодических занятий по охране труда и техники безопасности.
Каждый работник обязан:
- строго соблюдать требования по охране труда, технике безопасности, производственной санитарии, противопожарной охране, предусмотренные соответствующими правилами и инструкциями; - пользоваться спец одеждой и предохранительными устройствами и приспособлениями; - содержать в частоте и порядке свое рабочее место, соблюдать чистоту и порядок на участке; - передавать оборудование, инструмент и приспособления сменщику в исправном состоянии.
В случае повреждения механизмов, приспособлений, оборудования или получения травмы, нарушения техники безопасности, работник должен немедленно сообщить руководителю участка. Выполнение положений по технике безопасности, производственной санитарии обеспечивает безопасность производства работ и предупреждает возникновение производственного травматизма и профессиональных заболеваний.
Все работники участка обязаны знать и выполнять правила и инструкции по охране труда и техники безопасности, должностные инструкции и положения, руководствоваться ими в своей практической работе и обеспечивать строгое выполнение их в процесс производства. Виновные в нарушении правил техники безопасности привлекаются к ответственности согласно действующему законодательству и стандартов предприятия.
Мастер (сменный, старший) является полноправным руководителем и непосредственным организатором производства и труда на новом участке. Имеет право и обязан не допускать работу на неисправном оборудовании с применением неисправных инструментов, приспособлений, оснастки и др. На лиц, нарушивших трудовую и производственную дисциплину, мастер вправе налагать дисциплинарные взыскания в соответствии с правилами внутреннего трудового распорядка, а рабочих, систематически нарушающих дисциплину освобождать от работы.















