146963 (691723)
Текст из файла
Министерство Путей Сообщения Российской Федерации
Московский государственный университет путей сообщения
(МИИТ)
Кафедра «Локомотивы и локомотивное хозяйство»
КУРСОВОЙ ПРОЕКТ
«ВЫБОР ОСНОВНЫХ ПАРАМЕТРОВ, РАСЧЁТ И КОНСТРУИРОВАНИЕ ТЕПЛОВОЗОВ »
Выполнил :ст. гр. ТЛТ-451 Меркулов П.М Принял: проф. Калугин С.П.
2009
СОДЕРЖАНИЕ
ВВЕДЕНИЕ
1. ВЫБОР ТИПА ЭНЕРГИТИЧЕСКОЙ УСТАНОВКИ
2. ОСНОВНЫЕ ХАРАКТЕРИСТИКИ И ВЫБОР КОНСТРУКЦИИ ЭКИПАЖНОЙ ЧАСТИ ЛОКОМОТИВА
3. ОПРЕДЕЛЕНИЕ НЕОБХОДИМЫХ ПАРАМЕТРОВ, КОЛИЧЕСТВА И РАЗМЕРОВ ОХЛАЖДАЮЩИХ УСТРОЙСТВ ТЕПЛОВОЗА
4. ВЫБОР ОБОРУДОВАНИЯ ДЛЯ ПРОЕКТИРУЕМОГО ТЕПЛОВОЗА
5. ХАРАКТЕРИСТИКА ЭКИПАЖА И РАСЧЕТ ЭЛЕМЕНТОВ КОНСТРУКЦИИ РЕССОРНОГО ПОДВЕШИВАНИЯ ТЕПЛОВОЗА
6. ОПРЕДЕЛЕНИЕ ОРИЕНТИРОВОЧНОГО ВЕСА ОБОРУДОВАНИЯ. РАЗВЕСКА И КОМПОНОВКА ОБОРУДОВАНИЯ
7. ОПРЕДЕЛЕНИЕ КОЭФФИЦИЕНТА ИСПОЛЬЗОВАНИЯ СЦЕПОНОГО
ВЕСА ЛОКОМОТИВА
8. ГЕОМЕТРИЧЕСКОЕ ВПИСЫВАНИЕ ЭКИПАЖА В КРИВУЮ
9. СРАВНЕНИЕ ПРОЕТИРУЕМОГО ТЕПЛОВОЗА С ТЕПЛОВОЗОМ АНАЛОГОМ
ЗАКЛЮЧЕНИЕ
ЛИТЕРАТУРА
ИСХОДНЫЕ ДАННЫЕ
Род службы: пассажирский;
тип передачи: электрическая;
габарит подвижного состава: 1Т;
конструкционная скорость:
= 160 км/ч;
радиус кривой:
= 125 м.
ВВЕДЕНИЕ
В курсовой работе производится проектирование пассажирского тепловоза. Определены основные параметры локомотива, приведено обоснование выбора типа передачи мощности и вспомогательного оборудования, параметры и количество вентиляторов охлаждающего устройства.
Произведен расчет рессорного подвешивания, проверяется возможность геометрического вписывания экипажа в кривую заданного радиуса методом параболической диаграммы, выполнена приблизительная компоновка оборудования на тепловозе и его развеска.
В завершение работы производится сравнение проектируемого тепловоза с тепловозом аналогом.
Раздел 1.
ВЫБОР ТИПА ЭНЕРГИТИЧЕСКОЙ УСТАНОВКИ
В качестве тепловоза прототипа принимаем грузовой тепловоз с передачей постоянного тока ТЭП60. Для проектного тепловоза принимаем следующие величины:
.
1.1 Сцепной вес локомотива:
1.2 Число движущих колёсных пар:
1.3 Касательная мощность секции:
По тепловозу прототипу ТЭП60 :
, отсюда определяем V2 для проектируемого тепловоза:
Отсюда находим касательную мощность секции при скорости V2:
1.4 Определяем эффективную мощность секции:
Расчёт к.п.д. тяговой передачи для тепловоза с переменно-постоянной электрической передачей:
Для проектного тепловоза
кВт, поэтому выбираем дизель 1А-5Д49 с величиной эффективной мощности 2264 кВт. Основные технические характеристики указанного типа дизеля (Табл. 2.1.)
Таблица 2.1.Техническая характеристика дизеля
Тип дизеля | Д49 |
| Марка дизеля | 1А-5Д49 |
| Обозначение по ГОСТ | 16ЧН26/26 |
| Номинальная мощность, кВт | 2264 |
| Расположение цилиндров | 16V |
| Диаметр цилиндра, мм | 260 |
| Ход поршня, мм | 260 |
| Частота вращения коленчатого вала, об/мин | |
| номинальная | 1000 |
| минимальная | 350 |
| Среднее эффективное давление, МПа | 1,22 |
| Средняя скорость поршня, м/с | 8,67 |
| Удельный расход топлива, кг/кВт·ч | 0,203 |
| Тепловыделение, кВт | |
| в масло дизеля | 423 |
| в охлаждающую воду | 780 |
| от наддувочного воздуха | 410 |
| Подача насосов, м3/с | |
| масляного | 0,0222 |
| водяного | 0,0222 |
| Габариты дизеля, м | |
| длина | 4,85 |
| ширина | 1,92 |
| высота | 2,9 |
Масса дизеля, кг | 18000 |
Раздел 2.
ОСНОВНЫЕ ХАРАКТЕРИСТИКИ И ВЫБОР КОНСТРУКЦИИ ЭКИПАЖНОЙ ЧАСТИ ЛОКОМОТИВА
2.1 Определение служебной массы локомотива
В предварительных расчетах служебная масса определяется в виде
[кг],
где
– удельный показатель служебной массы, реализованный у эксплуатируемых и рекомендуемый для перспективных локомотивов, кг/кВт. Для тепловоза ТЭП 60, для которого
кг/кВт, получаем
т.
Число колесных пар
.
2.2 Проверка величины статической нагрузки колес на рельсы
кН для пассажирских локомотивов.
< 225 кН.
2.3 Определение диаметра движущих колес
[мм],
где [2p] – допустимая нагрузка на 1 мм диаметра колеса. Принимается в пределах 0,2…0,27 кН/мм.
мм.
Принимаем стандартный диаметр колес тепловозов – 1050 мм.
2.4 Определение предварительной (ориентировочной) величины длины локомотива по осям автосцепок
Для
кВт длина локомотива может быть расчитана в соответсвии с эмпирическим выражением
[мм].
Получим
2.5 Определение базы локомотива
Предварительно
, где
– коэффициент, равный 0,5…0,54 для экипажной части длиной
до 20 м.
Получим
.
Раздел 3.
ОПРЕДЕЛЕНИЕ НЕОБХОДИМЫХ ПАРАМЕТРОВ, КОЛИЧЕСТВА И РАЗМЕРОВ ОХЛАЖДАЮЩИХ УСТРОЙСТВ
3.1 Обоснование выбора типа охлаждающего устройства
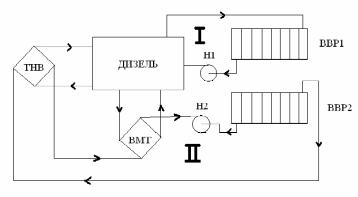
Компромиссным решением, используемым на большинстве типов тепловозов, является открытая двухконтурная система охлаждения (Рис. 3.1.). В двухконтурной системе контур охлаждения элементов дизеля и контур охлаждения наддувочного воздуха и масла разделены. В качестве основного теплоносителя используется вода, циркулирующая в замкнутых системах охлаждения (контурах) с поверхностными теплообменниками. Каждый контур системы оборудован индивидуальным насосом. Это дает возможность раздельного регулирования температуры охлаждающей воды в обоих контурах. На проектируемом тепловозе целесообразно применить данную схему водяного охлаждения.
Рис. 3.1. Двухконтурная схема водяного охлаждения конструкции теплового дизеля
3.2 Расчет числа секций радиатора первого контура охлаждения воды дизеля
Поскольку мы ранее приняли для проектного тепловоза открытую систему охлаждения, то принимаем температуру
ºС. Температуру охлаждающего воздуха на входе в секции радиаторов принимаем равной
ºС.
- тепловыделение дизеля в охлаждающую воду.
- тепловыделение дизеля в масло.
- тепловыделение дизеля от надувочного воздуха.
Таблица 3.1.
Геометрические параметры серийных секций радиаторов
| Параметр | Водо-воздушные секции | |
| Длина секций по месту крепления | 1356 | 686 |
| Рабочая длина трубок между решетками, | 1206 | 535 |
| Фронтальная ширина секции, мм | 152,5 | |
| Глубина секции, мм | 187 | |
| Поверхность, омываемая жидкостью, | 3,04 | 1,35 |
| Поверхность, омываемая воздухом,
| 29,6 | 13,1 |
| Живое сечение для прохода жидкости,
| 0,00132 | |
| Живое сечение для прохода воздуха,
| 0,149 | 0,0662 |
| Число трубок в секции | 68 | |
| Расположение трубок в секции | Шахматное | |
| Наружные размеры трубок, мм | 19,5 х 2,2 | |
| Толщина стенок трубок, мм | 0,55 | |
| Число охлаждающих платин | 525 х 2 | 232 х 2 |
| Шаг оребрения, мм | 2,3 | |
| Масса секции, кг | 42,25 | 24,55 |
Расчёт физических параметров теплоносителей (вода, масло, надувочный воздух) рассчитываются по формуле исходя из данных таблицы 2 при данной температуре:
Коэффициент динамической вязкости определятся по формуле:
Таблица 2
| Плотность | Теплоёмкость | Теплопроводность | Кинематическая вязкость | |
| Сухой воздух | ||||
| а0 | | 1004,8 | 0,02442 | 13,28 |
| а1 | 0 | 0 | 0,000102 | |
| а2 | 0 | 0,0000768 | 0,0883 | |
| Дизельное масло М14В | ||||
| а0 | 919,64 | 1754,7 | 0,1291 | 214,7 |
| а1 | 0 | 0 | 0 | 0,0183 |
| а2 | -0,6214 | 3,768 | -0,00007 | -3,85 |
| Вода | ||||
| а0 | 1019,66 | 4118,6 | 0,5611 | 1,032 |
| а1 | 0 | 0 | -0,00001 | 0,000048 |
| а2 | -0,606 | 1,0048 | 0,00221 | -0,012 |
При
физические параметры равны следующим величинам:
Характеристики
Тип файла документ
Документы такого типа открываются такими программами, как Microsoft Office Word на компьютерах Windows, Apple Pages на компьютерах Mac, Open Office - бесплатная альтернатива на различных платформах, в том числе Linux. Наиболее простым и современным решением будут Google документы, так как открываются онлайн без скачивания прямо в браузере на любой платформе. Существуют российские качественные аналоги, например от Яндекса.
Будьте внимательны на мобильных устройствах, так как там используются упрощённый функционал даже в официальном приложении от Microsoft, поэтому для просмотра скачивайте PDF-версию. А если нужно редактировать файл, то используйте оригинальный файл.
Файлы такого типа обычно разбиты на страницы, а текст может быть форматированным (жирный, курсив, выбор шрифта, таблицы и т.п.), а также в него можно добавлять изображения. Формат идеально подходит для рефератов, докладов и РПЗ курсовых проектов, которые необходимо распечатать. Кстати перед печатью также сохраняйте файл в PDF, так как принтер может начудить со шрифтами.















