126313 (691005)
Текст из файла
Размещено на http://www.allbest.ru/
Государственное образовательное учреждение
высшего профессионального образования
«ПЕТЕРБУРГСКИЙ ГОСУДАРСТВЕННЫЙ УНИВЕРСИТЕТ
ПУТЕЙ СООБЩЕНИЯ МИНИСТЕРСТВА ПУТЕЙ СООБЩЕНИЯ
РОССИЙСКОЙ ФЕДЕРАЦИИ»
Кафедра «Технология металлов»
МЕТРОЛОГИЯ, СТАНДАРТИЗАЦИИ
И СЕРТИФИКАЦИИ
ПОЯСНИТЕЛЬНАЯ ЗАПИСКА К КУРСОВОЙ РАБОТЕ
НА ТЕМУ:
АНАЛИЗ КАЧЕСТВА ИЗДЕЛИЯ МАШИНОСТРОЕНИЯ
САНКТ-ПЕТЕРБУРГ
2011
Реферат
Данная курсовая работа посвящена анализу качества изделия машиностроения.
Она состоит из пояснительной записки и чертежа вала на формате А4. Пояснительная записка состоит из 27 листов, содержит 16 рисунков и 7 таблиц. В записке описывается 11 задач.
В первой задаче приведен пример стандарта, используемого на предприятии, и определение стандартизации.
Во второй задаче рассчитана и выбрана посадка с натягом для соединения зубчатого колеса с валом. Выполнен анализ полученной посадки и построена схема расположения полей допусков. Обозначена посадка соединения и поля допусков сопрягаемых деталей на эскизах.
В третьей задаче подобраны посадки внутреннего и наружного колец подшипника.
Выполнен анализ полученных посадок. Построены схемы расположения полей допусков. Обозначены на эскизах посадки соединяемых деталей и поля допусков этих деталей.
В четвертой задаче подобраны размеры шпонки для соединения шкива с валом.
Назначены посадки шкива на вал и посадки шпонки с пазом вала и пазом втулки в соответствии с вариантом задания. Выполнен анализ полученных посадок шпонки с пазом вала и пазом втулки. Построены схемы расположения полей допусков этих соединений. Обозначены на эскизах посадки соединяемых деталей и поля допусков деталей соединения.
В пятой задаче назначены недостающие осевые и диаметральные размеры ступеней вала, исходя из особенностей конструкции.
В шестой задаче составлена схема размерной цепи. Решена задача расчета размерной цепи с помощью метода полной взаимозаменяемости.
В задачах 7-11 рассмотрены вопросы дальнейшего проектирования вала.
деталь конструкция вал колесо
Задача 1
Приведите пример стандарта, используемого на вашем предприятии, и определение стандартизации.
Стандартизация – установление и применение правил с целью упорядочения деятельности в определенной области на пользу и при участии всех заинтересованных сторон, в частности для достижения всеобщей оптимальной экономии при соблюдении условий эксплуатации и требований безопасности. Стандартизация основывается на объединенных достижениях науки, техники и передового опыта. Она определяет основу не только настоящего, но и будущего развития и должна осуществляться непрерывно.
Стандарт – нормативно-технический документ по стандартизации, устанавливающий комплекс норм, правил, требований к объекту стандартизации и утвержденный компетентным органом.
Приведем примеры стандартов, используемых на предприятии.
При оформлении конструкторской документации используются: ГОСТ 2.301-68, ГОСТ 2.302-68, ГОСТ 2.303-68, ГОСТ 2.304-68 и т.д.
Электромонтаж производится в соответствии с требованиями ГОСТ 23592-79.
Разделка проводов и крепление жил производится в соответствии с требованиями ГОСТ 23587-79.
Задача 2
1. Рассчитать и выбрать посадку с натягом для соединения зубчатого колеса с валом.
2. Выполнить анализ полученной посадки и построить схему расположения полей допусков.
3. Обозначить посадку соединения и поля допусков сопрягаемых деталей на эскизах.
Решение.
Значение наименьшего расчетного натяга:
,
где Рэ – удельное контактное эксплуатационное давление при действии крутящего момента, Па.
,
где f = 0,15 – коэффициент трения,
n = 1,5 – 2 – коэффициент запаса прочности соединения,
D = d – номинальный диаметр соединения, м,
L – длина соединения, м.
СD и Cd – коэффициенты Ламэ:
,
,
где d1 – внутренний диаметр вала (если вал полый). d1 = 0.
d2 – диаметр впадин зубчатого колеса.
Наибольший расчетный натяг:
,
где Рдоп – наибольшее допускаемое давление на поверхности вала или втулки, Па.
На поверхности втулки отсутствуют пластические деформации при:
На поверхности вала отсутствуют пластические деформации при:
Поправка к расчетному натягу на смятие неровностей поверхности детали URz, остальные поправки можно принять равными нулю.
,
где к – коэффициент, учитывающий высоту смятия неровностей отверстия втулки и вала. Для принятого метода сборки (с нагревом зубчатого колеса) принимаем: к = 0,5.
С учетом поправки величины граничных допустимых значений функциональных натягов для выбора посадки будут равны:
Выберем стандартную посадку по наибольшему натягу.
Посадку будем выбирать в системе отверстия.
В этой системе отверстие имеет основное нижнее отклонение Н, где ЕI=0.
Исходя из условия, что натяг, обеспечиваемый стандартной посадкой (ГОСТ 25347-82), должен быть меньше функционального:
Nmax ф > Nmax = es – EI,
Определяем наибольшее допустимое значение верхнего отклонения вала:
es < Nmax ф – EI = 232 – 0 = 232 мкм.
В соответствии с неравенством по ГОСТ 25347-82 выбираем поле допуска вала:
95u8: es = +173 мкм < (232 мкм = Nmax ф).
Принимаем поле допуска 95u8 (es = +173 мкм, ei = +124 мкм).
Исходя из условия:
Nmin ф < Nmin = ei – ES
определяем наибольшее допустимое значение верхнего отклонения основного отверстия:
ES < ei - Nmin ф = +124 – 21 = 103 мкм.
В соответствии с неравенством по ГОСТ 25347-82 выбираем поле допуска основного отверстия:
95Н8: ES = +54 мкм < 103 мкм.
Принимаем поле допуска 95Н8 (ES = +54 мкм, EI = 0).
Посадка 95Н8/u8 – относится к рекомендуемым.
Проанализируем выбранную посадку с натягом, данные сведем в табл. 1.
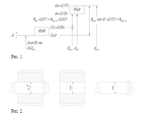
Построим схему расположения полей допусков (рис. 1) и эскизы сопрягаемых деталей (рис. 2).
Таблица 1
| Параметры сопряжения | Для вала | Для отверстия |
| Номинальный размер, мм | 95 | 95 |
| Квалитет | 8 | 8 |
| Условное обозначение основного отклонения | u | Н |
| Условное обозначение поля допуска | u8 | Н8 |
| Верхнее отклонение, мм | еs = +0,173 | ES = +0,054 |
| Нижнее отклонение, мм | ei = +0,124 | EI = 0 |
| Наибольший предельный размер, мм | dmax = 95,173 | Dmax = 95,054 |
| Наименьший предельный размер, мм | dmin = 95,124 | Dmin = 95,0 |
| Допуск размера, мм | Td = 0,049 | TD = 0,054 |
Характеристики посадки с натягом.
Наибольший натяг: Nmax = dmax – Dmin = 95,173 – 95,0 = 0,173 мм
Наименьший натяг: Nmin = dmin – Dmax = 95,124 – 95,054 = 0,070 мм
Средний натяг: Nm = (Nmax + Nmin)/2 = (0,173 + 0,070)/2 = 0,1215 мм
Допуск натяга: TN = Nmax – Nmin = 0,173 – 0,070 = 0,103 мм
TN = TD + Td = 0,054 + 0,049 = 0,103 мм
Задача 3
Вал вращается, корпус редуктора неподвижен. Вид нагружения наружного кольца – местный, внутреннего – циркуляционный. Осевая нагрузка на опору отсутствует.
1. Подобрать посадки внутреннего и наружного колец подшипника.
2. Выполнить анализ полученных посадок.
3. Построить схемы расположения полей допусков.
4. Обозначить на эскизах посадки соединяемых деталей и поля допусков этих деталей.
Подшипник №214, класс точности: 5, d = 70 мм, D = 125 мм, В = 24 мм, r = 2,5 мм,
d’ = 79 мм, R = 19,5 кН, перегрузка: 300%.
Решение
Интенсивность нагрузки на посадочные поверхности:
,
где B1 – рабочая ширина посадочного места, м:
В1 = В – 2r = 24 – 5 = 19 мм.
kp = 1,8 - динамический коэффициент посадки, при перегрузке до 300%.
F = 1 – коэффициент, учитывающий степень ослабления посадочного натяга (при сплошном вале).
FА = 1 – коэффициент неравномерности распределения радиальной нагрузки.
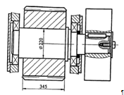
По найденному значению РR и исходным данным выбираем поле допуска посадочной поверхности вала: n6. [2]
Поле допуска отверстия в корпусе под наружное кольцо выбираем в зависимости от перегрузки, типа корпуса и типа подшипника: Js7. [2]
Определяем числовые значения отклонений для этих полей допусков вала и отверстия в корпусе согласно ГОСТ 25347-82.
Отклонения вала Ø70n6: es = +39 мкм; ei = +20 мкм.
Отклонения отверстия в корпусе Ø125Js7: ES = +20 мкм; EI = -20 мкм.
Числовые значения отклонений для полей допусков подшипника L5 и l5 определяем по ГОСТ 520-89.
Отклонения отверстия внутреннего кольца Ø70L5: ES = 0; EI = -9 мкм.
Отклонения наружного кольца подшипника Ø125l5: es = 0; ei = -11 мкм.
Посадка внутреннего кольца подшипника на вал: Ø70L5/n6 (с натягом).
Посадка наружного кольца в отверстие в корпусе: Ø125Js7/l5 (переходная).
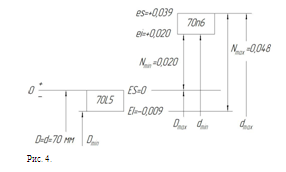
На рис. 3 приведем пример обозначения посадок подшипников качения на сборочных чертежах.
По найденным значениям отклонений сопрягаемых деталей строим схемы расположения полей допусков наружного кольца подшипника с корпусом и внутреннего кольца с валом и проводим анализ этих посадок аналогично второй задаче (табл. 2,3; рис. 4,5).
Характеристики посадки с натягом.
Наибольший натяг: Nmax = dmax – Dmin = 70,039 – 69,991 = 0,048 мм
Наименьший натяг: Nmin = dmin – Dmax = 70,020 – 70 = 0,020 мм
Средний натяг: Nm = (Nmax + Nmin)/2 = (0,048 + 0,020)/2 = 0,034 мм
Допуск натяга: TN = Nmax – Nmin = 0,048 – 0,020 = 0,028 мм
TN = TD + Td = 0,019 + 0,009 = 0,028 мм
Таблица 2
| Параметры сопряжения | Для вала | Для отверстия |
| Номинальный размер, мм | 70 | 70 |
| Квалитет | 6 | 5 |
| Условное обозначение основного отклонения | n | L |
| Условное обозначение поля допуска | n6 | L5 |
| Верхнее отклонение, мм | еs = +0,039 | ES = 0 |
| Нижнее отклонение, мм | ei = +0,020 | EI = -0,009 |
| Наибольший предельный размер, мм | dmax = 70,039 | Dmax = 70 |
| Наименьший предельный размер, мм | dmin = 70,020 | Dmin = 69,991 |
| Допуск размера, мм | Td = 0,019 | TD = 0,009 |
Таблица 3
| Параметры сопряжения | Для вала | Для отверстия |
| Номинальный размер, мм | 125 | 125 |
| Квалитет | 5 | 7 |
| Условное обозначение основного отклонения | l | Js |
| Условное обозначение поля допуска | l5 | Js7 |
| Верхнее отклонение, мм | еs = 0 | ES = +0,020 |
| Нижнее отклонение, мм | ei = -0,011 | EI = -0,020 |
| Наибольший предельный размер, мм | dmax = 125,0 | Dmax = 125,020 |
| Наименьший предельный размер, мм | dmin = 124,989 | Dmin = 124,980 |
| Допуск размера, мм | Td = 0,011 | TD = 0,040 |
Характеристики переходной посадки.
Наибольший зазор: Smax = Dmax – dmin = 125,020 – 124,989 = 0,031 мм
Наибольший натяг: Nmax = dmax – Dmin = 125,0 – 124,980 = 0,020 мм
Характеристики
Тип файла документ
Документы такого типа открываются такими программами, как Microsoft Office Word на компьютерах Windows, Apple Pages на компьютерах Mac, Open Office - бесплатная альтернатива на различных платформах, в том числе Linux. Наиболее простым и современным решением будут Google документы, так как открываются онлайн без скачивания прямо в браузере на любой платформе. Существуют российские качественные аналоги, например от Яндекса.
Будьте внимательны на мобильных устройствах, так как там используются упрощённый функционал даже в официальном приложении от Microsoft, поэтому для просмотра скачивайте PDF-версию. А если нужно редактировать файл, то используйте оригинальный файл.
Файлы такого типа обычно разбиты на страницы, а текст может быть форматированным (жирный, курсив, выбор шрифта, таблицы и т.п.), а также в него можно добавлять изображения. Формат идеально подходит для рефератов, докладов и РПЗ курсовых проектов, которые необходимо распечатать. Кстати перед печатью также сохраняйте файл в PDF, так как принтер может начудить со шрифтами.
















