126262 (690986), страница 2
Текст из файла (страница 2)
Последовательность пуска. Для обеспечения нормального пуска системы кондиционирования или вентиляции следует учитывать:
А) Предварительное открытие воздушных заслонок до пуска вентиляторов. Это выполняется в связи с тем, что не все заслонки в закрытом состоянии могут выдержать перепад давлений, создаваемый вентилятором, а время полного открытия заслонки электроприводом доходит до двух минут.
Б) Разнесение моментов запуска электродвигателей. Асинхронные электродвигатели имеют большие пусковые токи. Так, компрессоры холодильных машин имеют пусковые токи, в 5–7 раз превышающие рабочие (до 100А и более). Если одновременно запустить вентиляторы, холодильные машины и другие приводы, то из-за большой нагрузки на электрическую сеть здания сильно упадет напряжение, и электродвигатели могут не запуститься. Поэтому запуск электродвигателей, особенно большой мощности, необходимо разносить по времени.
В) Предварительный прогрев калорифера. Если включить кондиционер, не прогрев водяной калорифер, то при низкой температуре наружного воздуха может сработать защита от замораживания. Поэтому при включении кондиционера необходимо открыть заслонки приточного воздуха, открыть трехходовой клапан водяного калорифера и прогреть калорифер. Как правило, эта функция включается при температуре наружного воздуха ниже 12 °С.
Последовательность останова. При отключении системы следует учитывать:
А) Задержку остановки вентилятора приточного воздуха в установках с электрокалорифером. После снятия напряжения с электрокалорифера следует охлаждать его некоторое время, не выключая вентилятор приточного воздуха. В противном случае нагревательный элемент калорифера (тепловой электрический нагреватель – ТЭН) может выйти из строя.
Б) Задержку выключения холодильной машины. При выключении холодильной машины хладагент сосредоточится в самом холодном месте холодильного контура, т. е. в испарителе. При последующем пуске возможен гидроудар. Поэтому перед выключением компрессора, сначала закрывается клапан, устанавливаемый перед испарителем, а затем при достижении давления всасывания 2,0–2,5бар, компрессор выключается. Вместе с задержкой выключения компрессора производится задержка выключения приточного вентилятора.
Резервирующие и дополняющие функции закладываются при работе в схеме нескольких одинаковых функциональных модулей (электрокалориферов, испарителей, холодильных машин), когда в зависимости от затребованной производительности включаются один или несколько элементов. Для повышения надежности устанавливаются резервные вентиляторы, электронагреватели, холодильные машины. При этом периодически (например, через 100ч) основной и резервный элементы меняются функциями, выравнивая, таким образом, их время наработки.На рисунке 1 показан типовой график включения и отключения аппаратов и устройств приточно-вытяжной системы. Весь этот цикл система должна отрабатывать автоматически, а, кроме того, должен быть предусмотрен индивидуальный пуск оборудования, который необходим при наладке и профилактических работах.
Рисунок 1 – Типовой график работы приточно-вытяжной вентиляции
Немаловажное значение имеют функции программного управления, такие как смена режимов «зима-лето» и «день-ночь». Особенно актуальна реализация этих функций в современных условиях дефицита энергетических ресурсов. В простейшем случае эти функции предусматривают или вообще отключение СКВ в определенный момент времени, или снижение (повышение) заданного значения регулируемого параметра (например, температуры) в зависимости от периода суток («день-ночь») или изменения тепловых нагрузок в обслуживаемом помещении. Более эффективным, но и более сложным в реализации, является программное управление, предусматривающее автоматическое изменение структуры СКВ и алгоритма ее функционирования не только в традиционном режиме «зима-лето», но и в переходных режимах [1].
При этом основной мотивацией и критерием оптимизации, как правило, является стремление обеспечить, возможно, минимальное потребление энергии при ограничениях на капитальные затраты, габариты и так далее.
3.3 Защитные функции и блокировки
Защитные функции и блокировки общие для систем автоматики и электрооборудования (защита от короткого замыкания, перегрева, ограничения перемещения и тому подобное) оговорены межведомственными нормативными документами. Такие функции, обычно, реализуются отдельными аппаратами (предохранителями, устройствами защитного отключения, конечными выключателями и так далее). Их применение регламентируется правилами устройства электроустановок (ПУЭ), нормативными правовыми актами по охране труда (НПА ОП) и правилами пожарной безопасности (ППБ).
3.3.1 Защита от замерзания
Функция автоматической защиты от замерзания должна быть предусмотрена в районах с расчетной температурой наружного воздуха для холодного периода минус 5°С и ниже [3 (п.9.18.)]. Защите подлежат теплообменники первого подогрева и рекуператоры.
Выделяют три основных фактора, способствующих замерзанию воды:
-
ошибки, допущенные при проектировании и связанные с завышенной поверхностью нагрева, обвязкой по теплоносителю и способом управления;
-
превышение температуры горячей воды, и как следствие резкое снижение скорости движения воды, из-за чего создается опасность замерзания воды в теплообменнике;
-
опасность замерзания в нерабочее время при перетекании холодного воздуха из-за негерметичности клапана наружного воздуха и при полном закрытии плунжера водяного клапана.
Обычно защита от замерзания теплообменников выполняется на базе датчиков или датчиков-реле температуры воздуха за аппаратом и температуры теплоносителя в обратном трубопроводе.
3.3.2 Защита технологической аппаратуры и электрооборудования
Контроль загрязненности фильтра оценивается падением давления на нем, которое измеряется дифференциальным датчиком давления. Датчик измеряет разность давлений воздуха до и после фильтра. Допустимое падение давления на фильтре указывается в его паспорте (обычно 150–300Па). Эта разность устанавливается при наладке системы на дифференциальном датчике (уставка датчика). При достижении уставки от датчика поступает сигнал о предельной запыленности фильтра и необходимости его обслуживания или замены. Если в течение определенного времени (обычно 24 часов) после выдачи сигнала предельной запыленности фильтр не будет очищен или заменен, необходимо предусмотреть аварийную остановку системы.
Аналогичные датчики устанавливаются на вентиляторах. Если выйдет из строя вентилятор или ремень привода вентилятора, то система должна быть остановлена в аварийном режиме.
Защиты и блокировки электрического калорифера. Особые меры защиты и блокировок необходимы при использовании в системах вентиляции и кондиционирования электрического калорифера.
Если при низкой температуре наружного воздуха полной мощности электрического калорифера для поддержания заданной температуры недостаточно, то снижается производительность (скорость вращения) вентиляторов. Следует помнить, что при снижении скорости вращения вентиляторов количество поступившего в помещение воздуха может не соответствовать требованиям санитарных норм. Однако это позволяет обеспечить работу центрального кондиционера до температуры наружного воздуха минус 20–25 °С.
Кроме того, при отсутствии потока воздуха электрокалорифер выйдет из строя через 10–15 секунд, что недопустимо. Поэтому для защиты электрокалорифера при отсутствии потока воздуха необходимо его отключение по команде датчика потока или блокирование его работы при неработающем вентиляторе.
В калориферах, как правило, устанавливают еще два ступени защиты:
первая ступень – защита от перегрева с самовозвратом (температура срабатывания 50 °С);
вторая ступень – защита от возгорания с ручным возвратом (температура срабатывания 150 °С).
Первая ступень срабатывает обратимо, то есть после того, как температура воздуха за электрокалорифером снизится до 40°С, калорифер включается снова. Однако если такое выключение случится несколько раз в течение определенного времени (например, одного часа), то необходимо аварийное отключение системы. При срабатывании второй ступени система должна отключиться, включить ее повторно можно только вручную после устранения неисправности.
Кроме того, автоматические блокировки регламентированы для:
-
открывания и закрывания клапанов наружного воздуха при включении и отключении вентиляторов [3 (п.9.13а)];
-
открывания и закрывания клапанов систем вентиляции, соединенных воздухопроводами для полной или частичной взаимозаменяемости при выходе из строя одной из систем [3 (п.9.13б)];
-
закрывания клапанов систем вентиляции для помещений, защищаемых установками газового пожаротушения при отключении вентиляторов систем вентиляции этих помещений [3 (п.9.13в)];
-
обеспечения минимального расхода наружного воздуха в системах с переменным расходом [3 (п.9.15)] и др.
3.4 Регулирующие функции
Регулирующие функции – автоматическое поддержание заданных параметров являются основными по определению [3 (п.9.11)] для систем воздушного отопления, приточной и вытяжной вентиляции, работающей с переменным расходом, рециркуляцией воздуха, систем кондиционирования, холодоснабжения и местного увлажнения воздуха в помещениях. При этом для систем кондиционирования оговаривается точность поддержания параметров воздуха (если отсутствуют специальные требования), которая составляет в точках установки датчиков ± 1°С по температуре и ±7% по относительной влажности.
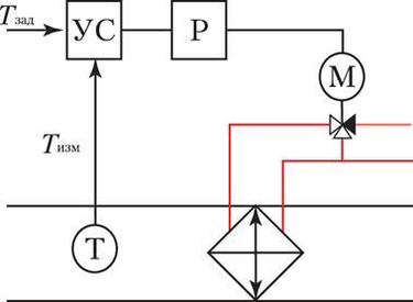
Эти функции выполняются с помощью замкнутых контуров регулирования, в которых принцип обратной связи присутствует в явном виде: информация об объекте, поступающая от датчиков, преобразуется регулирующими устройствами в управляющие воздействия. На рисунке 2 приведен пример контура регулирования температуры приточного воздуха в канальном кондиционере. Температура воздуха поддерживается водяным калорифером, через который пропускается теплоноситель. Воздух, проходя через калорифер, нагревается. Температура воздуха после водяного калорифера измеряется датчиком (Т), далее ее величина поступает на устройство сравнения (УС) измеренного значения температуры и температуры уставки. В зависимости от разности между температурой уставки (Tуст) и измеренным значением температуры (Тизм) устройство управления (Р) вырабатывает сигнал, воздействующий на исполнительный механизм (М – электропривод трехходового клапана). Электропривод открывает или закрывает трехходовой клапан до положения, при котором ошибка ε = Tуст – Тизм будет минимальной.
Т - датчик; УС - устройство сравнения; Р - регулирующее устройство; М - исполнительное устройство; РО - регулирующий орган; ОУ - объект управления
Рисунок 2 – Контур регулирования температуры приточного воздуха в воздуховоде с водяным теплообменником
Таким образом, построение системы автоматического регулирования на основании требований к точности и другим параметрам ее работы (устойчивости, колебательности и других) сводится к выбору ее структуры и элементов, а также к определению параметров регулятора. Обычно, это выполняется специалистами по автоматизации с использованием классической теории автоматического регулирования [4]. Отметим только, что параметры настройки регулятора определяются динамическими свойствами объекта управления и выбранным законом регулирования. Закон регулирования – взаимосвязь между входным (∆) и выходным (Uр) сигналами регулятора.
4. Выбор принципиальных технических решений
Способ реализация функций управления в системах автоматики обычно определяется общим уровнем развития элементной базы. До 90-х годов прошлого столетия в промышленности (в том числе и в СКВ) доминировал принцип «аппарат-функция». Его суть заключалась в том, что конкретную функцию в локальных системах автоматики реализовало конкретное устройство, выполненное, как правило, на базе релейно-контакторной аппаратуры. Реализация более сложных систем управления по такому принципу построения в настоящее время практически не осуществляется. Современные САУ в качестве средств управления используют, как правило, электронные цифровые устройства на базе микропроцессоров. По своим техническим возможностям эти устройства позволяют обеспечить управление множеством параметров.
Аналогом разрабатываемой системе автоматизации кондиционирования и вентиляции воздуха может служить вентиляционная установка Marta фирмы 2VV. Компактная приточная установка данной фирмы всасывает свежий воздух из окружающей среды и циркуляционный воздух из проветриваемого помещения. Количество циркуляционного воздуха можно установить в пределах 0-100%. Кроме того, воздух нагревается и фильтруется. Двухступенчатое фильтрование обеспечивает не только захват частиц, рассеянных в воздухе, но также частично улавливает запах. Обработанный воздух выдувается в помещение. Компактная приточная установка Marta является компактной вентиляционной установкой с пластмассовой дизайновой крышкой и коробкой из листовой стали. В задней части компактной приточной установки находится всасывающий патрубок для свежего воздуха, а в нижней - решетка для рециркуляционного воздуха. Соотношение перемешивания можно регулировать с помощью механического смесительного клапана.
















