126248 (690979)
Текст из файла
Размещено на http://www.allbest.ru/
ВВЕДЕНИЕ
Гидроприводы широко применяются в элементах технологических систем: в современных металлорежущих станках, технологической оснастке, элементов автоматизации технологических процессов. Они позволяют существенно упростить кинематику механизмов, приводящих в движение исполнительные органы, снизить металлоемкость, повысить точность надежность работы, а также уровень автоматизации. (1)
Широкое использование гидроприводов в станкостроении определяется рядом их существенных преимуществ перед другими типами приводов и, прежде всего возможностью получения больших усилий и мощностей при ограниченных размерах исполнительных силовых двигателей.
Компактные гидродвигатели легко встроить в станочные механизмы и соединить трубопроводами с насосной установкой. Это открывает широкие возможности для контроля, оптимизации и автоматизации рабочих процессов, применение копировальных, адаптивных и программных систем управления, модернизации и унификации. К основным преимуществам гидроприводов следует отнести также достаточное значение КПД, повышенную жесткость и долговечность.
В данной курсовой работе рассматриваются вопросы проектирования и расчета гидроприводов для различных технологических систем, целью ее является практическое усвоение и закрепление теоретических знаний при изучении курсов гидравлика и гидроприводы.
1. Задание
Разработать гидросхему для цилиндров 3 и 6.
1.Усилие на штоке, Н:
- гидроцилиндра 3 5000
- гидроцилиндра 6 105
2. Ход штока, м:
- гидроцилиндра 3 0.2
- гидроцилиндра 6 0.5
3. Время срабатывания, с:
- гидроцилиндра 3 20
4. Скорость перемещения штока
гидроцилиндра 6, м/с 0.2
Рисунок 1. Схема штамповки.
Приведённое выше устройство работает следующим образом. После установки заготовки 8 в ложемент матрицы пуансон 5 под действием гидроцилиндра 6 перемещается вниз, производя вытяжку заготовки. После подъёма пуансона 5 готовая деталь 4 выталкивается из матрицы 2 посредством штока гидроцилиндра 3. Затем питатель 9 с помощью гидроцилиндра 10, перемещаясь вправо, сталкивает готовую деталь 4 в тару. Одновременно питатель перемещает заготовку 8, расположенную в его отверстии, к матрице. В конечном правом положении отверстие питателя совмещается с ложементом матрицы, и заготовка падает в ложемент. Затем посредством гидроцилиндра 11 питатель поднимается в вертикальном направлении, освобождая заготовку 8, и перемещается влево, при этом его отверстие совмещается с отверстием накопителя 7, и заготовка под действием собственного веса падает в отверстие питателя. Затем питатель опускается вниз. Гидроцилиндры питателя 10, 11 работают от одного насоса, а гидроцилиндры 3 и 6 пресса работают от другого насоса.
2. Разработка принципиальной схемы гидропривода
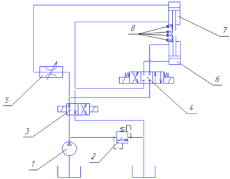
Рисунок 2. Гидравлическая схема.
Схема гидропривода установки состоит из нерегулируемого насоса 1 с предохранительным переливным клапаном 2, гидрораспределителей 3 и 4, двух гидроцилиндров 6 и 7. Гидроцилиндр 6 перемещается в вертикальном направлении, выталкивая заготовку из матрицы, а гидроцилиндр 7 посредством пуансона прессует заготовку. На напорной магистрали установлен дроссель 5.
Гидропривод работает следующим образом. При нагнетании давления от насоса 1 масло поступает через гидрораспределитель 3 в бесштоковую полость гидроцилиндра 7. При достижении нижнего положения кулачок переключает конечный выключатель 8, перемещая его в нижнее положение, после чего происходит слив масла из цилиндра 7. При достижении верхнего положения кулачок переключает конечный выключатель 8, перемещая его в верхнее положение, тем самым переключая распределитель 4. Теперь масло нагнетается в гидроцилиндр 6. При достижении верхнего положения кулачок переключает конечный выключатель 8, перемещая его в верхнее положение, тем самым переключая распределитель 4. Начинается слив масла из цилиндра 6. При достижении нижнего положения кулачок переключает конечный выключатель 8, перемещая его в нижнее положение, при этом переключается распределитель 3 и опять начинается нагнетание масла в гидроцилиндр 7. Происходит повторение цикла.
3. Расчет исполнительных механизмов
В качестве исполнительных механизмов в гидроприводах в основном используются гидроцилиндры моментные или поступательного действия, а также гидромоторы.
Для расчета параметров исполнительных механизмов необходимо знать давление на входе в гидроцилиндр. Обычно давление принимается равным 80-85% от давления, развиваемого насосом. Объясняется это тем, что имеются потери давления при движении жидкости по трубопроводам и элементам управления. Давление насоса выбирают таким, чтобы диаметр цилиндра был в пределах 40…120 мм. Тогда
4. Определение длины хода штоков гидроцилиндров
5. Определение давления в гидросистеме
Наиболее экономичны в изготовлении цилиндры с диаметром от 40 до 120мм. Тогда давление при заданных диаметров цилиндра (max и min)
определяется соотношением.
Для гидроцилиндра 6:
Для гидроцилиндра 3:
Давление, развиваемое насосом должно лежать в пределах:
Предварительно выбираем пластинчатый насос (с.22
) БГ 12-2
давление насоса номинальное - 12,5МПа
давление насоса предельное - 14МПа
6. Определение диаметров цилиндров
где p=0.8pн
pн – номинальное давление насоса.
P=0.8×12.5=10МПа
Основные параметры гидроприводов должны соответствовать стандартным рядам (с.8
).
Принимаем:
Принимаем:
7. Выбор рабочей жидкости
Скорость движения жидкости по трубопроводу выбирается по таблице (с.19
)
| Давление в кГ/см2 | 50 | 100 | 150 | 200 |
| Скорость в м/с | 3 | 4,5 | 5,5 | 6 |
Принимаем скорость 5,5 м/с
При давлении в гидросистеме до 200 кГс/см2 кинематическая вязкость масла составляет 40÷60 сст. Выбираем масло индустриальное ИГП-49 ТУ 38-101413-78 с кинематической вязкостью 47÷51 сст при температуре 50˚С.
Расход жидкости определяется по максимальному расходу жидкости в гидроцилиндрах.
Расход жидкости для гидроцилиндра 6, при подаче жидкости в бесштокувую область, при заданной скорости штока гидроцилиндра
м3/с ;
Расход жидкости для гидроцилиндра 3, при подаче жидкости в бесштоковую область, при заданном времени срабатывания
м3/с;
По табл.1 (стр. 17 [1]) выбираем по расходу для гидроцилиндра 6 пластинчатый нерегулируемый насос БГ12-22М с номинальной подачей 19,4 л/мин.
8. Расчёт диаметров условных проходов трубопроводов и управляющей аппаратуры
При известном расходе и скорости движения жидкости по трубопроводам диаметр трубопровода определяется по формуле
м =8,6 мм
По нормальному ряду принимаем dt=10 мм.
Толщина стенки с учётом возможного отклонения диаметра и толщины стенки вычисляют по выражению
, где
p – максимальное давление жидкости в кГ/см2;
d – наружный диаметр трубы в см ;
[σp] – допустимое напряжение материала трубопровода при растяжении (по окружности), которое обычно выбирается равным 30…35% временного сопротивления материала трубопровода, т. е.
[σp]=0,32× σp
m=0,3 – отклонение по диаметру трубопровода в мм;
n=0,9 – коэффициент, учитывающий отклонение по толщине стенки трубопровода.
При расчёте трубопровода временное сопротивление в кГ/см2 примем по качественной стали матки С20
| Материал | Сталь 20 |
| σp, кГ/см2 | 4100 |
мм
гидропривод шток цилиндр механизм
По сортаменту труб выбираем ближайшую большую по толщине стенки трубу, соответствующего прохода (стр. 337-342 [1]).
Выбираем трубу по ГОСТ 8734-75: 14×2.
По диаметру условного прохода и давлению определим конкретные марки управляющей и предохранительной аппаратуры. Согласно схеме гидропривода, используются следующие виды гидроаппаратуры:
а) клапан давления 2 выбираем исполнение Г52-2 с условным проходом 10 мм, давлением 0,3…10 МПа с резьбовым соединением без электрического управления обратного клапана: АГ52-22
б) гидрораспределитель 4 выбираем золотникового типа с электроуправлением , диаметром условного прохода 10 мм, давлением 0,3…10 исполнение 64, электромеханический, ток переменный, напряжение 220В, частота 50H. Согласно схеме (стр.129 [1]) выбираем гидрораспределитель 7:
ВЕ10441ОФ/В220-50H
в) гидрораспределитель 2: ВЕ105746/ФВ220-50H
г) дроссель 5 выбираем: ПГ77-12
Характеристики
Тип файла документ
Документы такого типа открываются такими программами, как Microsoft Office Word на компьютерах Windows, Apple Pages на компьютерах Mac, Open Office - бесплатная альтернатива на различных платформах, в том числе Linux. Наиболее простым и современным решением будут Google документы, так как открываются онлайн без скачивания прямо в браузере на любой платформе. Существуют российские качественные аналоги, например от Яндекса.
Будьте внимательны на мобильных устройствах, так как там используются упрощённый функционал даже в официальном приложении от Microsoft, поэтому для просмотра скачивайте PDF-версию. А если нужно редактировать файл, то используйте оригинальный файл.
Файлы такого типа обычно разбиты на страницы, а текст может быть форматированным (жирный, курсив, выбор шрифта, таблицы и т.п.), а также в него можно добавлять изображения. Формат идеально подходит для рефератов, докладов и РПЗ курсовых проектов, которые необходимо распечатать. Кстати перед печатью также сохраняйте файл в PDF, так как принтер может начудить со шрифтами.
















