126199 (690959)
Текст из файла
Размещено на http://www.allbest.ru/
ВВЕДЕНИЕ
заготовка штамповка крепеж раскрой
Холодная штамповка – вид обработки металлов давлением, объединяющий ряд процессов, осуществляемых холодной пластической деформацией при помощи различных видов штампов, непосредственно деформирующих метал и выполняющих требуемые операции.
В технологическом отношении холодная штамповка позволяет:
-
получать детали сложной формы, изготовление которых другими методами весьма затруднительно;
-
создавать прочные и жесткие, но легкие по своим массовым характеристикам детали при небольшом расходе материала;
-
получать взаимозаменяемые детали с высокой точностью размеров.
В экономическом отношении преимуществами являются:
-
экономичность использования материала и небольшой отход;
-
низкая стоимость изготовления изделий;
-
высокая производительность.
Разработку технологического процесса листовой штамповки будем вести с помощью системы автоматизированного проектирования «КОМПАС-Штамп», которая реализуется в среде Windows c чертёжно-конструкторского редактора «КОМПАС-График». Система «КОМПАС-Штамп» ориентирована на автоматизацию проектирования штампов для различных операций холодной листовой штамповки и обеспечивает автоматизацию проектирования штампов оригинальных и типовых конструкций.
Система «КОМПАС-Штамп» использует в качестве средства визуализации, воспроизводства, редактирования графической информации чертежно-конструкторский редактор «КОМПАС-График». Проектирование сборочных и деталировочных чертежей штампа ведется в среде редактора «КОМПАС-График» под управлением библиотек проектирования. Проект конструкции штампа формируется конструктором путем выбора составляющих элементов конструкции из вариантов, предлагаемых системой.
1 КОНСТРУКТИВНО – ТЕХНОЛОГИЧЕСКИЙ АНАЛИЗ ЗАГОТОВКИ И ПРОЕКТИРОВАНИЕ ШТАМПА.
-
Анализ технологичности детали, выбор заготовки и схемы штамповки
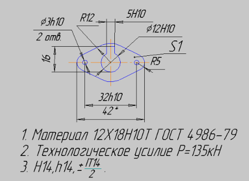
Рисунок 1.1 - Эскиз детали
Таблица 1 - Химический состав в % по ГОСТ 4986-79
| Fe | Si | Mn | Cu | Ni | S | C | P | Cr | Ti |
| основа | 0.8 | 2 | 0.3 | 9-11 | 0.02 | 0.12 | 0.035 | 17-19 | 0.6-0.8 |
Таблица 2 - Механические характеристики
| Временное сопротивление σв, МПа | Сопротивление срезу ср ,МПа | Предел текучести σ0,2, МПа | Относительное удлинение,% |
| 520 | 540 | 210 | 39 |
Под технологичностью детали понимают сочетание конструктивных элементов, которые обеспечивают наиболее простое и экономичное изготовление детали при соблюдении технических и эксплуатационных требований [3]:
-
наименьшее количество и низкая технологичность операций;
-
отсутствие механической обработки;
-
увеличение производительности отдельных операций и цеха в целом.
Общие технологические требования к конструкции плоских деталей, полученных вырубкой и пробивкой:
-
необходимо избегать сложных конфигураций с узким и удлиненным вырезами контура и прорезями(b2S);
-
при применении цельных матриц сопряжения в углах внутреннего контура необходимо выполнять r 0.5S;
-
сопряжение сторон наружного контура выполняется круглыми лишь в случаи вырубки по всему контуру;
-
наименьшие размеры пробиваемых отверстий 0,8S
-
наименьшее расстояние от края отверстия до прямоугольного контура не меньше S для круглых отверстий, не меньше 1,5S, если отверстие параллельно контуру детали.
Анализ параметров технологичности детали:
-
контур состоит из частей окружностей сопряженных между собой и не является сложным с точки зрения его получения;
-
радиусы сопряжения в углах внутреннего контура цельной матрицы r>2мм;
-
наименьшие размеры пробиваемого отверстия больше 0,8S: 0,8*3=2,4мм >1мм;
-
расстояние от края отверстия до контура детали не меньше 1,5S: 1.5*1=1.5мм;
Таблица 3 - Анализ параметров технологичности
| Показатели технологичности | |||||
| Критерии | a | b | c | d | e |
| оценка | + | + | + | + | +/- |
Анализ параметров технологичности детали, предполагаемый метод получения которой – листовая штамповка, показывает, что деталь обладает удовлетворительной технологичностью, следовательно, ее производство в заданных условиях целесообразно на штампе совмещенного действия.
1.2 Выбор рационального раскроя материала
Для определения размеров заготовки необходимо знать размеры перемычек, которые при штамповке детали из полосы необходимы для обеспечения прочности и жесткости. При заданной толщине полосы S=1 и при условии ручной подачи , которая выбирается исходя из экономических соображений m=2мм, n=2мм.
Для получения детали применяют обычный однорядный раскрой полосы (т. к. при двухрядном типе большое количество материала уходит в отход, либо придется производить поворот полосы или делать групповой штамп штампующий одновременно две детали.):
Рисунок 1.2 – Тип раскроя
Рисунок 1.3 - Расположение деталей в полосе
Выберем наиболее рациональный раскрой стандартных размеров листа. Из ряда стандартных размеров листов для штампуемого материала 12Х18Н10Т ГОСТ 4986-79 и заданной толщине листа 1 мм. В качестве критерия оптимальности принимается коэффициент использования материала (КИМ) по рекомендациям [1]:
(1.1)
где N - количество деталей на листе;
L и В - длина и ширина разрезанного листа; F=527,36мм2- площадь детали.
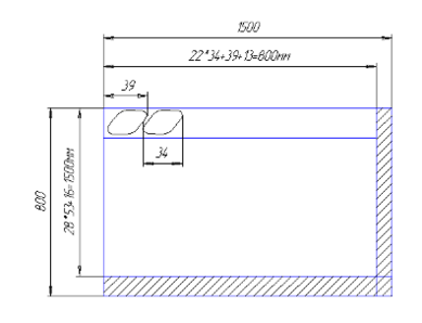
Выбирается размер листа: 1500
800 мм:
а) Лист 1500
800мм поперечное расположение полос (рис.1.3а), исходя из формулы (1.1), получаем:
53 полосы по 17 деталей
Рисунок 1.4а – Раскрой листа
б) Лист 1500
800 мм. Продольное расположение полос (рис.1.3б), исходя из формулы (1.1), получаем:
28 полос по 32 детали
Рисунок 1.4 б – Раскрой листа
в) Лист 1500
800 мм. Продольное расположение полос, а расположение детали под углом, (рис.1.4в)
53 полосы по 23 детали
Рисунок 1.4в – Раскрой листа
Наибольшее количество деталей с минимальным отходом получим при использовании листа 1500
800 (рис 1.4в) количество деталей – 1219 при КИМ 0,54.
1.3 Выбор схемы штамповки
Пользуясь рекомендациями [3] выбираем штамп совмещенного действия, исходя из точностных требований. Число переходов для получения детали - один. Готовая деталь получается при вертикальном перемещении матрицы 7. Поступательное перемещение полосы в горизонтальном направлении по направляющим до грибкового упора, обеспечивает необходимое положение заготовки. При высокой точности штамповки преимуществом этого вида штампа является: повышенная производительность, возможность работы на быстроходных прессах, повышенная безопасность производства, дешевизна штампа для деталей простой формы.
1.4 Выбор технологической схемы штампа
Выбираем штамп с направляющими колонками, так как колонки обеспечивают более надёжное направление по сравнению с направляющей плитой.
Отходы от пробивки отверстий удаляется на провал через окно в пуансон – матрице в нижней плите штампа. Отход от вырубки по контуру удаляется в виде остатков полосы вручную.
Из-за сил трения между деталью и рабочими поверхностями штампа, а также из-за напряжения сжатия заготовки, возникающего при пробивке-вырубке под рабочими плоскостями пуансонов, заготовка остается на пуансонах. Чтобы снять ее применяется съёмник. Он снимает заготовку при обратном ходе хвостовика. Выбираем подвижный съемник.
Полоса подается справа налево до грибкового упора. Затем происходит ход пуансона, пробиваются три отверстия, происходит вырубка по контуру. Отходы при пробивке удаляются через провальное окно в пуансон – матрице, деталь после вырубки извлекается пинцетом.
Рисунок 1.5 – Схема штамповки
2. ПРОЕКТИРОВАНИЕ ШТАМПА, ВЫБОР ОБОРУДОВАНИЯ
2.1 Проектирование штампа в системе «КОМПАС-Штамп»
Процесс проектирования штампа средствами системы КОМПАС-Штамп состоит из двух этапов:
1)формирование проекта конструкции штампа;
2)проектирование и формирование чертежей на представленную в проекте конструкцию.
После запуска программы и создания проекта выполняется контрольная прорисовка детали – ключа, а также проектируется рабочая зона, происходит проектирование раскройных планов, построение схемы раскроя (в данном случае – однорядный обычный), контуры размещаются на полосе, после чего выбирается схема штамповки. Всё это делается исходя из следующих соображений.
Работа с системой «КОМПАС-Штамп» осуществляется с помощью использования дерева проектирования путем создания, удаления и редактирования соответствующих пунктов последнего.
Работу над проектом начинаем с создания эскиза штампуемой детали, для этого нажимаем кнопку «Проектирование Эскиз детали, формир.раб.зоны», после чего загружается редактор «КОМПАС-График», где и осуществляем проектирование. При этом соответствующая библиотека, необходимая для работы (РАБОЧАЯ ЗОНА) уже подключена.
С помощью инструментов создания графики создаем эскиз детали в масштабе 1:1 с необходимыми размерами, при этом используя команды «Прямоугольник», «Эллипс», «Собрать контур» и «Эквидистанта» необходимо использовать команду «Разрушить».
Для проектирования рабочей зоны активизируем библиотеку «РАБОЧАЯ ЗОНА» в меню «Сервис». После этого на экране появляется окно, содержащее пункты меню, относящиеся к проектированию рабочей зоны. Пункты, отмеченные знаком «(!)» (например, «Рабочая зона в плане(!)»), обязательны для выполнения.
Проектируемый штамп является разделительным. Пункт «Разделительные операции» содержит следующие операции:
Рисунок 2.1 – Рабочая зона.
2.2 Деталь
Вводим толщину материала (1 мм), марку материала (12Х18Н10Т). Прямоугольной рамкой выделяем эскиз штампуемой детали и подтверждаем ESK. Далее на запрос системы “Вид заготовки” отвечаем “полосовая” и в появившемся меню “Типы перемычек” выбираем для боковых и междетальных перемычек тип “Круг”.
Система автоматически рассчитывает величины перемычек, и они сразу появляются в окне ввода, однако имеется возможность отредактировать их значения, если по каким-то соображениям необходимы другие значения величин перемычек:
междетальная перемычка-2 мм;
боковая перемычка-2мм;
шаг штамповки-34мм;
Характеристики
Тип файла документ
Документы такого типа открываются такими программами, как Microsoft Office Word на компьютерах Windows, Apple Pages на компьютерах Mac, Open Office - бесплатная альтернатива на различных платформах, в том числе Linux. Наиболее простым и современным решением будут Google документы, так как открываются онлайн без скачивания прямо в браузере на любой платформе. Существуют российские качественные аналоги, например от Яндекса.
Будьте внимательны на мобильных устройствах, так как там используются упрощённый функционал даже в официальном приложении от Microsoft, поэтому для просмотра скачивайте PDF-версию. А если нужно редактировать файл, то используйте оригинальный файл.
Файлы такого типа обычно разбиты на страницы, а текст может быть форматированным (жирный, курсив, выбор шрифта, таблицы и т.п.), а также в него можно добавлять изображения. Формат идеально подходит для рефератов, докладов и РПЗ курсовых проектов, которые необходимо распечатать. Кстати перед печатью также сохраняйте файл в PDF, так как принтер может начудить со шрифтами.
















