126188 (690955), страница 8
Текст из файла (страница 8)
12.2 Безопасный метод удаления продуктов производства из технологических систем и отдельных видов оборудования:
-продувка змеевиков печей производится в колонны;
-нефтепродукты из колонн и емкостей откачиваются по схемам в соответствующие парки;
-газы из сепараторов выводятся на факел;
-продувка аппаратов инертными газами производится на свечу рассеивания.
12.3 Меры борьбы с загрязнениями окружающей среды
-строительство очистительных сооружений;
-комплексное использование и глубокая переработка сырья;
-создание и внедрение замкнутых систем водопользования, исключающих (или сводящих к минимуму ) потребление свежей воды и сброс сточных вод в водоемы;
-обеспечение высокого качества целевых продуктов, используемых в одном хозяйстве.
Заключение
В результате данного проекта был рассчитан материальный баланс установки АВТ, а также проведен расчет основного аппарата – предварительного эвапоратора К-5, который включает:
- тепловой баланс, расчет которого показал, что в колонну необходимо производить тепло горячей струей, количество которой составило 26219,95кг/ч;
- конструктивный расчет, в результате которого были определены диаметр и высота колонны, которые составили 2,6м и 33,53м. соответственно;
- прочностной расчет, который показал, что выбранный материал обечайки и днищ сталь ВМСт3сп+08Х13 выдержит давления, как при работе колонны, так и при ее гидравлическом испытании;
- расчет колонны на ветровую нагрузку, который показал, что колонна устойчива и условия прочности опоры выполняются.
Данную установку рекомендуется комбинировать с блоками ЭЛОУ и вторичной перегонки бензина, в результате чего она приобретет ряд преимуществ по сравнению с некомбинированными установками:
- уменьшается число индивидуальных установок, протяжность трубопроводов и число промежуточных резервуаров;
- более эффективно используются энергетические ресурсы самих процессов;
- значительно снижается расход электроэнергии, пара и воды на охлаждение, нагрев и перекачку промежуточных продуктов;
- более широко и эффективно используются современные средства контроля автоматизации;
- резко уменьшаются расход металла, площадь и обслуживающий персонал.
Также в данном проекте были предложены меры по защите окружающей среды от промышленных загрязнений.
Исходя из задания на проектирование, курсовой проект выполнен в полном объеме и предварительный эвапоратор К-5 для установки АВТ-6 спроектирован.
Список литературы
1. Сарданашвили А.Г. Примеры и задачи по технологии переработки нефти и газа.- М.: Химия, 1987.-352с.
2. Ахметов С.А. Технология глубокой переработки нефти и газа: учебное пособие для вузов. – Уфа: Гилем, 2002.-672с.
3. Химия и технология топлив и масел.- РГУ Нефти и газа им.И.М. Губкина, №3 2004.-60с.
4. Повлов К.Ф., Романков П.Г. Примеры и задачи по курсу процессов и аппаратов химической технологии. Учебное пособие для вузов. –Л.: Химия, 1987.-576с.
5. Криворот А.С. Конструкции и основы проектирования машин и аппаратов химической промышленности.- М.: Химия, 1999.-254с.
6. Регламент установки ЭЛОУ+АВТ-6 типа 11/4 Ангарского НПЗ
7. Гуревич И.Л. Технология переработки нефти и газа.- М.: Химия, 2000.-811с.
ПРИЛОЖЕНИЕ А
Принципиальная схема ректификационной установки
Рисунок А 1- Принципиальная схема ректификационной установки -1ёмкость для исходной смеси; 2, 9- насосы; 3- теплообменник-подогреватель; 4 - кипятильник; 5- ректификационная колонна; 6- дефлегматор; 7- холодильник дистиллята; 8- ёмкость для сбора дистиллята;
ПРИЛОЖЕНИЕ Б
Принципиальная схема блока стабилизации и вторичной перегонки бензина установки ЭЛОУ – АВТ – 6
Рисунок Б 1- Принципиальная схема блока стабилизации и вторичной перегонки бензина установки ЭЛОУ – АВТ – 6
1 — колонна стабилизации; 2—5 — колонны вторичной перегонки;
I — нестабильный бензин; II — фракция С5-620С; III — фракция 65-1050С; IV — фракция 62—850С; V — фракция 85—1050C; VI-фракция 105-1400C, VII — фракция 140-I80°С; VIII — сжиженная фракция C2 - C4; IХ — сухой газ (C1 – C2); Х — водяной пар
ПРИЛОЖЕНИЕ В
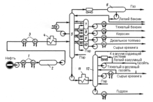
Принципиальная схема установки атмосферно-вакуумной перегонки нефти с блоком обезвоживания и обессоливания
Рисунок В 1- Принципиальная схема установки атмосферно-вакуумной перегонки нефти с блоком обезвоживания и обессоливания-
1, 3 – теплообменники; 2 – электродегидратор; 4, 11 – нагревательные печи; 5 – атмосферная колонна; 6 – сепаратор; 7 – 10 – отпарные колонны; 12 – вакуумная колонна.
Размещено на Allbest.ru















