126179 (690947), страница 2
Текст из файла (страница 2)
где Rzi-1, h i-1,
i-1 – соответственно высота неровностей, глубина дефектного слоя и погрешность расположения поверхности полученные на предыдущем переходе.
i – погрешность установки заготовки на данном переходе.
Для чернового точения:
Для получистового точения:
Для чистового точения:
Расчетные значения припусков заносим в графу 6.
Расчет наименьших размеров по техническим переходам начинаем с наименьшего размера детали по конструкторскому чертежу используя исходные данные:
, так
Для чистового точения:
Для получистового точения:
Для чернового точения:
Допуск на изготовление промежуточных размеров Td является табличной величиной и определяется в зависимости от получаемого на данном переходе квалитета (стр. 192, табл. 32).
Принятые (округленные) размеры по переходам
определяют округляя значения соответствующих размеров
.
Размер
определяют по зависимости:
Для чистового точения:
Для получистового точения:
Для чернового точения:
Для заготовки:
Предельные припуски на механическую обработку определяют по формулам:
Посчитанные припуски заносим в карту расчетов.
Таблица 5
| Маршрут обработки | Элементы припуска, мкм | Расчетный припуск 2z min, мкм | Расчетный размер | Допуск Td, мкм | Принятые округленные размеры по переходам, мм | Предельные значения припусков, мкм | |||||||
| Rz | H | | | Dнм | Dнб | 2z imin | 2zimax | ||||||
| Штампов-ка | 200 | 250 | 732 | - | - | 125,681 | 2500 | 125,7 | 128,2 | - | - | ||
| Точение: | |||||||||||||
| Черновое | 100 | 100 | 44 | 800 | 3069 | 122,612 | 1000 | 122,7 | 123,7 | 3 | 4,5 | ||
| Получистовое | 50 | 50 | 2,2 | 0 | 488 | 122,124 | 400 | 122,1 | 122,5 | 0,6 | 1,2 | ||
| Чистовое | 25 | 25 | 0,1 | 0 | 204 | 121,92 | 63 | 121,9 | 121,96 | 0,2 | 0,54 | ||
| Итого | 3,8 | 6,24 | |||||||||||
Проверка правильности расчетов проводится по формуле:
6,24 – 3,8=2,5 – 0,063
2,44=2,44
расчет верен.
2) Ø60h12
Расчет припусков ведется аналогично.
=12 мкм/мм;
=
-
=10 мм;
Т = 1,9 мм;
Таблица 6
| Маршрут обработки | Элементы припуска, мкм | Расчетный припуск 2z min, мкм | Расчет-ный размер dp, мм | Допуск Td, мм | Принятые округленные размеры по переходам, мм | Предельные значения припусков, мкм | |||||||
| Rz | H | | | dmin | dmax | 2z прmin | 2zпрmax | ||||||
| Штампов- ка | 200 | 250 | 588 | - | - | 62,639 | 1900 | 62,6 | 64,5 | - | - | ||
| Точение: | |||||||||||||
| Черновое | 100 | 100 | 35,3 | 400 | 2568 | 60,071 | 740 | 60,1 | 60,8 | 2,5 | 3,7 | ||
| Получистовое | 50 | 50 | 1,8 | 0 | 471 | 59,6 | 300 | 59,6 | 59,9 | 0,5 | 0,9 | ||
| Итого | 3 | 4,6 | |||||||||||
Проверка правильности расчетов:
4,6 – 3=1,9 – 0,300
1,6=1,6
расчет верен.
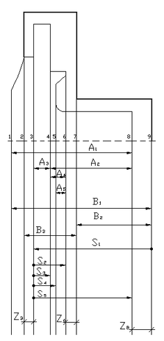
5. Размерно-точностной анализ
Заготовка – штамповка.
Изображаем совмещенный эскиз детали и заготовки. Указываем все поверхности, принадлежащие как заготовке, так и детали с учетом последовательности выполнения переходов. Через поверхности проводим параллельные линии, которые соединяют размеры заготовки, размеры детали, технологические размеры и припуск на механическую обработку.
Размеры:
А – конструкторские размеры с чертежа детали;
В-размеры заготовки;
S – технологические размеры;
Z – припуск на механическую обработку.
Формируем совмещенный граф размерных цепей, на котором вершины представляют собой указанные поверхности, а ребра – соответствующие размеры. Не допускается пересечение ребер графа.
Размерные цепи:
-
A3, S3
-
S3, A2, S5
-
S3, A4, S2
-
S4, A5, S2
-
Z1, S1, B3, B2
-
S5, Z3, S1
-
S2, Z2, B2, S1
-
A1, B1, S1, S5
Настроечное звено: S3 Настроечное звено: S5
Настроечное звено: S2 Настроечное звено: S4
Настроечное звено: В3 Настроечное звено: S1
Настроечное звено: В2 Настроечное звено: В1
А1 = 46+0,31-0,31 S1 = 37,539+0,0195-0,0195
А2 = 22+0,26-0,26 S2 = 26+0,105-0,105
А3 = 14+0,215-0,215 S3 = 14+0,09-0,09
А4 = 12+0,215-0,215 S4 = 14+0,09-0,09
А5 = 12+0,215-0,215 S5 = 36+0,0195-0,0195
В1 = 47,539+0,271-0,271 Z1 = 3,2695+1,2695-1,2695
В2 = 8,9645+0,45-0,45 Z2 = 2,5745+0,5745-0,5745
B3 = 31,844+0,8-0,8 Z3 = 1,539+0,039-0,039
Рис. 1
6. Расчет суммарной погрешности обработки
Суммарные погрешности обработки заготовок на настроенных станках определяют по уравнению:
-
для диаметральных размеров
После определения суммарной погрешности
проверяется возможность отработки без брака:
где Td – допуск на операционный размер.
В случае несоблюдения этого условия необходимо предложить конкретные мероприятия по снижению
1. Погрешность
, вызванная размерным износом фрезы, определяется по формуле:
, где
– относительный износ резцов. Для Т15К6 = 6 мкм/км – углеродистая сталь (стр. 74, табл. 28).
Lо = 500…1000 м
2. Определим колебание системы
вследствие изменения силы Py из-за непостоянной глубины резания и податливости системы при обработке
, где
Wmax – наибольшее значение составляющей силы резания, совпадающей с направлением выдерживаемого размера.
= П / Р, где
П – податливость станка, П = 100*0,75 = 75 (стр. 29 табл. 11);
Р – нагрузка станка, Р = 1960 (стр. 29 табл. 11),
= 75 / 1960 =0,038
Наибольшая Py max и наименьшая Py min нормальные составляющие силы резания определяются исходя из условия:
Ср = 125; х = 1,0; у=0,75; n=0; S=0,72; V = 116;
Изменение обрабатываемого размера вследствие упругих деформаций:
3. Определим погрешность, вызванную геометрическими неточностями станка
:
, где
С – допустимое отклонение от параллельности оси в плоскости выдерживаемого размера на длине L = 300 мм;
Для Ø до 320 = 10, т.е. С = 10 * 0,75 = 7,5 (стр. 54 табл. 23);
– общая длина детали,
= 46 мм, отсюда
4. Погрешности настройки станка:
;
погрешность измерения,
(стр. 72 табл. 27)
5. Определим температурные деформации технологической системы, приняв их равными 15% от суммы остальных погрешностей:
7. Определим суммарную погрешность обработки по уравнению:
При чистовом точении IT8 = 63 мкм.
В данном случае условие выполнение работы без брака (
) действует, так как 63 мкм > 4,9 мкм.
7. Расчет режимов резания
При назначении элементов режимов резания учитывают характер обработки, тип и размеры инструмента, материал его режущей части, материал и состояние заготовки, тип и состояние оборудования.
Таблица 7
| № и название операции | Переходы | t, мм | S, мм/об. | V, м/мин | n, об/ мин |
| 005 Токарная с ЧПУ | Подрезать торец | 2,6 | 0,8 | 115 | 253 |
| 010 Токарная с ЧПУ | Точить цилиндрическую поверхность | 3,1 | 0,72 | 116 | 303 |
| Расточить начисто | 2 | 0,5 | 150 | 1194 | |
| 020 Вертикально-сверлильная | Сверлить 10 отверстий диаметром d8 | 4,5 | 0,15 | 27 | 614 |
| Нарезать резьбу диаметром d10 | 0,5 | 0,04 | 13 | 414 |
t мм – глубина резания,















