126134 (690894)
Текст из файла
Курсовой проект
По дисциплине Технология машиностроения
На тему
Разработка технологического процесса обработки ступенчатого вала
Студент Михайлов А.С.
Москва, 2010г
Содержание
Введение
1. Служебное назначение и технические требования детали
2. Технологический контроль чертежа и анализ технологичности конструкции
3. Определение типа производства
4. Выбор способа получения заготовки
5. Проектирование маршрутной технологии обработки детали
6. Выбор технологических баз для механической обработки
7. Выбор оборудования, оснастки и средств автоматизации
8. Расчет припусков на механическую обработку
9. Расчет режимов резания и норм времени
10. Маршрутная технологическая карта
11. Обоснование эффективности технологического процесса
Список использованной литературы
Введение
В современном машиностроительном комплексе, когда качество продукции является стабильным показателем работы большинства предприятий, ввиду использования ими однотипного оборудования и инструмента, на первый план стратегических целей компаний выходят скорость производства продукции, и ее конкурентоспособная себестоимостью.
Данные цели достигаются применением комплексных мероприятий направленных на снижение затрат предприятия среди которых можно выделить такие как:
-применение высокопроизводительного инструмента повышенной твердости, комбинированного инструмента и инструмента со сменными многогранными пластинами, позволяющих снизить затраты на изготовление изделий;
-применение принципа Just-in-time (точно вовремя), заключающегося в том, что во время производственного процесса необходимые детали оказываются на производственной линии строго в тот момент, когда это нужно и в строго необходимом количестве, что позволяет снизить складские расходы;
- применения принципа «автономизации», или автоматизации с использованием интеллекта, когда процесс настроен таким образом, что обработка изделия ведется до тех пор, пока оборудование не подаст сигнал об ошибке и не остановит процесс, что позволяет одному оператору обслуживать одновременно несколько станков сводя к минимуму риск производства бракованной продукции;
- также в последнее время все большую популярность приобретают система канбан, позволяющая снизить перепроизводство; система poka-yoke(пока-ёкэ) или защита от ошибок, исключающая влияние человеческого фактора; 5S – правильная и удобная организация рабочего места, исключающая лишние предметы и требующая строго поддерживаемого порядка. А также многие другие.
В данной курсовой работе рассмотрен технологический процесс обработки изделия – «Вал ступенчатый». Валы различны по служебному назначению, конструктивной форме, размерам и материалу. Несмотря на это, при разработке технологического процесса изготовления валов приходится решать многие однотипные задачи, поэтому целесообразно пользоваться типовыми процессами, которые созданы на основе проведенной классификации.
Целью курсовой работы является разработка технологического процесса производства конкурентоспособного изделия с применением современного точного оборудования и высокопроизводительного инструмента, с требуемой годовой программой производства.
Задание
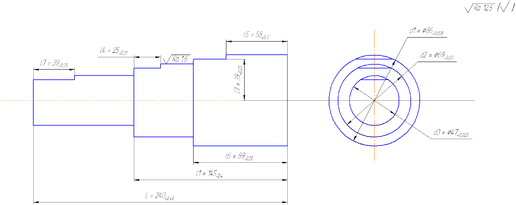
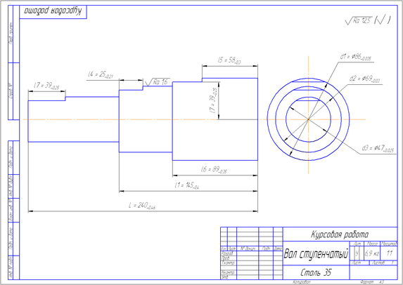
Материал изделия – сталь 35; твердость 207 HB; годовая программа выпуска N = 20 000 , L = 240-0,46; l1 = 145-0,4; l4 = 25-0,21; l5 = 58-0.3; l6 = 89-0.35; l7 = 39-0.25; d1 = 86-0.035; d2 = 69-0.03; d3 = 47-0.025;
;
.
Рис. 1. Схема вала с данными задания
1. Служебное назначение и технические требования детали
Деталь – ступенчатый вал. Назначение ступенчатых валов – передача крутящего момента от привода к другим частям механизма. Валы находят свое применение в широкой области механизмов, от тяжелого машиностроения до бытовой техники.
Вал имеет 3 ступени с выполненными на них лысками, для фиксирования соединяемых с ним изделий.
В качестве материала применяется углеродистая к сталь 35 ГОСТ 1050. Требуемая твердость изделия HB 207, следовательно, термическая обработка не предусмотрена. Так же на чертеже не указаны фаски, следовательно, необходимо притупление острых кромок.
2. Технологический контроль чертежа и анализ технологичности конструкции
На чертеже детали (рис 1.1) имеются все необходимые размеры, даны сведения о шероховатости обрабатываемой поверхности и точности их изготовления.
Чертёж детали содержит необходимые виды, дающие полное представление о детали. По своей конструкции деталь имеет большинство поверхностей открытых и доступных для обработки.
На основании имеющихся данных можно сделать вывод о технологичности изделия:
- вал равножесткий (l/d < 12);
- конфигурация детали простая, это облегчает выбор заготовки;
- расположение ступеней не вызывает затруднений при механической обработке, нет труднодоступных поверхностей;
- для обработки изделия возможно применение стандартного режущего инструмента и средств измерения, что позволяет исключить затраты на проектирование и изготовление специальной оснастки;
- расположение лысок на ступенях вала позволяют получать их за одну операцию на станке с числовым программным управлением (ЧПУ);
- отсутствие требование по термической обработке поверхностей вала упрощает технологический процесс его получения;
- поверхности вала являются удобными базами для проведения токарной и фрезерной обработки;
- контроль параметров изделия может производиться стандартным универсальным контрольно-измерительным инструментом;
- для производства изделия не требуется специально обученного персонала высокой категории, деталь могут изготавливать как фрезеровщики и токари универсалы, так и станочники широкого профиля.
Таким образом, по всем показателям деталь является технологичной для механообрабатывающего производства.
3. Определение типа производства
По ГОСТ 14004-85 предусматриваются следующие типы производства:
- единичное;
- серийное;
- массовое.
В свою очередь серийное производство подразделяется на крупносерийное, среднесерийное, мелкосерийное.
Расчет ведется с учетом основных операций механической обработки и типов металлообрабатывающего оборудования.
Годовая программа выпуска изделий:
N=20000 шт.
Тип производства можно определить по табл. 1.1.
Таблица 1.1
| Тип производства | Годовой объем выпуска деталей в штуках | ||
| Тяжелые( масса свыше 500 кг) | Средние (масса от 30 до 500 кг) | Легкие (масса до 30 кг) | |
| Единичное | До 5 | До 10 | До 100 |
| Мелкосерийное | 5-100 | 10-20 | 100-500 |
| Среднесерийное | 100-300 | 200-500 | 500-5000 |
| Крупносерийное | 300-1000 | 500-5000 | 5000-50000 |
| Массовое | Свыше 1000 | Свыше 5000 | Свыше 50000 |
Тип производства определяется по коэффициенту серийности (Кс)
Кс =
,
Где tв – такт выпуска;
Тшт.ср – среднее штучное время.
Кс =
Такт выпуска (tв) деталей рассчитывается по формуле:
tв =
(мин/шт),
где Fд – действительный годовой фонд работы оборудования (2070 час)
N – годовая программа выпуска деталей.
tв =
= 6,21 (мин/шт),
Обычно считается, что коэффициент серийности определяет количество различных операций по обработке детали, закрепленных за одним станком в течение года: для массового производства Кс = 1…2, для крупносерийного Кс = 2…10, для серийного Кс = 10…20, для мелкосерийного и единичного Кс> 20.
Т.к. Кс = наше производство является крупносерийным.
4. Выбор способа получения заготовки
Валы изготовляют из штучных заготовок, отрезанных от горячекатаного или холоднотянутого прутка, а так же из заготовок, получаемых штамповкой, поперечным прокатом или ротационным обжатием. Выбор заготовки должен быть обоснован
Вал изготавливается из материала – Сталь 35. Для выбора подходящего способа получения заготовок необходимо провести анализ химического состава материала и его механических свойств, данные свести в таблицу 4.1 и 4.2.
Химический состав стали 35 - содержание компонентов, % (максимум)
Таблица 4.1
| С | Si | Mn | Cr | Ni | S | P | Cu | N |
| 0,32-0,40 | 0,17-0,37 | 0,50-0,80 | 0,25 | 0,30 | 0,040 | 0,035 | 0,30 | 0,008 |
Механические свойства стали 35
Таблица 4.2
| σТ, кгс/мм2 | σВ, кгс/мм2 | δ,% | Ψ, % | НВ (не более) | |
| Не менее | горячекатанный | отожженый | |||
| 32 | 54 | 20 | 45 | 207 | 187 |
Выбор метода получения исходной заготовки определяется типом производства, экономическим факторами и техническими возможностями производства.
В массовом и крупносерийном производстве валы изготовляют из штучных заготовок, обеспечивающих эффективное использование металла (коэффициент использования металла КИМ = 0,65…0,7) и значительное сокращение трудоемкости механической обработки. Штучную заготовку из прутка заменяют штамповкой, если КИМ повышается не менее чем на 5%.
Определим коэффициент использования материала заготовки по формуле:
Ким =
,
где Мд- масса детали;
Мз – масса заготовки.
Ким =
=0,89
Заготовку, получаем на горячештамповочном прессе в закрытом штампе.
5. Проектирование маршрутной технологии обработки детали
Процесс изготовления вала состоит из следующих этапов:
- Подрезка торцев, черновое точение диаметров, центрование отверстий;
- Фрезерование лысок;
- Чистовое точение диаметров.
6. Выбор технологических баз для механической обработки
В типовом технологическом процессе обработки деталей класса «Валы» (длинной более 120 мм) предусмотрено обеспечение принципа постоянства баз за счет обработки вала в центрах. Поэтому на первых операциях будет проходить черновая обработка диаметров и торцев вала, а так же получение центровочных отверстий.
Обработка будет производиться на станке токарном с ЧПУ DOOSAN S280N. Зажим заготовки будет производиться кулачками самоцентрирующего токарного патрона с упором в торцы. Это позволит обеспечить постоянство линейных и диаметральных размеров.
Характеристики
Тип файла документ
Документы такого типа открываются такими программами, как Microsoft Office Word на компьютерах Windows, Apple Pages на компьютерах Mac, Open Office - бесплатная альтернатива на различных платформах, в том числе Linux. Наиболее простым и современным решением будут Google документы, так как открываются онлайн без скачивания прямо в браузере на любой платформе. Существуют российские качественные аналоги, например от Яндекса.
Будьте внимательны на мобильных устройствах, так как там используются упрощённый функционал даже в официальном приложении от Microsoft, поэтому для просмотра скачивайте PDF-версию. А если нужно редактировать файл, то используйте оригинальный файл.
Файлы такого типа обычно разбиты на страницы, а текст может быть форматированным (жирный, курсив, выбор шрифта, таблицы и т.п.), а также в него можно добавлять изображения. Формат идеально подходит для рефератов, докладов и РПЗ курсовых проектов, которые необходимо распечатать. Кстати перед печатью также сохраняйте файл в PDF, так как принтер может начудить со шрифтами.















