126037 (690839), страница 4
Текст из файла (страница 4)
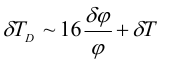
що при стандартних похибках δϕ =3% и δT=0,5°С дає оцінку внесків
датчиків вологості і температури 0,5°с і 0,5°с відповідно.
-
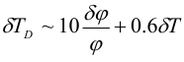
при великому дефіциті точки роси (φ ~0%)
тут внесок датчика температури менший (0,3°с), а внесок датчика вологості в загальну похибка вимірювання точки роси катастрофічно наростає з пониженням відносної вологості, що видно з графіків рисунку 18.
5.3 Вимірювання точки роси вище 20°С
Проблема тут полягає в проведенні перевірки. Стандартна методика перевірки багато приладів, не тільки вимірників вологості, припускає проведення вимірювань в 5-ти точках, скажемо 5, 25, 50, 75, 95% від діапазону вимірювань. Розглянемо наступну ситуацію. Перетворювач вологості має діапазон мінус 30.80°с т. р. При його перевірці потрібно провести вимірювання при 70-80°с т. р. Щоб набути такого значення точки роси, необхідно, щоб газ мав вищу температуру. Метрологічне устаткування для цих температур є екзотикою.
Крім того, прилад при високій температурі газу має додаткову похибку, обумовлену тим, що температура аналізованого газу відрізняється від нормальної (кімнатною). Тому проводити його перевірку в такій ситуації не зовсім вірно. Тим часом, деякий вихід з ситуації, що склалася, можливий. Треба провести перевірку приладу по відносній вологості і температурі, а потім на основі набутих значень похибок δϕ та δТ визначити похибку вимірювання точки роси по формулі (1.7) з урахуванням того, що
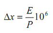
5.4 Об'ємний вологовміст (x).
Іншими словами, це об'ємна концентрація пари по відношенню до сухого газу. Обчислюється за формулою:
P - абсолютний тиск газу (кПа). Діапазон виміру (при зневазі тиском пари в порівнянні із загальним тиском):
Для виміру вологовмісту потрібне застосування ще одного датчика - тиски. Тому з'являється додаткове джерело похибки, а формула для приведеної похибки δx набирає вигляду:
δ, PВ, Pmin - приведена похибка (%), верхня межа виміру тиску і мінімальне значення тиску відповідно. Надалі вважатимемо, що діапазон зміни тиску малий, тому P ≅ Pmin.
Аналіз формули (6) показує:
Вклад датчика тиску мінімальний при малих влажностях і наближається до свого максимального значення при високих влажностях. При правильно підібраному датчику тиску цей складник похибки можна звести до значення, нехтує малому в порівнянні з іншими.
Таблиця 3 Діапазони вимірювання та допустимі похибки вимірюваних величин
| Вимірювальна величина | Умовне позначення | Діапазон вимірювань | Межі допустимої основної похибки %, від діапазона вимірювань | |
| Для уніфікованого вихідного сигналу | по вимірювальній величині | |||
| Відносна вологість | φ | Від 0 до 100% | +/-2% | +/-2% |
| Абсолютна вологість (при t=20°C) | а | Від 0 до 18 г/м3 | +/-2% | +/-2% |
| Об’ємний вологовміст (при t=20°C та абсолютному тиску 100кПА) | х | До 28000 млн-1 | +/-2% | +/-2% |
| Температура точки роси | ТD | Від - 30 до 80°С т. р. | +/-1°С +/-3°С +/-6°С | +/-1°С +/-3°С +/-6°С |
| Температура | T | Від - 40 до 100°С | +/-0,25 | +/-0,25 |
6. Розрахунок швидкодії і точності вимірюваних параметрів
Основними критеріями при створенні автоматизованого вимірювального комплексу (АВК) є надійність і економічна ефективність. Розвиток вимірювальної техніки, розширення круга складання завдань, які вирішуються за допомогою АВК, - усе це ставить перед розробниками ряд складних проблем. До головних з них можна віднести:
забезпечення виміру, збору, оптимізації, обробки значної кількості інформації про стан і якість об'єкту контролю;
забезпечення надійного функціонування усіх приладів і пристроїв, які входять до складу АВК;
підвищення точності вимірів і швидкості пристроїв, які приймають і обробляють інформацію;
значне скорочення числа приладів і пристроїв АВК без зниження його віддачі.
Датчик температури.
Як вимірювач температури в діапазоні - 50…50 ºC в розроблюваному приладі використовується термоперетворювач опору з аналоговим виходом і характеристиками:
діапазон виміру: - 50.50 ºC;
вихідний сигнал - аналоговий
основна похибка - 0,1%;
швидкодія 0,05 с.
Д1
-
50.50 ºC 0… 20мА
Датчик тиску.
Як вимірювач тиску в діапазоні 0…10 МПа в розроблюваному приладі використовується перетворювач тиску АИР - 20 ДА з аналоговим виходом і характеристиками:
діапазон виміру: 0.10 МПа;
вихідний сигнал - аналоговий
основна похибка - 0,4%;
швидкодія 0,05 с.
Д2
АИР - 20 ДА -
0.500 ºC 4…20мА
Датчик вологості.
Як вимірювач воловті в розроблюваному приладі використовується ємнісний перетворювач вологості з аналоговим виходом і характеристиками:
вихідний сигнал - аналоговий
основна похибка - 2,5%;
швидкодія 0,8 с.
-
Д3
4…20мА
Уніфікуючий вимірювальний перетворювач.
В ролі підсилювача вибираємо УИП Ф7200, який має досить високу чутливість, яка досягається використанням оптоелектронного перетворювача. Має блоково-модульне і мікроелектронне виконання.
Характеристики: діапазон вхідної
напруги: 0.70 мВ;
діапазон вихідної напруги: 0.1 В;
основна похибка: 0,05%;
швидкодія: 0,001 с.
Аналогово-цифровий перетворювач
Вибираємо малогабаритний Ф7242 з підвищеною швидкістю і наступними
характеристиками: розрядність N=12;
основна похибка 0,2%;
код I вхід по струму 0.5 мА;
швидкодія 0,001 мкс;
вихід "1" - 2,4 В; "0" - 0,8 В.
Аналоговий комутатор
Вибираємо MAX306, що має високі метрологічні характеристики, малі габарити і вартість. Має наступні характеристики:
кількість вимірювальних каналів N=16;
вхід по струму 0.5 мА;
основна похибка 0,05%;
швидкодія 0,01с.
6.1 Оцінка характеристики ВК по точності і швидкодії
Розрахунок основної похибки ВК.
а) похибка ВК температури:
де Δ д=0,1% - похибка датчика;
Δ ак=0,05% - похибка аналогового комутатора
Δ ацп=0,2% - похибка аналого-цифрового перетворювача
б) похибка ВК тиску:
в) похибка ВК вологості:
За завданням необхідно забезпечити основну похибку виміру не більше 1,0%. Це значення перевищує ВК: вимір вологості в - 2,5%.
В даному випадку доцільно вбудувати в цей канал мікропроцесори, які за допомогою математичних методів зменшують погрішності датчиків як мінімум в 10 разів.
Після цього похибка канала складатиме:
Тепер вимоги по точності у вимірювальній системі задововільні, так як похибка вимірювання не перевищує 1%.
Розрахунок швидкодії ВК.
а) швидкодія ВК температури:
б) швидкодія ВК тиску:
в) швидкодія ВК вологості:
Час повного циклу при послідовному опитуванні датчиків буде рівний сумі швидкодій використаних датчиків
6.2 Вибір апаратури обробки (ЕОМ)
Як апаратура обробки в цьому АИК вибираємо ПЕВМ типу Pentium III - 600, для якої вирішені питання підключення до традиційних обчислювальних систем за допомогою кабелів через стандатртные роз'єми. ПЕВМ Pentium III - 600 оснащений різним програмним забезпеченням, до неї додаються комплекти програм і драйвери управління спеціальними вимірювальними платами, які підключаються до ПЕВМ.
Основні характеристики:
процесор Intel Pentium III тактова частота - 600 Мгц;
розрядність - 64;
співпроцесор - вбудований;
об'єм ОЗУ - 64.256 МБ;
об'єм жорстких дисків - 10 ГБ і вище.
Ці характеристики дозволяють використовувати ПЕВМ Pentium III - 600 як апаратура обробки для проектованого АИК.
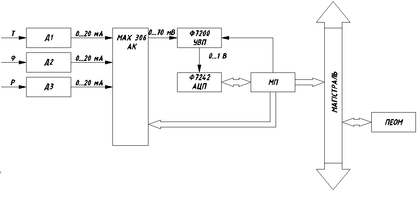
Проаналізувавши вихідний сигнал вимірювальних перетворювачів, аналогового комутатора, аналого-цифрового перетворювача, уніфікуючого вимірювального перетворювача, та підібравши оптимальну для обробки даних ЕОМ, можна побудувати схему структурної організації автоматичного вимірювального комплекса рисунок 19. Схема відображає послідовність з’єднань складових частин АВК описаних вище, вихідний сигнал вузлів.
Розроблений прилад включає в себе мікропроцесор, що дозволяє безпосередньо на місці збору даних обраховувати необхідні величини, та тимчасово зберігати результати.
Рисунок 19 - Схема структурної організації АВК
Також схема відображає можливість підключення АВК до ЕОМ, для обробки даних, проведення розрахунків, побудови графічних залежностей. Що робить використання приладу для вимірювання вологості газу в трубопроводі зрозумілим та доступним для користувачів.
Висновок
В результаті виконання даного курсового проекту проведено аналіз методів вимірювання вологості газу в трубопроводі під тиском, підібрано метод, який задовольняє умови завдання, розроблено принципову та структурну схему приладу, визначено основні елементи приладу, проведено розрахунок метрологічних характеристик розроблюваного приладу.















