125977 (690809)
Текст из файла
Содержание
Введение
1. Функциональная схема тиристорного электропривода
2. Разработка структурной схемы САУ
3. Синтез САУ
3.1 Расчет контура тока
3.2 Расчет контура скорости
4. Структурная схема САУ
4.1 Определение общей передаточной функции
4.2 Характеристическое уравнение
5. Определение устойчивости
5.1 Определение запаса устойчивости и быстродействия по переходной характеристике
5.2 Определение устойчивости по логарифмическим частотным характеристикам
Заключение
Литература
Введение
Электрический привод представляет собой электромеханическую систему, обеспечивающую реализацию различных технологических и производственных процессов в промышленности, сельском хозяйстве, на транспорте, коммунальном хозяйстве и в быту с использованием механической энергии. Назначение ЭП состоит в обеспечении движения исполнительных органов рабочих машин и механизмов и управлении этим движением. Другими словами, ЭП, являясь энергетической основой реализации технологических и производственных процессов, во многом определяет их качество, энергетические и технико-экономические показатели.
Механическая энергия вырабатывается приводом, который преобразовывает другие виды энергии. В зависимости от вида используемой первичной энергии различают гидравлический, пневматический, тепловой и электрический приводы. В современном промышленном производстве, коммунальном хозяйстве наибольшее применение нашел электрический привод, на долю которого приходится более 60 % потребляемой в стране электроэнергии. Такое широкое применение ЭП объясняется целым рядом его преимуществ по сравнению с другими видами приводов: использование электрической энергии, распределение и преобразование которой в другие виды энергии, в том числе и в механическую, наиболее экономично; большой диапазон мощности и скорости движения; разнообразие конструктивного исполнения, что позволяет рационально соединять привод с исполнительным органом рабочей машины и использовать для работы в сложных условиях - в воде, среде агрессивных жидкостей и газов; простота автоматизации технологических процессов, высокий КПД и экологическая частота.
Возможности использования современных ЭП продолжают постоянно расширяться, за счет достижений в смежных областях науки и техники.
1. Функциональная схема тиристорного электропривода
Функциональная схема необходима для того, чтобы выяснить, какие функциональные блоки необходимы для реализации системы ЭП. Функциональная схема содержит блоки преобразования силовой энергии, двигатель, измерительные преобразователи, согласующие устройства, функциональные преобразователи, блоки управления, датчики. По функциональной схеме определяют, какие блоки необходимо использовать при составлении структурной схемы ЭП. Функциональная схема позволяет определить, как проходит по схеме силовая энергия (энергия, необходимая для выполнения технологического процесса) и по каким элементам схемы проходит сигнал управления.
Функциональная схема состоит из задающего устройства ЗУ которое вырабатывает задающий сигнал по скорости. Этот сигнал поступает на усилитель регулятора скорости УС1, он усиливает сигнал. Усилителю УС1 подчинен контур регулирования тока который состоит из: Тр - трансформатора, который понижает напряжение с 0,66 кВ до 230 В, БОСТ - блока обратной связи по току и УС2 - регулятора тока. Выходной сигнал регулятора тока УС2 воздействует на систему импульсно - фазового управления СИФУ. СИФУ предназначена для преобразования постоянного управляющего напряжения, вырабатываемого системой автоматического регулирования, в последовательность прямоугольных управляющих импульсов соответствующей фазы, подаваемых на управляющие переходы тиристоров. Тиристорный преобразователь ТП работает в режиме управляемого выпрямителя и подводит выпрямленное напряжение к якорю двигателя. Обмотка возбуждения двигателя ОВД запитывается от независимого источника питания ИПОВД. Вращение двигателя Д передаётся на механизм МЕХ. Частота вращения двигателя контролируется датчиком скорости ДС. Датчик скорости вырабатывает ЭДС которая в виде сигнала Uоc по обратной связи поступает на элемент сравнения С1, где происходит сравнение входного сигнала Uвх с сигналом поступающему по обратной связи
Uоc: ΔU = Uвх – Uос.
Если есть разность между входным сигналом и сигналом поступающему по обратной связи, то происходит корректировка частоты вращения двигателя.
Рис. 1 - Функциональная схема электропривода
РС- регулятор скорости;
РТ- регулятор тока;
ДТ- датчик тока;
ДС- датчик скорости;
М- двигатель постоянного тока;
ТП- тиристорный преобразователь.
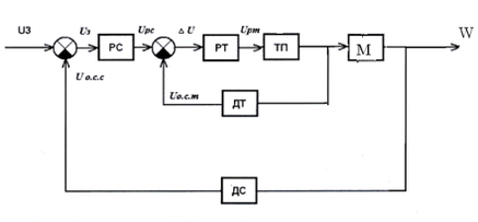
2. Разработка структурной схемы САУ
В расчетных системах управления ЭП для повышения диапазона регулирования и качества динамических процессов применяют различные структуры построения регуляторов, используются различные обратные связи.
Для статического и динамического расчета САУ необходимо составить структурную схему, на которой все элементы системы нужно представить их передаточными функциями. Это двигатель, ТП, регуляторы, датчики обратных связей (рисунок 6).
Рис. 2 -Структурная схема САУ
Передаточная функция ТП вместе с системой импульсно-фазового управления, как правило апроксируется апериодическим звеном первого порядка с постоянной времени Tmn в пределах времени 0,006-0,01 с, что обусловлено дискретностью подачи отпирающих импульсов и особенностью работы ТП.
Передаточная функция ТП имеет вид:
(5.1)
где Kmn - коэффициент передачи ТП.
Коэффициент передачи ТП изменяется в зависимости от величины управляющего напряжения и рассчитывается с использованием
регулировочных характеристик Ed0 = f(α).
, (5.2)
где ΔEd — относительное значение ЭДС тиристорного преобразователя, В;
ΔUy - относительное значение напряжения, В.
Электродвигатель постоянного тока при подключении обмотки возбуждения к постоянному напряжению, работает с постоянной магнитным потоком.
Передаточная функция имеет вид:
(5.3)
т.к. 4Тя>Тм,
Якорная цепь ДПТ описывается передаточной функцией:
(5.0)
где Еn - ЭДС преобразователя. В;
Едв - ЭДС двигателя, В.
Передаточная функция механической цепи ДПТ:
(5.5)
Поведение угловой скорости вращения описывается передаточной функцией электромеханического преобразователя в соответствии с основным уравнением движения ЭП:
(5.6)
Коэффициент обратных связей рассчитывается по формулам:
Коэффициент обратной связи по скорости Кос определяется по формуле:
(5.7)
где
= 10 В — максимальное напряжение управления;
- максимальная скорость механизма, рад/с.
(5.8)
Коэффициент обратной связи по току Кот:
Кот = Кдт ∙ Кш = 102,04∙0,0006 = 0,061 (5.9)
где Кдт - коэффициент датчика тока;
(5.10)
где Кш - коэффициент шунта.
Выбран шунт: тип 75 ШСН-5;
Номинальный ток: Iнш = 75А;
Номинальное падение напряжения: Uнш= 0,045 В.
Коэффициент шунта Кш определяем по формуле:
, (5.11)
Коэффициент обратной связи по напряжению Кон:
(5.12)
Выходной координатой объекта управления является угловая скорость вращения ωо, а промежуточными: якорный ток, ЭДС двигателя, напряжение якорной обмотки, электромагнитный момент, магнитный ток.
3. Синтез CAУ
Для обеспечения требуемых статических и динамических параметров определим структуру системы.
Поскольку необходимо регулировать скорость и требуется динамика, то система должна иметь контур скорости и контур тока. Настройку контура обычно производят так, чтобы получить технически оптимальный переходный процесс, т.е. настройка на технический оптимум.
3.1 Расчет контура тока
Регулятор тока организован по ПИ-закону управления с настройкой на модульный оптимум. Регулятор для обеспечения требуемых динамических параметров должен компенсировать электромагнитную постоянную Тя, а также малую постоянную времени контура тока Т01 (рисунок9).
Рис. 3- Структурная схема по току
Передаточная функция регулятора тока имеет вид:
(6.1)
где Крm - пропорциональная часть регулятора тока;
- постоянная времени регулятора тока.
(6.2)
(6.3)
где
- малая постоянная времени токового контура.
Тот = 2 ∙ Ттп = 2 ∙ 0,01 = 0,02 с, (6.4)
Согласно рисункам 4 и 5 запишем уравнения соответствия
динамических параметров системы и физических параметров схемы реализации:
Рис. 4 -Структурная схема РТ Рис. 5- Принципиальная схема РТ
Зададимся емкостью конденсатора Cост = 1 мкФ = 0,000001 Ф, тогда согласно уравнению 2 системы 6.5, сопротивление Rост составит:
, (6.6)
Представив значение Сост = 1 мкФ в уравнение 3 системы 6.5, найдем сопротивление Rзт по формуле:
(6.7)
Подставив значение Rзт в 1 - е уравнение системы 6.5, получим, что сопротивление Rт составит:
(6.8)
Характеристики
Тип файла документ
Документы такого типа открываются такими программами, как Microsoft Office Word на компьютерах Windows, Apple Pages на компьютерах Mac, Open Office - бесплатная альтернатива на различных платформах, в том числе Linux. Наиболее простым и современным решением будут Google документы, так как открываются онлайн без скачивания прямо в браузере на любой платформе. Существуют российские качественные аналоги, например от Яндекса.
Будьте внимательны на мобильных устройствах, так как там используются упрощённый функционал даже в официальном приложении от Microsoft, поэтому для просмотра скачивайте PDF-версию. А если нужно редактировать файл, то используйте оригинальный файл.
Файлы такого типа обычно разбиты на страницы, а текст может быть форматированным (жирный, курсив, выбор шрифта, таблицы и т.п.), а также в него можно добавлять изображения. Формат идеально подходит для рефератов, докладов и РПЗ курсовых проектов, которые необходимо распечатать. Кстати перед печатью также сохраняйте файл в PDF, так как принтер может начудить со шрифтами.
















