125972 (690807)
Текст из файла
Зміст
Вихідні дані
Вступ
1. Енергосиловий та кінематичний розрахунок
1.1 Визначення потрібної потужності привода
1.2 Вибір електродвигуна
1.3 Кінематичний та силовий розрахунок привода
2. Розрахунок клинопасової передачі
3. Розрахунок черв’ячної передачі
3.1 Вибір матеріалу
3.2 Допустимі напруження
3.3 Проектний розрахунок
3.4 Перевірний розрахунок
4. Проектування валів
4.1 Розрахунок валів з умови кручення
4.2 Вибір типа та схеми розташування підшипників
4.3 Ескізна компоновка редуктора
4.4 Вибір матеріалу валів
4.5 Розрахунок валів на статичну міцність та опір втомі та розрахунок підшипників на витривалість
5. Розрахунок з’єднань
5.1 Шпонкові з’єднання
5.2 З’єднання з натягом
6. Тепловий розрахунок редуктора
7. Остаточна компоновка редуктора
8. Пристрої для натягу пасу передач та рама привода
Література
Вихідні дані
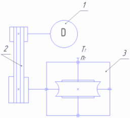
Завдання ДМ 4.2-3
Склад привода: 1 – електродвигун; 2 – клинопасова передача; 3 – редуктор черв’ячний
Обертовий момент Тт=255Нм
Частота обертання nт=75 хв-1
Термін використання L=6років
Коефіцієнти використання – річний Кр=0,55, добовий Кд=0,75, перевантаження ψ=1,8
Вступ
Значення машин для людського суспільства надзвичайно велике. Машини максимально підвищують продуктивність праці, сприяють поліпшенню якості продукції, що виготовляється, і зниженню її собівартості. У сучасній промисловості машинобудуванню належить провідна роль, оскільки на базі машинобудування розвивається решта всіх галузей промисловості, будівництва і сільського господарства. Рівень виробництва машин, ступінь їх технічної досконалості - основні показники розвитку всіх галузей народного господарства, основа технічного прогресу держави і добробуту суспільства.
Всяка машина складається з деталей. Деталь - виріб, виготовлений з однорідного по найменуванню і марці матеріалу без застосування складальних операцій (вал, гайка, кришка і т.п.). Комплекс спільно працюючих деталей, об'єднаних загальним призначенням і по конструкції тих, що є відособлену одиницю, називається складальною одиницею (муфта, редуктор, рама). Складальні одиниці і деталі, у свою чергу, утворюють комплекси (намотувальний пристрій, транспортер, робоча кліть). Деталі, складальні одиниці і комплекси утворюють готові вироби, що підлягають виготовленню (прокатний стан, продольно-строгальний верстат).
При конструюванні і виготовленні нових машин економічні показники повинні завжди стояти на одному з перших місць. Вартість машини, визначувана витратами на матеріали, виготовлення і збірку, повинна бути мінімальною. Габарити і маса машини в значній мірі визначаються її кінематичною схемою і компоновкою складників. Компоновка деталей і вузлів повинна бути такій. щоб можливо більш повно використовувався робочий простір несучих деталей (рам, станин, корпусів).
Величезне значення для здешевлення машин при одночасному підвищенні якості має стандартизація. Широке впровадження взаємозамінних деталей машин значно полегшує збірку машин і дозволяє використовувати для їх виготовлення більш передові методи масового і потокового виробництва, що дозволяє отримати великий економічний ефект.
Автоматизація роботи машини не тільки сприяє підвищенню продуктивності, поліпшенню якості роботи, але і до мінімуму знижує вплив людського чинника.
1. Енергосиловий та кінематичний розрахунок
1.1 Визначення потрібної потужності привода
При довгостроковому постійному або незначному змінному навантаженні, яке притаманне компресорам, конвеєрам, транспортерам та іншим механізмам, розрахункова потужність електродвигуна Р'д (кВт) привода визначається через потужність на вихідному валу привода Рт (кВт), яка може бути задана або визначена по тяговому зусиллю F (Н), коловій швидкості стрічки V (м/с), або обертовому моменту Тт (Нм), кутовій швидкості вала ωт хв-1.
(1.1)
де
РТ=1,047·10-4·255·75=2,0 кВт
η– загальний ККД привода
(1.2)
де η1, η2 – ККД окремих передач привода
ηп, ηпк – ККД відповідно пасової передачі та підшипників кочення однієї пари
k – число валів або пар підшипників
η1=0,95; η2=0,8; ηп=0,98; ηпк=0,99; k=3
η=0,95·0,8·0,98·0,993=0,72
кВт
1.2 Вибір електродвигуна
Для привода конвеєра і інших механізмів широко використовують асинхронні коротко замкнуті електродвигуни серії 4А виконання М1081, М1081 по ГОСТ 19523-81 потужністю від 0,55 до 30кВт та синхронними частотами обертання ротора nдс від 750 до 3000 хв-1
перенавантаження дорівнює:
(1.3)
що перевищує 12% які допустимі при змінному навантаженні привода. Тому вибираємо двигун з потужністю Рд=3кВт
При сталій потужності двигуна із збільшенням частоти обертання його розміри, маса та вартість зменшуються, а ККД зростає. Однак із збільшенням частоти обертання, робочий ресурс двигуна зменшується, а передаточне число привода, його маса, габаритні розміри і вартість зростають. Для приводів загального призначення, якщо немає спеціальних вказівок, перевагу слід віддати двигунам з частотою обертання 1500 та 1000хв-1.
Вибираємо nсд=1000хв-1, це двигун 1М1081 4А112М6У3, потужністю Рд=3кВт з частотою обертання nд= 950хв-1, коефіцієнтом пускового та максимального перенавантаження ψпуск=2,0; ψmax=2,2(ГОСТ 19523-81)
Мал. 1.1. Ескіз електродвигуна
d30=260мм
l1=80мм
l30=452мм
d1=32мм
b1=10мм
h1=8мм
l10=140мм
l31=70мм
d10=12мм
b10=190мм
h=112мм
h10=12мм
h31=310 мм
1.3 Кінематичний та силовий розрахунок привода
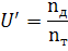
Розрахункове загальне передаточне число привода U' визначаємо із співвідношення частот обертання вала двигуна nд та вихідного вала привода nд:
(1.4)
Виходячи із розрахункового значення загального передаточного числа U'=U'п·U'р визначимо попереднє передаточне число редуктора:
(1.5)
Вибираємо передаточне число клинопасової передачі по ГОСТ 17383-73 Uп=2
Узгодимо передаточне число редуктора з нормальним рядом чисел по ГОСТ 2144-76: Up=6,36
Загальне передаточне число привода
UП= U/ Up=12,73/6,3=2,0
U= UП· UТ=6,3·2,0=12,6
Відхилення передаточного числа не повинно перевищувати 4%
(1.6)
Визначимо частоти обертання валів привода, потужностей та обертових моментів, що передаються валами
а) Вал електродвигуна – вал ведучого шківа пасової передачі:
Навантаження розрахункове
Потужність РД=2,78
Частота обертання nсд=1000хв-1
Обертовий момент Тд
(1.7)
б) Вхідний вал редуктора – вал веденого шківа пасової передачі – вал черв’яка редуктора:
Рш=Р'д·ηп·ηпк=2,78·0,95·0,99=2,61 кВт
(1.8)
хв-1
Тш=Тд·Uп· ηп·ηпк=27,8·2,0·0,95·0,99=52,3 Н·м
в) Тихохідний вал редуктора – вал черв’ячної шестерні:
Рт=Рш·η1·ηпк=2,61·0,95·0,99=2,45 кВт
(1.9)
хв-1
Тт=Тш·Uш· η1·ηпк=52,3·6,3·0,95·0,99=310 Нм
Ресурс роботи привода
t∑=L·365·k·24·kc (1.10)
t∑=8·365·0,55·24·0,75=28908 годин
Таблиця 1.1 Розрахункові дані параметрів привода.
| Номер вала | Частота обертання, хв-1 | Потужність, кВТ | Обертовий момент, Н·м | Передаточне число |
| D | nад=955 | Рд′=2,78 | Тд=27,8 | Uп=2,0 |
| Ш | nш=477,5 | Рш=2,61 | Тш=52,3 | |
| Т | nт=75,8 | Рт=2,0 | Тт=310 | Uт=6,3 |
2. Розрахунок клинопасової передачі
Вибираємо переріз пасу А, тому мінімальний діаметр ведучого шківа dmin=90мм. Для підвищення довговічності пасу діаметр ведучого шківа приймаємо D1=112мм.
Розрахуємо розрахунковий діаметр веденого шківа
D'2=D1·U=112·2=224мм (2.1)
Зі стандартного ряду вибираємо D2=224мм
Розрахуємо колову швидкість паса
(2.2)
м/с
Шківи виготовляємо з чавуну СЧ15 т.к. колова швидкість V<30м/с
Розрахуємо орієнтовану міжосьову відстані. Двигун встановлюємо на полозки, тому
а=1,5(D1+D2)=1,5(112+224)=504мм
Знайдемо потрібну довжину пасу
(2.3)
мм
Приймаємо стандартну довжину пасу Lp=1600мм
Розрахуємо дійсну міжосьову відстань, яка відповідає прийнятій стандартній довжині пасу:
(2.4)
де Δ1=0,5π(D1+D2)=0,5·3,14(112+224)=527
та Δ2=0,25(D2-D1)2=0,25(224-112)2=3136
тому
мм
Для регулювання міжосьовий відстані застосовуємо установку двигуна з ведучим шківом на полозках враховуючи що:
для установки та зміни пасів повинна бути передбачена можливість зменшення міжосьової відстані на 2% від довжини пасу, тобто 20мм;
для компенсації відхилень від номіналу довжин пасів і його витяжки за час експлуатації повинна бути передбачена можливість збільшення ад на 6% від довжини пасу.
Визначимо кут обхвату на ведучому шківі
(2,5)
Знайдемо число пробігів пасу
(2.6)
де
=20с-1 – допустиме число пробігів пасу
- умова виконується.
Розрахуймо допустиму потужність при заданих умовах роботи передачі для одного клинового пасу
(2.7)
де Р0 – допустима потужність для одного паса певного перерізу у дослідних умовах (D1=D2;α1=α2=180°, базова довжина пасу L0 та спокійне навантаження)
Обираємо Р0=1,15 (при типі пасу А, базовій довжині пасу L0=1700мм, діаметрі шківа D1=112мм )
Cα – коефіцієнт, що враховує вплив кута обхвату на тягову здатність;
Са=1-0,003(180°-а1)
Са=1-0,003(180°-168°)=0,964
СL – коефіцієнт, що враховує вплив довжини пасу на довговічність;
(2.8)
ΔPзг – поправка, що враховує зменшений вплив напружень згину пасу на веденому шківі на довговічність із збільшенням передаточного числа
(2.9)
де ΔТЗГ – поправка до моменту на ведучому шківі, який може передати пас за рахунок зниження напружень згину на веденому шківі в залежності від передаточного числа.
ΔТЗГ=1,1
∆Рзг=10-4·1,1·477,5=0,052
Cр – коефіцієнт режиму роботи Ср=0,8
кВт
Визначаємо необхідне число клинових пасів
(2.10)
де Р1 – потужність на ведучому шківі
Сz – коефіцієнт числа пасів у комплекті Сz=0,95
Приймаємо Z=4шт.
Визначаємо навантаження на вал:
(2.11)
де F0 – сила попереднього натягу паса з урахуванням додаткового натягу паса від відцентрових сил
(2.12)
де qm – маса 1м довжини паса qm=0,105кг/м (переріз А)
Розрахуємо колову силу
(2.13)
Перевіримо міцність пасу за умовою:
де σmax – максимальне напруження пасу
[σ]р =10МПа – допустиме напруження пасу
(2.14)
де σр – напруження розтягу (з урахуванням напружень від дії відцентрових сил)
σЗГ1 – напруження згину
(2.15)
де А – площа перерізу пасу А=81мм2
МПа
(2.16)
де ЕЗГ=100МПа – модуль пружності матеріалу пасу при згинанні
у0=2,8мм (для перерізу А)
МПа
Розрахуємо ресурс передачі
(2.17)
де σlim=9…10МПа – обмежена границя витривалості пасу при базі випробувань N0=107 циклів навантажень
m=8 – показник ступеня кривої втоми
СЗГ – коефіцієнт, що враховує різний ступінь впливу напружень згину у пасі на ведучому та веденому шківах
(2.18)
Zш=2 – число шківів в передачі;
[th]=1000год. – мінімальний ресурс передачі.
3. Розрахунок черв’ячної передачі
3.1 Вибір матеріалу
Черв’яки виробляють зі сталей, які дозволяють отримати після термообробки велику міцність (Н ≥ 45HRC) робочих поверхонь витків, наприклад, сталь 45, 40Х, 40ХН, 12Х2Н4А та інші. Черв’ячні колеса виготовляють із бронзи і чавунів. Матеріал черв’ячного колеса назначаємо в залежності від швидкості ковзання. Швидкість ковзання.
,м/с (3.1)
де n1 – частота обертання черв’яка, об/хв.; Т2Н – обертовий момент, Н·м.
n1 = 477,5 об/хв., Т2Н = 310 Н·м.
м/с
Так как 5 >
> 1м/с – матеріал черв’ячного колеса безоловяніста бронза (Бр. АЖ 9-4)
σ
=400 МПа,
σТ = 200 МПа.
3.2 Допустимі напруження
Допустимі напруження для сірого чавуна
(3.2)
МПа
Допустимі напруження при згині для колеса
3.3 Проектний розрахунок
Розраховуємо міжосьову відстань за формулою:
,мм (3.3)
де q – коефіцієнт діаметру черв’яка, приймаємо q=10 ;
Z2 – число зубів черв’ячного колеса.
При
≤ 3 м/с
=1,0
Відносно "U" призначаємо z1 так, щоб витримати z1=1, 2, 4; 28 ≤ z2 ≤ 63 ( 80 ); U=12,6 (вихідні дані).
Принимаем U=12,5; z1=4
Розраховуємо число зубів черв’ячного колеса за формулою:
z2=U · z1 (3.4)
z2=12.5 · 4 = 50
28<50<63 – умова виконується.
мм
Узгоджуємо
по ГОСТ 2144-76
Приймаємо
= 50 мм.
Характеристики
Тип файла документ
Документы такого типа открываются такими программами, как Microsoft Office Word на компьютерах Windows, Apple Pages на компьютерах Mac, Open Office - бесплатная альтернатива на различных платформах, в том числе Linux. Наиболее простым и современным решением будут Google документы, так как открываются онлайн без скачивания прямо в браузере на любой платформе. Существуют российские качественные аналоги, например от Яндекса.
Будьте внимательны на мобильных устройствах, так как там используются упрощённый функционал даже в официальном приложении от Microsoft, поэтому для просмотра скачивайте PDF-версию. А если нужно редактировать файл, то используйте оригинальный файл.
Файлы такого типа обычно разбиты на страницы, а текст может быть форматированным (жирный, курсив, выбор шрифта, таблицы и т.п.), а также в него можно добавлять изображения. Формат идеально подходит для рефератов, докладов и РПЗ курсовых проектов, которые необходимо распечатать. Кстати перед печатью также сохраняйте файл в PDF, так как принтер может начудить со шрифтами.















