125918 (690758), страница 2
Текст из файла (страница 2)
Таблица 5.6.1. Программируемый счётчик
Таблица 5.6.2. Выбор входов и коэффициента деления счётчика
Таблица 5.6.3. Рабочие состояния счётчика ИС К564ИЕ15.
Микросхема представляет собой программируемый счётчик-делитель с коэффициентом деления №3…21327 с дискретом, равным единицы.
Счётчик может работать в двух режимах деления и однократного счёта. Режим деления представляет собой режим, когда на выходе образуются импульсы с частотой fвх/N и длительностью, соответствующей периоду поступающей частоты fвх. Режим однократного счёта представляет собой режим, когда после поступления на вход запрограммированных N импульсов на выходе микросхемы появляется сигнал высокого уровня, не меняющийся с приходом последующих тактовых импульсов.
Микросхема состоит из четырёх счётных секций: основной считывающей, состоящей из подсекции модуля и остатка и подсекции тысяч, секции единиц, секции десятков и секции сотен. Каждая секция представляет собой четырёхразрядный счётчик с предварительной установкой, работающей на вычитание.
Работа микросхемы описывается следующим выражением:
(5.6.1)
Где N‑коэффициент деления, М-модуль устанавливаемый по входам Ka, Kb, Kc; P1‑множитель тысяч, устанавливается входами J1‑J4; P2, P3, P4 – множители сотен, десятков, единиц, каждый устанавливается соответствующей четвёркой входов J13‑J16, J9‑J12, J5‑J8; P5‑остаток, устанавливаемый входами J1‑J4.
Модуль М предназначен для быстрого ступенчатого изменения частоты в 10; 12,5; 20; 25; и 50 раз и может принимать значения соответственно 2, 4, 5, 8, 10. Числа Р1‑Р4 могут быть представлены как в десятичной, так и в шестнадцатеричной системе счисления. При задании этих чисел десятичным кодом наибольший коэффициент деления N=15999. Для ввода в микросхему числа Р1‑Р5 должны быть представлены в двоичном коде. Микросхему можно представить как два последовательных вычитающих счётчика. Первый счётчик (подсекция модуля и остатка) осуществляет деление на М, второй делит импульсы частоты fвх/M на число, равное выражению в скобках.
С началом счёта в подсекцию модуля и остатка вводится число, равное модулю, и в ходе счёта на выходе подсекции возникают импульсы с частотой fвх/M, пока не окончится счёт вторым счётчиком, что имеет место, когда текущее число станет равным 1. В это время происходит перезапись исходного числа N во все разряды счётчика, после чего начинается новый цикл счёта.
Для установки микросхемы в исходное состояние необходим режим предварительной установки Kb=Kc=0 не менее трёх полных периодов тактовой частоты.
Коэффициент деления делителя частоты
при последовательном включении выбранных микросхем определится из соотношения
, где
и
– коэффициенты деления частоты для первой и второй последовательно включенных микросхем, определяемые соотношением:
Примем
тогда
Распишем коэффициенты
. Из выражения 5.6.3 для получения необходимых величин
и
:
М1=5; р1.1=2; р2.1=0; р3.1=0; р4.1=0; р5.1=0;
М2=2; р1.2=0; р2.2=3; р3.2=0; р4.2=0; р5.2=0;
Исходя из полученных коэффициентов согласно таблицам 5.6.2 и 5.6.3, определим состояния установочных входов для обеих микросхем:
Для создания уровня логического нуля вывод микросхемы необходимо соединить с общей шиной, а для создания уровня логической единицы вывод микросхемы следует подключить к источнику питания через резистор сопротивлением 10 кОм.
Выбор датчика скорости потока жидкости.
В качестве датчика скорости потока жидкости, удовлетворяющему техническому заданию, используем датчик объёмного расхода жидкости турбинный типа ДОРТ‑3 [7]. Схематическая конструкция датчика изображена на рис. 5.7.1:
Рис. 5.7.1 Схематическая конструкция датчика
Он состоит из трубы из немагнитного материала, по которой протекает жидкость. В трубе расположена на оси турбинка с несколькими магнитными лопастями, а с наружи трубы располагаются герконовые контакты. При прохождении магнитной лопасти рядом с герконом контакт замыкается. Таким образом, чем больше скорость потока жидкости, тем больше частота вращения турбинки, и тем больше частота замыканий герконовых контактов.
Расчёт поверочного устройства.
Для переключения устройства в режим поверки используем ключ. Поверочный индикатор тактовых импульсов (Gобр) должен быть рассчитан таким образом, чтобы в режиме «поверка» на индикаторах отображалось показание «888.88». Примем, что ПЗУ будет запрограммирован таким образом, что заданное число будет высвечиваться при числе импульсов Nобр=51. Исходя из этого определим период генерации импульсов образцового генератора:
Поверочный генератор импульсов с точной выдержкой спроектируем на основе интегрального таймера типа КР1006ВИ1 [5].
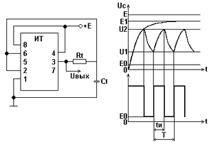
Одна из распространенных схем автоколебательного мультивибратора приведена на рис. 5.8.1
Рис. 5.8.1 Автоколебательный мультивибратор.
До включения источника питания Е конденсатор был разряжен. После включения источника в первый момент конденсатор остаётся разряженным, и напряжение на нём, а следовательно, и на соединённых между собой контактах 2 и 6 интегрального таймера равно 0. При этом напряжение на контакте на контакте 2 (нулевое) оказывается меньше порогового уровня U1, компаратор DA2 включается, вырабатывая выходной сигнал, воздействующий на вход R триггера. На выходе триггера устанавливается сигнал логического нуля, на выходном контакте 3 интегрального таймера – сигнал логической 1, то есть с уровнем Е1. Выходное напряжение +Е1 начинает заряжать конденсатор Сt через резистор Rt с постоянной времени τ=RtCt (предполагается что выходное сопротивление инвертора DD1 существенно меньше Rt). Когда напряжение на С1 перейдёт пороговый уровень U1, компаратор DA2 выключится. Однако RS‑триггер останется в том же положении, так как сигнал на его установочный вход S ещё не поступил. Заряд конденсатора продолжается. Когда напряжение на конденсаторе Ct, а следовательно, и на контакте 6 таймера превысит уровень U2, включается компаратор DA1 и выходной сигнал с него поступает на вход S триггера и переключает его в состояние логической 1 на выходе. На контакте 3 интегрального таймера устанавливается логический 0 (E0). Конденсатор Ct начинает разряжаться через резистор Rt от напряжения U2 к уровню E0. Когда напряжение снизиться до U1, произойдёт очередное переключение выходного напряжения.
Графики напряжения на конденсаторе Ct и выходном контакте 3 интегрального таймера показаны на рис. 5.8.1
Считая, что длительность выходного импульса соответствует сигналу логической единицы на контакте 3, определим длительность выходного импульса. Учитывая экспоненциальный характер изменения напряжения на конденсаторе Ct при его зарядке, не сложно получить выражение:
Промежуток времени между выходными импульсами:
Для точной оценки периода колебаний используется выражение:
Времязадающий конденсатор выберем типа К10–170–25В‑0.047мкФ[4].
Из выражения 5.8.3 определим величину сопротивления времязадающего резистора:
В качестве времязадающего резистора выбираем подстроечный многообратный резистор с разрешающей способностью δR=0.1% типа СП5–2ВА‑0.5–24кОм±10% [4].
Выбор других логических микросхем
В качестве логических элементов «И» рис. 3.1 используем микросхему типа К561ЛА7 с последовательным включением элементов.
Для соединения измерителя с датчиком скоростью и питающем напряжением используем разъём типа ГРПМ[4].
5. Оценка погрешности измерения
Заданная точность измерения обеспечивается разрядностью счётчика импульсов. Поскольку генератор опорных импульсов спроектирован с использованием кварцевого резонатора, то погрешность измерения не превысит заданной точности.
Заключение
Разработанное устройство (измеритель скорости потока жидкости), предназначенное для контроля расхода жидкости в закрытых и открытых системах её циркуляции, позволяет измерять скорость потока жидкости в пределах от 1 до 100 м/с.
В целях обеспечения точности, надёжности работы устройства и его простоты, большинство узлов выполнено в интегральном исполнении. При этом суммарная погрешность измерения не превышает 2%.
Список литературы
-
В.А. Скворцов, А.В. Топор, Электронные цепи и микро – схемотехника. Часть II: Методические указания к курсовому пректу. – Томск ТУСУР, 2007. – 31 с.
-
Б.Л. Лисицын. Отечественные приборы индикации и их зарубежные аналоги: Справочник. – М.: Радио и связь, 1993–432 с.
-
Б.В. Тарабрин, Л.Ф. Лунин, Ю.Н. Смирнов и др. – М.: Радио и связь, 1983. – 528 с.
-
Н.Н. Акимов, Е.П. Ващуков, В.А. Прохоренко, Ю.П. Ходорёнок – Резисторы, конденсаторы, трансформаторы, дроссели, коммутационные устройства РЭА Мн.: Беларусь, 1994–591 с.
-
В.М. Герасимов, В.А. Скворцов. Электронные цепи и микросхемотехника. Краткий курс лекций для студентов специальности «Промышленная электроника». – Томск: ТУСУР, 1998–176 с.
-
Г.И. Пухальский, Т.Я. Новосельцева. Проектирование цифровых устройств на интегральных микросхемах: Справочник. – М.: Радио и связь, 1990–304 с.
-
В.Э. Низэ, И.В. Антика. Справочник по средствам автоматики. – М.: 1983–504 с.















