125918 (690758)
Текст из файла
Федеральное агентство по образованию РФ
ТОМСКИЙ ГОСУДАРСТВЕННЫЙ УНИВЕРСИТЕТ СИСТЕМ УПРАВЛЕНИЯ И РАДИОЭЛЕКТРОНИКИ (ТУСУР)
Кафедра промышленной электроники (ПрЭ)
ИЗМЕРИТЕЛЬ СКОРОСТИ ПОТОКА ЖИДКОСТИ
2009
Содержание
Введение
-
Анализ технического задания
-
Разработка структурной схемы устройства
-
Выбор элементной базы
-
Расчёт и выбор элементов электрической принципиальной схемы устройства
-
Оценка погрешности измерения
Заключение
Список литературы
Введение
В данном курсовом проекте решается задача синтеза, то есть проектирования электронного устройства заданного функционального назначения и расчёта параметров элементов выбранной схемы, удовлетворяющие заданным требованиям технического задания.
Процесс проектирования всегда связан с выбором оптимального варианта из нескольких возможных, то есть устройство должно быть как можно меньших размеров, обеспечивать высокую точность, минимальные затраты на его производство. Анализ электронных схем показывает, что построить измерительные устройства, одновременно удовлетворяющие требованиям минимума массы и габаритных размеров, высокого качества и быстродействия измерения при высоких энергетических показателях, невозможно из-за ограничений, присущих используемым методом.
Данное устройство рассчитано на высокую точность (порядка 2%), лёгкость в понимании работы и настройки измерительного устройства.
1. Анализ технического задания
Целью анализа технического задания является, прежде всего, определение его некоторых моментов, без которых невозможно осуществить дальнейшее проектирование. При анализе данного технического задания следует выбрать объект измерения.
Точность измерения минимальной скорости потока в абсолютных единицах составляет:
Исходя из измеряемого диапазона, определим минимальную и максимальную частоту замыканий датчика и соответствующие этим частотам интервалы времени:
При определении частоты замыканий и размыканий датчика за определённый период времени заданная точность измерения не будет достигнута. Поэтому в качестве объекта измерения необходимо выбрать интервал между замыканиями контактов, и затем этот интервал будет преобразован в скорость потока жидкости с выводом показаний на индикаторы.
2. Разработка структурной схемы устройства
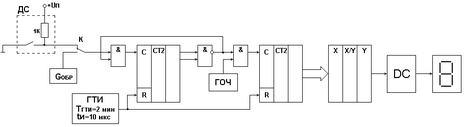
Структурная схема измерителя скорости потока жидкости, основанная на анализе технического задания, изображение на рис. 3.1
Рис. 3.1 Структурная схема измерителя скорости потока жидкости.
Схема основана на измерении числа импульсов с генератора опорной частоты (ГОЧ) за 3 срабатывания датчика скорости с помощью двоичного счётчика импульсов СТ2, и дальнейшем их усреднении и преобразовании среднего значения в код индикации с помощью преобразователя (X/Y) и выдачи на устройство индикации отбор 3‑х импульсов датчик скорости (ДС) осуществляется с помощью двоичного счётчика СТ1 и элементов «И-НЕ» и «И». После прохождения 3‑х импульсов СТ1 элемент «И» запирается и импульсы ДС не поступают. В схеме должен быть предусмотрен генератор тактовых импульсов (ГТИ) с периодом импульсов Тгти=2 мин. и временем импульса tимп=10 мкс., необходимым для сброса счётчиков. При этом после каждого импульса счётчики сбрасываются, замер происходит за время не более
, а остальное время до 2‑х минут новые показания высвечиваются на устройстве индикации. Для проведения поверки в схеме предусмотрен ключ (К) и поверочный генератор импульсов Gобр. При нажатии ключа вход устройства переключается с датчика скорости на выход поверочного генератора Gобр. Примем, что частота импульсов поверочного генератора должна быть рассчитана таким образом, чтобы за 3 его импульса на индикаторах появилось число «888.88».
Временные диаграммы, поясняющие работу устройства, приведены на рис. 3.2:
3. Выбор элементной базы
После выбора и обоснования структурной схемы заданного электронного устройства необходимо сделать выбор элементной базы. В первую очередь необходимо решить о типе элементной базы, наиболее подходящем для проектируемого электронного устройства.
1) Только ИМС (интегральные микросхемы);
2) Только ДЭ (дискретные элементы);
3) ИМС и ДЭ (смешанный тип элементной базы);
Наиболее подходящим для проектирования заданного измерителя является первый тип «только ИМС».Практически же устройство, построенное на ИМС, всегда имеют некоторое количество дискретных элементов, которые выполняют вспомогательные функции.
Далее необходимо составить перечень критериев в приоритетном порядке для выбора, как дискретных элементов, так и микросхем. Критерии и их приоритеты определяются, в первую очередь, условиями технического задания, а также другими задачами, решаемыми при проектировании электронных устройств или иного направления. Так, например, при проектировании устройств измерительной электроники решаются задачи увеличения точности показаний устройства, уменьшения его погрешности, массы, габаритов, стоимости.
Исходя из выше изложенного, составим перечень критериев в приоритетном порядке для выбора интегральных микросхем:
1) Минимальное энергопотребление;
2) Минимальные габариты;
3) Минимальная масса;
4) Минимальная стоимость;
Наименьшим потреблением мощности обладают микросхемы КМОП серий, поэтому при проектировании измерителя будем опираться на микросхемы именно этой серии, рассчитанных на напряжение питания 9 В. Выбор ИМС будет осуществлён при непосредственном расчёте электрической принципиальной схемы.
Составим перечень критериев в приоритетном порядке для выбора дискретных элементов:
1) Минимальные габариты корпуса;
2) Минимальная масса;
3) Минимальная цена;
Выбор дискретных элементов также будет осуществлён при непосредственном расчёте электрической принципиальной схемы устройства.
4. Расчёт и выбор элементов электрической принципиальной схемы устройства
Устройство индикации.
Для индикации показаний скорости потока жидкости используем семисегментные индикаторы типа АЛС324А с типовой схемой включения [2]. Индикатор имеет следующие параметры:
Номинальный ток свечения Iсв.ном.=10мА; Прямое падение напряжения на светодиоде при номинальном токе свечения ΔUсд=2В.
Для преобразования 4‑разрядного двоично-десятичного кода цифры в код индикации используем специализированные дешифраторы типа К561ИД4 с типовой схемой включения [3]. Для зажигания запятой в сегменте HG3 требуется подключить через токоограничивающий резистор Rсв к напряжению источника питания Uп=9В.
Определим сопротивление и мощность этого резистора:
По спр [4] выбираем резистор типа С2–23–0.125–680 Ом ±5%
Выбор счётчика опорных импульсов.
Для обеспечения заданной точности измерения период импульсов ГОЧ должен быть равен:
Исходя из величины
определим минимальные и максимальные число импульсов, поступающих на счётчик за один цикл измерения:
Определим разрядность счётчика импульсов ГОЧ:
14‑разрядный двоичный счётчик импульсов реализуем на основе каскадного включения микросхем типа К561ИЕ10 [3]. Одна микросхема содержит в себе два 4‑разрядных асинхронных счётчика. Для реализации 14‑разрядного двоичного счётчика потребуется две микросхемы.
Преобразователь кода.
В качестве преобразователя выходного кода счётчика в двоично-десятичный 5‑тетрадный код скорости потока жидкости используем постоянное запоминающее устройство (ПЗУ), запрограммировав его соответствующим образом. Разрядность входной адресной шины этого ПЗУ должна быть не ниже:
по разрядности счётчика импульсов ГОЧ, а разрядность шины выходных данных должна быть не ниже:
(по числу тетрад двоично-десятичного кода).
В качестве ПЗУ используем параллельное включение двух микросхем типа КР587РП1 с типовой схемой включения [3]. Эта микросхема является ПЗУ на основе программируемой логической матрицы (ПЛМ) с 14‑разрядной выходной шиной данных и с двумя адресными шинами 14‑разрядной и 4‑разрядной. Направление потока информации задаётся соответствующими управляющими сигналами.
Выбор счётчика импульсов датчика скорости.
Для счёта импульсов датчика скорости достаточно использование 2‑разрядного счётчика импульсов. Поэтому в качестве счётчика импульсов датчика скорости используем микросхему типа К561ИЕ10 [3]. Микросхема является 4‑разрядным счётчиком.
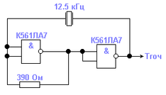
Расчёт генератора опорной частоты.
Как было вычислено выше, период импульсов ГОЧ должен быть равен
и для достижения заданной точности показаний также иметь не ниже заданной точности, поэтому генератор опорной частоты должен быть с кварцевой стабилизацией. Схема ГОЧ с кварцевой стабилизацией частоты изображена на рис. 5.5.1 [5].
Рис. 5.5.1 Схема ГОЧ с кварцевой стабилизацией частоты.
Период выходных импульсов ГОЧ определяется только частотой кварцевого генератора. Определим необходимую частоту кварцевого генератора:
Выбираем кварцевый резонатор типа РК‑169МА‑14БП‑12.5кГц-В [6].
В качестве элементов «И-НЕ» для ГОЧ используем микросхему типа К561ЛА7.
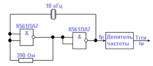
Расчёт и выбор элементов генератора тактовых импульсов.
Генератор тактовых импульсов (ГТИ) должен генерировать последовательность тактовых импульсов с периодом
и временем импульса
. Схему такого ГТИ спроектируем на основе генератора с кварцевой стабилизацией и делителя частоты. Функциональная схема такого ГТИ изображена на рис. 5.6.1:
Рис. 5.6.1 Функциональная схема ГТИ.
В качестве элементов «И-НЕ» для генератора с кварцевой стабилизацией частоты используем выше выбранную микросхему типа К561ЛА7. Определим выходную частоту генератора с кварцевой стабилизацией и частоту кварцевого резонатора:
Выбираем кварцевый резонатор типа РК‑169МЛ‑14БП‑100кГц-В [6].
Определим коэффициент деления делителя частоты:
Делитель частоты с данным коэффициентом деления спроектируем на основе последовательного включения двух микросхем программируемых счётчиков типа К561ИЕ15 [3].
Характеристики
Тип файла документ
Документы такого типа открываются такими программами, как Microsoft Office Word на компьютерах Windows, Apple Pages на компьютерах Mac, Open Office - бесплатная альтернатива на различных платформах, в том числе Linux. Наиболее простым и современным решением будут Google документы, так как открываются онлайн без скачивания прямо в браузере на любой платформе. Существуют российские качественные аналоги, например от Яндекса.
Будьте внимательны на мобильных устройствах, так как там используются упрощённый функционал даже в официальном приложении от Microsoft, поэтому для просмотра скачивайте PDF-версию. А если нужно редактировать файл, то используйте оригинальный файл.
Файлы такого типа обычно разбиты на страницы, а текст может быть форматированным (жирный, курсив, выбор шрифта, таблицы и т.п.), а также в него можно добавлять изображения. Формат идеально подходит для рефератов, докладов и РПЗ курсовых проектов, которые необходимо распечатать. Кстати перед печатью также сохраняйте файл в PDF, так как принтер может начудить со шрифтами.















