125665 (690629)
Текст из файла
Министерство образования Республики Беларусь
УО «Минский государственный автомеханический колледж»
2-37 01 06 «Техническая эксплуатация автомобилей»
Группа
ЭА-32
КУРСОВОЙ ПРОЕКТ
Техническая механика
Одноступенчатый горизонтальный цилиндрический
косозубый редуктор
ПОЯСНИТЕЛЬНАЯ ЗАПИСКА
Содержание
Введение
1. Выбор электродвигателя и кинематический расчёт
2. Расчёт зубчатой передачи
2.1 Выбор материалов и определение допускаемых напряжений
2.2 Проектировочный расчёт передачи на контактную усталость активных поверхностей зубьев
2.3 Проверочные расчёты передачи
2.4 Определение геометрических параметров колёс
2.5 Определение сил, действующих в зацеплении
3. Предварительный расчёт валов редуктора
3.1 Вал редуктора
3.2 Основные нагрузки, действующие на валы
3.3 Диаметры под подшипники и колесо
4. Конструктивные размеры зубчатой пары
5. Размеры элементов корпуса и крышки редуктора
6. Подбор подшипников
7. Проверка прочности шпоночных соединений
8. Уточнённый расчёт валов
8.1 Ведущий вал
8.2 Ведомый вал
9. Выбор посадок
10. Смазка редуктора
11. Описание конструкции и сборки редуктора
12. Технико-экономические показатели
Заключение
Список литературы
Введение
Одним из важнейших факторов научно-технического прогресса, способствующих скорейшему совершенствованию общественного производства и росту его эффективности, является проблема повышения уровня подготовки специалистов.
Решению этой задачи способствует выполнение курсового проекта по «Деталям машин», базирующегося на знаниях физико-математических и общетехнических дисциплин: математики, механики, сопротивления материалов, технологии металлов, черчения.
Объектом курсового проектирования является одноступенчатый редуктор-механизм, состоящий из зубчатой передачи, выполненный в виде отдельного агрегата и служащий для передачи вращения от вала двигателя к валу рабочей машины.
Назначение редуктора - понижение угловой скорости и соответственно повышение вращающего момента ведомого вала по сравнению с ведущим валом.
Редуктор проектируется по заданной нагрузке (моменту на выходном валу) и передаточному числу без указания конкретного назначения, что характерно для специализированных заводов, на которых организовано серийное производство редукторов.
-
Выбор электродвигателя и кинематический расчёт
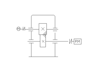
Составляем кинематическую схему
Определяем общий КПД редуктора
η = η3 · ηп2 [5,с.5]
где η3 –КПД пары зубчатых цилиндрических косозубых колёс;
η3 = 0,97 [5,с.5];
ηп –КПД, учитывающий потери в одной паре подшипников качения;
ηп = 0,99 [5,с.5];
η = 0,97•0,992 = 0,95
Определяем мощность на ведущем валу
η =Р2/Р1
Р1 =Р2/η
Р1= 3,84/0,95=4,04 кВт
Определяем частоту вращения ведомого вала
U=n1/n2
n1 = n2·U
n1=715·2=1430 мин-1
Подбираем электродвигатель по исходным данным, поскольку вал двигателя соединяется с быстроходным валом редуктора муфтой.
Р1=4.04 кВт;
n1=1430 мин-1.
Принимаем электродвигатель единой серии 4А тип …, для которого:
Рдв=4 кВт;
nдв=1430 мин-1;
dдв=28 мм.
Окончательно принимаем:
Р1=4 кВт; n1 =1430 мин-1.
Проверяем отклонение частоты вращения вала двигателя от заданной для быстроходного вала редуктора
(nдв – n1)/nдв· 100%
(1430-1430)/1430·100%=0%
Принимаем n1=1430 мин-1.
Определяем мощность на ведомом валу:
Р2 =Р1·η
Р2 = 4·0,95 =3,8 кВт
Уточняем частоту вращения ведомого вала редуктора
U= n1/n2
n2 = n1/U
n2 =1430/2=715 мин-1
Определяем вращающие моменты на ведущем и ведомом валах Те1 и Те2
Те1=9,55 · Р1/ n1
Те1=9,55·4·103=26,7 Нм
Те2=Те1·U·η
Те2=1,66·2·0,95=50,76 Нм
Задаём число зубьев шестерни Z1, с целью уменьшения шума принимаем Z1≥25[4,с.314].
Принимаем Z1=26.
Определяем число зубьев колеса Z2:
U= Z2/Z1
Z2 = U · Z1
Z2 =2·26=52
Задаёмся предварительно углом наклона зуба согласно рекомендации β =8º-20º для косозубых передач.
Принимаем β=10º.
2. Расчёт зубчатой передачи
2.1 Выбор материалов и определение допускаемых напряжений
2.1.1 Поскольку в проектном задании к редуктору не предъявляется жёстких требований в отношении габаритов передачи, а изготовление колёс осуществляется в условиях мелкосерийного производства, то выбираем материалы со средними механическими свойствами. С целью сокращения номенклатуры применяемых материалов принимаем для шестерни и колеса …, так как передаваемая валом мощность невелика и для достижения лучшей приработки твёрдость колёс должна быть не более 350НВ. Кроме того, редуктор должен быть общего назначения, а для таких редукторов экономически целесообразно применять колёса с твёрдостью меньшей или равной 350НВ. Учитывая, что число нагружений в единицу времени зубьев шестерни в передаточное число раз больше числа нагружений зубьев колеса, для обеспечения одинаковой контактной усталости, механические характеристики материала шестерни должны быть выше, чем у колеса.
НВ1=НВ2+(20…70) [6,с.48]
Чтобы этого достичь при одинаковых материалах, назначаем соответствующий режим термообработки, полагая, что диаметр заготовки шестерни не превысит 100мм, о колеса 300мм.
Шестерня: сталь 45, термообработка – улудшение
Принимаем: НВ1=190; σу=290 МПа; σu=570 МПа[5,с.34].
Колесо: сталь45; термообработка -нормализация
Принимаем: НВ2 =190; σу=290МПа; σu=570МПа[5,с.34].
НВ1 – НВ2 =210-190=20
что соответствует указанной рекомендации.
2.1.2 Определяем допускаемые контактные напряжения при расчете на контактную усталость
σнр =(( σнlim b· ZN )/SH)· ZR· ZV· ZL· ZX [1,с.14]
где σнlimb –предел контактной выносливости поверхности зубьев, соответствующий базовому числу циклов напряжений.
σнlimb = 2·НВ+70 [1,с.27],[5,c.34]
σн limb1 = 2·210+70=490 МПа
σн limb2 = 2·190+70=450 МПа
ZN –коэффициент долговечности, учитывающий срок службы передачи. Поскольку в проектном задании указано, что редуктор предназначен для длительной работы, то есть число циклов NN больше базового No, то ZN=1 [1,c.24],[5,с.33];
ZR –коэффициент, учитывающий шероховатость сопряженных поверхностей зубьев[1, c.25];
ZV –коэффициент, учитывающий влияние окружной скорости;
ZL –коэффициент, учитывающий влияние вязкости смазочного материала;
ZX –коэффициент, учитывающий размер зубчатого колеса.
ГОСТ 21357-87 рекомендует для колес d‹1000 мм принимать
ZR · ZV · ZL · ZX = 0,9 [1,с.57]
SH –коэффициент запаса прочности.
Для нормализованных и улучшенных сталей SН=1,1[1,с.24].
σнр1=401 МПа
σнр2=368 МПа
В качестве расчётного значения для косозубых передач принимаем:
σнр = 0,45 · (σнр1+σнр2) ≥ σнрmin [1,c.19]
σнр = 0,45·(401+368) =346 MПа
Проверяем соблюдение условия
σнр < 1,23 σнрmin [1,c.19]
1,23·368= 453 МПа > σнр
Принимаем σнр =368 МПа.
2.1.3 Определяем допускаемые напряжения изгиба при расчёте на усталость
σFP = σFlim b· YN /SFmin· YR · YX · Yδ [1,с.5]
где σFlimb –предел выносливости зубьев при изгибе, соответствующий базовому числу циклов напряжений.
σFlimb = 1,8 НВ [5,с.45]
σFlimb1 = 1,8·210=378 МПа
σFlimb2 = 1,8·190=342 МПа
SFmin –минимальный коэффициент запаса прочности;
SFmin =1,4…1,7[1,с.35].
Принимаем SFmin =1,7
YN –коэффициент долговечности, зависящий от соотношения базового и эквивалентного циклов;
YN =1[5,с.45];
YR –коэффициент, учитывающий влияние шероховатости переходной поверхности, он отличен от 1 лишь в случае полирования переходной поверхности;
YR =1[5,с.46];
YX –коэффициент, учитывающий размеры зубчатого колеса;
При dа≤300мм YX=...[5,с.46];
Yδ –опорный коэффициент, учитывающий чувствительность материала концентрации напряжений;
Yδ= 1 [1,с.124].
σFP1 = 378·1/1,7·1·1·1 =222 МПа
σFP2 =342·1/1,7·1·1·1 =201 МПа
2.2 Проектировочный расчёт передачи на контактную усталость активных поверхностей зубьев
2.2.1 Определяем ориентировочное значение делительного диаметра шестерни
[1,с.57]
где Кd –вспомогательный коэффициент;
Кd=67,5МПа1/3 для косозубых и шевронных передач [1,с.57];
Ψbd1 –коэффициент ширины шестерни относительно её диаметра.
Принимаем Ψbd1=0,8 при симметричном расположении колёс;
Кнβ -коэффициент неравномерности распределения нагрузки по ширине венца. Выбираем по графику в зависимости от твёрдости рабочих поверхностей зубьев, схемы нагружения и параметра Ψвd1[1,с.58];
Кнβ =1,03
d1=67,5
=48,1 мм
Принимаем d1=50 мм
2.2.2 Определяем делительный диаметр колеса d2
U = d2/d1
d2 = U · d1
d2 = 2·50=100 мм
Принимаем d2=100 мм.
2.2.3 Определяем межосевое расстояние передачи
[5,c.37]
aw=150/2=75 мм
Принимаем aw=80 мм по ГОСТ 2185-66.
2.2.4 Определяем рабочую ширину колёс b1 и b2. Учитывая неточность сборки и возможную осевую «игру» передачи выбираем
b1= b2 + (2…5)мм
b1= Ψвd1 · d1
b1= 0,8·50 = 40 мм
Принимаем b1=40 мм(Ra20).
b2= b1 – (2…5)мм
b2= 40- 4= 36 мм
2.2.5 Определяем нормальный модуль по эмпирической зависимости
mn = (0,01…0,02) · aw [5,c.293]
mn =0,02· 80 =1,6 мм
Принимаем mn= 2 мм.
Определяем суммарное число зубьев
[5,c.36]
ZΣ=2·80·
/2=78,4
Принимаем ZΣ=78
Определяем числа зубьев шестерни и колеса
[5,c.37]
Z1=78/(2+1)=26
Z2=78-26=52
По округлённым значениям Z1 и Z2 уточняем передаточное число
Uп= Z2 / Z1 [5,c.37]
Uп=52/26=2
Проверяем отклонение передаточного числа от заданного значения
(Uз – Uп)/ Uз · 100%
(2-2)/2·100%=0%
Действительное значение угла наклона линии зуба β
cosβ= 0,5 · (Z1 + Z2) · mn/ aw
cosβ= 0,975
β=12,8 ̊
2.2.6 Определяем окружной модуль
mt = mn/ cosβ [3,c.142]
mt = 2/0,975=2,05 мм
2.2.7 Уточняем диаметры делительных окружностей и межосевое расстояние
d1= mt · Z1
d1= 2,05·26 = 53 мм
d2= mt · Z2
d2 = 2,05·52 =107мм
aw =(d1+d2)/ 2
aw= (53+107)/2 = 80 мм
2.3 Проверочные расчёты передачи
2.3.1 Проверочный расчёт передачи на контактную усталость активных поверхностей зубьев выполняем по условию контактной прочности
где ZЕ –коэффициент, учитывающий механические свойства сопряженных зубчатых колес;
ZЕ=190[1,с.113];
ZН –коэффициент, учитывающий форму сопряженных поверхностей зубьев в зацеплении;
ZН=2,41 [1,с.113];
Характеристики
Тип файла документ
Документы такого типа открываются такими программами, как Microsoft Office Word на компьютерах Windows, Apple Pages на компьютерах Mac, Open Office - бесплатная альтернатива на различных платформах, в том числе Linux. Наиболее простым и современным решением будут Google документы, так как открываются онлайн без скачивания прямо в браузере на любой платформе. Существуют российские качественные аналоги, например от Яндекса.
Будьте внимательны на мобильных устройствах, так как там используются упрощённый функционал даже в официальном приложении от Microsoft, поэтому для просмотра скачивайте PDF-версию. А если нужно редактировать файл, то используйте оригинальный файл.
Файлы такого типа обычно разбиты на страницы, а текст может быть форматированным (жирный, курсив, выбор шрифта, таблицы и т.п.), а также в него можно добавлять изображения. Формат идеально подходит для рефератов, докладов и РПЗ курсовых проектов, которые необходимо распечатать. Кстати перед печатью также сохраняйте файл в PDF, так как принтер может начудить со шрифтами.
















