125655 (690625), страница 2
Текст из файла (страница 2)
fгр ≥ 80*552 = 4416 кГц; Рк мах ≥ 5*45 = 225 мВт.
Параметры транзистора ГТ312А
| Структура транзистора | n-p-n |
| Граничная частота коэффициента передачи тока в схеме с ОЭ ƒгр, МГц | 80 |
| Максимально допустимая постоянная рассеиваемая мощность коллектора P к max, мВт | 225 |
| Коэффициент передачи тока биполярного транзистора в режиме малого сигнала в схеме с ОЭ: h21э min | 10 |
| h21э max | 10 |
| Максимально допустимое постоянное напряжение коллектор – эмиттер Uкэ mах, В | 20 |
| Максимально допустимый постоянный ток коллектора I k max, мA | 30 |
| Объемное сопротивление базы на высоких частотах rб', Oм | 100 |
Из проведенных расчетов выбирается транзистор типа ГТ312А.
Определяется рабочая область характеристики транзистора. Для этого на выходных характеристиках транзистора строится характеристика максимально допустимой мощности рассеяния:
Iк1 =
=
= 45 мA
Iк2 =
= 22,5 мA
Iк3 =
= 15 мA
Iк4 =
= 11,25 мA
Для построения этой характеристики задается значения Uкэ для транзистора ГТ312А от 5 В до 25 В.
На оси напряжений отмечаются эти значения и восстанавливаются перпендикуляры до пересечения с соответствующим каждому значению Uкэ току Iк. Затем полученные точки соединяются плавной линией, (Рис. 3.) далее проводятся линии, соответствующие Uкэ мах и Uост. Значение Uост определяется графически, для этого опускается на ось напряжений перпендикуляр из точки перегиба верхней вольт – амперной характеристики.
Определение рабочей области характеристик транзистора ГТ312А
Определяется напряжение покоя транзистора по максимально допустимому напряжению Uкэ мах:
Uко ≤
=
= 10,63 ≈ 11B;
Определяется мощность, отдаваемая транзистором с учетом заданного КПД трансформатора ηтр = 0,9:
Р'~ =
=
= 50 мВт;
Определяется мощность рассеяния на коллекторе транзистора:
Рко =
=
= 138,9 мВт;
где ηА – максимальный КПД каскада в режиме А, принимается равным 0,4;
ηос – коэффициент, учитывающий потери мощности сигнала в цепи обратной связи, принимается равным 0,9;
Ток покоя рассчитывается, исходя из мощности рассеяния на коллекторе транзистора:
Iко =
=
= 12,6 мА;
На семействе выходных характеристик транзистора (Рис. 4.) отмечаются выбранные Uко, Iко и определяется соответствующей точке покоя ток базы Iбо (входной ток) Полученное значение Iбо отмечается на входной характеристике и определяется соответствующее ему напряжение смещения Uбо.
Uко = 11 В;
Iко = 12,6 мА
Iбо = 0,22 мА;
Uбо = 0,4 В;
Определяется амплитуда напряжения выходного сигнала:
Uкm ≤ Uко - Uост = 11 – 1,25 = 9,75 В;
Определяется амплитуда тока выходного сигнала:
Iкm =
=
= 10,26 мА;
Строится нагрузочная прямая переменного тока. Для этого на семействе выходных характеристик транзистора от координаты точки покоя на оси токов вниз откладывается амплитуда тока Iкм, а от координаты точки покоя вправо – амплитуда напряжения Uкм. Пересечением уравнений Iко – Iкм и Uко + Uкм определяется точка М. Через точку М и точку покоя проводим нагрузочную прямую переменного тока.
Iко – Iкm = 12,6 – 10,26 = 2,34 мА;
Uко + Uкm = 11 + 9.75 = 20,75 ≈ 21 В;
На семействе выходных характеристик транзистора отмечается точка N на нагрузочной прямой переменного тока, соответствующая пересечению уровня Uост и нагрузочной прямой.
Определяется соответствующий точкам M и N входной ток. Точке М будет соответствовать минимальный входной ток Iбmin, а точке N – Iб max максимальный.
Iбmin = 0, 08 мА;
Iб max = 0,5 мА;
Определяется амплитуда тока входного сигнала:
Iбm =
=
= 0,23 мА;
Определяется мощность, отдаваемая транзистором в выбранном режиме:
Р~ =
=
= 50,1 мВт;
Сравниваются полученная величина Р~ с Р'~. Условие соблюдается:
Р~ ≥ Р'~ = 50,1 мВт ≥ 50 мВт
На входной характеристике транзистора отмечаются токи Iб max, Iбо, Iбmin, и определяется соответствующие этим токам значения входного напряжения.
Uбэ мах = 0,6 В;
Uбэ min =0,38 В;
Определяется амплитуда напряжения входного сигнала:
Uбm =
=
= 0,14 В;
Определяется коэффициент усиления по напряжению:
К =
=
= 69,6 ≈ 70 раз;
Определяется входное сопротивление транзистора:
Rвх =
=
= 608 Ом;
Определяется сопротивление нагрузки выходной цепи:
R~ =
=
= 950 Ом;
Определяется мощность, потребляемая выходной цепью транзистора от источника питания:
Р
= Iко * Uко = 12,6 *11= 138,6 мВт;
Определяется фактический коэффициент полезного действия выходной цепи:
ηф =
=
= 0,36;
Входная характеристика транзистора ГТ312А
Таблица 1
| Nкаск | Uко3, В | Iко3, mА | Uбо3, В | Iбо3, mА | К3 | Rвх 3, Ом | R~ 3, Ом | ηф |
| 3 | 11 | 12,6 | 0,42 | 0,22 | 70 | 608 | 950 | 0,36 |
5. Расчет элементов схемы по постоянному току
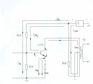
Расчет начинается оконечного каскада. Для удовлетворительной стабилизации точки покоя в оконечном каскаде определяется ток делителя третьего каскада:
Iд3 = (5 ÷ 10) Iбо3 = 6 * 0,22 = 1,32 мА;
Напряжение на резисторе в цепи эмиттера третьего каскада составит:
UR15 = (5÷10) U бо3 = 6 * 0,42 =2,52 В;
Расчёт оконечного каскада по постоянному току
Определяется сопротивление резистора в цепи эмиттера третьего каскада:
R15 =
=
= 196,6 ≈ 200 Ом;
Определяем мощность резистора в цепи эмиттера третьего каскада:
Р R15= (Iко3 + Iбо3)* UR15= (12,6 + 0,22) * 2,52 = 32,3 мВт;
Определяется напряжение источника питания:
Е = UR15 + U ко3 + Iко3* R16 = 2,52 +11 +12,6 * 10
* 200= 16,04 ≈ 16 В;
где
R16≈ (1/5) R~ = 0,2 * 950 = 191 ≈ 200 Ом;
Напряжение на резисторе в цепи эмиттера третьего каскада:
UR15 = (Iко3 + Iбо3)* R15 = (12,6 *10-3 + 0,22 * 10-3) * 200 = 2,5 В;
Определяем мощность резистора в цепи эмиттера третьего каскада:
Р R16 = Iко32 *R 16 = 12,62 * 200 = 31752 мВт ≈ 31,8 Вт;
Определяется сопротивление резисторов делителя смещения:
R13 =
=
= 8592 Ом ≈ 9,1 кОм
Определяем мощность резистора в цепи эмиттера третьего каскада:
РR13 =(Iд3 + Iбо3)*(E–Uбо3–UR15)=(1,32+0,22)*(16–0,42–2,5)=20,1 мВт;
Сопротивление на резисторе в цепи эмиттера третьего каскада:
R14 =
=
= 2212 ≈2,2 кОм;
Определяем мощность резистора в цепи эмиттера третьего каскада:
Р R14 = Iд3 * (Uбо3 + UR15) = 1,32 * (0,42 + 2,52) = 3,9 мВт;
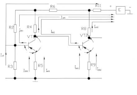
Прежде чем перейти к расчету каскадов предварительного усиления, наносятся заданные координаты точки покоя первого и второго каскадов предварительного усиления на выходные характеристики транзистора, определили U бо, Iбо.
Таблица 2
| Номер каскада | Uко1, В | Iко1, мА | Uбо1, В | Iбо1, мА |
| 1 | 3 | 2 | 0,32 | 0,04 |
| Номер каскада | Uко2, В | Iко2, мА | Uбо2, В | Iбо2, мА |
| 2 | 4 | 3 | 0,36 | 0,05 |
Режим работы каскадов предварительного усиления определяется условием получения максимального усиления, а во входном каскаде – условием получения максимальной помехозащищенности.
Для расчета каскадов предварительного усиления задается напряжение на резисторах UR6 = UR11 = 1В.
Расчёт каскадов предварительного усиления по постоянному току
Ток делителя первого каскада составит:
Iд 1 = (5 ÷ 10) Iбо 1 = 5 * 0,04 = 0,2 мА;
Напряжение на резисторе в цепи эмиттера первого каскада составит:
UR5 = (5 ÷ 10) U бо 1 = 5*0,32 = 1,6 В;
Определяем мощность резистора в цепи коллектора первого каскада:
Р R5 = (Iбо 1 + Iко 1) * UR5 = (0,04 + 2) * 1,6 = 3,3 мВт;
Определяется сопротивление резистора в цепи коллектора первого каскада:
R5 =
=
=784 ≈ 820 Ом;
Определяется сопротивление резистора в цепи коллектора первого каскада:















