125583 (690595)
Текст из файла
ФЕДЕРАЛЬНОЕ АГЕНСТВО ПО ОБРАЗОВАНИЮ
Саратовский государственный технический университет
Кафедра: «Технология машиностроения»
РАСЧЕТНО-ПОЯСНИТЕЛЬНАЯ ЗАПИСКА
к курсовому проекту
по дисциплине «Основы ТМС»
Выполнил:
студент группы
ВМТ – 41
Калинин Ю.М.
Проверил:
Лихобабина Н.В.
САРАТОВ 2006
Содержание
Введение
Определение типа производства.
1. Общая часть
1.1. Служебное назначение и общая характеристика объектов производства
1.2. Определение режима работы цеха и типа производства
2. Технологическая часть
2.1. Анализ исходных данных
2.1.1. Служебное назначение изделия
2.1.2. Конструкторский контроль чертежа
2.1.3. Анализ технических условий
2.1.4. Анализ технологичности конструкции изделия
2.2. Выбор аналога технологического процесса
2.3. Выбор исходной заготовки
2.4. Выбор технологических баз
2.5. Обоснование формы организации производства и технологического маршрута изготовления детали
2.5.1. Обоснование последовательности операций
2.5.2.Обоснование используемого оборудования
2.6. Разработка технологических операций
2.7. Расчет припусков на обработку и операционных размеров
2.8. Расчет режимов резания и нормирование операций
2.9. Расчет экономической эффективности вариантов технологического процесса
Список использованных источников
Введение
Современное состояние машиностроительного производства характеризуется повышением частоты сменяемости выпускаемой продукции, расширением широты номенклатуры изделий, требованиями сокращения длительности производственного цикла и обеспечения качества продукции.
Решить эти задачи в области технологической подготовки производственных систем можно только при условии, если техническому проектированию предшествуют глубокие технологические разработки.
Машиностроение занимает важное место в развитии народного хозяйства, оно реализует научно-технические открытия и создаёт материальную базу всех отраслей производства.
Современный уровень машиностроения во всём мире требует принципиально нового подхода к проектированию и изготовлению новых машин. Этот подход основывается на всё более широком применении современной вычислительной техники и программных комплексов практически на всех стадиях проектирования и изготовления. Применение компьютерной техники в процессах машиностроения позволяет резко сократить сроки создания новых изделий, особенно при использовании баз данных в различных отраслях. Компьютерное моделирование деталей и изделия, даёт возможность оценить некоторые характеристики проектируемого изделия, не изготавливая опытные образцы. Использование современных систем при подготовке управляющих программ для станков с ЧПУ и станков типа «обрабатывающий центр» даёт возможность обрабатывать детали высокой сложности с высочайшей точностью. Ещё недавно такие возможности были практически не доступны. Моделирование процессов обработки детали с помощью компьютера исключает грубые ошибки при программировании станков с ЧПУ. Использование прямого управления станками с ЧПУ компьютером снижает время подготовки программ к внедрению на станке.
Целью данного курсового проекта является, закрепление знаний в области теоретических основ технологии машиностроения, приобретение практических знаний и навыков по разработке технологических процессов механической обработки, решение конкретных задач по разработке новых технологических процессов. Ознакомление с технологическим оборудованием, используемым в технологических процессах. Перевод технологического процесса на более современное оборудование для повышения производительности и качества изделия, и уменьшение трудоемкости производства и затрат на производство изделия.
Оборудование с ЧПУ позволяет обрабатывать деталь с высокой точностью и с минимальным количеством переустановов. Такие станки очень просто переналадить на выпуск другого изделия. Переналадка сводится к замене управляющих программ и приспособлений для базирования и закрепления детали на столе станка.
В последнее время оборудование с ЧПУ получает всё более широкое распространение не только за рубежом, но и в нашей стране. Это объясняется широкими возможностями этого типа оборудования, простой переналадкой, точностью обработки, встроенными возможностями. Поэтому тема курсового проекта соответствует современным тенденциям в развитии мирового машиностроения.
На базовом предприятии, саратовском авиационном заводе, в последние годы проводятся работы по всё более широкому использованию парка станков с ЧПУ.
На практике применение станков с ЧПУ позволяет соблюдать такие принципы, как единство и постоянство баз, позволяет сократить время обработки за счёт максимальной концентрации операций технологического процесса. Внедрение оборудования с ЧПУ особенно эффективно в единичном и серийном производстве.
1. Общая часть
1.1. Служебное назначение и общая характеристика объектов производства
Деталь корпус входит в конструкцию головки шлифовальной. Головка предназначена для установки на вертикально-сверлильный станок и служит для заточки режущего инструмента в условиях мелкосерийного производства. От шпинделя станка через промежуточный вал (на чертеже не показан) вращение передаётся полому шлицевому валу 1, установленному в корпусе 2. На вал 1 напрессована шестерня 3, которая передает вращающий момент валу-шестерне 4. Вал-шестерня 4 вращается в подшипниках качении, установленных в корпусе 5. На шлицевом конце вала-шестерни 4 закреплена оправка 6 с установленным абразивным кругом 7.
1.2. Определение режима работы цеха и типа производства
Определение типа производства производится на основе расчета коэффициента закрепления операций по ГОСТ 3.1108-74
Kз.о = (60 Фд * Kв / Тшт-к * N) * Kн, (1)
где Фд – действительный годовой фонд времени, час;
Тшт-к – среднее значение нормы времени по основным операциям, мин;
N – годовой объем выпуска изделий, шт;
Kв – средний коэффициент выполнения норм (Kв = 1,3);
Kн – нормативный коэффициент загрузки оборудования (Kн = 0,65…0,75, для мелко- серийного производства).
В соответствии с выпуском на базовом предприятии примем годовую программу выпуска равную 80 штукам. а 30 деталей изготавливают в качестве запасных, то годовой выпуск деталей - опора составляет 110 штук.
Определим тип производства, подставив найденные значения в формулу (1):
Kз.о = (60 * 4015 * 1,3 / 2,9 * 2560) * 0,7 = 30
Таким образом полученное Kз.о входит в интервал 20<30<40, что соответствует мелкосерийному производству.
2. Технологическая часть
2.1. Анализ исходных данных
2.1.1. Служебное назначение изделия
При работе детали в сборочной единице основную нагрузку воспринимает корпус с шестью отверстиями под болтовое крепление. Наиболее опасным сечением корпуса является сечение в районе отверстия Ø8 мм. В этом случае корпус можно рассматривать как консоль с приложенной к ней изгибающей нагрузкой по величине равной 3390 кг/см2. По остальным отверстиям фланца изгибающая нагрузка не превышает 2570 кг/см2. На остальные поверхности детали действующая нагрузка менее значительна. Таким образом, вся нагрузка, действующая на корпус, передается через болтовое соединение. При выборе материала основное влияние оказывает величина напряжения в наиболее опасном сечении. Кроме того, деталь должна иметь определенные и удовлетворяющие конструктивным особенностям изделия размеры. Исходя из выше изложенных факторов, для изготовления детали корпус принимаем сталь 40Х.
Исходя из величины напряжения временного сопротивления материала, можно сделать вывод, что коэффициент запаса прочности в наиболее опасном сечении (отверстие корпуса Ø8 мм) составляет 1,06, по остальным отверстиям – 1,4.
Исходя из условий работы детали в узле, материал, из которого должна быть, изготовлена опора, должен обеспечивать длительную эксплуатацию ее, обладать высокой прочностью, высокой износостойкостью.
Деталь работает в сложных температурных условиях (от -50С до + 50С), а также в условиях перепада влажности. Деталь должна выдерживать воспринимаемые нагрузки, поэтому необходимо, чтобы она обладала достаточной прочностью и была устойчивой к коррозии.(механические и химические свойства приведены в таблице 1 и 2).
Таблица 1 - Механические свойства
| σ в, кг/мм2 | σ0,2, кг/мм2 | Ψ, % | Е, кг/мм2 | G, кг/мм2 | σ2, г/мм2 | НВ | δ % |
| 42 | 30 | 40 | 7850 | 270 | 26,0 | 552 | 13 |
Таблица 2 - Химические свойства
| Сод-ние азота | Сод- ние кремния | Сод- ние Марганца | Сод-ние меди | Сод-ние никеля | Сод-ние Серы | Сод- ние углерода | Сод- ние Фосфора | Сод- ние хрома |
| 0-0,008 | 0,17-0,37 | 0,5-0,8 | 0,3-0,3 | 0-0,3 | 0-0,035 | 0,36-0,44 | 0-0,035 | 0,8-1,1 |
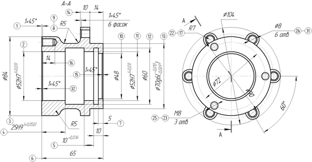
2.1.2. Конструкторский контроль чертежа
Конструкторский контроль чертежа производится с целью установления факта соответствия чертежа детали действующим стандартам.
Количество изображений видов, разрезов, сечений на чертежах должно быть минимальным, но вместе с тем и достаточным для полного представления о детали. Проанализировав чертеж, выявим ряд несоответствий
| Указано на чертеже | Должно быть |
| 1.0,8√, Rz 12.5 √, Rz 40√(√) 2. 1 * 450; 1 * 450 3. А-А | √Ra 0,8; √Ra 6,3(√);√Ra 3,2 1x45° А-А |
4. Не указан размер фаски на резьбе.
5. Пересечение размерных линий (размеры Ø 72 и Ø 84)
2.1.3. Анализ технических условий
Анализ и назначение технических условий производится на основе служебного назначения детали и имеет целью проверить правильность их назначения.
Проанализируем основные пункты технических условий:
1.Литье в песчаные формы. Технические требования на отливку по ОСТ 190021 – 92. Группа контроля 3.
Для разработки проекта была предложена деталь “Корпус”, которая входит в механизм головки шлифовальной. Исходя из служебного назначения детали и изделия, в состав которого она входит, можно сделать вывод, что разрабатываемая конструкция, должна обладать наименьшей массой при достаточной ее прочности и твердости, обеспечивая надежность работы изделия. Метод получения заготовки – литье, сталь 40Х, применяемый для изготовления данной детали.
Заготовка детали относится к 3-й группе контроля. Это означает, что отливки, относящиеся к данной группе, подлежат выборочному испытанию на прочность.
2. Точность отливки 3-0-0-7 ГОСТ 26645-85
Данное техническое условие означает, Что отливка относится к 3 классу размерной точности и 7 классу точности массы. Степень коробления и допуск смещения отливки допускается не указывать.
3. Неуказанные предельные отклонения по ОСТ 100022 – 80.
Настоящий стандарт устанавливает предельные отклонения линейных и угловых размеров, радиусов закругления, а также допуски отклонения формы и расположения гладких поверхностей элементов деталей, получаемых различными способами обработки из любых материалов, предельные отклонения и допуски, на которые не проставлены на чертежах у размеров или технических требованиях непосредственно числовыми величинами или установленными обозначениями полей допусков. Все охватывающие элементы выполняются по Н14, охватываемые по h14, прочие элементы ± t2/2.
4. Допуск несоосности поверхностей Б, В и Г не более 0.05 мм.
Допуск отклонения от соосности относительно общей оси – наибольшее расстояние Δ между осью рассматриваемой поверхности вращения и общей осью двух или нескольких поверхностей вращения на длине нормируемого участка.
5. Допуск биения поверхностей Б и В относительно поверхности Г не более 0.05мм.
Допуск биения поверхности относительно оси – отклонение угла между плоскостью и базовой осью от прямого угла, выраженное в линейных единицах на длине нормируемого участка.
6. Допуск неперпендикулярности поверхности Д относительно поверхностей В и Б не более 0.05 мм.
Отклонение от перпендикулярности плоскостей – отклонение угла между плоскостями от прямого угла, выраженное в линейных единицах Δ на длине нормируемого участка.
7. Отклонение посадочных поверхностей Б, В, Е под подшипники по ГОСТ 3325-85, для 6 класса точности.
Отклонения от правильной геометрической формы посадочных поверхностей назначены в соответствии с ГОСТ 3325 – 85. Данный стандарт распространяется на валы (оси) и отверстия корпусов машин и механизмов, посадочные места которых предназначены для подшипников качения, изготавливаемых по действующим стандартам. В соответствии с данным ГОСТом допускаемое отклонение от правильной геометрической формы посадочных поверхностей должны принимать следующие значения: по овальности – не более ¼ допуска на диаметр в любом сечении посадочной поверхности; по конусности (разность диаметров в крайних сечениях посадочной поверхности) – не более ¼ допуска на диаметр посадочной поверхности.
Параметр шероховатости посадочных отверстий корпусов с номинальным диаметром до 80мм не должен превышать 0,8мкм; более 80 до 500мм – 0,8 ÷ 1,6 мкм.
При анализе указанных в технических требованиях значений допустимых предельных отклонений формы и взаимного положения, можно сделать вывод, что данные значения соответствуют действующим стандартам и обеспечивают требуемую точность нормируемых поверхностей для выполнения ими своего служебного назначения.
8. Маркировать и клеймить шрифтом ПО-5 ГОСТ 2930-62.
ПО – шрифт прописной, основной (русский, латинский, греческий, цифры арабские); 5 – высота шрифта в мм. Качество изготовленной производителем продукции на правильность выполнения отдельных операций ее изготовления подтверждается простановкой клейма, Клеймение производится путем нанесения оттиска металлического или эластичного клейма непосредственно на принятую продукцию, на сопровождающую бирку или на сопроводительную приемо-сдаточную документацию. Место простановки клейма, способ клеймения и размер оттиска определяются конструкторской документацией в соответствии с ГОСТ 2.314 – 68. В рассматриваемом случае клеймение адгезионное, т.е. нанесение оттисков с помощью лакокрасочных составов.
9. Контроль люминесцентный.
Люминесцентный метод является одним из основных капиллярных методов не разрушающего контроля. Он основан на регистрации контраста люминесцирующего в длинноволновом ультрафиолетовом излучении видимого индикаторного рисунка на фоне поверхности объекта контроля.
Капиллярный метод дефектоскопии позволяет обнаружить микроскопические поверхностные дефекты на изделиях практически из любых конструкционных материалов. Метод основан на капиллярном проникновении индикаторных жидкостей (пенетрантов) в полости поверхностных и сквозных несплошностей материала объектов контроля и регистрация образующихся индикаторных следов визуальным способом или с помощью преобразователя. При люминесцентном методе пользуются высокочувствительным набором дефектоскопических материалов, который позволяет обнаруживать на поверхностные дефекты с раскрытием около 0,1 мкм. Он состоит из пенетранта ЛЖ-6А, проявителя ПР-1, очистителя ОЖ-1.
10. Покрытие- АН. ОКС хром./эмаль ЭП-140 голубовато-серая 265 ГОСТ 9073-77.
Для защиты поверхностей детали от коррозии, т. е. процессам разрушения в результате химического или электрохимического воздействия внешней среды, а также для придания детали эстетичного вида, применяют защитные покрытия.
Если лакокрасочному покрытию предшествует покрытие металлическое (неорганическое), то обозначение записывается дробью, в числителе которой указывается металлическое или неметаллическое (неорганическое) покрытие по ГОСТ 9,073 – 77, а в знаменателе – лакокрасочное.
Надпись в числителе означает, что поверхность детали подвергается, анодировано – хроматным покрытием.
Покрытие окисными пленками – оксидирование – применяют для защиты сталей, медных и алюминиевых сплавов от атмосферной коррозии.
Оксидирование алюминия и его сплавов, называемое также анодированием, производится чаще всего путем электрохимической обработки в растворе серной кислоты, хромовой ли щавелевой кислот. С помощью анодирования толщину окисной пленки, которая всегда имеется на поверхности алюминия, удается увеличить в десятки раз. Полученная пленка обладает высокой твердостью, жаростойкостью, электроизоляционными свойствами, хорошо сцепляется с поверхностью алюминия. Имея значительную пористость, пленка способна окрашиваться в различные цвета органическими и минеральными красителями.
Хромовые покрытия отличаются высокой твердостью, низким коэффициентом трения, свойством прочно сцепляться с основным металлом, а также хорошей химической и термической стойкостью.
Надпись в знаменателе означает, что все наружные поверхности должны быть покрыты эмалью ЭП – 140 голубовато – серого цвета; 265 – номер системы покрытия.
Эмали предназначаются для окраски предварительно загрунтованных поверхностей из магниевых, алюминиевых и титановых сплавов, а также меди и ее сплавов.
Эмали применяют для получения верхних слоев покрытий по слою грунтовки или шпатлевки. Они должны придавать покрытию требуемый цвет, укрывистость и стойкость в условиях эксплуатации.
2.1.4. Анализ технологичности конструкции изделия
Технологичность конструкции – совокупность свойств конструкции изделия обеспечивающих возможность оптимальных разовых затрат при производстве, эксплуатации и ремонта для заданных показателей качества, условий изготовления и эксплуатации.
Разработка нового изделия – сложная конструкторская задача, связанная не только с достижением требуемого технического уровня этого изделия, но и с приданием его конструкции таких свойств, которые обеспечивают максимально возможное снижение затрат труда, материалов и энергии на его разработку, изготовление, техническое обслуживание и ремонт. Решение этой задачи определяется деловым творческим содружеством создателей новой техники – конструкторов и технологов – и их взаимодействием на этапах разработки конструкции с его изготовителями и потребителями. Первостепенная роль в обеспечении технологичности конструкции изделия принадлежит конструктору, который должен руководствоваться соображениями как технической, так и экономической целесообразности проектируемой конструкции, уметь использовать такие инженерные решения, которые обеспечивают достижение необходимых технических показателей изделия при рациональных показателях изделия, при рациональны затратах ресурсов, выделяемых на его создание и применение.
Конструктор, придавая конструкции изделия в процессе ее разработки необходимые свойства, выражающие полезность изделия, придает ей и такие конструктивные свойства, которые предопределяют уровень затрат ресурсов на создание, изготовление, техническое обслуживание и ремонт изделия.
Совокупность свойств изделия, определяющих приспособленность его конструкции к достижению оптимальных затрат ресурсов при производстве и эксплуатации для заданных показателей качества, объема выпуска и условий выполнения работ, представляет собой технологичность конструкции изделия.
Состав конструктивных элементов данной детали выбран с учетом ограниченных перечней стандартов и картотек применяемости. Конструкция детали состоит из стандартных и унифицированных конструктивных элементов. Конструкция детали обеспечивает возможность применения типовых технологических процессов для ее изготовления.
При анализе сборочного чертежа видно, что предложенное конструкторское решение наиболее оптимально по своему конструкторскому исполнению, что позволяет детали осуществлять свои основные функции. Заданные значения всех параметров детали, обеспечивающие требования к надежности (безотказности, долговечности, сохраняемости), направлены на обеспечение выполнения деталью заданных функций в эксплуатации, путем сохранения во времени и в установленных пределах их значений, и соответствуют нормам наработки лётного времени изделия в целом.
Материал, применяемый при изготовлении детали, обеспечивает легкость получения заготовки, ее обрабатываемость резаньем, а также требуемую массу конструкции. Так как выбранным материалом является, сталь 40Х, то для получения заготовки детали применяем литье в песчаные формы, которое дает наиболее максимальную приближенность формы заготовки к форме детали и способствует уменьшению числа операций по механической обработке. Процесс литья обуславливается высокой производительностью, а максимальная приближенность формы заготовки к форме детали, способствует уменьшению отходов металла, что способствует уменьшению трудоемкости и себестоимости детали. При обработке резанием большое внимание уделяется унификации элементов формы детали (резьбы, фаски, радиусы скруглений и т.д.), что создает предпосылки для унификации применяемого при изготовлении детали режущего и измерительного инструмента.
Рисунок 1 Анализ технологичности конструкции
Результаты исследований сводим в таблицу, которая позволит произвести анализ технологичности конструкции наиболее рациональным способом.
Таблица 3
№,№ | №,№ поверх-ностей | Иденти-ные поверх-ности | Квалитет точности | Параметр шероховатости | Коэф-фициент приведения | Примеча-ние |
1 | 1,32 | 2 | 14 | 6,3 | 4 | 2 фаски |
2 | 2 | | 7 | 0,8 | 7 | |
3 | 3 | | 14 | 6,3 | 4 | |
4 | 4 | | 9 | 6,3 | 4 | |
5 | 5 | | 9 | 6,3 | 4 | |
6 | 6 | | 14 | 6,3 | 4 | |
7 | 7 | | 14 | 6,3 | 4 | |
8 | 8,9 | 2 | 14 | 6,3 | 4 | 2 радиуса |
9 | 10 | | 14 | 6,3 | 4 | |
10 | 11 | | 7 | 0,8 | 7 | |
11 | 12 | | 14 | 6,3 | 4 | |
12 | 13 | | 6 | 0,8 | 7 | |
13 | 14 | | 14 | 6,3 | 4 | |
14 | 15 | | 14 | 6,3 | 4 | |
15 | 16 | | 14 | 6,3 | 4 | |
16 | 17-22 | 6 | 14 | 6,3 | 4 | 6 радиусов. |
17 | 23-25 | 3 | 14 | 6,3 | 4 | 3 отв. |
18 | 26-31 | 6 | 14 | 6,3 | 4 | 6 отв. |
Итого: | 32 | 19 | | | | |
Проведем анализ технологичности конструкции данной детали на основании методики [4].
Определяем коэффициент унификации конструктивных элементов.
| Куэ = Qуэ / Qэ | (2) |
где Qуэ – число унифицированных типоразмеров конструктивных элементов – резьбы, отверстия;
Qэ – число типоразмеров конструктивных элементов в изделии .
Куэ = 19 / 32 = 0,65
По рекомендации ЕСТПП Куэ 0,65 и выше
Определяем коэффициент точности обработки.
| Кт = 1- 1 / Аср | (3) |
Аср = А * ni / ni = 1*n1 + 2*n2 + …. + 19*n19 / n1 + n2 +…. + n19 (3.1.3.)
где Аср - средний квалитет точности;
А - квалитет точности обработки;
ni – число размеров соответствующего квалитета.
Из таблицы 3 определяем:
Аср = (14*28 + 7*2 + 9*2) /(28 + 2 + 2) = 13,25
Кт = 1 – 1 / 13,25 = 0,92
0,92 > 0,5.
Изделие относится к средней точности.
Определяем коэффициент шероховатости.
Кш = 1 / Б ср (4)
Б ср = (1*n1 + 2*n2 + … + k*nк ) / (n1 + n2 +…. + nк ) (5)
где Бср – средняя величина коэффициента приведения;
Б – величина коэффициента приведения;
niш – число поверхностей соответствующего параметра шероховатости.
Бср = (4*15 + 7*3 ) / (15 + 3 ) = 4,5
Кш = 1 / 4,5 = 0,22
0,22 > 0,1
Изделие относится к средней точности. Полученные данные сводим в таблицу 4.
Таблица 4 - Оценка количественных показателей технологичности конструкции изделия
| №,№ п / п | Наименование коэффициента | Формула расчета | Показатель | |
| расчетный | нормальный | |||
| 1. | Коэффициент унификации элементов | Кэу = Qуэ / Qэ | 0,65 | 0,65 |
| 2. | Коэффициент точности обработки | Кт = 1 – 1 / Аср | 0,92 | 0,5 |
| 3. | Коэффициент шероховатости | Кш = 1 / Бср | 0,22 | 0,1 |
Таблица 5 - Оценка качественных показателей технологичности конструкции детали.
| №,№ п /п | Наименование показателя | Степень соответствия данному показателю |
| 1. | Методы получения заготовок, обеспечивающие получение поверхностей, не требующих дальнейшей обработки или требующих обработки с малыми припусками | Используются |
| 2. | Использование основных конструкторских баз как измерительных и технологических | Да |
| 3. | Позволяет ли простановка размеров на чертеже детали производить обработку по принципу автоматического получения размеров | Да |
| 4. | Позволяет ли конструкция детали применение наиболее совершенных и производительных методов механической обработки | Нет |
| 5. | Обеспечена ли обработка напроход, условия для врезания и выхода режущего инструмента | Да |
Анализ технологичности конструкции детали показал:
-
Изделие относится к средней точности.
-
Соответственно по коэффициентам количественной оценки технологичности конструкции изделие относится к технологичным.
2.2. Выбор аналога технологического процесса
30>Характеристики
Тип файла документ
Документы такого типа открываются такими программами, как Microsoft Office Word на компьютерах Windows, Apple Pages на компьютерах Mac, Open Office - бесплатная альтернатива на различных платформах, в том числе Linux. Наиболее простым и современным решением будут Google документы, так как открываются онлайн без скачивания прямо в браузере на любой платформе. Существуют российские качественные аналоги, например от Яндекса.
Будьте внимательны на мобильных устройствах, так как там используются упрощённый функционал даже в официальном приложении от Microsoft, поэтому для просмотра скачивайте PDF-версию. А если нужно редактировать файл, то используйте оригинальный файл.
Файлы такого типа обычно разбиты на страницы, а текст может быть форматированным (жирный, курсив, выбор шрифта, таблицы и т.п.), а также в него можно добавлять изображения. Формат идеально подходит для рефератов, докладов и РПЗ курсовых проектов, которые необходимо распечатать. Кстати перед печатью также сохраняйте файл в PDF, так как принтер может начудить со шрифтами.















