125371 (690497)
Текст из файла
1 Анализ и состояние вопроса
1.1 Анализ материала детали
Материал хвостовика- сталь 40Х ГОСТ 4543-71
Таблица 1.1 Химический состав стали 40Х
| Элемент | C | S | P | Cr | Mn | Ni | Si | ||
| Не более | |||||||||
| Содержание, % | 0.36-0.44 | 0.035 | 0.035 | 0,8-1,0 | 0.5-0.8 | 0.3 | 0.17-0.37 | ||
Таблица 1.2- Механические свойства
| 02 | в | | | KCU | НВ |
| Мпа | МПа | % | % | Дж/см2 | |
| 360 | 785 | 16 | 40 | 50 | 250 |
Материал режущей части- сталь Р6М5 ГОСТ 19265-73
Таблица 1.3- Химический состав
| Элемент | C | S | P | Cr | W | V | Mo |
| Не более | |||||||
| Содержание, % | 0.7-0.8 | 0.03 | 0.03 | 3,8-4,2 | 5.8-6,0 | 1.5-2.5 | 4.8-1,0 |
Таблица 1.4- Механические свойства
| | в | | | НВ |
| Мпа | МПа | % | % | |
| 760 | 1060 | 14 | 40 | 260 |
1.2 Классификация поверхностей детали
С целью выявления поверхностей, влияющих на выполнение деталью своего служебного назначения, проведём классификацию поверхностей детали (рисунок 1.1), результаты сведем в таблицу 1.1.
Рисунок 1.1- Систематизация поверхностей
Таблица 1.1- Классификация поверхностей детали
| Наименование типа поверхностей | Номера поверхностей |
| Исполнительная | 13,29,30,31,32,27 |
| Основная конструкторская база | 5,18 |
| Вспомогательная конструкторская база | 24,25,16 |
| Свободная | Остальные |
2 Выбор и проектирование заготовки
Так как рабочая часть фрезы червячной выполнена из быстрорежущей стали Р6М5, а хвостовик из стали 40Х, заготовкой для инструмента может служить прокат с последующей подрезкой торцев и сваркой трением.
Найдем максимальный диаметр заготовки из проката
На наибольший диаметр фрезы червячной примем припуски
При черновом точении припуск на обработку составляет 2,8 мм,
чистовом 0,8 мм, шлифовании 0,3 мм
Расчетный размер заготовки:
Хвостовика левого, пов. 8:
D = 35+2,8+0,8 = 38,6 мм
Хвостовика правого, пов. 15:
D = 24+2,8+0,8 = 27,6 мм
Режущей части
D = 50+2,8+0,8+0,3 = 53,9 мм
По расчетным данным заготовки выбираем необходимый размер горячекатаного проката обычной точности по ГОСТ 2590—71*
Хвостовика левого, пов. 8:
Круг
Хвостовика правого, пов. 15:
Круг
Режущей части
Круг
Припуски на подрезание торцовых поверхностей с учетом припуска на подрезку и угар определяют по [3, табл.3.13]
Припуск на подрезку торцев 1,5 мм на каждый.
Общая длина мерных заготовок после абразивно-отрезной операции:
Хвостовика левого, пов. 8:
Lзх = 107+1,5·2 = 110 мм
Принимаем длину заготовки 110 мм.
Хвостовика правого, пов. 15:
Lзх = 43+1,5·2 = 46 мм
Принимаем длину заготовки 46 мм.
Режущей части
Lзр = 90+1,5·2 = 93 мм
Принимаем длину заготовки 93 мм.
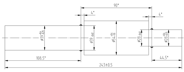
Объем заготовки определяем после сварки и токарной обработки- при подрезке торцев и обтачивания режущей части на длине 4 мм до диаметра хвостовиков (см. рисунок 2.1):
Рисунок 2.1- Эскиз заготовки
Объем заготовки
Vп =
(2.1)
где Vi- объем i-го элемента заготовки
Цилиндрические элементы заготовки
V = d2 l / 4 (2.2)
где d- диаметр, мм
l-длина, мм
Тогда объем заготовки V, мм3
V = 3,14/4((392(108,5+4) + 542(90-42) + 282(44,5+4)) = 351875 мм3
Масса заготовки mз, кг
mз = V , (2.3)
где V - объем, мм3;
- плотность стали, кг/мм3.
mз = 351875 7,8510-6 = 2,76 кг
Коэффициент использования материала на заготовку
КИМ = mд / mз = 1,3/2,76 = 0,47 (2.4)
3 Разработка технологического маршрута
3.1 Назначение и обоснование технологических баз, схем базирования и установки заготовки
Технологичность базирования и закрепления детали характеризуется наличием опорных поверхностей (баз), совпадением технологической и измерительной баз, точностью и шероховатостью базовых поверхностей.
Анализируя конструкцию детали с точки зрения этих критериев, выясняем, что в качестве черновых баз на центровочно-подрезной операции возможно использовать наружные поверхности проката, пов. 8,15 и торец 14.
В качестве баз при дальнейшей токарной, шлифовальной, фрезерной обработке необходимо использовать центровые отверстия 20 и торцы 1,19
В качестве баз при сверлильной и центрошлифовальной обработке необходимо использовать пов. 4,18 с торцем 16
Теоретические схемы базирования.
Рисунок 5.1- Теоретические схемы базирования
Таблица 5.1- Лишаемые степени свободы
| № точки | 1 | 2 | 3 | 4 | 5 | 6 |
| Лишаемая степень свободы | x | y | y | z | z | x |
Точки 1, 2, 3, 4 являются двойной направляющей базой.
Точка 5- опорная точка
Для материализации теоретической схемы базирования используем:
- центра жесткие и вращающиеся на токарных, шлифовальных и фрезерных операциях
- призмы самоцентрирующие на сверлильной, центровочно-подрезной и центрошлифовальной операциях
3.2 Выбор методов обработки отдельных поверхностей
Анализ последовательности обработки поверхностей проводим с целью проверки правильности выбора методов обработки (переходов).
Перечень методов обработки каждой поверхности заносим в графу 2 таблицы 5.2, где обозначено:
П-подрезка, Ц-центрование
Ф- фрезерование, С- сверление,
Рз-резьбонарезание, Т- обтачивание черновое,
Тч-обтачивание чистовое, Ш- шлифование черновое,
Шч- шлифование чистовое, З- заточная,
То- термообработка
Таблица 5.2- Маршрут обработки поверхностей
| Номер обрабатываемой поверхности | Маршруты обработки | IT | Ra |
| 1,19 20 | П, Ц, ТО | 14 8 | 3,2 3,2 |
| 2,3,4,6,7,8,9,10,11,12, 14,15,16,17,21 | Т, Тч, ТО | 12 | 3,2 |
| 5,18 | Т, Тч, Ш, ТО, Шч | 6 | 0,40 |
| 13 | Т, Тч, ТО, Шч | 8 | 0,4 |
| 29,30,31,32 | Т, Тч, Ф, ТО, З | 8 | 0,20 |
| 25 26,28 | Ф, ТО | 11 12 | 3,2 3,2 |
| 27 | Ф, ТО, З | 8 | 0,20 |
| 23,22 24 | С, Рз, ТО | 12 10 | 3,2 3,2 |
Анализируя таблицу 5.2, приходим к выводу, что данные методы обработки и их последовательность обеспечивают обработку поверхностей с заданным качеством.
3.3 Разработка маршрутной технологии
Таблица 5.3- Технологический маршрут обработки детали
| №оп | Наименование операции | №базовых поверхн. | №обраб. поверхн. | IT | Ra |
| 005 | Абразивно-отрезная | 8 | 1 | 16 | 20 |
| 010 | Абразивно-отрезная | 15 | 19 | 16 | 20 |
| 015 | Абразивно-отрезная | 13 | 12,14 | 16 | 20 |
| 020 | Токарная | 8 | 1 | 14 | 12,5 |
| 025 | Токарная | 15 | 19 | 14 | 12,5 |
| 030 | Токарная | 13 | 12,11 | 14 | 12,5 |
| 035 | Токарная | 13 | 14,15 | 14 | 12,5 |
| 040 | Сварочная | 13,15 | 14 | 14 | - |
| 045 | Сварочная | 13,8 | 12 | 14 | - |
| 050 | Термическая (отжиг) | - | - | - | - |
| 055 | Правильная | 8,15 | - | - | - |
| 060 | Центровально-подрезная | 8,15,14 | 1,19 20 | 12 10 | 3,2 3,2 |
| 065 | Токарная черновая | 19,20 | 3,4,5,6,8,10, 11,12 | 13 | 6,3 |
| 070 | Токарная черновая | 1,20 | 13,14,15,16, 18 | 13 | 6,3 |
| 075 | Токарная чистовая | 19,20 | 2-12 | 10 | 3,2 |
| 080 | Токарная чистовая | 1,20 | 13-18,21 | 10 | 3,2 |
| 085 | Круглошлифовальная черновая | 19,20 | 5 | 8 | 1,25 |
| 090 | Круглошлифовальная черновая | 1,20 | 18 | 8 | 1,25 |
| 095 | Фрезерная | 19,20 | 27,28 | 12 | 3,2 |
| 100 | Фрезерная | 19,20 | 13,29-32 | 12 | 3,2 |
| 105 | Фрезерная | 19,20 | 25 26 | 11 12 | 3,2 3,2 |
| 110 | Сверлильная | 5,18,6 | 23,22 24 | 12 10 | 3,2 3,2 |
| 115 | Слесарная | ||||
| 120 | Моечная | ||||
| 125 | Контрольная | ||||
| 130 | Термическая (закалка) | ||||
| 135 | Центрошлифовальная | 5,18,16 | 20 | 8 | 1,25 |
| 140 | Круглошлифовальная чистовая | 19,20 | 5 | 6 | 0,4 |
| 145 | Круглошлифовальная чистовая | 1,20 | 18 13 | 6 8 | 0,4 0,4 |
| 150 | Заточная | 19,20 | 27 | 8 | 0,20 |
| 155 | Затыловочно-шлифовальная | 19,20 | 13,29,30,31, 32 | 8 | 0,20 |
| 160 | Моечная | ||||
| 165 | Контрольная | ||||
| 170 | Химикотермическая | - | - |
3.4 Выбор оборудования и средств технологического оснащения
Характеристики
Тип файла документ
Документы такого типа открываются такими программами, как Microsoft Office Word на компьютерах Windows, Apple Pages на компьютерах Mac, Open Office - бесплатная альтернатива на различных платформах, в том числе Linux. Наиболее простым и современным решением будут Google документы, так как открываются онлайн без скачивания прямо в браузере на любой платформе. Существуют российские качественные аналоги, например от Яндекса.
Будьте внимательны на мобильных устройствах, так как там используются упрощённый функционал даже в официальном приложении от Microsoft, поэтому для просмотра скачивайте PDF-версию. А если нужно редактировать файл, то используйте оригинальный файл.
Файлы такого типа обычно разбиты на страницы, а текст может быть форматированным (жирный, курсив, выбор шрифта, таблицы и т.п.), а также в него можно добавлять изображения. Формат идеально подходит для рефератов, докладов и РПЗ курсовых проектов, которые необходимо распечатать. Кстати перед печатью также сохраняйте файл в PDF, так как принтер может начудить со шрифтами.















