125360 (690489)
Текст из файла
Федеральное агентство по образованию
ГОУ ВПО «Уральский государственный технологический университет – УПИ»
Нижнетагильский технологический институт (филиал) УГТУ-УПИ
Кафедра ОМ
курсовой проект
по технологии машиностроения
Разработка технологического процесса изготовления зубчатого колеса в условиях единичного, среднесерийного и массового типа производств
Н ижний Тагил
2008
Содержание
Анализ точности и шероховатости
Анализ технологических требований
Технологический процесс единичного типа производства
Технологический процесс среднесерийного типа производства
Технологический процесс массового типа производства
Чертеж детали
Наладка на операциях
Анализ точности и шероховатости
| Поверхность | Шероховатость Ra, мкм | Квалитет точности | Стадия обработки | |
|
| 100-25 12,5 | 17-15 14 | Обтачивание при продольной подаче 1. обдирочное 2. получистовое | |
|
| 100-25 20 | 17-15 14 | Обтачивание при продольной подаче 1. обдирочное 2. получистовое | |
| Торец
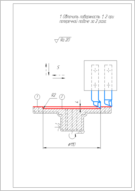
| 100-25 20 | 17-15 14 | Обтачивание при поперечной подаче 1. обдирочное 2. получистовое | |
| Торец | 100-25 20 | 17-15 14 | Обтачивание при поперечной подаче 1. обдирочное 2. получистовое | |
| Торец
| 100-25 20 | 17-15 14 | Обтачивание при поперечной подаче 1. обдирочное 2. получистовое | |
| Торец
| 100-25 12.5-6,3 2,5 | 17-15 14-12 9 | Обтачивание при поперечной подаче 1. обдирочное 2. получистовое 3. чистовое | |
| Торец
| 100-25 20 | 17-15 14 | Обтачивание при поперечной подаче 1. обдирочное 2. получистовое | |
| Размер 6 | 12.5 | 12 | Строгание 1. черновое | |
|
| 12,5 | 12 | Сверление | |
|
| 2,5 | 9 | Развертывание 1. нормальное | |
|
| 12,5-6,3 3,6 | 14-12 10 | Зубофрезерование 1. черновое 2.чистовое | |
|
| 2,5 | 8 | Зубошлифование1.предварительное | |
АНАЛИЗ ТЕХНИЧЕСКИХ ТРЕБОВАНИЙ ЧЕРТЕЖА
допустимое отклонение Радиального и торцевого биения относительно базы А не более 0.030 мм. Достигается правильным базированием, правильно выбранным зажимным усилием при обработке, а также отсутствием неучтенных погрешностей на инструменте, станке и инструменте.
Технологический процесс для еденичного
типа производства
Заготовка из проката - круглый сортовой профиль (ГОСТ 2590-71)
, материал сталь 45.
| № Операции | Код операции | Наименование операции | Станок, оборудование | Оснастка |
| 005 | 4281 | Отрезная: Отрезать заготовку | Автомат ленточно-отрезной 8А544 | Тиски |
| 010 | Кузнечная | |||
| 015 | Термическая обработка | |||
| 020 | 4110 | Токарная: 1.Подрезать торец Ø140/Ø42 предварительно 2. Подрезать торец Ø42/Ø34 предварительно 3.Подрезать торец Ø34/Ø20 предварительно 4.Сверлить отверстие Ø20 5.Точить поверхность Ø42 предварительно 6.Точить поверхность Ø34 предварительно 7.Подрезать торец Ø140/Ø110 предварительно 8.Подрезать торец Ø110/Ø20 предварительно 9.Точить поверхность Ø140 предварительно 10.Точить поверхность Ø110 предварительно 11.Подрезать торец Ø140/Ø110 окончательно 12.Подрезать торец Ø110/Ø20 окончательно 13.Точить поверхность Ø140 окончательно 14.Точить поверхность Ø110 окончательно 15.Снять фаску 2×45˚ 16.Подрезать торец Ø140/Ø42 окончательно 17.Подрезать торец Ø42/Ø34 окончательно 18.Подрезать торец Ø42/Ø34 окончательно 19.Точить поверхность Ø42 окончательно 20.Точить поверхность Ø34 окончательно 21.Развернуть отверстие Ø20 в размер | Токарно-винторезный 16К20 | Трехкулачковый патрон |
| 025 | Долбежная: долбить паз в размеры | Долбежный 7403 | Оправка | |
| 030 | Зубофрезерная: фрезеровать зубья под шлифование | Зубофрезерный 53А20В | Оправка | |
| 035 | Зубошлифовочная: Шлифовать зубья окончательно | Зубошлифовальный 58П70В | Оправка | |
| 040 | 0125 | Моечная: Промыть деталь | ||
| 045 | 2000 | Контрольная: Технический контроль | ||
| 050 | 0180 | Клеймение |
Характеристики
Тип файла документ
Документы такого типа открываются такими программами, как Microsoft Office Word на компьютерах Windows, Apple Pages на компьютерах Mac, Open Office - бесплатная альтернатива на различных платформах, в том числе Linux. Наиболее простым и современным решением будут Google документы, так как открываются онлайн без скачивания прямо в браузере на любой платформе. Существуют российские качественные аналоги, например от Яндекса.
Будьте внимательны на мобильных устройствах, так как там используются упрощённый функционал даже в официальном приложении от Microsoft, поэтому для просмотра скачивайте PDF-версию. А если нужно редактировать файл, то используйте оригинальный файл.
Файлы такого типа обычно разбиты на страницы, а текст может быть форматированным (жирный, курсив, выбор шрифта, таблицы и т.п.), а также в него можно добавлять изображения. Формат идеально подходит для рефератов, докладов и РПЗ курсовых проектов, которые необходимо распечатать. Кстати перед печатью также сохраняйте файл в PDF, так как принтер может начудить со шрифтами.
















