125328 (690466), страница 4
Текст из файла (страница 4)
Підставивши в рівняння /54/
, одержують
/54/
Формула /54/ показує, що перепад швидкості на нижній характеристиці залежить від діапазону регулювання і статизму.
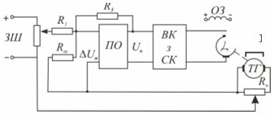
Функціональна схема системи автоматичного регулювання зі зворотним зв’язком за швидкістю наведена на Рис.6. На ній позначені: ЗШ - задавач швидкості, ПО - сумуючий операційний підсилювач: ШІП, СК - широтно-імпульсний перетворювач з системою керування,
Д - двигун, ТГ - тахогенератор і подільник напруги
.
Рис. 6.
Система автоматичного регулювання з широтно-імпульсним перетворювачем є дискретною, але при
kГц її можна вважати безперервною. Тому динаміку такої системи описуватимемо математичним апаратом для неперервних множин.
Розв’язавши систему рівнянь /52/ відносно швидкості, одержують рівняння електромеханічної характеристики системи
, /53/
де
.
Або
, /55/
де
коефіцієнт підсилення розімкненої системи.
Поділивши перепад швидкості в розімкненій системі при номінальному навантаженні
на перепад швидкості в замкненій системі
,
одержимо формулу для визначення необхідного коефіцієнта підсилення розімкненої системи:
або
. /56/
Коефіцієнт зворотного зв’язку за швидкістю визначають, виходячи з стандартної задаючої напруги 10В або 20В, яка має відповідати швидкості ідеального холостого ходу
. Зазвичай, приймають
. Тоді, підставивши в /55/
, одержують
/57/
З /57/ визначають коефіцієнт зворотного зв’язку
/58/
Коефіцієнт передачі керованого випрямляча визначають з уніфікованої характеристики
(рис.7), прийнявши
рівною номінальній напрузі двигуна і
.
Коефіцієнт передачі керованого випрямляча вираховують із умови роботи привода на мінімальній швидкості. За цієї умови
;
і
згідно графіка відповідає
.
Тоді
, /59/
де
напруга керування, яка відповідає
згідно рис.7.
Для забезпечення заданого статизму
необхідно вибирати сумуючий підсилювач з коефіцієнтом підсилення
. /60/
Для реалізації зворотного зв’язку за швидкістю підбираємо за каталогом [Л.2, т.2, с.430, табл.26.15] тахогенератор з постійними магнітами за умов
і
. Цим умовам задовольняє тахогенератор ТМГ-30П УЗ з параметрами:
nтг=4000 об/хв, звідки ωтг=πnтг/30=418,879 рад/с
Евих=230В >
=0,0396∙250,996=9,933В
Ія. тг=0,087А
kтг=0,549 В∙с/рад
Зазвичай, напруга тахогенератора більша напруги давача
. Тому напругу
одержують за допомогою подільника напруги тахогенератора. Опір подільника
/61/
де
струм якоря тахогенератора. Опір подільника приймають дещо більшим розрахункового, наприклад
=2370 Ом. Тоді опір резистора
Опір резистора
.
Щоби струм у колі зворотного зв’язку не зумовлював нелінійність, більшу 1%, опір кола зворотного зв’язку повинен бути більшим за опір
в 25 разів. При такому опорі в колі зворотного зв’язку буде протікати струм
.
За цієї умови струм в резисторі подільника
.
Для вибору резисторів за каталогом необхідно визначити їх потужності:
;
.
Резистором R2 обираємо С5-42В з номінальним опором 2,2 кОм, потужністю розсіювання 10 Вт, допустиме відхилення опору від номінального
(
).
В якості резистора R1 використаємо підстроювальний резистор СП5-3В-1Вт з повним опором 220 Ом та номінальною потужністю розсіювання 1 Вт, відхилення повного опору від номінального
(
), кількість обертів - 40. Його використання дозволить точно встановити коефіцієнт передачі подільника напруги, оскільки регулюванням опору R1 можна компенсувати відхилення опору резистора R2 від номінального.
6.2 Побудова граничних електромеханічних характеристик
Підставивши в /55/
, одержують рівняння електромеханічної характеристики в замкненій системі регулювання:
Рівняння нижньої граничної характеристики отримують, підставивши в /55/
.
На Рис.8 показані граничні характеристики
.
Рис. 8. Електромеханічні характеристики системи
6.3 Системи обмеження моменту двигуна
Обмеження моменту двигуна згідно вимог виробничого механізму чи вимог щодо захисту самого двигуна від перевантаження забезпечується системою керування з затриманим від’ємним зворотним зв’язком за моментом. Оскільки момент двигуна постійного струму з незалежним збудженням при сталому магнітному потоці пропорційний струму, то замість затриманого зворотного зв’язку за моментом використовують затриманий зворотний зв’язок за струмом, який називають відсічкою.
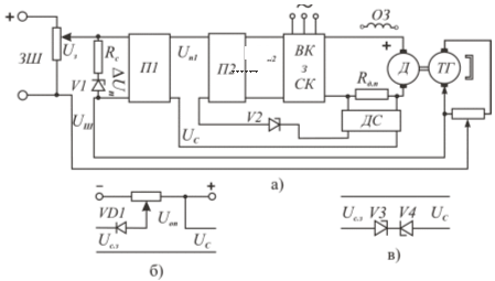
На рис.9 показана функціональна схема стабілізації швидкості з обмеженням струму двигуна.
Затриманий зв’язок за струмом здійснює пристрій струмової відсічки, який може мати регульовану опорну напругу
у виді окремого джерела напруги і діода
(рис.9, б) або зі сталим значенням
, який створює стабілітрон
в нереверсивному електроприводі (рис.9, а) чи стабілітрони
і
у реверсивному (рис.9, в).
ШІП
Рис. 9.
Затриманий від’ємний зв’язок за струмом може подаватись на вхід системи або на окремий операційний підсилювач
, як показано на рис.9, а. У цьому випадку з метою зменшення коефіцієнта зв’язку за струмом доцільно напругу
обмежити за допомогою стабілітрона
, який приєднано до входу підсилювача
через резистор Rc. Це, крім того, забезпечить обмеження струму якоря в процесах прискорення і сповільнення електропривода.
На рис.25 наведена електромеханічна характеристика при дії відсічки за струмом і обмеженні напруги
, яка має три ділянки. На ділянці 1 відсічка за струмом не діє і
описується рівнянням /55/. На ділянці 2 вступає в дію відсічка за струмом і тому система рівнянь /52/ згідно рис.9 набуде вигляду:
/62/
де
- опорна напруга,
і
коефіцієнт підсилення першого і другого підсилювачів.
Рівняння електромеханічної характеристики на другій ділянці отримаємо, розв’язавши систему /62/:
/63/
В /63/ два невідомі:
і
. Тому для обчислення однієї з них необхідно одну, наприклад
, прийняти рівною
. Тоді
і
.
Це призведе до зменшення
проти
, яке було б при
.
За цієї умови рівняння /63/ матиме такий вигляд:
/64/
Підставивши в /64/
, що відповідатиме
, одержують вираз для розрахунку коефіцієнта зворотного зв’язку за струмом:
/65/
Опорна напруга буде рівною:
.
Для формування опорної напруги використовуємо 2 послідовно включені стабілітрони: Д816Д з напругою стабілізації 47В; КС415А з напругою стабілізації 2,4В.
Для зменшення величини
приймають
.
Щоби побудувати електромеханічну характеристику на другій ділянці, визначають швидкість
, підставивши в /55/
. (пряма 2 на Рис.130).
Оскільки
, то при швидкості
необхідно ввести обмеження напруги на вході першого підсилювача (відсічка за швидкістю).
Швидкість
знаходять за рівнянням /64/, підставивши
:
Напруга обмеження (напруга стабілізації стабілітрона)
. /66/
При
зворотний зв’язок за швидкістю не буде діяти, бо напруга на виході першого підсилювача буде
. За цієї умови система стає розімкненою і рівняння електротехнічної характеристики буде таким:
. /67/
Підставивши в /67/
, одержують вираз для обчислення величини стопорного струму:
/68/
, тому система обмеження струму розрахована вірно. Знаючи напругу
, за каталогом підбираємо стабілітрон.
Вважатимемо задаючу напругу джерелом напруги із нульовим внутрішнім опором, а вхідний опір підсилювача П1 значно більшим опору кола джерело напруги Uз - стабілітрон v2 - резистор R1. Тоді за максимально можливої напруги розузгодження (при пуску задаюча напруга рівна 10В, а напруга з виходу тахогенератора - 0В) струм через стабілітрон буде рівним
Умовам роботи задовольняє стабістор 2С107А з максимальним струмом стабілізації 0,12 А, напругою стабілізації 0,7-0,77 В та максимальною потужністю розсіювання 0,125 Вт.
За відомими
і
будують характеристику на ділянці 3. Отримана електромеханічна характеристика має вигляд, зображений на рис. 11.
Рис. 11.
7. Формування динамічних характеристик електропривода
Динамічні характеристики будь-якої системи регулювання представляють собою реакцію системи на стрибкоподібну зміну задаючого сигналу чи збурення. Стосовно автоматизованого електропривода це буде зміна швидкості двигуна, зумовлена миттєвою зміною задаючої напруги чи моменту сил опору (ударне навантаження), і кількісно буде описуватись диференціальним рівнянням системи регулювання при дії вказаних зовнішніх впливів.
Отже, для формування бажаних динамічних процесів необхідно знати диференціальне рівняння системи і мати засоби зміни коефіцієнтів цього рівняння, щоби в системі протікали процеси, близькі до технічно-оптимальних, тобто таких, коли час перехідного процесу буде мінімально можливим і перерегулювання не перевищить 8%.
Узагальнена системи стабілізації швидкості з сумуючим підсилювачем в усталеному режимі описується системою рівнянь /52/. Щоб описати цю ж систему в динамічних режимах, необхідно ці рівняння доповнити членами, які визначають зміну енергії в її ланках. Тому при зміні задаючої напруги
і моменту навантаження
маємо наступну систему рівнянь:
/69/















