125328 (690466), страница 3
Текст из файла (страница 3)
Обґрунтування вибору привода постійного чи змінного струму базується на співставленні їх вартості і економічності роботи, бо за плавністю і діапазоном регулювання вони рівноцінні і дозволяють регулювати швидкість в діапазоні від 10 до 10000 в залежності від потреб виробничих механізмів.
Вартість двигунів постійного струму в 3...4 разів вища вартості трифазних асинхронних двигунів з короткозамкненим ротором. Вартість же силових перетворювачів приводів постійного струму в 2...3 рази нижча. Більше складною і дорогою є система керування перетворювачами частоти. Оскільки вартість двигуна у вартості привода не перевищує 20%, то регульовані електроприводи постійного струму більш дешеві.
Із перетворювачів змінного струму в постійний найбільш дешевими є перетворювачі з широтно-імпульсною модуляцією. Крім того, вони дозволяють зменшити зону переривчастих струмів.
Біля 60% світового виробництва електричної енергії споживають електродвигуни. Тому економічність роботи (ККД,
) електроприводів є дуже важливою в плані енергозбереження.
Коефіцієнти корисної дії двигунів постійного і змінного струму малої і середньої потужності приблизно однакові. Але ККД перетворювача змінного струму в постійний на 2...3% вищий від перетворювача частоти. На 8 - 10% вищий коефіцієнт потужності приводів постійного струму, бо асинхронні двигуни мають номінальні
Отже, електроприводи постійного струму мають дещо кращі енергетичні показники.
При обґрунтуванні вибору принципу дії систем виходять із їх швидкодії і технологічних вимог щодо координації рухів окремих механізмів. В плані діапазону регулювання аналогові і цифрові системи практично рівноцінні, але цифрові системи мають більшу швидкодію і дозволяють краще забезпечувати взаємозв’язаний рух декількох виконавчих механізмів. Тому їх широко використовують в приводах верстатів з числовим програмним керуванням, в приводах роботів та інших складних машин.
За складністю більш простими є аналогові системи керування. За вартістю при використанні мікропроцесорів та інших засобів мікроелектроніки вони майже рівноцінні.
Інколи для підвищення точності регулювання на низьких швидкостях використовують аналого-цифрові системи.
Сучасні системи стабілізації швидкості проектують на підставі принципу регулювання за відхиленням, тобто з від’ємним зворотним зв’язком. В залежності від величини статичної похибки вибирають статичну
чи астатичну
систему. Астатизм системи досягається введенням в контур регулювання інтегруючої ланки.
При необхідності підвищити швидкодію, особливо при ударному навантаженні, проектують комбіновану систему регулювання, яку створюють на підставі принципів регулювання за відхиленням і збуренням.
Зворотні зв’язки в системах регулювання можуть бути різними. Вид зворотних зв’язків визначають діапазон регулювання і їх технічна реалізація. В залежності від діапазону регулювання в системах стабілізації використовують такі зворотні зв’язки:
від’ємний зворотний зв’язок за ЕРС двигуна
;
від’ємний зворотний зв’язок за напругою перетворювача і додатний - за струмом двигуна
;
від’ємний зворотний зв’язок за швидкістю
;
від’ємний зворотний зв’язок за швидкістю і додатний - за струмом двигуна
.
Найбільш дорогим є зворотний зв’язок за швидкістю, бо потрібно використовувати додатково тахогенератор.
При виборі структури системи регулювання - з сумуючим підсилювачем чи з підпорядкованим регулюванням, виходять із простоти налагодження, бо обидві структури можуть забезпечити однакові статичні і динамічні показники роботи. Більш простими в налагодженні є структурні схеми з підпорядкованим регулюванням, бо дозволяють кожний контур налагоджувати незалежно від іншого і це є їх перевагою, але потрібно використовувати більше операційних підсилювачів і тому ці системи дещо дорожчі.
Виходячи з заданого діапазону регулювання Д=55 доцільно вибрати систему стабілізації швидкості зі зворотним зв’язком за швидкістю з сумуючим підсилювачем, оскільки його вартість менша вартості регуляторів швидкості та струму для систем підпорядкованого регулювання. З точки зору економічності оптимальним є електропривод постійного струму з широтно-імпульсним перетворювачем напруги, який дозволяє за рахунок збільшення частоти комутації зменшити величину індуктивності згладжуючого реактора (а відповідно і його вартість).
6. Розрахунки електромеханічних характеристик двигуна і автоматизованого електропривода
Електропривод постійного струму. Натуральна механічна характеристика двигуна постійного струму незалежного збудження описується рівнянням
. /46/
При розрахунках частіше користуються електромеханічною характеристикою, яку одержують з /46/, підставивши
:
. /47/
Формула /47/ є рівнянням натуральної електромеханічної характеристики двигуна (Рис.136).
Електромеханічна характеристика автоматизованого електропривода залежить від його структури.
В регульованому електроприводі живлення двигуна здійснюється від перетворювача електричної енергії (ПЕЕ), в якості якого використовуємо перетворювач з широтно-імпульсною модуляцією (ШІМ).
Широтно-імпульсні перетворювачі відносяться до імпульсних систем регулювання напруги постійного струму і забезпечують плавне регулювання кутової швидкості двигуна шляхом періодичного під’єднання якоря до джерела живлення і відмикання від нього. В період відмикання двигун продовжує обертатись за рахунок накопичених кінетичної і електромагнітної енергій.
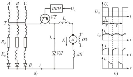
Рис. 5.
Схема живлення двигуна постійного струму від широтно-імпульсного перетворювача показана на Рис.5, а. Вона складається з узгоджуючого трансформатора Т, випрямляча В, зібраного за трифазною нульовою схемою, транзистора VT - електронного вимикача, згладжуючого реактора
і діода VД. Діод VД, шунтуючи коло якоря, утворює коло для струму
(Рис.5, б) джерелом якого є ЕРС самоіндукції, яка виникає в колі якоря в період розімкненого стану електронного вимикача. Це створює умови для безперервного протікання струму
, що значно зменшує його пульсацію і запобігає виникненню комутаційних перенапруг на транзисторі
та на обмотках якорного кола.
Регулювання напруги на якорі досягається змінною тривалості імпульсів
(широтно-імпульсна модуляція) при сталому періоді комутації Т. Середнє значення напруги
де
стала випрямлена напруга;
відносна тривалість імпульсу.
Рівняння електромеханічної характеристики
,
де
середнє значення струму,
, показує, що змінюючи
, можна регулювати швидкість в широкому діапазоні. При цьому жорсткість характеристики
не змінюється, за умови неперервного струму якоря. При невеликих струмах запас електромагнітної енергії
малий, в період пауз струм якоря знижується до нуля і в кривій струму з’являються паузи - струм стає переривчастим, опір якорного кола зростає і жорсткість електромеханічної характеристики зменшується. Це призводить до зменшення діапазону регулювання швидкості.
Основним засобом зменшення зони переривчастих струмів є збільшення частоти комутації. Сучасні силові транзистори дозволяють здійснювати комутацію з частотою 2...10 кГц. Зменшенню зони переривчастих струмів сприяє згладжуючий реактор, збільшуючи ЕРС самоіндукції.
Для розширення діапазону регулювання швидкості використовують замкнені системи, в яких тривалість імпульсу змінюється в залежності від швидкості двигуна за допомогою зворотних зв’язків. При цьому можна використати вертикальний принцип керування за умови, що частота генератора змінної напруги буде рівною частоті комутації.
Еквівалентний опір широтно-імпульсного перетворювача
розраховують за тими ж формулами, що і еквівалентний опір керованого випрямляча, тому
де
- активний опір згладжуючого реактора.
Індуктивний опір
/48/
де
напруга короткого замикання, яка для трансформаторів серії ТС дорівнює 2%,
і
відповідно номінальні фазні напруга і струм первинної обмотки трансформатора,
коефіцієнт трансформації.
Активний опір фази
, /49/
де
потужність короткого замикання трансформатора, яка залежить від його потужності. Використаємо трансформатор серії ТС з
, наведеною в табл. 3.
Таблиця 3
|
| 6,3 |
|
| 175 |
Щоби напруга на якорі двигуна
, діюче значення напруги вторинної обмотки трансформатора
відповідно повинно бути рівним 208 В.
За цією умови коефіцієнт трансформації
. /50/
Номінальний струм первинної обмотки
, /51/
6.1 Розрахунок системи електропривода з сумуючим підсилювачем
Наведемо рівняння, якими описується електромеханічна характеристика системи електропривода з сумуючим підсилювачем:
/52/
де
коефіцієнти передачі підсилювача і силового перетворювача;
еквівалентний опір перетворювача;
коефіцієнт зворотного зв’язку за швидкістю двигуна.
Вихідними даними для розрахунків коефіцієнтів, які входять в рівняння /53/, є задані технічними умовами діапазон регулювання і статизм нижньої електромеханічної характеристики. Діапазон регулювання
, де
і
швидкості ідеальних холостих ходів, що відповідають натуральній і нижній електромеханічній характеристиці. Нижню межу регулювання визначає заданий відносний перепад швидкості, який називається статизмом, при зміні навантаження від нуля до номінального. Отже, статизм замкненої системи регулювання
/53/















