125288 (690426)
Текст из файла
Содержание
Введение
-
Анализ технологического процесса как объекта управления
-
Определение структуры основного контура системы
-
Определение математической модели ОУ и управляющего устройства основного контура
-
Обоснование необходимости адаптивного управления
-
Выбор класса адаптивной системы управления
-
Разработка структурной схемы АдСУ
-
Выбор метода и алгоритма адаптивного управления
-
Разработка функциональной схемы АдСУ
-
Синтез АдСУ
-
Анализ системы по результатам моделирования
Вывод
Введение
При фрезеровании заготовки погрешность обработки вызвана упругими деформациями системы СПИД и зависит от колебаний составляющей силы резания РХ. Колебание силы РХ обусловлено изменением величины снимаемого припуска tП.
Уменьшения погрешности в машиностроении позволяют как снизить экономические затраты на производство деталей, так и уменьшить время на производство.
В данной курсовой работе производится синтез АдСУ на основе разработанной ранее САР, позволяющей стабилизировать погрешность обработки с заданной точностью, при изменении tп в заданных пределах. Хотя САР позволяет уменьшить погрешность производимой детали, при существенном изменении параметров процесса резания такая система не способно адекватно работать. Возникает задача синтеза системы, которая адаптируется к изменениям параметров процессов резания.
-
-
Анализ технологического процесса как объекта управления
Схема процесса:
,
Рис. 1 – Схема процесса
- частота вращения шпинделя,
- скорость подачи,
ППД – привод главного движения,
ПП – привод подачи.
Произведем анализ процесса резания как объекта управления. Анализ будем производить в несколько этапов (рис. 1):
Произведем анализ процесса резания как объекта управления. Анализ будем производить в несколько этапов:
-
Определение состава выходных координат ОУ. При фрезеровании, в качестве выходных координат мы получаем: толщину стружки, вращающий момент, мощность;
-
Выбор выходной координаты, количественно определяющей качество хода ПР. По заданию нам необходимо регулировать погрешность обработки с заданной точностью. Погрешность обработки, в свою очередь, по прямопропорциональна силе резания Px, поэтому именно она будет количественно определять качество хода процесса резания;
-
Выполнение математического описания. Зависимость выходной координаты от различных влияющих на нее факторов описывается так:
где
-
Определение ограничений, в условии которых должен производится ПР. Основным ограничением будет то, что напряжение может регулироваться только вниз, т. е. мы можем только уменьшать входную координату X;
-
Определение состава управляющих координат. На выходную координату оказывают влияние: диаметр фрезы D, число зубьев фрезы z, ширина фрезерования B, подача на зуб Sz, частота вращения шпинделя nш.
-
Выбор управляющей координаты, оказывающей самое эффективное воздействие на выходную координату при соответствующих ограничениях. По условию задания, диаметр и число зубьев фрезы, ширина фрезерования являются постоянными величинами, поэтому мы можем отнести их к входным параметрам. Показатель степени при nш мал, он составляет всего 0,2. Поэтому изменение частоты вращения шпинделя не будет оказывать существенного влияния на силу резания. Ее мы тоже можем отнести к входным параметрам. В качестве управляющей координаты выберем Sz.
-
Определение состава возмущений. По условию задания на процесс резания, в качестве возмущений, действует колебание величины снимаемого припуска. Учитывая все это, мы можем представить процесс резания в качестве объекта управления следующим образом (рис. 2):
Рис. 2 - Процесс резания как ОУ
А формула (2) перепишется следующим образом:
,
где
; (4)
-
Определение диапазона изменения возмущений. Возмущение
изменяется в пределах от 0,7 мм до 1 мм. -
Определение диапазона изменения выходной координаты при совместном действии возмущений. Согласно формуле (4) выходная координата Px будет изменяться в пределах от
до
;
мкм;
мкм;
мкм.
10. Определение возможного диапазона изменения управляющего воздействия. Учитывая функциональные возможности фрезерного станка, мы можем изменять подачу в диапазоне от 0,005 мм/зуб до 0,05 мм/зуб.
11. Определение заданной точности регулирования выходной координаты. Заданная точность
,
мкм.
Так как реальное отклонение выходной координаты больше допустимого, то нам придется регулировать выходную координату, т.е. нам необходимо проектировать систему автоматического регулирования Px .
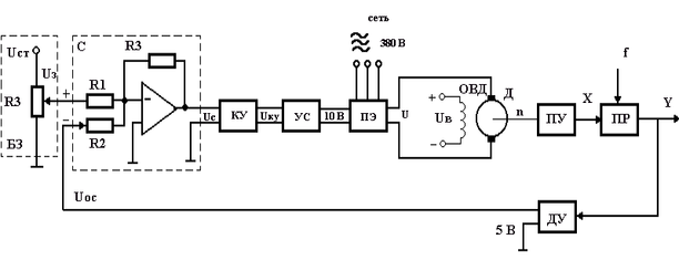
2. Определение структуры основного контура системы
С
хема взаимодействия электропривода и процесса резания приведена на рис. 3:
Рис. 3 - Схема взаимодействия электропривода и процесса резания
САР регулирует выходную координату процесса резания с заданной точностью. Процесс резания на схеме обозначен функциональным блоком ПР, управляющая координата ПР обозначена Х, возмущающее воздействие f. Передаточное устройство – это механическая система, преобразующая механическую энергию вала двигателя в механическую энергию управляющего воздействия процессом резания. ПУ является линейным звеном. С точки зрения динамики является апериодическим звеном первого порядка с постоянной времени
. Двигатель Д преобразует электрическую энергию в механическую энергию вращения вала. Двигатель является машиной постоянного тока с независимым возбуждением. Возбуждение машины осуществляется обмоткой ОВД. Поток возбуждения в процессе регулирования не изменяется и остается равным его номинальному значению. Регулирование скорости двигателя осуществляется изменением напряжения якоря U.
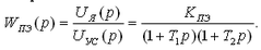
Преобразователь электрической энергии (ПЭ) преобразует электрическую энергию промышленной сети трехфазного переменного тока в электрическую энергию постоянного тока и регулирует величину выходного напряжения U, питающего цепь якоря двигателя Д. Преобразователь энергии является линейным звеном. Выходное напряжение U равно номинальному значению при напряжении управления 10 В. С точки зрения динамики процесса ПЭ представляет собой апериодическое звено второго порядка с постоянными времени
и
.
УС - усилитель, является безынерционным звеном, усиливает напряжение, поступающее от корректирующего устройства.
КУ - корректирующее устройство. Корректирующее устройство корректирует динамические свойства САР. Статический коэффициент передачи КУ равен 1.
БЗ - блок задания, состоящий из источника стабилизированного напряжения и резистора R3, задает напряжение Uз величина которого определяет величину задания выходной координаты САР.
ДУ - измерительная система выходной координаты процесса резания. С точки зрения динамики представляет собой апериодическое звено первого порядка с постоянной времени ТДУ. При номинальном значении выходной координаты выдаёт напряжение Uос=5 В.
С - сумматор на базе операционного усилителя, безынерционное звено с коэффициентом передачи равным 1. Суммирование осуществляется по алгоритму Uс=Uз-Uос.
Функциональная схема будет выглядеть так (рис. 4):
Рис. 4 - Функциональная схема САР
Иначе, по алгоритму функционирования данная САР является следящей. В ней выходная величина – скорость резания – регулируется с заданной точностью при изменением напряжения на входе, т.е. система управляет выходной координатой. На вход системы подается напряжение Uз, соответствующее заданной скорости резания. Это напряжение сравнивается с напряжением Uос, поступающим с датчика обратной связи. Если существует ненулевая разница этих напряжений – ошибка регулирования , то она с соответствующим знаком поступает на КУ, УС, ПЭ. ПЭ таким образом меняет напряжение на своем выходе, чтобы свести ошибку регулирования - путем изменения скорости вращения двигателя к минимуму или нулю. Если на систему действуют возмущения, то система с обратной связью будет компенсировать эти возмущения, поддерживая скорость резания постоянной.
-
Определение математической модели ОУ и управляющего устройства основного контура
Структурную схему составим на основании функциональной схемы, используя данные курсовой работы по САУ
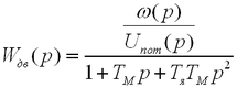
Преобразователь энергии, с точки зрения динамики процесса является апериодическим звеном второго порядка. Его передаточная функция:
Значение постоянных времени T1 и T2 дано в исходных данных, а значение коэффициента передачи найдем из условия номинального значения напряжения якоря двигателя.
Согласно системе уравнений:
двигатель можно представить в виде следующей схемы (рис. 5):
Рис. 5 - Схема электропривода
Передаточная функция двигателя рассчитывается следующим образом:
кг*м2; откуда:
Передаточная функция имеет следующий вид:
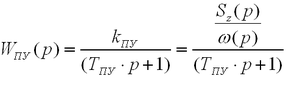
Передаточное устройство является линейным звеном. Зная номинальные значения частоты вращения вала двигателя и подачи на зуб фрезерного станка, запишем передаточную функцию:
=0,008
тогда Wпу(р) =
[мм*мин/(зуб*об)]
Процесс резания как объект управления с учетом возмущений опишем используя формулу (4). Но описанный процесс резания будет нелинейным звеном, а в данной части ТАУ мы изучаем линейные звенья. Поэтому нам придется линеаризовать это звено. Для этого построим график изменения погрешности обработки от подачи и проведем касательную в рабочей точке этой зависимости (рис. 6).
Δ[мкм]
S[мм/об]
Рис. 6 - Линеаризация процесса резания
Уравнение касательной будет иметь вид:
Характеристики
Тип файла документ
Документы такого типа открываются такими программами, как Microsoft Office Word на компьютерах Windows, Apple Pages на компьютерах Mac, Open Office - бесплатная альтернатива на различных платформах, в том числе Linux. Наиболее простым и современным решением будут Google документы, так как открываются онлайн без скачивания прямо в браузере на любой платформе. Существуют российские качественные аналоги, например от Яндекса.
Будьте внимательны на мобильных устройствах, так как там используются упрощённый функционал даже в официальном приложении от Microsoft, поэтому для просмотра скачивайте PDF-версию. А если нужно редактировать файл, то используйте оригинальный файл.
Файлы такого типа обычно разбиты на страницы, а текст может быть форматированным (жирный, курсив, выбор шрифта, таблицы и т.п.), а также в него можно добавлять изображения. Формат идеально подходит для рефератов, докладов и РПЗ курсовых проектов, которые необходимо распечатать. Кстати перед печатью также сохраняйте файл в PDF, так как принтер может начудить со шрифтами.
изменяется в пределах от 0,7 мм до 1 мм.
(рад/сек); 














