125288 (690426), страница 2
Текст из файла (страница 2)
Для получения коэффициента передачи при действии возмущении tп проанализируем уравнение
, где
; т.к. здесь tп в первой степени, то зависимость уравнения с аргументом tп можно считать линейной. Значит коэффициент усиления по возмущению tп К1 = 1 .
Таким образом, процесс резания представляется в следующем виде (рис. 7):
Рис. 7 - Линеаризованный процесс резания
Где К – тангенс угла наклона касательной к графику в рабочей точке. К = 253.2. Δ0 – отклонение касательной от начала координат. Δ 0 = 4.3.
- возмущение, действующее на систему. K1 – коэффициент передачи системы при действии возмущения. К1=1
Датчик обратной связи, Wду(р)=Кду/(Тду*р+1); Wду(р)=5/14.35=0.348 В/мкм
Усилитель УС. Для обеспечения требуемых свойств САР то коэффициент принимаем исходя из следующих условий:
т.к. Δз = Δр/(1+Крс),
и Δз = 0.001*Δр, тогда:
Δр/(1+Крс)= 0.001*Δр;
1+Крс=1000;
Крс =999;
Крс = 999 = Кус*Кпэ*Кд*Кпу*Кпр*Кду = 0,046*Кус, откуда Кус = 21546.
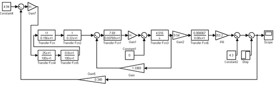
Учитывая все сказанное выше составляется структурная схема САР (рис. 8):
Рис. 8 - Структурная схема САР
Корректирующее устройство.
В качестве корректирующего устройства принимаем интегродифференцирующее звено с передаточной функцией вида:
После расчета корректирующего устройства по методу анализа и синтеза САР с использованием ЛЧХ принимаем:
В качестве корректирующего устройства
Переходный процесс получившейся САР (идет стабилизация возмущения на 10 секунде моделирования) (рис. 9, 10):
Рис. 9 - Основной контур системы
Рис. 10 - Структурная схема системы
-
Обоснование необходимости адаптивного управления
Данная схема обеспечивает лишь устойчивость системы при отсутствии параметрических возмущений или при их весьма маленьком воздействии. На практике с течением времени могут меняться параметры объекта управления. Данная система не может обеспечить требуемое качество переходного процесса при значительных возмущениях, поэтому необходимо синтезировать систему управления, способную компенсировать действие параметрических возмущений.
Обеспечение высокой точности изготовления деталей современных машин при использовании обычных методов лезвийной обработки сопряжено с большими материальными затратами, высокой трудоёмкостью и связано с понижением производительности обработки. Традиционные методы решения этой задачи, такие как увеличение точности и жёсткости станков, в настоящее время уже исчерпали себя. Эту проблему можно решить путём применения станков с программным управлением, системами адаптивного управления движениями резания. Адаптивное резание - это способ механической обработки, обеспечивающий оптимизацию процесса за счёт изменения условий обработки, прежде всего режимов резания в зависимости от конкретных условий. АдСУ перерабатывают непрерывно поступающую информацию о величине принятого для регулирования критерия, например силы, температуры, интенсивности вибраций.
Коэффициент передачи процесса резания за один проход может изменяться более чем в 100 раз. Кроме рассмотренных факторов на изменение системы могут оказывать влияние и другие факторы: изменение условий среды, в которой происходит обработка (изменение свойств СОЖ), изменение физико-химических свойств обрабатываемого и инструментального материала. При таких вариациях коэффициента передачи процесса резания обычные САУ с постоянными параметрами корректирующих и управляющих элементов не смогут обеспечить требуемые условия точности в изменяющихся условиях процесса резания.
Например, при изменении коэффициента передачи процесса резания в 10 раз переходный процесс обычной САУ будет выглядеть так, как показано на рисунке. Видно, что система не может справиться с такими возмущениями (рис. 11).
Рис. 11
Для обеспечения требуемых свойств системы необходимо синтезировать структуру АдСУ, инвариантную к изменению коэффициента передачи объекта управления.
-
Выбор класса адаптивной системы управления
По типу контура адаптации выбираем замкнутую систему. По способу адаптации различаются адаптивная система управления с прямой и непрямой адаптацией. Так как математическая модель процесса точения известна, то адаптивная система управления должна приблизить движение реальной системы управления к движению «эталонной модели», т.е. выбираем адаптивная система управления с прямой адаптацией.
-
Разработка структурной схемы АдСУ
Для того, чтобы исключить влияние изменения коэффициента резания при действии возмущенийна погрешность обработки, необходимо построить систему, которая бы отслеживала изменение этого коэффициента и вводила в основной контур корректирующий сигнал, обратно пропорциональный коэффициенту передачи процесса резания. При этом управляющее воздействие привода подачи изменится, значит изменится и скорость вращения двигателя, а следовательно и подача, причем ее изменение будет пропорционально изменению коэффициента резания.
-
Выбор метода и алгоритма адаптивного управления
По характеру настройки устройства управления основного контура выбираем самый простой тип адаптивной системы управления – самонастраивающаяся:
-
Разработка функциональной схемы АдСУ
Сигнал с преобразователя энергии подаётся на модель и реальный объект, которые включают в себя двигатель и процесс резания. Далее, выходной сигнал реального объекта делится на выходной сигнал модели, получаем сигнал, пропорциональный изменению коэффициента передачи процесса резания. Затем, напряжение на выходе преобразователя изменяем в соответствующую сторону делением выхода преобразователя на полученный сигнал (рис. 12).
Рис. 12 - Функциональная схема АдСУ
-
Синтез АдСУ
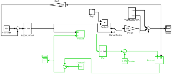
Синтезированная АдСУ приведена на рисунке (рис. 13):
Рис. 13
10. Анализ системы по результатам компьютерного моделирования
Из графиков переходных процессов, протекающих в системе видно, что система без контура стабилизации не удовлетворяет никаким требованиям задания, т.к. при любом изменении коэффициента резания изменяется и погрешность обработки, что недопустимо (рис. 14).
Рис. 14 - Переходной процесс в системе с отключенными контуром адаптации при изменении коэффициента резания в 5 раз
При включении контура адаптации процесс остаётся устойчивым при любом изменении коэффициента резания (рис. 15, 16):
Рис. 15 - Переходный процесс в системе с включенным контуром адаптации при изменении коэффициента резания в 10 раз
Рис. 16 - Изменение напряжения на входе двигателя в системе с включенным контуром адаптации при изменении коэффициента резания в 10 раз (сигнал коррекции)
Как видно из рисунков, адаптивный наблюдатель очень быстро определяет изменение коэффициента резания и может уверенно отслеживать это изменение. Но система отрабатывает управляющий сигнал достаточно долго. Это связано с большой инерционностью электропривода. Но, как показывает опыт, изменение коэффициента резания в десятки раз, происходит обычно не слишком быстро. Поэтому данная система может быть вполне работоспособной в реальных условиях.
Вывод
В процессе выполнения курсовой работы был рассмотрен процесс резания, как объект управления. Была поставлена задачу проектирования системы управления приводом подачи, которая была бы инвариантна к изменению коэффициента резания и других параметров внутри объекта управления на основе уже разработанной САР. Параметрами изменения коэффициента резания могут быть: износ инструмента, глубина резания, твердость материала заготовки, а также температура окружающей среды, свойства охлаждающей жидкости, изменение геометрии инструмента, загрязнения, износ механизма подачи и др. В результате была синтезирована простейшая система адаптивного управления, которая, тем не менее, полностью удовлетворяет поставленным задачам. Полученная система устойчива и отрабатывает любые теоретически сколь угодно большие изменения коэффициента резания. Все элементы контура адаптации физически реализуемы. Поставленные цели были достигнуты.















