125213 (690340), страница 5
Текст из файла (страница 5)
Рисунок 7.2 Зависимость среднего действующего тока в диоде от скважности.
Где кривая “1” – при скорости 314 рад/с;
кривая “2” – при скорости 250 рад/с;
кривая “3” – при скорости 150 рад/с;
кривая “4” – при скорости 50 рад/с.
8. Расчет энергетических характеристик
Потери в двигателе складываются из переменных, зависящих от нагрузки, и постоянных потерь, не зависящих от нагрузки.
Мощность потребляемая двигателем равна:
; (8.1)
где
Вт - номинальная мощность двигателя.
Вт;
Вт;
Потери мощности в якоре двигателя определяются из выражения:
; (8.2)
Вт;
Номинальные потери в двигателе:
; (8.3)
Вт;
Механические потери двигателя постоянного тока составляют 0.5% от номинальных потерь:
; (8.4)
Вт;
Потери в стали:
(8.5)
Для построения зависимости
и
можно воспользоваться (4.2) преобразовав ее следующим образом:
;
;
; (8.6)
; (8.7)
; (8.8)
; (8.9)
; (8.10)
; (8.11)
Расчетные значения функции
представлены в таблице 8.1
Таблица 8.1 Расчет функции
|
| 417 | 360 | 314 | 250 | 200 | 120 | 70 |
|
| 1 | 0.69 | 0.55 | 0.43 | 0.37 | 0.3 | 0.26 |
В графической форме расчет значений
изображен на рисунке 8.1
Рисунок 8.1 Зависимость К.П. Д от скорости
Расчетные значения функции
представлены в таблице 8.2
Таблица 8.2 Расчет функции
|
| 0 | 3 | 7 | 12.5 | 25 | 40 | 51 |
|
| 1 | 0.84 | 0.69 | 0.55 | 0.38 | 0.28 | 0.23 |
В графической форме расчет значений
изображен на рисунке 8.2
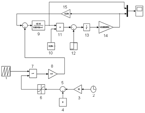
9. Математическая модель системы ШИП – ДПТ
Математической моделью системы ШИП – ДПТ для плавного пуска будет являться модель обычного ДПТ, с той лишь разницей, что на якорь напряжение должно подаваться импульсами с возрастающей скважностью. Моделью системы может быть модель представлена на рисунке 1 выполнена в пакете “Matlab”
Рисунок 1 Модель системы ШИП – ДПТ
Генератор пилообразных колебаний “1” вырабатывает колебания пилообразной формы с периодом равным периоду коммутации транзистора
, и амплитудой равной “10” форма которых представлена на рисунке 2.
Рисунок 2 Сигнал 1 на входе компаратора
Блоки “2” и “3” формируют возрастающую во времени функцию, наклон которой может регулироваться изменением коэффициента блока “3”. В нашем случае коэффициент должен быть равным амплитуде пилообразных колебаний.
Предполагается, что формирование импульсов происходит с минимального значения скважности принятого, например,
. Изменять начальную скважность можно изменяя значение блока “4”. С возрастанием времени будет уменьшаться разность функций после сумматора “5”. Ограничение этого разностного сигнала с помощью блока ограничения “6” на уровне равном “0.6”, позволит в дальнейшем получить рассчитанную ранее номинальную скважность
.
Вид полученного разностного сигнала с ограничением на уровне “0.6” представлен на рисунке 3.
Рисунок 3 Сигнал 2 на входе компаратора
Этот сигнал поступает на вход компаратора “7” совместно с сигналом от блока пилообразных колебаний. На компараторе эти два сигнала сравниваются, и в моменты времени когда функции оказываются равными, компаратор “7” на выходе выдает единичный импульс. Сигнал с выхода компаратора показан на рисунке 3. Рассмотрен не все время пуска, а только три периода коммутации ключа ввиду сильного загромождения графика.
Рисунок 4 Формирование импульсов.
С помощью усилителя “8” полученные импульсы усиливаются до величины требуемого напряжения
В.
Модель двигателя постоянного тока применяется стандартной и подробно описываться не будет. Данные для моделирования ДПТ берутся из расчета схемы замещения. Блок “9” является передаточной функцией Uя=>Iя. Далее полученный ток умножается на блоке умножения “11” с потоком полученным с блока “10”. Полученный в результате умножения момент складывается на сумматоре с моментом сопротивления имеющим отрицательный знак. Во избежание захода скорости в отрицательную область в начальные моменты времени, момент сопротивления подается лишь после достижения двигателем номинальной скорости. Это реализовано с помощью блока “12”. Блоки “13” и “14” являются передаточной функцией вида М-Мс=>
. Противо-Э.Д.С. определяется умножением угловой скорости
на поток в блоке “15”. Сравнение угловых скоростей и токов якоря при прямом и плавном пуске для одного и того же двигателя графически представлено на рисунке 5
Рисунок 5 Ток и скорость при разных пусках
где кривая “1” - график изменения угловой скорости от времени при прямом пуске;
кривая “2” - график изменения тока якоря от времени при прямом пуске;
кривая “3” - график изменения угловой скорости от времени при плавном пуске;
кривая “4” - график изменения тока от времени при плавном пуске;
Время пуска можно увеличивать или уменьшать, изменяя соответствующим образом значение коэффициента блока “3”.
ВЫВОД
В ходе выполнения курсового проекта была произведена оценка эффективности использования широтно-импульсных преобразователей для промышленности и других отраслей народного хозяйства, а также возможность применения ШИП для плавного пуска двигателя.
В процессе работы были разработаны принципиальная, функциональная схемы проектируемого стенда, а также разработана и смонтирована система управления силовым транзистором на базе микроконтроллера PIC 16F 877. Рассчитаны и выбраны силовые элементы цепи, рассчитана схема замещения, построены статические и энергетические характеристики, а также методом математического моделирования в пакете “Matlab” получена модель системы ШИП – ДПТ. На основании полученных динамических характеристик сделаны выводы относительно разности прямого и плавного пуска.
















