125165 (690323)
Текст из файла
КУРСОВА РОБОТА
на тему:
«Вибір і розрахунок технічних параметрів гладкої циліндричної сполуки»
1. Розрахунок гладкої циліндричної сполуки 2 – шестірня – вал
Якщо в сполуці присутня шпонка, то рекомендується вибрати перехідну посадку. Точність виготовлення посадкового отвору в шестірні практично не має значення, і поле допуску його може бути обрано, відповідно до рекомендації [3], наприклад H7. поле допуску посадкової поверхні вала – m6.
По номінальному розмірі й полям допусків, користуючись даними [3, таблиці А.2 і А.3], знаходимо значення граничних відхилень посадкового отвору втулки O50H7 і посадкової поверхні вала O50m6:
Розраховуємо значення граничних розмірів деталей сполуки O50H7/m6:
Знаходимо допуски розмірів отвору O50H7 і вала O50m6:
Посадка H7/m6 є перехідною посадкою, тому розраховуємо значення максимального натягу й максимального зазору:
Визначаємо допуск посадки:
Малюнок 1 – Схема розташування полів допусків
Для нормальної роботи сполуки потрібне дотримання форми деталей, що сполучаються. Тому що поверхні циліндричні, то знаходимо величину відхилення від циліндричності. Приймаємо для даної сполуки відносну геометричну точність форми нормальну. По [3, таблиця А.5] для 7-го квалітету ступінь точності форми буде 6, для 6-го квалітету ступінь точності форми встановлена 5. Тоді [3, таблиця А.6] допуск циліндричності для отвору буде 8 мкм, а для вала – 5 мкм.
Для нормальної відносної геометричної точності допускаються значення, що, параметра шорсткості Ra залежно від допуску розміру T (D, d) і форми встановлюються з умови:
.
Для отвору O50H7 граничне значення параметра:
Підбираємо значення
[3, таблиця А.7]
Для вала O50m6 граничне значення параметра
Остаточно вибираємо
[3, таблиця А.7]
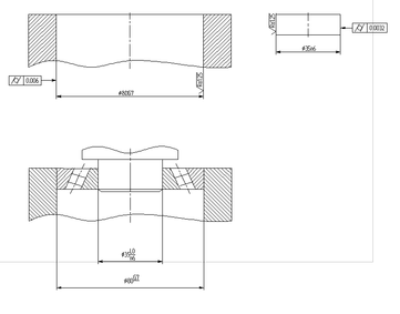
Малюнок 1.1 – сполука шестірня – вал
2. Розрахунок калібрів для контролю гладких циліндричних сполук
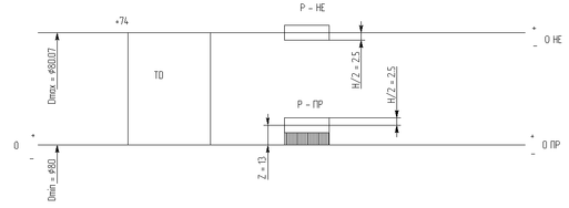
Визначаємо характеристики робочого прохідного й робітника непрохідного для отвору.
Калібр пробка O80H9 (Z=13, H=5):
Малюнок 2 – Схема розташування полів допусків
Вибираємо нормальну геометричну точність. Для 3-го квалітети ступінь точності форми буде 2. Допуск для калібру пробки становить 1,6 мкм [3, таблиця А.6].
Малюнок 2.1 – Калібр пробка
Визначаємо характеристики робочого прохідного й робочого непрохідного для вала.
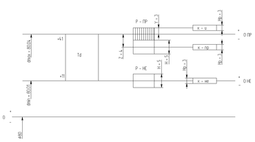
Калібр скоба O80m7 (Z1=4, H1=5, Y1=3, Hp=3):
Вибираємо нормальну геометричну точність.
Будуємо схему розташування полів допусків калібру скоби (мал. 2.2).
Малюнок 2.2 – Схема розташування полів допусків
Малюнок 2.3 – калібр скоба
3. Розрахунок підшипникової сполуки 7 – підшипник – корпус і 8 – підшипник – вал
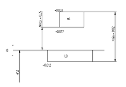
Визначимо розміри кулькового підшипника 7307: d = 35 мм, D = 80 мм, B = 85 мм.
Виходячи з умов роботи вузла можна зробити висновок про те, що характер навантаження зовнішнього кільця місцевий а внутрішнього – коливальний. У загальному машинобудуванні використовуються підшипники 0-го й 6-го класів точності. Виберемо підшипник 0-го класу точності. По [3, таблиці A.9, A.10] вибираємо граничні відхилення зовнішнього кільця Ø80 мм для l0 (0; – 0,013) і внутрішнього кільця Ø35 мм для L0 (0; – 0,012).
При місцевому характері навантаження посадка зовнішнього кільця підшипника з корпусом повинна бути із зазором, вибираємо по [3, таблиця А.11] поле допуску корпуса G7 (+0,040;+0,010), а при циркуляційному характері навантаження сполука внутрішнього кільця підшипника з валом повинне бути з натягом, вибираємо поле допуску вала n6 (+0,033;+0,017).
Визначаємо граничні розміри кілець підшипника й граничні розміри й допуски посадкових поверхонь вала й корпуса:
– зовнішнє кільце підшипника Ø80l0 (0; – 0,013):
– внутрішнє кільце підшипника Ø35L0 (0; – 0,012):
– отвір O80G7 (+0,04;+0,01):
– вал Ø35n6 (+0,033;+0,017):
Визначаємо граничні зазори й натяги сполук:
– внутрішнє кільце підшипника – вал (L0/ n6) – посадка в системі отвору з натягом:
– зовнішнє кільце підшипника – корпус (G7/l0) – посадка в системі вала із зазором:
Будуємо схеми розташування полів допусків підшипникової сполуки, указуючи зазори й натяги (мал. 3).
Малюнок 3 – Схеми розташування полів допусків підшипникової сполуки
По [3, таблиця А.14] визначаємо шорсткість посадкових поверхонь:
– вала –
мкм;
– отвору –
напівтемний
Відхилення від циліндричності деталей під підшипники кочення при підвищеній відносній геометричній точності рівної 0,2 від допуску на розмір:
– допуск циліндричності вала:
– допуск циліндричності отвору:
Остаточно приймаємо по [3, таблиця А.8]: для вала допуск циліндричності 3,2 мкм, для отвору – 6 напівтемний.
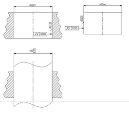
Малюнок 3.1 – Підшипникова сполука
4. Розрахунок посадок шпонкової сполуки 9 – шестірня – шпонка – вал
По діаметрі вала в [3, таблиця А.15] визначаємо розміри шпонки: при d = 50 мм: при b = 14 мм – ширина шпонки, h = 9 мм – висота шпонки, t1 = 5,5 мм, t2 = 3,8 мм.
По [3, таблиця А.16] для призматичних шпонок при вільній сполуці поля допусків по розмірі b приймаються наступні: для шпонки – 14h9 (0; -0,043), для паза вала – 14H9 (+0,043; 0), для паза втулки – 14D10 (+0,120; +0,05).
Розміри вала
й втулки
, будуть мати відхилення [3, таблиця А.17]:
Висота шпонки h має поле допуску h11. глибини канавок, що сполучаються з нею, (пазів) мають поле допуску H12.
3 Визначаємо граничні розміри й допуск розміру ширини шпонки 14h9 (0; -0,043):
Визначаємо граничні розміри й допуск розміру ширини паза втулки 14D10 (+0,120; +0,05):
Визначаємо граничні розміри й допуск розміру ширини паза вала 14H9 (+0,043; 0):
Визначаємо натяги й зазори між пазом втулки й шпонкою 14D10 (+0,120; +0,05)/ h9 (0; -0,043):
Визначаємо натяги й зазори між пазом вала й шпонкою 14H9 (+0,043; 0)/ h9 (0; -0,043):
Будуємо схему розташування допусків деталей шпонкової сполуки (мал. 4).
Малюнок 4 – схема розташування допусків деталей шпонкової сполуки
Для складання важливо правильне розташування канавок (пазів) на валу й у втулці. Тому призначаються такі норми, як допуски симетричності осі канавок (пазів) щодо осі вала й щодо осі отвору втулки й допуск паралельності площини осі канавки до осі вала або отвору.
Допуск паралельності площини симетрії паза щодо осі шпонкового паза по довжині паза в отворах дорівнює
, допуск симетричності шпонкового паза щодо осі при сполуці з одною шпонкою дорівнює
, де
– допуск на ширину шпонкового паза.
Таким чином, для паза вала:
– допуск паралельності дорівнює
– допуск симетричності дорівнює
Значення допусків, розраховані по формулах, варто округлити до найближчого значення зі стандартного ряду допусків по [3, таблиця А.8].
Остаточно приймаємо допуск паралельності рівним 0,02 мм, допуск симетричності рівним 0,08 мм.
Для паза втулки:
– допуск паралельності дорівнює
– допуск симетричності дорівнює
Значення допусків, розраховані по формулах, округляємо до найближчого значення зі стандартного ряду допусків по [3, таблиця А.8].
Остаточно приймаємо допуск паралельності рівним 0,03 мм, допуск симетричності рівним 0,1 мм.
По [3, таблиця А.18] призначаємо шорсткості для нерухливої сполуки:
– робоча поверхня паза вала –
– робоча поверхня паза втулки –
– неробоча поверхня шпонки –
– неробоча поверхня паза вала –
– неробоча поверхня паза втулки –
Малюнок 4.1 – Шпонкова сполука
5. Розрахунок сполуки 7 – блок шестірень – вал
За даними завдання (
) і [3, таблиця А.19] визначаємо розмір ширини зуба b сполуки: b = 12 мм. Вибираємо спосіб центрування по D, тому що при даній нерухливій сполуці пред'являється вимога до точності співвісності елементів сполуки.
Користуючись даними [3, таблиця А.20], призначаємо посадки вала й втулки, причому тому що розмір d не є що центрує, тому для діаметра вала d допуск не призначають: при що не центрує d – для вала менший діаметр d не менш діаметра d1 (у цьому випадку d1 = 69,6), для втулки Н11.
«D» > H7/f7;
«b» > F8/f7.
Позначення обраної сполуки:
.
Виходячи із призначених посадок, визначаємо значення граничних відхилень (користуючись даними [3, таблиці А.1 – А.4]), допуски розмірів, граничні значення й допуски зазорів або натягів:
Для меншого діаметра втулки O72Н11 (+0,19; 0):
Для меншого діаметра вала O72:
Для сполуки вала й втулки по меншому діаметрі O72:
Будуємо схему розташування полів допусків для сполуки вала й втулки по меншому діаметрі (мал. 5).
Характеристики
Тип файла документ
Документы такого типа открываются такими программами, как Microsoft Office Word на компьютерах Windows, Apple Pages на компьютерах Mac, Open Office - бесплатная альтернатива на различных платформах, в том числе Linux. Наиболее простым и современным решением будут Google документы, так как открываются онлайн без скачивания прямо в браузере на любой платформе. Существуют российские качественные аналоги, например от Яндекса.
Будьте внимательны на мобильных устройствах, так как там используются упрощённый функционал даже в официальном приложении от Microsoft, поэтому для просмотра скачивайте PDF-версию. А если нужно редактировать файл, то используйте оригинальный файл.
Файлы такого типа обычно разбиты на страницы, а текст может быть форматированным (жирный, курсив, выбор шрифта, таблицы и т.п.), а также в него можно добавлять изображения. Формат идеально подходит для рефератов, докладов и РПЗ курсовых проектов, которые необходимо распечатать. Кстати перед печатью также сохраняйте файл в PDF, так как принтер может начудить со шрифтами.















