125056 (690258), страница 3
Текст из файла (страница 3)
В результате синтеза была получена передаточная функция ПИ-регулятора. В общем виде передаточная функция ПИ-регулятора выглядит следующим образом:
,
где KП – коэффициент пропорциональной части, КИ – коэффициент интегрирующей части, которые необходимо вычислить для построения регулятора в реальной системе регулирования давления.
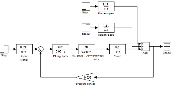
Промоделируем систему с ПИ регулятором и возмущающими воздействиями.
Моделирование системы управления c возмущающими воздействиями и ПИ-регулятором в Simulink
По полученным результатам можно судить, что система быстро отрабатывает возмущение и возвращается в исходное устойчивое состояние с заданными показателями качества, поэтому синтез ПИ - регулятора проведён верно.
3 Предложения по автоматизации насосной станции
Наиболее экономичным является такой режим работы насосов, когда при изменяющемся разборе развиваемый насосами напор соответствовал бы минимально необходимому значению и не превышал его. Этого можно добиться путем автоматического изменения частоты вращения электродвигателей насосов с помощью частотно-регулируемых приводов (ЧРП).
Таким образом, основной целью создания автоматизированной системы управления стало:
-
автоматическое поддержание заданного давления воды в коллекторе;
-
создание наиболее экономичного режима работы насосов с помощью ЧРП;
-
оперативный диспетчерский контроль за параметрами процесса;
-
выявление аварийных ситуаций и/или неисправностей технологического оборудования с выдачей аварийно-предупредительной сигнализации и с занесением в журнал событий.
-
обработка аналоговой и дискретной информации по заданному алгоритму и формирование qнеобходимых сигналов для управления технологическим оборудованием;
-
передача информации о текущем состоянии оборудования, о параметрах и состоянии технологического процесса на верхний уровень (при работе в составе АСУ ТП предприятия);
3.1 Описание синтезируемой системы
Три уровня, обеспечивающие функции оперативного контроля и управления – нижний, средний и верхний (рис. 2).
Рис. 2. Уровни АСУ ТП
-
Нижний уровень АСУ ТП объекта автоматизации.
Основные компоненты:
-
датчики;
-
исполнительные механизмы.
Решаемые задачи:
преобразования физических параметров технологического объекта в унифицированные электрические сигналы.
преобразования унифицированных управляющих сигналов автоматизированной системы в механические и др. виды воздействий на течение технологического процесса.
-
Средний уровень АСУ ТП объекта автоматизации.
Основные компоненты:
-
модули устройства сопряжения с объектом;
-
программируемый логический контроллер;
-
программное обеспечение контроллера;
Решаемые задачи:
- сбор и обработка сигналов с датчиков;
- выявление отклонений технологических параметров процесса от регламентных значений;
- выдача сигналов для аварийной защиты и блокировки технологического оборудования при нарушении регламентных уставок;
- расчет и выдача в виде электрических сигналов, управляющих воздействий для ИМ и технологических агрегатов, обеспечивающих реализацию программно - логического управления технологическим процессом и регулирование значений параметров;
- представление информации (сигнализация) по критичным значениям параметрам;
- передача данных между УСО и ПЛК, ПЛК и верхним уровнем АСУ ТП
- автоматическая самодиагностика и диагностика нижнего уровня.
-
Верхний уровень АСУ ТП объекта автоматизации.
Основные компоненты:
-
рабочая станция;
-
аппаратные средства для обеспечения обмена данными с контроллерами
Решаемые задачи:
- диагностика подсистем среднего и верхнего уровней;
- конфигурирование и настройка контролеров, сети передачи данных, каналов измерения.
- ведение архивов изменения параметров СКУ;
- составление отчетов по запросу оператора.
Выбор КТС нижнего уровня АСУ ТП
Группы КТС в составе нижнего уровня:
системы измерения давления;
системы измерения расхода;
частотные преобразователи
1. Системы измерения давления
Основные критерии выбора:
диапазон измерений – 0…5,5 кг/см2 (0…550 кПа);
предел погрешности измерения – не более 1%;
выходной унифицированный сигнал – желательно 4-20мА;
средний срок службы.
Дополнительное условие: датчик должен быть предназначен для измерения избыточного давления.
Проведём сравнение датчиков давления трех фирм: ЗАО "Автоматика", ПГ "Метран", фирма "Элемер" (табл. 1.).
Таблица 1
Технические данные датчиков давления
| Предел измерений, кПа | Предел Погрешности измерения, , % | Выходной унифицированный сигнал, мА | Средний срок службы, лет |
| ЗАО "Автоматика" – ПД-1И | |||
| 700 | 0,5 | 4-20 | – |
| ПГ "Метран" – Метран-43-ДИ 3156-МП | |||
| 700 | 0,64 | 4-20 | 12 |
| Фирма "Элемер" – АИР-20-ДИ 130 | |||
| 1000 | 1 | 4-20 | 12 |
По приведенным техническим данным датчиков давления можно сразу исключить датчик АИР-20-ДИ 130 фирмы "Элемер", т.к. диапазон пределов его измерений значительно превышает измеряемый. Датчик ПД-1И ЗАО "Автоматика" по характеристикам соответствует датчику Метран-43-ДИ 3156-МП ПГ "Метран" и даже превосходит его по точности измерения, но у последнего оговорен средний срок службы в 12 лет и предел погрешности измерения не значительно уступает первому, что дает ему преимущество при выборе.
2. Системы измерения расхода
Основные критерии выбора:
диапазон измерений – 0…500 м3/ч;
предел погрешности измерения – не более 5%;
выходной унифицированный сигнал – желательно 4-20мА;
средний срок службы.
Сравним датчики расхода трех фирм: ЗАО "Взлет", ПГ "Метран", фирма "Теплоприбор" (табл. 2).
Таблица 2
Технические данные датчиков расхода
| Диапазон пределов измерений, м3/ч | Предел погрешности измерения, , % | Выходной унифицированный сигнал, мА | Средний срок службы, лет |
| ЗАО "Расход" – Расход 7 | |||
| 0…550 | 4 | 4-20 | 12 |
| ПГ "Метран" – Метран-300-ПР-25 | |||
| 1…500 | 3 | 4-20 | 12 |
| Фирма "Теплоприбор" – UFM 005-25 | |||
| 0…800 | 5 | 0-5 | – |
Следует отметить, что в устройствах ЗАО "Расход" и фирмы "Теплоприбор" применен ультразвуковой способ подсчета расхода жидкости, а в устройстве ПГ "Метран" – вихреакустический. У ультразвукового датчика явное преимущество: у него нет деталей расположенных поперек потока, а его внутренняя поверхность абсолютно гладкая по сравнению с вихреакустическим датчиком. В виду этого датчик Метран-300-ПР-25 исключается. По приведенным техническим данным датчиков расхода можно сразу исключить датчик "Теплоприбор" – UFM 005-25, т.к. диапазон пределов его измерений значительно превышает измеряемый. Выбираем датчик ЗАО "Расход" – Расход 7.
3. Частотные преобразователи
Основные критерии выбора:
диапазон пределов измерений – 0…200 кВт;
предел погрешности измерения – не более 1%;;
выходной унифицированный сигнал – желательно 4-20мА;
средний срок службы.
Сравним частотные преобразователи трех фирм: "Siemens", "Hitachi", "Keb" (табл. 3).
Таблица 3
Технические данные частотных преобразователей
| Диапазон пределов измерений | Рабочая температура t,грС | Выходной унифицированный сигнал, мА | Средний срок службы, лет |
| "Siemens" – Micromaster 430 | |||
| 7,5…250 | -10…+50 | 4-20 | 12 |
| "Hitachi" – L300P | |||
| 1,5…250 | -10…+40 | 4-20 | - |
| "Keb" - Combivert F5-M | |||
| 0,37…315 | -10…+45 | 4-20 | 10 |
Частотный преобразователь "Keb" - Combivert F5-M можно исключить, т.к. диапазон пределов его измерений значительно превышает измеряемый. У частотного преобразователя "Hitachi" – L300P характеристики соответствует частотному преобразователю "Siemens" – Micromaster 430, но у последнего оговорен средний срок службы в 12 лет, что дает ему преимущество при выборе.
Выбор КТС среднего уровня АСУ ТП
В состав КТС среднего уровня АСУ ТП входят модули УСО, ПЛК, ПО контроллера, технологические сети.
КТС должен управляться программно, имея предоставленный разработчиком пакет готовых процедур и функций, обладать достаточными для наших целей возможностями. Как правило, почти все предлагаемые рынком изделия, обладают одинаковыми возможностями. Различия заключаются, в основном, в количестве входных/выходных каналов, точности и разрядности АЦП, в архитектуре и конструктивном исполнении. КТС должен по возможности более просто и надежно сопрягаться с вычислительной машиной: надежное физическое соединение простое и бесконфликтное ПО.
Выбор контроллера.
Рассмотрим два контроллера , двух разных фирм : SIMATIC S7-200 и DeCont-182.
Технические параметры этих контроллеров похожи , поэтому рассмотрим выбор с другой стороны :
Стоимость системы на базе DeCont-182 : 1800 евр.
Стоимость системы на базе SIMATIC S7-200 : 1330 евр.
В плане надёжности , контроллер SIMATIC S7-200 уступает Деконту .АСУ ТП обязательно должна быть надёжна , поэтому не следует экономить и разумнее взять DeCont-182.
Описание контроллера DeCont-182.
КТС, построенный на оборудовании фирмы "ДЕП", прост по конструкции. Для него не требуется подбирать дополнительное оборудование сторонних производителей. Благодаря наличию ПЛК система становится самостоятельной и независимой в работе от системы верхнего уровня АСУ ТП. Такой КТС имеет более наглядную сетевую архитектуру благодаря наличию ПЛК.
Сетевая архитектура модулей "ДЕП" с контроллером















