125013 (690235)
Текст из файла
Содержание
Нормативные ссылки 2
Определения 3
Обозначения и сокращения 4
Введение 5
1. Автоматизация дозирования из расходных бункеров цемента 7
Автоматические весовые дозаторы цикличного действия 10
Выключатели путевые серии ВПУ-011 13
Автоматическое регулирование. 15
Дистанционное управление. 16
Сигнализация и сигнальные устройства 19
2. Расчет силового привода 23
Выбор электродвигателя. 24
Срок службы приводного устройства 24
Заключение 25
Список литературы 26
Нормативные ссылки
1. Цементы. Общие технологические условия. 30515-85.
2. Портландцементы и шлакопортландцементы. Технологические условия. 10178-85.
3. Цементы глиноземистые и высокоглиноземистые. Технологические
условия. 969-91.
4. Цемент глиноземистый расширяющийся. 11052-74.
5. Цементы сульфатостойкие. Технологические условия. 22266-94.
6. Цементы для строительных растворов. Технологические условия. 24640-91.
-
ГОСТ 21807-76: «Бункеры (бадьи) переносные вместимостью до 2 м³»;
-
ГОСТ 10223-97 «Дозаторы весовые дискретного действия»;
Определения
-
Автомат - устройство, которое по заданной программе без участия человека выполняет операции производственного цикла по получению, передаче, преобразованию и использовании энергии материала, информацию и нуждается лишь в контроле и наладке человеком.
-
Муфта – устройство, предназначенное для соединения друг с другом концов валов, а также валов и свободно сидящих на них деталей и передачи крутящего момента. Служат для соединения двух валов, расположенных на одной оси или под углом друг к другу.
-
Редуктор (механический) – механизм, передающий и преобразующий вращающий момент, с одной или более механическими передачами. Основные характеристики редуктора – КПД, передаточное отношение, передаваемая мощность, максимальные угловые скорости валов, количество ведущих и ведомых валов, тип и количество передач и ступеней.
-
Реле – электромагнитный аппарат (переключатель), предназначенный для коммутации электрических цепей (скачкообразного изменения выходных величин) при заданных изменениях электрических или не электрических входных величин. Широко используется в различных автоматических устройствах. Различают электрические, пневматические, температурные, механические виды реле, но наибольшее распространение получили электрические (электромагнитные) реле.
-
Дозатор — устройство для автоматического отмеривания (дозирования) заданной массы или объёма твёрдых сыпучих материалов, паст, жидкостей, газов.
-
Бу́нкер — ёмкость для временного хранения жидких и сыпучих материалов.
-
Фотоэлемент — электронный прибор, который преобразует энергию фотонов в электрическую энергию.
Обозначения и сокращения
П – плавкий предохранитель;
Тр – тепловое реле;
Н – левый контакт;
В – правый контакт;
НР – нулевое реле;
F – тяговая сила шнека;
v – скорость перемещения смеси;
D – наружний диаметр шнека;
θ – угол наклона ременной передачи;
β – допускаемое отклонение скорости смеси;
Lr – установленный срок службы;
η – КПД электродвигателя;
Р – требуемая мощность электродвигателя;
nр – частота вращения привода вала;
Lh – срок службы приводного устройства;
tc – продолжительность смены в часах;
Lc – число смен.
Введение
Автоматизация технологического процесса — совокупность методов и средств, предназначенная для реализации системы или систем, позволяющих осуществлять управление самим технологическим процессом без непосредственного участия человека, либо оставления за человеком права принятия наиболее ответственных решений.
Как правило, в результате автоматизации технологического процесса создаётся АСУ ТП.
Основа автоматизации технологических процессов — это перераспределение материальных, энергетических и информационных потоков в соответствии с принятым критерием управления (оптимальности).
Основными целями автоматизации технологического процесса являются:
-
Повышение эффективности производственного процесса;
-
Повышение безопасности;
-
Повышение экологичности;
-
Повышение экономичности.
Цели достигаются посредством решения следующих задач автоматизации технологического процесса:
-
Улучшение качества регулирования
-
Повышение коэффициента готовности оборудования
-
Улучшение эргономики труда операторов процесса
-
Обеспечение достоверности информации о материальных компонентах, применяемых в производстве (в т.ч. с помощью управления каталогом)
-
Хранение информации о ходе технологического процесса и аварийных ситуациях
Решение задач автоматизации технологического процесса осуществляется при помощи:
-
внедрения современных методов автоматизации;
-
внедрения современных средств автоматизации.
Автоматизация технологических процессов в рамках одного производственного процесса позволяет организовать основу для внедрения систем управления производством и систем управления предприятием.
В связи с различностью подходов различают автоматизацию следующих технологических процессов:
-
Автоматизация непрерывных технологических процессов;
-
Автоматизация дискретных технологических процессов;
-
Автоматизация гибридных технологических процессов.
1. Автоматизация дозирования из расходных бункеров цемента
На рисунке 1 дана технологическая схема дозировочного отделения. Схема взята из типового проекта 4-09-18, разработанного институтом «Гипростройиндустрия».
В дозаторном отделении устанавливается комплект дозаторов серии АДУБ-1200Ф, состоящий из трех дозаторов для заполнителей типа АВДИ-200Ф, одного дозатора для цемента типа АВДЦ-1200Ф и одного дозатора для жидкостей типа АВДЖ-1200Ф.
Все дозаторы представляют собой цилиндрические баки, подвешенные для помощи рычажных систем к расходным бункерам. Дозаторы инертных и жидкостей оборудованы двумя, а дозаторы цемента одним впускным затворами. Все дозаторы имеют по одному выпускному затвору.
Управление затворами производится пневмоцилиндрами с электровоздушными клапанами. Электровоздушный клапан впускного затвора дозатора цемента управляет также и подачей воздуха в аэропитатель.
Отсеки бункера цемента над дозаторами снабжены двумя затворами с электропневмоуправлением. Для фиксации положения всех затворов предусмотрена установка конечных выключателей. С рычажными системами дозаторов связаны циферблатные указательные приборы, устройство которых для всех дозаторов одинаково.
Внутри корпуса циферблатного указателя со стороны задней крышки установлены элементы автоматики, которые позволяют осуществлять установку требуемых доз и дистанционно управлять дозаторами. Элементы автоматики состоят из фотосопротивления, установленного на конце указывающей стрелки, и кольца, прикрепленного к корпусу циферблатного указателя. На кольце при помощи специальных держателей укреплены осветители.
Рисунок 1 - Технологическая схема дозировочного отделения.
Когда фотосопротивление оказывается против включенного осветителя, фотоэлемент через усилитель действует на выходное реле, которое замыкает свои контакты.
Фиксация опорожнения бункера производится концевыми микропереключателями.
Работа дозировочного отделения должна проходить в следующей последовательности:
-
Открываются затворы емкостей инертных материалов первых фракций, а также затворы цемента и воды и компоненты начинают поступать в дозаторы;
-
Отвешивание - указывающая стрелка с фотоэлементом дойдет до заданного значения веса, срабатывают соответствующие реле и затворы емкостей закрываются;
-
Открываются затворы инертных материалов, вторых фракций и начинается их отвешивание. Цемент и вода могут отвешиваться как в один, так и в два приема;
-
После окончания отвешивания вторых фракций компоненты выгружаются в бетономешалку. Предварительно должны быть получены данные о готовности мешалки принять материалы.
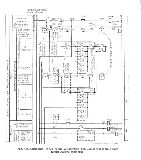
На рисунке 2 дана часть элементной схемы автоматически работающего завода.
Для удобства чтения схема разбита на участки. При упоминании в тексте о контактах или катушке какого-либо реле рядом с обозначением контактов и катушки ставится в скобках номер участка, по которому легко найти упомянутые элементы. В схеме рядом с изображением контакта ставится номер участка, в котором расположена катушка, приводящая в движение эти контакты, а рядом с изображением катушки ставятся номера участков, в которых расположены контакты, действующие от этой катушки.
В схеме автоматического управления работой дозировочного отделения предусмотрена возможность менять классы бетонов. Для этого весовые головки снабжены большим количеством осветителей.
Отвешивание заканчивается, когда указывающая стрелка, несущая фотоэлемент, совмещается с включенным осветителем. Включая различные осветители, можно менять отвешиваемые порции и, следовательно, класс бетона.
Работа дозировочного отделения начинается с включения реле классов, включающих соответствующие осветители на весовых головках.
При дистанционном управлении включение реле классов производится кнопками управления 1КМ÷5КМ (1÷4) и 1КМ1÷КМЗ (5÷6) (рис.2). В режиме автоматической работы реле классов включаются контактами их схемы заказа бетона.
После включения реле классов блокируются своими замыкающими контактами и остаются включенными до окончания взвешивания.
В зависимости от реле классов включаются осветители весовых головок.
Под дозаторным отделением размещается смесительное отделение с двумя бетономешалками. Отвешенные компоненты из дозаторов попадают в приемную воронку и затем в одну из бетономешалок. Бетономешалки работают поочередно и загрузка одной из них определяется положением перекидного клапана воронки. В зависимости от положения перекидного клапана приемной воронки над бетономешалками замыкается конечный включатель 1 КВК или 2 КВК и возбуждается реле 1РКВК или 2РКВК, замыкая свои контакты в схеме управления дозировочным отделением (см. рисунок 2).
Автоматические весовые дозаторы цикличного действия
Автоматические весовые дозаторы цикличного действия предназначены для установки на бетонных заводах, оборудованных бетоносмесителями цикличного действия. Весовые дозаторы выпускают для цемента, заполнителей и жидкости.
Рассмотрим устройство автоматического весового дозатора на примере дозатора АВДИ-425 (рисунок 3), к раме которого прикреплена рычажная система на призменных опорах, связанных с циферблатным указателем. К рычажной системе подвешен весовой бункер с выгрузочным затвором. Загрузка бункеров дозаторов заполнителей и дозаторов жидкости производится через установленные на раме впускные затворы. Дозаторы цемента загружаются аэропитателями или шнеками. Внутри циферблатного указателя установлены элементы автоматики, позволяющие дистанционно с пульта управления или вручную устанавливать требуемую дозу материала.
Таблица 1 - Технические характеристики весовых дозаторов непрерывного действия
Рисунок 3 - Автоматический весовой дозатор цикличного действия для заполнителей АВДИ-425: 1 — рама; 2— впускные воронки; 3 — пневмоцилиндры впускных воронок; 4 — весовая рычажная система; 5-секторные затворы выпускных воронок; 6 — пневмоцилиндр выгрузочного затвора; 7 — выгрузочный затвор; 8-весовой бункер; 9 — циферблатный указатель; 10 — электровоздушные клапаны.
Без переналадки можно отвешивать пять различных доз. Две секции аэропитателя (или два шнека) на дозаторах цемента подсоединены к двум расходным бункерам, что позволяет работать на цементе двух сортов.
Характеристики
Тип файла документ
Документы такого типа открываются такими программами, как Microsoft Office Word на компьютерах Windows, Apple Pages на компьютерах Mac, Open Office - бесплатная альтернатива на различных платформах, в том числе Linux. Наиболее простым и современным решением будут Google документы, так как открываются онлайн без скачивания прямо в браузере на любой платформе. Существуют российские качественные аналоги, например от Яндекса.
Будьте внимательны на мобильных устройствах, так как там используются упрощённый функционал даже в официальном приложении от Microsoft, поэтому для просмотра скачивайте PDF-версию. А если нужно редактировать файл, то используйте оригинальный файл.
Файлы такого типа обычно разбиты на страницы, а текст может быть форматированным (жирный, курсив, выбор шрифта, таблицы и т.п.), а также в него можно добавлять изображения. Формат идеально подходит для рефератов, докладов и РПЗ курсовых проектов, которые необходимо распечатать. Кстати перед печатью также сохраняйте файл в PDF, так как принтер может начудить со шрифтами.















