124779 (690147)
Текст из файла
ФЕДЕРАЛЬНОЕ АГЕНСТВО ПО ОБРАЗОВАНИЮ
ФИЛИАЛ ГОСУДАРСТВЕННОГО ОБРАЗОВАТЕЛЬНОГО УЧРЕЖДЕНИЯ
ВЫСШЕГО ПРОФЕССИОНАЛЬНОГО ОБРАЗОВАНИЯ
“МОСКОВСКИЙ ЭНЕРГЕТИЧЕСКИЙ ИНСТИТУТ
(ТЕХНИЧЕСКИЙ УНИВЕРСИТЕТ) ” В Г. СМОЛЕНСКЕ
КАФЕДРА ПИЩЕВОЙ ИНЖЕНЕРИИ
Специальность: ПИЩЕВАЯ ИНЖЕНЕРИЯ МАЛЫХ ПРЕДПРИЯТИЙ
Пояснительная записка
К КУРСОВОМУ ПРОЕКТУ
НА ТЕМУ: ШНЕКОВЫЙ ПРЕСС ВПО 20А
Дисциплина: Технологическое оборудование малых и традиционных предприятий
Проектировал студент 4 курса, гр. ПИ-03 ИСАЧЕНКОВА Е.А.
Руководитель БАЛАБАНОВ В.Н.
Консультант СИНЯВСКИЙ Ю.В.
Смоленск 2007г.
Реферат
В работе рассматривается шнековый пресс ВПО 20А
Целью данной работы является анализ конструкции пресса и принципа ее действия, а также проведение инженерных расчетов: кинематического расчета привода, технологического и прочностного расчета пресса, а также монтаж и эксплуатация пресса.
В качестве исходных данных использовалась схема пресса с нанесенными габаритными размерами и обозначениями. Для кинематического расчета привода использовались данные о мощности двигателя.
В работе также проведен анализ современного состояния шнековых прессов.
Расчетно-пояснительная записка к курсовой работе. - Смоленск: филиал ГОУ ВПО " МЭИ (ТУ)", 2007 г. - 43с., 5 ил., 1 табл., 2 прил., использовано литературных источников - 8.
Содержание
Введение
1. Анализ современного состояния шнековых прессов
1.1 Состояние современных шнековых прессов
1.2 Описание существующих прессов
1.3 Техническое обоснование выбора пресса шнекового ВПО - 20А
1.4 Цель и задачи
2. Описание технологического процесса и устройство пресса шнекового ВПО - 20А
2.1 Описание технологического процесса
2.2 Устройство пресса
3. Инженерные расчеты
3.1 Технологический расчет пресса
3.2 Кинематический расчет привода
3.3 Расчет клиноременной передачи
3.4 Расчет цепной передачи
3.5 Расчет ведущей звездочки
3.6. Прочностной расчёт
4. Монтаж и эксплуатация шнекового пресса ВПО-20А
5. Техника безопасности
Заключение
Список использованной литературы
Приложение
Введение
Под общим названием "прессование" в технике понимается ряд процессов, имеющую различную сущность в зависимости от стоящих задач: изменение формы материала при постоянстве его массы и объёма; изменение формы и объёма продукта при постоянстве его массы; изменение формы, объёма и массы продукта.
Первые два случая имеют цель придать продукту определённую форму и уплотнить его для лучшей транспортабельности, третий для отжима жидкой фазы.
Пищевые продукты, подвергаемые прессованию, являются дисперсными системами, состоящими из твёрдой фазы (кристаллы, гранулы, разорванные клетки орехов и т.п.) или из твердой и жидкой фаз (сок, расплавленный жир, вода).
Прессование определяется физико-механическими свойствами продукта и условиями ведения процесса. Физико-механические свойства процесса зависят от вида продукта, его технологической подготовки (размера частиц, вязкость, температура). Условия прессования складывается из режима прессования: давления и продолжительности. При отжиме жидкая фаза перемещается по микропорам продукта, преодолевая при этом сопротивление, возрастающее с увеличением давления прессования. Установлено, что повышение давления выше определённых пределов уже не может повлиять на выход жидкой фазы. Минимально возможное количество жидкой фазы, которое содержится в остатке (выжимке, жмыхе) после длительного изотермического прессования продукта при постоянном давлении, называется равновесным.
В зависимости от характера процесса различают процессы периодического и непрерывного действия.
По принципу действия нагнетательных механизмов, создающих усилие при прессовании, прессы делят на ленточные, поршневые, шнековые, шестерённые, вальцовые и др.
Отделение жидкой фазы (воды, сока, расплавленного жира и др.) прессованием применяется при мойке зерна, переработке фруктово-ягодного сырья и др. В данной работе мы будем рассматривать шнековый пресс, который предназначен для отжима сока из ягод винограда.
1. Анализ современного состояния шнековых прессов
1.1 Состояние современных шнековых прессов
На сегодняшний день шнековые прессы широко используются в пищевой промышленности. Они предназначены для отжима соки из ягод винограда, отжатия жома, используются в свеклосахарной промышленности для предварительного отжатия сырого жома и т.д.
В основном в промышленности используют несколько видов шнековых прессов: горизонтальный пресс, горизонтальный двухшнековый пресс, наклонный пресс и вертикальный пресс.
В зависимости от вида деятельности предприятия (переработка первичного или вторичного сырья (жома)) используют тот или иной вид прессов [1].
Так, например, для получения сока из ягод винограда удобно использовать горизонтальные шнековые прессы типа ВПНД-10 и ВПО-20А.
А наклонный шнековый пресс ПСЖН-68 больше подходит для отжатия жома до 12-14% сухих вешеств. Вертикальные шнековые прессы ПВЖ-60, используются в свеклосахарной промышленности и предназначен для предварительного отжатия сырого жома [2].
1.2 Описание существующих прессов
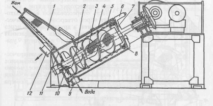
Наклонный шнековый пресс ПСЖН-68 (рис.1) предназначен для отжима жома. Жом поступает в сепаратор, где из него частично удаляется вода, а затем в пресс, где отжимается основная часть воды.
Рис.1. Наклонный шнековый пресс ПСЖН-68
7 - сепаратор; 2 - вал шнека; 3 - сито; 4 - отжимной шнек; 5 - цилиндрические ит, и - pci j-лировочное приспособление; 7 - отверстие для выгрузки жома; 8 - коническое сито; 9 - штуцер; 10 - отверстие для удаления воды; 11 - дополнительная поверхность фильтрования; 12 - штуцер для отвода воды
Часть отжатой воды проходит через цилиндрическое сито и удаляется через штуцер 9, другая часть воды проходит через сито 3 в полую часть вала шнека и удаляется через отверстие 10 и штуцер 9. Отжатый жом выгружается через кольцевые отверстия между коническим ситом и корпусом отжимного шнека. Размер отверстия влияет на продолжительность пребывания жома в прессе и степень отжатия воды и регулируется приспособлением 6.
Горизонтальные и наклонные прессы имеют аналогичную конструкцию. В отличие от горизонтальных прессов в наклонных не происходит частичного смешения отжатого жома с удаляемой жидкостью.
Вертикальный шнековый пресс ПВЖ-60 показан на рис.2. Основная часть пресса - полый вертикальный шнек, установленный в специальных траверсах. На кожухе шнека с противоположных сторон расположены контрлопасти, которые входят в промежутки между лопастями шнека и препятствуют вращению материала вместе со шнеком. Контрлопасти имеют отверстия, через которые проходит пар, подводимый по трубопроводу.
Рис. 2. Вертикальный шнековый пресс ПВЖ-60: часть - через полый вал шнека.
/ - приводная шестерня; 2 - загрузочная воронка;
3 - шнек; 4 - разъемное сито; 5 - контрлопасть;
6 - коническое сито; 7 - болт; 8 - скребок;
9 - штуцер; 10 - канал
В верхней части пресса расположена воронка для загрузки материала, а под ней по цилиндрической образующей - цилиндрические
разъемные сита с коническими отверстиями. Влажный жом на прессование поступает через воронку и верхними лопастями шнека направляется вниз, в зону с меньшим поперечным сечением, где происходит отжатие воды. Часть отпрессованной воды выходит через отверстия цилиндрического сита, а другая
В нижней части цилиндрического сита расположено подвижное коническое сито, которое можно поднимать и опускать при помощи болтов 7. Изменением размера щели между этим ситом и нижней частью цилиндрического сита регулируется степень отжатия жома.
Отжатый жом, выходящий через щель, образованную коническим и цилиндрическим ситами, при помощи скребков выгружается из шнека.
Двухшнековый пресс Stord BS-64 (рис.3) оборудован двумя параллельно установленными шнеками, вращающимися навстречу друг другу. В корпусе и крышках шнека имеются цилиндрические фильтрующие сита с коническими отверстиями, изготовленные из нержавеющей стали.
Конструкция пресса позволяет быстро проводить процесс обезвоживания.
Частоту вращения шнеков можно регулировать гидромуфтой от 1,45 до 3 мин"1. От частоты вращения шнека зависят его производительность, влажность отпрессованного жома и расход энергии.
Показатели работы пресса зависят от равномерности питания его жомом. При недостаточной загрузке пресса жомом влажность жома увеличивается.
Производительность прессов по отжатому жому
где q - плотность отжатого жома, кг'м3;
ср - отношение площади, занятой прерывистыми витками шнека, к площади винтовой поверхности;
F - площадь кольцевого выходного отверстия или в случае перфорированного диска сумма площадей свободного сечения диска, м2;
l - шаг витка шнека в выходной щели, м;
п - частота вращения шнека, мин"1.
Мощность привода пресса (в кВт) складывается из ряда составляющих:
Рис 3. Двухшнековый пресс Stord BS-64:
/ - загрузочный бункер; 2 - шнек;.? - крышка; 4 - привод
где NС, NK, NB, NCЖ, NП - мощность, необходимая для преодоления сил трения продукта соответственно по ситовому корпусу, поверхности корпуса, поверхности витков шнека, для сжатия жома, перемещения жома; η - коэффициент полезного действия привода.
Рис.4
На степень отжатия жома оказывают основное влияние форма проходной части прессов и время пребывания жома в прессе.
Двухшнековый формовочный пресс (рис.4) используют в производстве конфет, в частности пралине, методом формования конфетной массы через фильеру с калиброванными отверстиями. Пресс создает давление в конфетной массе и продавливает ее через фильеру. Непосредственно на выходе из фильеры жгуты конфетной массы рубятся на гранулы эксцентрично установленными ножами гранулятора (рис.4), расположенными с определенным зазором у фильеры.
Фильера представляет собой плоский металлический диск с отверстиями, через которые продавливается прессуемая масса. Форма отверстия фильеры определяет вид изделия. При продавливании через отверстия фильеры масса принимает определенную форму. Течение массы в отверстиях фильеры подобно течению очень вязкой жидкости.
Давление, создаваемое шнеком, зависит от гидравлического сопротивления в отверстиях фильеры. Сопротивление определяется консистенцией теста, формой и размером отверстий.
Рубящие ножи закреплены на вращающемся валу, имеющем собственный привод. Эксцентричное расположение ножевого крыла позволяет заполнить материалом все сечение фильеры. Для регулировки зазора между фильерой и рубящими ножами ножевой вал может перемещаться в осевом направлении. Для этого кожух гранулятора может быть отведен в сторону вместе с приводом. При демонтаже шнека грануляционная головка может быть отведена от нагнетающего шнека. [1]
1.3 Техническое обоснование выбора пресса шнекового ВПО - 20А
Пресс шнековый ВПО-20А относится к прессам средней мощности и предназначен для отжима сока из ягод винограда.
Применение данного пресса обусловлено региональными особенностями в связи с затруднением поиска сырьевой базы.
Характеристики
Тип файла документ
Документы такого типа открываются такими программами, как Microsoft Office Word на компьютерах Windows, Apple Pages на компьютерах Mac, Open Office - бесплатная альтернатива на различных платформах, в том числе Linux. Наиболее простым и современным решением будут Google документы, так как открываются онлайн без скачивания прямо в браузере на любой платформе. Существуют российские качественные аналоги, например от Яндекса.
Будьте внимательны на мобильных устройствах, так как там используются упрощённый функционал даже в официальном приложении от Microsoft, поэтому для просмотра скачивайте PDF-версию. А если нужно редактировать файл, то используйте оригинальный файл.
Файлы такого типа обычно разбиты на страницы, а текст может быть форматированным (жирный, курсив, выбор шрифта, таблицы и т.п.), а также в него можно добавлять изображения. Формат идеально подходит для рефератов, докладов и РПЗ курсовых проектов, которые необходимо распечатать. Кстати перед печатью также сохраняйте файл в PDF, так как принтер может начудить со шрифтами.















