124767 (690142)
Текст из файла
Государственный комитет Российской Федерации по рыболовству
Камчатский Государственный Технический Университет
Кафедра механики
Курсовой проект
по деталям машин
“Червячный одноступенчатый редуктор”
ПМТ000108.000
Проект выполнил:
Студент группы 98 Т
Молчанов Д.А.
Проект принял:
к.т.н. доцент
Лебедева А.П.
Петропавловск-Камчатский
2000
1. Выбор двигателя, кинематический расчет привода
1.1 Определение общего КПД двигателя
КПД закрытой передачи- зп=0,79
КПД подшипников качения- пк=0,99
КПД муфты- м=0,98
1.2 Определение мощности на выходном валу
Ррм=Q=27002=5400 (Вт)
1.3 Определение требуемой мощности электродвигателя
Рдв=Ррм/=5400/0,79=8625,46 (Вт)
1.4 Подбор двигателя
РномРдв
Рном=11 кВт
| Типоразмер двигателя | Синхронная частота вращения п, об/мин. | Номинальная частота nном,об/мин |
| 4А132М4У3 | 1500 | 1458 |
| 4А160S6У3 | 1000 | 973 |
1.5 Определение передаточного числа привода
Передаточное число привода u определяется отношением номинальной частоты вращения двигателя nном. К частоте вращения приводного вала рабочей машины nрм при номинальной нагрузке: и=пном/прм.
и1=n1ном/nрм=1458/121,6=11,99
и2=n2ном/nрм=973/121,6=8,0016
иф=8
1.6 Сравнительный анализ по величине погрешности общего передаточного отношения и выбор одного двигателя
; u2=0,02%
Выбираем двигатель 4А160S6У3 (Рном=11 кВт, пном=973 об/мин, изп=8)
1.7 Определение силовых и кинематических параметров привода
Частота вращения п, об/мин.
пдв=пном=973 об/мин
пБ=пном=973об/мин
пт=пБ/изп=973/8=121,6 об/мин
Угловая скорость , 1/с
ном=пном/30=3,14973/30=101,8 (1/с)
Б=ном=101,8 (1/с)
Т=Б/изп=101,8/8=12,7 (1/с)
Вращающий момент Т, Нм
Тдв=Рдв/ном=8652,46/101,8=85 (Нм)
ТБ=Тдвмпк=850,980,99=82,5 (Нм)
Тт=ТБизпзппк=82,580,850,99=555 (Нм)
Таблица 1.
| Вал | Кинематические параметры. Тип двигателя :4AM132S6У3(Рном=5,5кВт, nном=965об/мин, u=8.) | ||||
| КПД | Передаточное число и | Угловая скорость , 1/с | Частота вращения п, об/мин | Вращающий момент Т, Нм | |
| Дв | 0,79 | 8 | 101,8 | 973 | 85 |
| Б | 101,8 | 973 | 82,5 | ||
| Т | 12,7 | 121,6 | 555 | ||
Дввал двигателя,
Бвал редуктора быстроходный,
Твал редуктора тихоходный,
2. Выбор материала червяка и червячного колеса. Определение допускаемых напряжений
Выбираем марку стали для червяка и определяем её механические характеристики: (по табл. 3.1, А.Е. Шейнблит «КПДМ») при мощности P=11 кВт червяк изготовляется из стали 40Х с твёрдостью ≥ 45 HRCэ, термообработка- улучшение и закалка ТВЧ (током высокой частоты); (по табл. 3.2, А.Е. Шейнблит «КПДМ») для стали 40Х- твёрдость 45…50 HRCэ, σв=900 Н/ мм2, σт=750 Н/ мм2.
Определяем скорость скольжения
(м/с).
В соответствии со скоростью скольжения (по табл. 3.5, А.Е. Шейнблит «КПДМ» ) из группы II принимаем сравнительно дешёвую бронзу БРА10Ж4Н4, полученную способом центробежного литья; σв=700 Н/ мм2, σт= 460 Н/ мм2.
Для материала венца червячного колеса (по табл. 3.6, А.Е. Шейнблит «КПДМ») определяем допускаемые контактные [σ]H и изгибные [σ]F напряжения.
а) при твёрдости витков червяка ≥ 45 HRCэ [σ]H=300- 25Vs= 210 (Н/ мм2).
б) коэффициент долговечности
,
где наработка
N= =573wТLh=
(циклов).
Тогда
.
Для нереверсивной передачи:
[σ]F=
Н/мм2
Таблица 2. Механические характеристики материалов червячной передачи.
| Элемент передачи | Марка материла | Dпред. | Термообработка | HRCэ | σв | σт | [σ]H | [σ]F |
| Способ отливки | Н/мм2 | |||||||
| Червяк | Сталь 40Х | 125 | У+ ТВЧ | 45…50 | 900 | 750 | - | - |
| Колесо | БРА10Ж4Н4 | | Ц | - | 700 | 460 | 210 | 106,02 |
3. Расчет закрытой червячной передачи.(стр.71-75, Ш.). Проектный расчёт
Определить главный параметр - межосевое расстояние из условия контактной выносливости:
,
где (стр. 61 формула 4.19, стр.64 параграф 4.4, Ч.)
К- коэффициент нагрузки, и который равен: К=1,2 .
z2=uz1, где z2- число зубьев червячного колеса; z1-число витков червяка, зависит от передаточного числа редуктора u: при u=8, z1=4 (п. 4.3(пп.2), А.Е. Шейнблит «КПДМ»).
z2=84=32.
(мм).
Определить модуль зацепления m, мм:
(мм).
Принимаем по ГОСТ 2144-76 m=8, q=8.
Межосевое расстояние при стандартных значениях m и q:
Определить основные геометрические размеры передачи, мм (стр.73, Ш.)
Основные размеры червяка:
Делительный диаметр червяка
d1=dw1=qm=88=64 (мм).
Диаметр вершин витков червяка
da1=d1+2m=64+28=80 (мм).
Диаметр впадин витков червяка
df1=d1-2,4m=64-2,48=44,8 (мм).
Длина нарезаемой части червяка (при z1=4) b1(12.5+0.09z2)m, b1
длительный угол подъема линии витков
=arctg(z1/q), =2634
Основные размеры венца червячного колеса:
Делительный диаметр червячного колеса
d2=dw2=z2m=328=256 (мм).
Диаметр вершин зубьев червячного колеса
da2=d2+2m=256+28=272 (мм).
Диаметр впадин зубьев червячного колеса
df2=d2-2,4m=256-2,48=236,8 (мм).
Наибольший диаметр червячного колеса:
(мм).
Ширина венца червячного колеса:
b20.67da1=0.6780=53,6 (мм).
Условный угол обхвата червяка венцом колеса 2δ:
Угол 2δ определяется точками пересечения дуги окружности диаметром d'=da1-0,5m=76 с контуром венца колеса и может быть принят равным 900…1200.
4.Проверочный расчет. (стр.74-75, Ш.)
Определить коэффициент полезного действия червячной передачи:
, где
γ-делительный угол подъёма линии витков червяка;
φ-угол трения. Определяется в зависимости от фактической скорости скольжения
vs=uф·w2·d1/(2cosγ·103)=8·12,7·64/2·0,9·103 =3,6 (м/с) (табл.4.9, Ш.).
Проверить контактные напряжения зубьев колеса σH, Н/мм2:
, где
Ft2- окружная сила на колесе.
а) Ft2=2T2·103/d2=2·555·103/256=4336 Н;
б) К- коэффициент нагрузки. Принимается в зависимости от окружной скорости колеса
v2=w2d2/(2·103)=12,7·256/2000=1,63 (при v2≤3 м/с К=1).
(Н/мм2).
σH [σ]H.
Допускается недогрузка передачи (σH < [σ]H) не более 15% и перегрузка (σH > [σ]H) до 5%.
Проверить напряжения изгиба зубьев колеса σF, Н/мм2:
, где
Yf2=1,48- коэффициент формы зуба колеса. Определяется (табл. 4.10, Ш.) в зависимости от эквивалентного числа зубьев колеса
zv2=z2/cos3γ=32/(0,8942)3=45,1 (45).
(Н/мм2).
При проверочном расчёте σF получается меньше [σ]F, так как нагрузочная способность червячных передач ограничивается контактной прочностью зубьев червячного колеса.
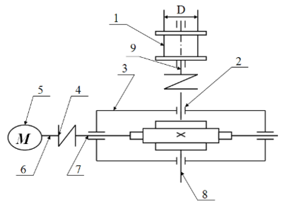
Дано:
Q=2700H=2,7 кН
=2,8 м/с
D=440мм
1-барабан (рабочая машина)
2-подшипники качения
3-червячный редуктор
4-упругая муфта
5-двигатель
6-вал двигателя
7-быстроходный вал двигателя
8-тихоходный вал двигателя
9-вал рабочей машины
Т аблица 3. Параметры червячной передачи, мм. Проектный расчёт. (стр.75, табл.4.11, Ш.)
| Параметр | Значение | Параметр | Значение |
| Модуль зацепления, m | 8 | Длина нарезаемой части червяка, b1 | 123 |
| Коэффициент диаметра червяка, q | 8 | Диаметры червяка: делительный, d1 начальный, dw1 вершин витков, da1 впадин витков, df1 | 64 64 80 44,8 |
| Делительный угол подъёма витков червяка, | 26,6 | ||
| Угол обхвата червяка венцом, 2 | 90 | Диаметры колеса: делительный, d2=dw2 вершин зубьев, da2 впадин зубьев, df2 наибольший, dam2 | 256 272 236,8 280 |
| Число витков червяка, z1 | 4 | ||
| Число зубьев колеса, z2 | 32 | ||
| Допускаемые значения | Расчетные значения | Примечание | |
| Коэффициент полезного действия , | 0,79 | 0,87 | |
| Контактные напряжения н, ,Н/мм2 | 210 | 175 | |
| Напряжения изгиба f, Н/мм2 | 160,2 | 10,5 |
5. Проектный расчёт валов. (стр.108(табл.7.1), Ш.)
Определение размеров ступеней валов одноступенчатых редукторов, мм.
Характеристики
Тип файла документ
Документы такого типа открываются такими программами, как Microsoft Office Word на компьютерах Windows, Apple Pages на компьютерах Mac, Open Office - бесплатная альтернатива на различных платформах, в том числе Linux. Наиболее простым и современным решением будут Google документы, так как открываются онлайн без скачивания прямо в браузере на любой платформе. Существуют российские качественные аналоги, например от Яндекса.
Будьте внимательны на мобильных устройствах, так как там используются упрощённый функционал даже в официальном приложении от Microsoft, поэтому для просмотра скачивайте PDF-версию. А если нужно редактировать файл, то используйте оригинальный файл.
Файлы такого типа обычно разбиты на страницы, а текст может быть форматированным (жирный, курсив, выбор шрифта, таблицы и т.п.), а также в него можно добавлять изображения. Формат идеально подходит для рефератов, докладов и РПЗ курсовых проектов, которые необходимо распечатать. Кстати перед печатью также сохраняйте файл в PDF, так как принтер может начудить со шрифтами.















