124517 (690042)
Текст из файла
Федеральное агентство по образованию РФ
Сибирская государственная автомобильно-дорожная академия
(СибАДИ)
Кафедра “Эксплуатация дорожных машин”
КУРСОВАЯ РАБОТА
По дисциплине:
“Технология и организация восстановления деталей и сборочных единиц при сервисном сопровождении”
Выполнил студент: Ваймер Е.Ю.
группа СНГ-04Т2
Проверил: к.т.н. доцент Злобин А.И.
Омск 2008 г.
Содержание
Введение
1. Разработка технологического процесса ремонта детали
1.1 Расчёт режимов наплавки
1.2 Расчёт режимов точения
1.3 Расчёт операции шлифования
2. Разработка приспособления для ремонта детали
Заключение
Список использованных источников
Введение
Основная задача предприятий сервиса – снижение себестоимости ремонта машин и агрегатов при обеспечении гарантий потребителей или гарантийного ресурса после ремонта. Исследования ремонтного фонда машин и агрегатов показали, что 20% деталей – утиль; 25 – 40% - годные детали; 40 – 55% это детали, которые можно восстановить. Технология восстановления деталей – является наиболее ресурсосберегающим методом производства ремонта. По сравнению с изготовлением новых деталей затраты снижаются на 70%. Затраты на изготовление технологической оснастки составляют 15 – 20% от затрат на оборудование технологического процесса обработки деталей машин или 10 – 24% от стоимости машины.
Темой данной курсовой работы является «Проектирование технологического процесса ремонта деталей транспортных и технологических машин».
Целью работы является приобретение навыков проектирования и расчета технологии по восстановлению деталей.
В данной курсовой работе необходимо спроектировать приспособление для технологической операции, т.е. устройство к технологическому оборудованию, используемое при операции обработки, сборки и контроля. Применение приспособлений позволяет: устранить разметку заготовок перед обработкой, повысить ее точность; увеличить производительность труда на операции; снизить себестоимость продукции; облегчить условия работы и обеспечить ее безопасность; расширить технологические возможности оборудования; организовать многостаночное обслуживание.
1. РАЗРАБОТКА ТЕХНОЛОГИЧЕСКОГО ПРОЦЕССА РЕМОНТА ДЕТАЛИ
Дефект детали:
- износ конической поверхности под маховик.
Способ восстановления:
наплавка электродной проволоки;
точение;
шлифование;
1.1 Расчет режимов наплавки
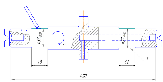
1.1.1 Наплавка поверхности
Рисунок 1. Наплавка.
Учитывая материал детали (Сталь 40Г) и поверхностную твердость восстанавливаемой поверхности (HRc52), наиболее целесообразно использовать вибродуговую наплавку.
Определение толщины наплавляемого слоя: величина износа составляет 0,7 мм, припуск на механическую обработку составит 1 мм, следовательно, толщина наплавляемого слоя составит h=l,7 мм.
Для наплавки применяем проволоку ПП-АН 1.
Диаметр проволоки: dnp.= 2,0 мм.
1.1.2 Выбор кинематических параметров наплавки
Шаг наплавки, S, мм, определяем по формуле:
, (1)
мм.
Скорость наплавки определяется по формуле:
; (2)
Где - коэффициент перехода электродной проволоки в наплавленный металл, k = 0,9; h - заданная толщина наплавляемого слоя, h =1,7мм;
а - коэффициент, учитывающий отклонения фактической площади сечения наплавленного слоя от площади четырехугольника с высотой h, a =1;
Vп – скорость подачи, мм/сек, Vп = 60 см/мин = 10 мм/сек.
мм/сек.
Число оборотов детали:
(3)
Где D - диаметр поверхности детали до наплавки, D = 57 мм.
мин-1
Сила тока: (4)
Где лотность тока принимаем равной
= 60 А/мм2
А
Принимаем I = 200 A.
Сварочный агрегат ПСГ – 500 и сварочный генератор А1208С.
1.1.3 Определение основного времени
Определение основного времени Т0, мин, производится по формуле:
, (5)
Где – поправочный коэффициент по положению шва в пространстве,m = 1; А – поправочный коэффициент на длину шва, А = 1,1; am – коэффициент наплавки, г/Аּч, am = 8 г/аּч;
I – величина сварочного тока, А, I = 200 А. G – вес наплавленного металла, г, определяется по формуле:
, (6)
Где – площадь поперечного сечения шва, см2, определяется по формуле: L – длина шва, см, L = 4,8 см; γ – плотность наплавляемого металла, г/см3, γ = 7,8 г/см3;
(7)
Где 2 – диаметр поверхности детали после наплавки, мм, D2 = 59 мм;
=182,1 мм2 = 1,821 см2;
= 1,821ּ4,8∙7,8 = 68,2 г;
= 2,8 мин.
1.1.4 Определение нормы штучно-калькуляционного времени
Штучно-калькуляционное время Тшк, мин, определяется по формуле:
, (8)
Где шк – штучно-калькуляционное время, мин; kп – коэффициент, учитывающий затраты вспомогательного производственного времени на обстановку рабочего места, отдыха и т.д. kп = 1,3
1,5(/1/ стр.117), примем kп = 1,5.
= 4,2 мин.
1.1.5 Определение расхода электродной проволоки
Расход электродной проволоки определяется по формуле:
, (9)
Где эл – расход электродной проволоки, г;
kэл – коэффициент расхода электродной проволоки, с учётом потерь на угар и разбрызгивание, kэл = 1,1
1,3 (/1/ стр.117), примем kэл = 1,3.
= 88,66 г.
Таблица1. Расчёт параметров наплавки.
| Параметр | Sп, мм/об | Gэл, г | I, A | n мин-1 | То, мин | Тшк, мин |
| Значение | 3 | 88,66 | 200 | 0,54 | 2,8 | 4,2 |
1.2 Расчёт режимов точения
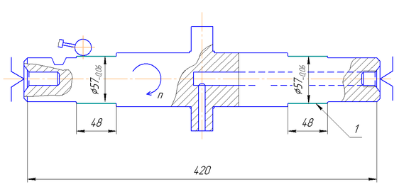
Рисунок 2.
При точении производят: наружную обточку, растачивание, подрезку торца, отрезку. В данном случае необходимо провести точение наплавленной поверхности отводки.
Гладкое точение проводят в два этапа – черновое и чистовое точение. Обработку производим резцом из твёрдого сплава Т5К10, стойкость инструмента Т = 60 мин.
1.2.1 Черновое точение
1.2.1.1 Глубину резания t, мм определяем по данным таблицы 39 /1/:
Глубина резания t = 0.7 мм.
1.2.1.2 Определение подачи.
Подача при наружном продольном точении S = 0,26 мм/об.,
(таблица 43 /1/).
1.2.1.3 Определение скорости резания
Скорость резания V = 150 м/мин., (таблица 45 /1/).
1.2.1.4 Определение числа оборотов шпинделя станка
Число оборотов шпинделя станка, n, мин-1, определяется по формуле /1/
(10)
(об/мин).
1.2.1.5 Расчет основного времени
Основное время, Тo, мин, определяется по формуле /1/
Тo
(11)
Где То – основное время, мин;
L – расчётная длина обрабатываемой поверхности.
i – число проходов, i = 1; S – подача, м/мин.
= 0,22 мин.
1.2.1.6 Определение нормы времени операции.
Норма времени операции, Tшк, мин, определяется по формуле /1/
(12)
Где Тв – вспомогательное время, мин, определяется по таблице 53 /1/ в зависимости от способа закрепления и массы детали, при способе установки в трехкулачковом патроне и массе отводки 8,1 кг, Тв = 1,9 мин, вспомогательное время, связанное с переходом, определяется по таблице 54 /1/, Т = 0,7 мин.
Общее вспомогательное время:
Тв=1,9 + 0,7 = 2,6 мин;
Тдоп – дополнительное время, мин, определяется по формуле /1/
, (13)
Где К – отношение дополнительного времени к оперативному, при токарной обработке К = 8;
Тп.з – подготовительно-заключительное время, мин, выбирается в зависимости от сложности работы и размеров станка по таблице 55 /1/, Тп.з = 10 мин;
n – количество деталей в партии, n = 2;
= 0,23 мин;
Tшк = 0,22 + 2,6 + 0,23 + 5 = 8,05 мин.
1.2.2 Чистовое точение
Глубина резания t = 0,4 мм.
Подача при наружном продольном точении S = 0.2 мм/об.,(таблица 43 /1/).
Скорость резания V = 170 м/мин., (таблица 45 /1/).
Число оборотов шпинделя станка.
об/мин.
Расчет основного времени.
мин.
Штучно-калькуляционное время.
Tшк = 0,19 + 2,6 + 0,23+ 5 = 8,02 мин.
Таблица 2. Расчет параметров точения.
| Параметр | t, мм | Sп, мм/об | V, м/мин | L, мм | n об/мин | То, мин | Тшк мин |
| Значение | 0,7 | 0,26 | 150 | 48 | 837 | 0,22 | 8,05 |
| 0,4 | 0,2 | 170 | 48 | 948 | 0,19 | 8,02 |
1.3 Расчёт операции шлифования
Характеристики
Тип файла документ
Документы такого типа открываются такими программами, как Microsoft Office Word на компьютерах Windows, Apple Pages на компьютерах Mac, Open Office - бесплатная альтернатива на различных платформах, в том числе Linux. Наиболее простым и современным решением будут Google документы, так как открываются онлайн без скачивания прямо в браузере на любой платформе. Существуют российские качественные аналоги, например от Яндекса.
Будьте внимательны на мобильных устройствах, так как там используются упрощённый функционал даже в официальном приложении от Microsoft, поэтому для просмотра скачивайте PDF-версию. А если нужно редактировать файл, то используйте оригинальный файл.
Файлы такого типа обычно разбиты на страницы, а текст может быть форматированным (жирный, курсив, выбор шрифта, таблицы и т.п.), а также в него можно добавлять изображения. Формат идеально подходит для рефератов, докладов и РПЗ курсовых проектов, которые необходимо распечатать. Кстати перед печатью также сохраняйте файл в PDF, так как принтер может начудить со шрифтами.
















