124517 (690042), страница 2
Текст из файла (страница 2)
Рисунок 3. Шлифование.
Операционный припуск
=0,2 мм
Окружная скорость шлифовального круга
=35 м/сек
Поперечная подача SB = 0,025 мм/ход.
Число проходов определяется по формуле:
(14)
Продольная подача SП = 1 мм/ход.
Окружная скорость вращения детали
= 6 м/мин
Число оборотов детали определяется по формуле:
(15)
об/мин.
Основное время определяется по формуле:
(16)
Где B – ширина шлифовального круга в мм, B =20;
- коэффициент зачистных ходов,
=1,7.
Штучно – калькуляционное время:
Определение норм времени
, мин. для операции шлифования по формуле:
Где
-вспомогательное время,
=
,
- дополнительное время,
=
;
-подготовительно-заключительное время,
=
;
-количество деталей в партии - 2.
Таблица 3. Расчет параметров шлифования.
| Параметр |
|
| n, | То, мин | Тшк, мин |
| Значение | 1 | 6 | 33,5 | 0,57 | 5,66 |
2. Разработка приспособления для ремонта детали
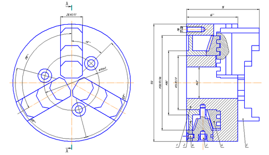
Рисунок 4. Патрон трехкулачковый.
Заключение
В процессе выполнения курсовой работы был произведен выбор и расчет операций по восстановлению отводки. Были разработаны технологические процессы, произведен расчет режимов наплавки, точения и шлифования, а также рассчитаны нормы времени технологических процессов ремонта детали. В свою очередь, было спроектировано приспособление для базирования отводки.
Список использованных источников
1. Броневич Г.А. Курсовое и дипломное проектирование по специальности «Строительные машины и оборудование». – М.: Машиностроение, 1973г. – 250 с.
2. Косилова А.Г. «Справочник технолога-машиностроителя», том 2– М.: Машиностроение, 1985г. – 450 с.
3. Методические указания к выполнению лабораторных работ по дисциплине «Технология и организация восстановления деталей и сборочных единиц при сервисном сопровождении», Омск, издательство СибАДИ. 2002.-44с.
4. Горохов В.А. «Проектирование и расчет приспособлений»- Минск: “Высшая школа”, 1986г.-238с.
5. Методические рекомендации для выполнения курсового проекта по «Технологии производства и ремонта ПТСДМ и их элементов»/ Сост.: С. В. Мельник, А. И. Злобин, Л.А. Шапошникова.– Омск: СибАДИ, 2003.– 76 с
















