124407 (689999)
Текст из файла
Расчётно-графическая работа
«Составление схем расположения полей допусков стандартных сопряжений. Расчёт соединения подшипника качения с валом и корпусом. Расчет размерных цепей»
Содержание
1. Схемы расположения полей допусков стандартных сопряжений.
2. Соединение подшипника качения с валом и корпусом.
3. Расчет размерных цепей:
а) Решение задачи методом максимума – минимума (способ равных квалитетов);
б) Решение задачи теоретико-вероятностным методом (способ равных квалитетов).
Схемы расположения полей допусков стандартных сопряжений
1 Гладкое цилиндрическое соединение
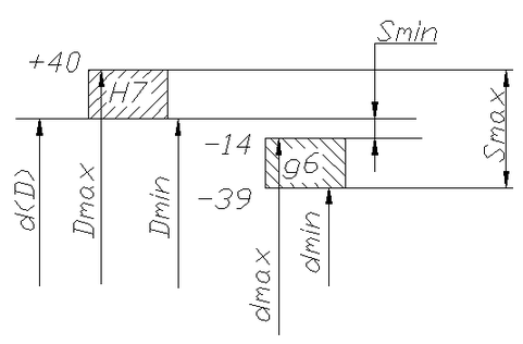
а) Ø178 H7/g6
| Параметр | Значение |
| d(D) = | 178 мм |
| es = | -14 мкм |
| ei = | -39 мкм |
| ES = | 40 мкм |
| EI = | 0 мкм |
| dmax = d + es= | 177,986 мм |
| dmin = d + ei = | 177,961 мм |
| Dmax = D + ES = | 178,04 мм |
| Dmin = D + EI = | 178 мм |
| Td = dmax - dmin = es – ei = | 25 мкм |
| TD = Dmax – Dmin = ES - EI = | 40 мкм |
| Smax = Dmax - dmin = | 79 мкм |
| Smin= Dmin – d max = | 14 мкм |
| Scp = (Smax + Smin) / 2 = | 46,5 мкм |
| TS= Smax – Smin = | 65 мкм |
| Характер сопряжения | Зазор |
| Система задания посадки | Основное отверстие |
б) Ø70 S7/h7
| Параметр | Значение |
| d(D) = | 70 мм |
| es = | 0 |
| ei = | -30 мкм |
| ES = | -48 мкм |
| EI = | -78 мкм |
| dmax = d + es= | 70 мм |
| dmin = d + ei = | 69,97 мм |
| Dmax = D + ES = | 69,952 мм |
| Dmin = D + EI = | 69,922 мм |
| Td = dmax - dmin = es – ei = | 30 мкм |
| TD = Dmax – Dmin = ES - EI = | 30 мкм |
| Nmin = dmin - Dmax | 18 мкм |
| Nmax = dmax - Dmin | 78 мкм |
| Ncp = (Nmax + Nmin) / 2 = | 48 мкм |
| TN = Nmax – Nmin = | 60 мкм |
| Характер сопряжения | Натяг |
| Система задания посадки | Основной вал |
в) Ø 178H7/m6
| Параметр | Значение |
| d(D) = | 178 мм |
| es = | 40 мкм |
| ei = | 15 мкм |
| ES = | 40 мкм |
| EI = | 0 |
| dmax = d + es= | 178,04 мм |
| dmin = d + ei = | 178,015 мм |
| Dmax = D + ES = | 178,04 мм |
| Dmin = D + EI = | 178 мм |
| Td = dmax - dmin = es – ei = | 25 мкм |
| TD = Dmax – Dmin = ES - EI = | 40 мкм |
| Smax = Dmax - dmin = | 25 мкм |
| Nmax = dmax - Dmin = | 40 мкм |
| Scp = (Smax + Smin) / 2 = | -7,5 мкм |
| TS = Smax – Smin = | 65 мкм |
| Характер сопряжения | Переходная |
| Система задания посадки | Основное отверстие |
Для комбинированной посадки определим вероятность образования посадок с натягом и посадок с зазором. Расчет выполним в следующей последовательности.
- рассчитаем среднее квадратическое отклонение зазора (натяга), мкм
-
определим предел интегрирования
-
табличное значение функции Ф(z)= 0,32894
- вероятность натяга в относительных единицах
PN' = 0,5 + Ф(z) = 0,5 + 0,32894 = 0,82894
- вероятность натяга в процентах
PN = PN' x 100% = 0,82894*100%= 82,894%
- вероятность зазора в относительных единицах
PЗ' = 1 – PN = 1 - 0,82894 = 0,17106
- вероятность зазора в процентах
PЗ = PЗ' x 100% = 0,17103*100% = 17,103%
2 Соединение подшипника качения с валом и корпусом
Условное обозначение подшипника 0 - 213
Радиальная нагрузка 10300 Н
Характер нагружения – сильные удары и вибрация. Кратковременные перегрузки до 300% номинальной нагрузки.
Рабочая температура подшипника - до 120о С
Соединение жесткое (вал сплошной, корпус толстостенный)
Решение
- определяем размеры подшипника:
| Номинальный диаметр отверстия | Номинальный диаметр наружной цилиндрической поверхности наружного кольца | Номинальная ширина подшипника | Номинальная координата монтажной фаски |
| 65 мм | 120 мм | 23 мм | 2,5 мм |
- рассчитываем интенсивность нагрузки
Pr = Kd * Kt * Kj * Fr / b
где Kd - динамический коэффициент посадки, зависящий от характера нагрузки Kd = 2;
Kt - температурный коэффициент Kt = 1,05
Kj - коэффициент ослабления натяга в нежестких сопряжениях Kj = 2,3,
Fr = 6000 Н b = B - 2 *r =23 - 2 * 2,5 = 22,2 мм
Отсюда
Pr = 2 х 1,05 х 2,3 х 10300 / 0,022 = 2261 кН/м
- определяем посадки для внутреннего и наружного колец подшипника
Сопоставляя расчетную интенсивность нагрузки с допустимой и уточняя посадку для подшипника 0 класса точности назначаем посадки
|
| Внутреннее кольцо | Наружное кольцо |
| Поле допуска, определяемое по допустимой интенсивности нагрузки | n5, n6 | P7 |
| Уточненное поле допуска (по классу точности подшипника) | n6 | P7 |
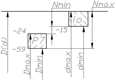
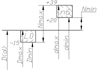
| Принятые посадки | L0 / n6 | P7 / l0 |
- рассчитываем сопряжения внутреннего и наружного колец подшипника
| Параметр | Внутреннее кольцо - вал | Наружное кольцо - корпус |
| Значение | Значение | |
| d(D) = | 65 мм | 120 мм |
| es = | +39 мкм | 0 мкм |
| ei = | +20 мкм | -15 мкм |
| ES = | 0 мкм | -24 мкм |
| EI = | -15 мкм | -59 мкм |
| dmax = d + es= | 65,039 мм | 120 мм |
| dmin = d + ei = | 65,020 мм | 119,985 мм |
| Dmax = D + ES = | 65 мм | 119,976 мм |
| Dmin = D + EI = | 64,985 мм | 119,941 мм |
| Td = dmax - dmin = es – ei = | 19 мкм | 15 мкм |
| TD = Dmax – Dmin = ES - EI = | 15 мкм | 35 мкм |
| Smax(Nmin) = Dmax - dmin = | - 20 мкм | - 9 мкм |
| Smin(Nmax) = Dmin – d max = | - 54 мкм | - 59 мкм |
| Scp = (Smax + Smin) / 2 = - Ncp = - (Nmax + Nmin) / 2 = | - 37 мкм | - 34 мкм |
| TS(TN) = Smax – Smin = Nmax – Nmin= | - 34 мкм | 50 мкм |
| Характер сопряжения | Натяг | Натяг |
| Система задания посадки | Основное отверстие | Основной вал |
Проверить условие прочности колец подшипника на разрыв, для чего рассчитать максимально допустимый натяг по формуле
где [] - допустимое напряжение на разрыв. [] = 400 МПа;
kN - коэффициент. kN = 2,8
d - 65 мм.
0,231 > 0,054 - условие прочности выполняется.
- изображаем схему расположения полей допусков (внутреннее кольцо подшипника - вал)
- изображаем схему расположения полей допусков (наружное кольцо подшипника - корпус)
Характеристики
Тип файла документ
Документы такого типа открываются такими программами, как Microsoft Office Word на компьютерах Windows, Apple Pages на компьютерах Mac, Open Office - бесплатная альтернатива на различных платформах, в том числе Linux. Наиболее простым и современным решением будут Google документы, так как открываются онлайн без скачивания прямо в браузере на любой платформе. Существуют российские качественные аналоги, например от Яндекса.
Будьте внимательны на мобильных устройствах, так как там используются упрощённый функционал даже в официальном приложении от Microsoft, поэтому для просмотра скачивайте PDF-версию. А если нужно редактировать файл, то используйте оригинальный файл.
Файлы такого типа обычно разбиты на страницы, а текст может быть форматированным (жирный, курсив, выбор шрифта, таблицы и т.п.), а также в него можно добавлять изображения. Формат идеально подходит для рефератов, докладов и РПЗ курсовых проектов, которые необходимо распечатать. Кстати перед печатью также сохраняйте файл в PDF, так как принтер может начудить со шрифтами.
















