124407 (689999), страница 2
Текст из файла (страница 2)
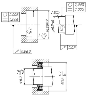
определяем шероховатость
| Посадочная поверхность вала | 1,25 мкм |
| Посадочная поверхность отверстия корпуса | 1,25 мкм |
| Поверхность опорных торцев заплечиков вала и корпуса | 2,5 мкм |
- определяем допуски формы посадочных поверхностей
| Вал | Отверстие | |
| Допуск круглости | 5 | 6 |
| Допуск профиля продольного сечения | 5 | 6 |
| Допуск непостоянства диаметра в поперечном сечении | 10 | 12 |
| Допуск непостоянства диаметра в продольном сечении | 10 | 12 |
- определяем допуски расположения посадочных поверхностей
| Допуски торцового биения заплечиков вала | 30 мкм |
| Допуск торцового биения заплечиков отверстия корпуса | 63 мкм |
- изображаем эскиз подшипникового узла
3. Расчет размерных цепей
Решение задачи методом максимума – минимума (способ равных квалитетов)
Схема размерной цепи
| Уменьшающее звено | А4, мм | 14 |
| Увеличивающие звенья | А1, мм | 34 |
| А2, мм | 20 | |
| А3, мм | 21 | |
| А5, мм | 12 | |
| А6, мм | 21 | |
| Замыкающее звено | допуск A0, мм | 0,21 |
| Номинальный размерA0 = ((А3+А2)-А4)+((А6+А5)-А4)-А1 (мм) | 12 |
Т.к. звенья размерной цепи являются размерами, величина которых не входит в один диапазон, то задачу решаем по способу равных квалитетов: - для каждого составляющего звена рассчитываем величину единицы допуска
- рассчитываем сумму единиц допуска всех составляющих размеров
- определяем расчетное значение числа единиц допуска
- определяем квалитет с числом единиц допуска ближайшим к расчетному числу единиц допуска – 8 квалитет;
- для выбранного квалитета назначаем, в соответствии со стандартом СТ СЭВ 144-75, допуски на размеры А2, А3,А4,А5,А6
-рассчитываем допуск размера А1
- из условия
подбираем квалитет для размера А1 – 7 квалитет;
- для размеров А1, А2, А3,А5,А6 которые являются увеличивающими звеньями размерной цепи назначаем предельные отклонения как для основного отверстия;
- для размера А4, который является уменьшающим звеном размерной цепи назначаем предельные отклонения как для основного вала;
- результаты расчетов сводим в таблицу
| Размер, мм | i | Результаты промежу-точных расчетов | IT8, мкм | TАi, расчет, мкм | Принято | Верхнее откл-е | Нижнее откл-е | ||
| Обозна-чение | Номин. вел-на | Квалитет | TАi,мкм | ES (es),мкм | EI (ei),мкм | ||||
| A1 | 34 | 1,492 | Сумма i = | 39 | 57 | 7 | 25 | +25 | 0 |
| A2 | 20 | 1,241 | = 7,4 | 33 | 33 | 8 | 33 | +33 | 0 |
| A3 | 21 | 1,263 | acp = | 33 | 33 | 8 | 33 | +33 | 0 |
| А4 | 14 | 1,099 | = 28,378 | 27 | 27 | 8 | 27 | 0 | -27 |
| А5 | 12 | 1,042 | 27 | 27 | 8 | 27 | +27 | 0 | |
| А6 | 21 | 1,263 | 33 | 33 | 8 | 33 | +33 | 0 | |
В соответствии с расчетами устанавливаем для размеров А2, А3,А4,А5,А6 – 8 квалитет точности и основные отклонения ei1= ei2 = ei3 = ei5 = ei6 = 0, es1 = +0,025 мм, es2 = +0,033 мм, es3 = +0,033 мм, es5 = +0,027 мм, es6 = +0,033 мм. Для размера А1 – 7 квалитет. Основные отклонения для размера А4 - ES4 = 0 мм, EI4 = -0,027 мм
Проверка.
- максимальные значения составляющих размеров Amaxi = Ai + ESi(esi) :
A1max = 34 + 0,025 = 34,025 мм ;
A2max = 20+ 0,033 = 20,033 мм ;
A3max = 21 + 0,033 = 21,033 мм ;
A4max = 14 + 0,027 = 14,027 мм ;
A5max = 12 + 0 = 12 мм ;
A6max = 21 + 0,033 = 21,033 мм ;
- минимальные значения составляющих размеров Amini = Ai + EIi(eii) :
A1min = 34 + 0 = 34 мм ;
A2min = 20 + 0 = 20 мм ;
A3min = 21 + 0 = 21 мм ;
A4min = 14 + (-0,027) = 13,973 мм ;
A5min = 12 + 0 = 12 мм ;
A6min = 21 + 0 = 21 мм - допуски составляющих размеров TAi = Amaxi - Amini : TA1 = 34,025 – 34= 0,025 мм ; TA2 = 20,033 – 20 = 0,033 мм ; TA3 = 21,033 – 21 = 0,033 мм ; TA4 = 14,027 – 13,973 = 0,054 мм ;
TA5 =12 – 12= 0 мм ;
TA6 =21,033 – 21 = 0,033 мм ; - допуск замыкающего размера TAо = 0,21 мм ; - проверка условия
: 0,025 + 0,033 + 0,033 + 0,054 + 0 + 0,033 = 0,178 < 0,21 - условие выполняется.
Решение задачи теоретико-вероятностным методом (способ равных квалитетов)
Схема размерной цепи
| Уменьшающее звено | А4, мм | 14 |
| Увеличивающие звенья | А1, мм | 34 |
| А2, мм | 20 | |
| А3, мм | 21 | |
| А5, мм | 12 | |
| А6, мм | 21 | |
| Замыкающее звено | допуск A0, мм | 0,21 |
| Номинальный размерA0 = ((А3+А2)-А4)+((А6+А5)-А4)-А1 (мм) | 12 |
Т.к. звенья размерной цепи являются размерами, величина которых не входит в один диапазон, то задачу решаем по способу равных квалитетов: - для каждого составляющего звена рассчитываем величину единицы допуска
- рассчитываем сумму квадратов единиц допуска всех составляющих размеров
- определяем расчетное значение числа единиц допуска
где ko, ki - коэффициенты рассеивания (для нормального закона распределения ko=1, ki=1);- определяем квалитет с числом единиц допуска ближайшим к расчетному числу единиц допуска – 10 квалитет; - для выбранного квалитета назначаем, в соответствии со стандартом СТ СЭВ 144-75, допуски на размеры А2, А3,А4,А5,А6;- рассчитываем допуск размера А4
- из условия
подбираем квалитет для размера А1 – 10 квалитет; - для размеров А1, А2, А3,А5,А6 которые являются увеличивающими звеньями размерной цепи назначаем предельные отклонения как для основного отв.; - для размера А4, который является уменьшающим звеном размерной цепи назначаем предельные отклонения как для основного вала; - результаты расчетов сводим в таблицу
| Размер, мм | i | i2 | К | Результаты промежу-точных расчетов | IT10, мкм | TАi, расчет, мкм | Принято | Верхнее откл-е | Нижнее откл-е | ||||
| Обозна-чение | Номин. вел-на | Квалитет | TАi,мкм | ES (es),мкм | EI (ei),мкм | ||||||||
| A1 | 34 | 1,492 | 2,226 | ki= | Сумма i2 = | 100 | 115 | 10 | 100 | +100 | 0 | ||
| A2 | 20 | 1,241 | 1,540 | 1 | 9,25 | 84 | 84 | 10 | 84 | +84 | 0 | ||
| A3 | 21 | 1,263 | 1,595 | ko= | acp = | 84 | 84 | 10 | 84 | +84 | 0 | ||
| А4 | 14 | 1,099 | 1,208 | 1 | 69,056 | 70 | 70 | 10 | 70 | 0 | -70 | ||
| А5 | 12 | 1,042 | 1,086 | 70 | 70 | 10 | 70 | +70 | 0 | ||||
| А6 | 21 | 1,263 | 1,595 | 84 | 84 | 10 | 84 | +84 | 0 | ||||
В соответствии с расчетами устанавливаем для размеров А2, А3,А5,А6 – 10 квалитет точности и основные отклонения ei1= ei2 = ei3= ei5 = ei6 = 0, es1 = 0,100 мм, es2 = +0,084 мм, ei3 = +0,084 мм, es5 =+0,070 мм, es6=+0,084мм. Для размера А1 – 10 квалитет. Основные отклонения А4 - ES4 = 0 мм, EI4 = -70.
















