124373 (689990), страница 3
Текст из файла (страница 3)
1,2— регуляторы давления; 3 — рабочий насос; 4 — резервный насос
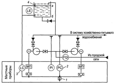
В схеме автоматизации системы водоснабжения с напорным резервуаром и периодически действующими насосами (рис. 2.5) включение и выключение насоса осуществляются регулятором уровня, датчики которого установлены в напорном резервуаре. При опускании воды в баке до нижнего уровня (линия б) включается насос и вода начинает поступать в бак. Когда вода в баке достигнет верхнего уровня (линия а), насос отключится. При выходе из строя рабочего насоса включается резервный с помощью регулятора давления. Ручное или автоматическое управление насосами выбирается с помощью ключа.
Рис. 2.5. Функциональная схема автоматизации системы водоснабжения с напорным резервуаром:
1 — ключ; 2 — регулятор давления; 3 — регулятор уровня; 4 — напорный резервуар
ЗАКЛЮЧЕНИЕ
Эффективность и экономичность работы предприятий холодного и горячего водоснабжения, отопления, водоотведения и водоочистки городов, городских и сельских районов (водоканалы, Коммунпромводы, Теплоэнерго, Тепловые сети и т. п.) может быть существенно повышена за счет автоматизации и внедрения регулируемых электроприводов и автоматизированных систем управления на их основе.
В зависимости от назначения насосной установки система автоматического регулирования должна обеспечить поддержание в требуемых пределах давления, расхода и температуры воды. Кроме того, при аварийной остановке рабочего насоса должен автоматически включаться резервный. Для дистанционного контроля работы насосной установки предусматривается сигнализация и при необходимости — автоматическая запись температуры, расхода и давления воды.
Применение частотно-регулируемых электроприводов в системах водоснабжения, прежде всего, позволяет существенно снизить потребление электроэнергии электроприводами насосов, так как избыточный напор в этом случае не создается. Давление поддерживается постоянным за счет регулирования частоты вращения электродвигателя насоса. Давление, которое необходимо поддерживать в системе, с помощью встроенной клавиатуры пульта привода записывается в его энергонезависимую память.















