124373 (689990), страница 2
Текст из файла (страница 2)
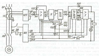
Принципиальная электрическая схема станции (рис.2.1) работает следующим образом. Когда в водонапорном баке нет воды, то контакты верхнего SL1 и нижнего SL2 уровней разомкнуты. Вследствие этого на входах Вх.5 и Вх.6 сдвоенного логического элемента ИЛИ — НЕ сигналы отсутствуют, а на его выходе сигналы появляются и через диоды VD8 и VD9 поступают на усилитель У, который усиливает входной сигнал, вызывающий срабатывание промежуточного реле КV и загорание сигнальной лампы HL. Реле KVсвоими контактами включает магнитный пускатель КМ, а последний — электронасос М. По мере заполнения бака водой вначале замыкаются контакты SL2 датчика нижнего уровня, а затем контакты SL1 верхнего уровня. При замыкании контактов SL2 на Вх. 6 подается отрицательный потенциал, вследствие чего на диоде VD9 выходной сигнал исчезает, а на диоде VD8 остается. Благодаря этому насос не отключается. Когда вода замыкает контакты SL1 датчика верхнего уровня, на #х.5поступает сигнал и на диоде VD8 выходной сигнал исчезает. Вследствие этого лампа HL и реле KV отключаются, что вызывает выключение электронасоса.
Рис.2.1. Принципиальная электрическая схема управления водонасосной станции типа ШЕТ
При расходе воды вначале размыкаются контакты SL1 верхнего уровня, но это не приводит к выключению электродвигателя, так как вместо выходного сигнала от датчика на вход Вх.5 через диод VD7 и реле KV подается отрицательный потенциал от источника: - 24 В. При размыкании контактов SL2 нижнего уровня на Вх.6 сигнал исчезает, что вызывает автоматическое повторное включение электронасоса.
Бесконтактное реле Т-202, логические элементы D, ИЛИ и блок питания БП2 защищают двигатель от перегрузок и от работы в аварийных режимах. Датчиком тока является трансформатор тока ТА, выпрямленный ток от которого поступает на потенциометр RP. Движком потенциометра RP устанавливают значение токов срабатывания защиты при перегрузках и коротких замыканиях электродвигателя. При токах перегрузки срабатывает бесконтактное реле Т-202, с которого поступает на вход Вх.3 сигнал, вызывающий срабатывание элемента выдержки времени D. С элемента D сигнал с выдержкой времени через элемент ИЛИ поступает на вход Вх.5 элемента ИЛИ— НЕ, что вызывает отключение реле KV и электронасоса М. При токах короткого замыкания напряжение на потенциометре RP возрастает в несколько раз. Вследствие этого открывается стабилитрон VD2 и через вход Вх.2 на элемент D поступает сигнал, минуя цепочку выдержки времени в элементе D. С элемента D сигнал последовательно поступает на входы Вх.4 и Вх.5 и исчезает на выходе Вх.7, что вызывает отключение электронасоса без выдержки времени.
Станция ШЭТ позволяет управлять электронасосом при помощи телемеханики. Для этого устанавливают реле приема телесигналов управления, контакты KV2 и KV1 которых соответственно включают и отключают электронасос. Параллельно контактам можно установить конечные станции для дистанционного включения или отключения насоса.
Логические элементы питаются от блока питания БП1, который подключается выключателем S.
Комплектное устройство «Каскад» предназначено для автоматического и дистанционного управления погружными электродвигателями мощностью 1...65 кВт водонасосных и дренажных станций. В устройстве предусмотрена защита электродвигателя от перегрузок, коротких замыканий и сухого хода, т. е. от работы двигателя без воды (для двигателей мощностью 4,5 кВт и выше). Оно может работать в автоматическом режиме от датчиков нижнего SL2 я верхнего SL1 (рис.2.3) уровней воды в баке. Датчиком давления ВР служит электроконтактный манометр, устанавливаемый в оголовке скважины на напорном трубопроводе. Цепи управления и защиты от сухого хода подключают к блоку питания БП1, а цепи защиты от перегрузок и коротких замыканий — к блоку БП2.
В зависимости от положения переключателя SA1 схема работает от датчиков уровня или от датчика давления (положение 1), или от реле телемеханического включения ТВ и отключения ТО (положение 4), или от местного дистанционного управления: включается переводом переключателя SA1 в положение 3, а отключается переводом в положение 2.
Рис.2.3. Принципиальная электрическая схема управления водонасосной станцией “Каскад”
При автоматическом управлении по уровню в блоке управления устанавливают ячейку уровня (ЯУУ). Переключатель SA2 ставят в положение В (водоподъем) или положение Д (откачка дренажных вод).
Рассмотрим работу схемы в режиме водоподъема. Если вода в баке находится ниже датчика минимального уровня, то контакты SL1 и SL2 разомкнуты, транзистор VT8 закрыт, а сигнал выключения насоса с резистора R22 через диод VD13 и резистор R6 поступает на затвор транзистора VT3. Этот транзистор открывается с выдержкой времени (2...30 с), устанавливаемой цепочкой, и открывает триод VT4. В результате этого срабатывает реле KV, которое включает пускатель КМ и электронасос М. Включение насоса запоминается и поддерживается при помощи ячейки памяти, образованной диодом VD7, так как через диод поступает на затвор транзистора VT3 отрицательный потенциал.
При замыкании водой контактов SL1 датчика верхнего уровня сигнал поступает на затвор транзистора VT6, который открывается, закрывая транзистор VT7, и открывает транзисторы VT11 и VT12. На коллекторе транзистора VT12 увеличивается отрицательный потенциал, который через диоды VD14 и VD8 закрывает триод VT4. Реле KV отключается и выключает электронасос М, который остается отключенным до тех пор, пока вода в баке не опустится ниже контактов SL2. Далее цикл повторяется.
При переключении SA2 в режим дренажа Д автоматическое включение электронасоса происходит от датчиков верхнего уровня SL1, а отключение от датчика нижнего уровня SL2.
При автоматическом управлении по давлению вместо ячейки ЯУУ устанавливают ячейку ЯУД с датчиком давления ВР. Ячейка управления по давлению состоит из формирователя времязадающих импульсов, счетчика импульсов и схемы совпадения. Все указанные узлы собраны на логических элементах (триггерах и элементах И - НЕ).
При снижении уровня, а следовательно, и статического напора воды, контакты датчика давления ВР замыкаются и подают отрицательный потенциал питания. Начинает работать генератор и счетчик импульсов ячейки ЯУД. Через определенное число импульсов, обеспечивающих задержку времени включения электронасоса не более 15 мин, с выхода Вых ячейки ЯУД поступает сигнал положительной полярности, который через диод VD8 открывает триод VT4. Благодаря этому включается реле KV, пускатель КМ и электронасос М.
При работе насоса давление повышается и контакты датчика ВР размыкаются, но отрицательный потенциал питания ЯУД теперь подается через открытый триод VT4 и диод VD15.
Через определенное время, устанавливаемое до 90 мин специальным задающим устройством в ячейке ЯУД, сигнал на выходе Вых. исчезает, триод VT4 закрывается, и реле KV отключает пускатель КМ и электронасос М. При снижении давления воды процесс повторяется.
Следует отметить, что схема ячейки ЯУД сложная, многоэлементная, имеет низкую надежность. Контактный манометр работает только на включение насоса, и отключение осуществляется от элемента выдержки времени. Кроме того, давление срабатывания реле ВР зависит от расхода и динамического напора воды. Поэтому сегодня в научных и проектных организациях разрабатываются более совершенные схемы управления электронасосом.
При местном дистанционном включении SA1 переводят в положение 3, а при телемеханическом — в положение 4. В этих случаях отрицательный потенциал подается непосредственно или через контакты KV2 на затвор транзистора VT3 и открывает его и триод VT4. Далее схема работает аналогично работе от датчиков уровня.
При местном дистанционном отключении SA1 переводят в положение 2. В этом случае, как и при телемеханическом отключении, контактами KV1 отрицательный потенциал подается на триод VТ4 и закрывает его, а реле KV и электронасос М отключаются.
Защита электродвигателя от перегрузки выполнена аналогично защите станции управления типа ШЭТ. При аварийных режимах (перегрузках, коротких замыканиях, неполнофазных режимах электронасоса) повышается напряжение на переменном резисторе R. Это напряжение через цепочку выдержки времени R1 — С1, обратно пропорциональную значению напряжения на резисторе R, поступает на затвор транзистора VT1, открывая его и триод VT2. В результате через диоды VD3 и VD8 отрицательный сигнал закрывает триод VT4 и отключает электронасос М. Одновременно загорается сигнальная лампа НЫ «Перегрузка». Цепь обратной связи, состоящая из резистора R4 и диода VD2, исключает автоматическое повторное включение электронасоса.
Защита электронасоса от сухого хода выполнена в виде датчика SL3 в скважине и полупроводникового преобразователя сигнала. При нормальной работе насоса датчик SL3 омывается водой, и его контакты замкнуты. При отсутствии воды в скважине контакты SL3 размыкаются, транзистор VT5 закрывается, а транзисторы VТ9 и VT10 открываются. Отрицательный потенциал через триод VT10, диоды VD4 и VD8 закрывает триод VT4 и отключает электронасос М. Одновременно загорается лампа «Сухой ход». При появлении воды транзистор VT5 открывается, а транзисторы VT9 и VT10 остаются открытыми за счет обратной связи через диод VD12. Вследствие этого повторно включить насос можно только после выяснения и устранения причин его отключения.
3. АВТОМАТИЧЕСКОЕ УПРАВЛЕНИЕ НАСОСАМИ
В зависимости от назначения насосной установки система автоматического регулирования должна обеспечить поддержание в требуемых пределах давления, расхода и температуры воды. Кроме того, при аварийной остановке рабочего насоса должен автоматически включаться резервный. Для дистанционного контроля работы насосной установки предусматривается сигнализация и при необходимости — автоматическая запись температуры, расхода и давления воды.
Предположим, что при внезапной остановке рабочего насоса давление теплоносителя на линии нагнетания резко падает. Эта зависимость и положена в основу работы схемы автоматизации, обеспечивающей включение резервного насоса при аварийной остановке рабочего.
На нагнетательной линии после насосов обычно устанавливают позиционный регулятор давления, настроенный на рабочее давление системы отопления. При остановке рабочего насоса давление теплоносителя снижается, срабатывает регулятор давления, выключаются магнитный пускатель электродвигателя насоса и сигнальная лампа. Одновременно включается в работу резервный насос и загорается соответствующая сигнальная лампа. С помощью ключа осуществляется выбор режима управления работой установки.
При автоматизации насосов бывают случаи, когда разность давления теплоносителя при включенном и выключенном насосе меньше чувствительности регулятора давления. В этом случае искусственно увеличивают гидравлическое сопротивление сети путем установки диафрагмы.
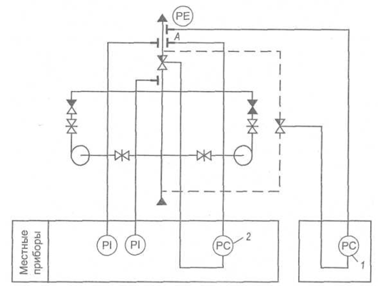
Для автоматического поддержания постоянного давления на нагнетательной линии насосов установлен регулятор давления прямого действия 2 (рис. 2.1). В зависимости от изменения давления в системе регулирующий клапан открывается или закрывается, поддерживая постоянное давление в точке А. Постоянное давление в системе может поддерживаться и передачей части теплоносителя в обратную линию. Для этого между прямой и обратной линиями теплоносителя монтируют перемычку, на которой устанавливают регулятор давления прямого действия / (пунктирная линия). При повышении давления в точке А клапан открывается, часть теплоносителя из прямой линии поступает в обратную и тем самым поддерживается постоянное давление в системе. Рассмотренный способ регулирования может быть применен только в том случае, если перепуск горячей воды в обратную линию не вызывает нарушения установленного температурного графика теплоносителя в обратной линии.
Рис.2.1. Функциональная схема автоматического поддержания постоянного давления теплоносителя
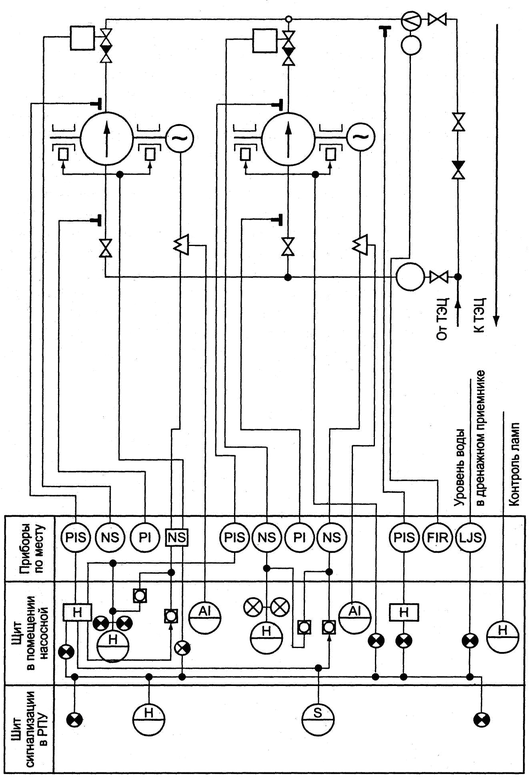
Более сложны схемы автоматизации насосных подстанций, основное назначение которых состоит в изменении давления в подающем или обратном трубопроводе за подстанцией, а также в увеличении пропускной способности тепловой сети. Автоматизация насосных подстанций на подающей магистрали (рис. 2.2) включает решение задач: блокировки насосных агрегатов, электродвигателей насоса и задвижки на напорном патрубке насоса; автоматического включения резервного насоса при падении давления в напорном патрубке работающего и автоматического переключателя на резервный источник электропитания; сигнализации о неисправностях работы насосной подстанции (превышении допустимой температуры в подшипниках насосов, автоматическом включении резервного насоса, понижении давления воды за насосами и др.).
При автоматизации насосной подстанции на обратной магистрали (рис. 2.3) дополнительно предусматривается поддержание постоянного давления во всасывающем коллекторе, поскольку колебания давления существенно влияют на надежность работы отопительных систем. Автоматическая защита от понижения давления во всасывающем коллекторе перекачивающей подстанции действует при аварийных ситуациях. В этом случае автомат рассечки разделяет тепловую сеть на две гидравлически независимые зоны: верхнюю (с высокой отметкой пьезометра после срабатывания защиты) и нижнюю (с низкой отметкой пьезометра).
Рис, 2.2. Схема автоматизации насосной подстанции на подающей
Рис. 2.3. Схема регулирования давления воды во всасывающем коллекторе насосной подстанции на обратной магистрали:
1 — насосы подстанции; 2 — обратный клапан
Основной причиной резких и значительных по величине понижений давления воды во всасывающем коллекторе насосных подстанций на обратных трубопроводах является остановка насосов подстанции или сетевых насосов на станции, что может быть вызвано различными неисправностями, в том числе прекращением подачи электроэнергии. В связи с этим в схеме защиты используются не электрические, а гидравлические регуляторы давления, например РД-ЗА с регулирующим клапаном РК, которые получают импульс от давления на всасывающем коллекторе насосной подстанции. Регулирующие клапаны РК с мембранным приводом устанавливают на подающей магистрали подстанции.
Полного разделения тепловой сети на две гидравлические независимые зоны не требуется и том случае, когда давление в обратной магистрали во время остановки насосной подстанции не превышает допустимого предела при некотором сокращенном расходе воды, который можно обеспечить частичным прикрытием регулирующего клапана. В таких случаях целесообразно применять двухседельные регулирующие клапаны. При частичном закрытии регулирующего клапана снижается вероятность возникновения гидравлического удара.
3.1 АВТОМАТИЗАЦИЯ ХОЗЯЙСТВЕННО-ПИТЬЕВОГО ВОДОСНАБЖЕНИЯ
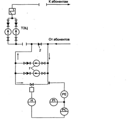
В зависимости от напора в точке присоединения к наружной сети внутренняя водопроводная система выполняется либо путем непосредственного присоединения без насосов и резервуаров, если напор в наружной сети достаточен для подачи воды ко всем водоразборным точкам внутри здания, либо с насосами постоянного или периодического действия, если напора в наружной сети постоянно или периодически не хватает для подачи воды ко всем водоразборным точкам. Система непосредственного присоединения оборудуется лишь измерителем расхода — счетчиком-расходомером (водомером). В системе водоснабжения с насосами периодического действия (рис. 2.4) рабочий насос включается с помощью позиционного регулятора давления / при понижении расчетного давления воды, поступающей из городской сети. При повышении давления воды Щ городской сети насос выключается с помощью того же регулятора. Автоматическое включение резервного насоса при аварийном состоянии рабочего осуществляется позиционным регулятором давления 2.
Рис. 2.4. Функциональная схема автоматизации системы водоснабжения с насосами периодического действия:















