124356 (689983)
Текст из файла
Содержание
Введение
1 Исходные данные
2 Анализ процесса резания как ОУ
3 Определение структуры основного контура системы
4 Разработка структурной схемы САР
5 Анализ устойчивости скорректированной системы
6 Построение АдСУ
Заключение
Введение
В процессе обработки в зоне резания возникает повышенная температура, оказывающая существенное влияние на стойкость инструмента
,
где
,
– показатель степени и коэффициент, зависящие от материалов инструмента, заготовки, а также вида обработки;
– температура резания, °С.
Затупление инструмента, поступление более интенсивного охлаждения, изменение твердости детали, изменение скорости резания немедленно оказывают влияние на температуру резания. Если при обработке температура резания даже незначительно превысит максимально допустимое значение для данного инструмента, то происходит повышенный износ последнего, завершающийся, как говорят, «тепловой посадкой инструмента». Наиболее сильно на температуру резания влияет скорость, несколько меньше – величина подачи и еще меньше – глубина резания. Связь между температурой резания и перечисленными параметрами может быть описана эмпирической степенной зависимостью
По температуре (термо-ЭДС) резания можно судить о скорости износа инструмента. Для различных сочетаний инструмента и материала детали существуют температуры, при которых скорость износа инструмента оказывается оптимальной с точки зрения себестоимости обработки, либо производительности обработки. Для измерения этой температуры и управления процессом обработки наибольшее распространение нашел метод естественной термопары, образованной инструментом и деталью. Развиваемая естественной термопарой термо-ЭДС позволяет построить АСУ ТП, поддерживающую заданный температурный режим с точностью 2...3 %. Для успешного построения системы стабилизации температуры резания (СТР) необходимо, чтобы конструкция станка не шунтировала эту термо-ЭДС, резец был бы изолирован от массы станка, а твердосплавный резец охлаждался смазывающе-охлаждающей жидкостью (СОЖ) для того, чтобы «холодный» участок пластины имел температуру окружающей среды и были сведены к минимуму температурные погрешности измерений.
Измерение температуры в зоне контакта в процессе резания
Измерение осуществляется с помощью метода естественной термопары. Термоэлементом в данном случае является материал резца и детали. А горячим спаем является зона контакта резца с заготовкой.
РТС
,
Достоинства метода: конструктивно прост, может применяться для различных видом режущего инструмента и оборудования, удобен для САУ процессом резания.
Недостатки: необходимость градуировки для каждого сочетания резца и детали, метод не дает распределение температур на передней и задней поверхности, а только средне-интегральную температуру.
1 Исходные данные
| Режим резания | Условие резания | Допуск на температуру резания – | |||
|
|
|
|
| ||
| 45 | 0,11 | 1,7 | 1,3 |
|
|
Двигатель 2ПН180LУХЛ4:
мощность, кВт – 10
напряжение, В – 220
частота вращения, об/мин номинальная – 1000
максимальная – 3000
КПД, % – 82,5
сопротивление обмотки при 15 0С, Ом якоря – 0,168
добавочных полюсов – 0,11
возбуждения – 72,5/20,1
индуктивность цепи якоря, мГн – 5,6
ПЭ: звено 1
с
звено 2
с
ДУ:
с
ПУ:
с
Оптимальная температура в зоне резания обеспечивает минимум интенсивности изнашивания режущего инструмента. При точении жаропрочного сплава ХН77ТЮР резцом ВК6М с параметрами заточки
мм;
;
;
оптимальная температура
составляет
C. Температура в зоне резания для данной пары «инструмент-деталь» определяется выражением:
,
(1).
Колебание напряжения в сети может вызывать отклонение расчетных значений скорости вращения шпинделя
и скорости вращения двигателя механизма подачи
на (
) заданного расчетного значения, в результате чего температура в зоне резания может отклоняться от расчетной. Кроме того, изменение величины припуска
в пределах
так же может вызывать отклонение температуры в зоне резания. Для поддержания температуры в зоне резания на уровне
с заданной точностью изменяем V, регулируя скорость вращения двигателя шпинделя
, при неизменном задании
, однако при этом величина S колеблется из-за напряжения сети на (
)
заданного.
2 Анализ процесса резания как ОУ
Анализ процесса резания как объекта управления осуществляется в несколько этапов.
Определение состава выходных координат ОУ. В качестве выходной координаты можно принять температуру в зоне резания, параметры стружки, силу резания, износ инструмента, уровень шероховатости обработанной поверхности и т.д.
Выбор выходной координаты, количественно определяющей качество хода ПР. В качестве выходной координаты примем температуру в зоне резания, т.к. при оптимальной температуре резания происходит минимальный износ инструмента, что обеспечивает высокое качество ПР.
Выполнение математического описания ОУ. Уравнение
,
(1) определяет связь между выходной координатой
и воздействиями
,
,
.
Определение ограничений, в условии которых должен производиться ПР. Таким ограничением является скорость, которая может регулироваться только вниз от номинальной, т.е. уменьшаем входную координату ПР.
Определение состава управляющих координат. На ОУ оказывают влияние скорость резания
, глубина резания
, подача
.
Выбор управляющей координаты, оказывающей самое эффективное воздействие на выходную координату. Из уравнения (1) следует, что эффективнее всего на температуру воздействует скорость резания (0,384>0,132>0,098), поэтому
– управляющая координата.
Определение состава возмущений. Изменение величины припуска
в пределах
вызывает отклонение температуры в зоне резания. Величина
так же является возмущением, т.к. она колеблется из-за напряжения сети на (
)
заданного.
Определение диапазона изменения возмущений.
изменяется в пределах от 1,3 до 1,7 мм, т.е.
мм.
колеблется на (
)
заданного, т.е.
изменяется в пределах от 0,0825 до 0,1375 мм/об, поэтому
мм/об.
Определение отклонения выходной координаты при совместном действии возмущений. Температура в зоне резания изменяется в следующих пределах:
,
,
,
Так образом процесс резания как ОУ можно представить в виде следующего «черного ящика»:
Рис. 1 Модель процесса резания
3 Определение структуры основного контура системы
С
хема взаимодействия электропривода и процесса резания приведена на рис. 1:
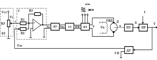
Рис. 2 Функциональная схема системы автоматического регулирования (САР) выходной координаты
САР регулирует выходную координату процесса резания с заданной точностью. Процесс резания на схеме обозначен функциональным блоком ПР, управляющая координата ПР обозначена –
, возмущающее воздействие –
. ПУ – передаточное устройство, это механическая система, преобразующая механическую энергию вала двигателя в механическую энергию управляющего воздействия процесса резания. ПУ является линейным звеном. С точки зрения динамики является апериодическим звеном первого порядка с постоянной времени
. Двигатель Д преобразует электрическую энергию в механическую энергию вращения вала. Двигатель является машиной постоянного тока с независимым возбуждением. Возбуждение машины осуществляется обмоткой ОВД. Поток возбуждения в процессе регулирования не изменяется и остается равным его номинальному значению. Регулирование скорости двигателя осуществляется изменением напряжения якоря U.
ПЭ – преобразователь электрической энергии, преобразует электрическую энергию промышленной сети трехфазного переменного тока в электрическую энергию постоянного тока и регулирует величину выходного напряжения U, питающего цепь якоря двигателя Д. Преобразователь электрической энергии является линейным звеном. Выходное напряжение U равно номинальному значению при напряжении управления 10 В. С точки зрения динамики процесса ПЭ представляет собой апериодическое звено второго порядка с постоянными времени
и
.
УС – усилитель, является безынерционным звеном, усиливает напряжение, поступающее от корректирующего устройства
КУ – корректирующее устройство, корректирует динамические свойства САР. Статический коэффициент передачи КУ равен 1.
Характеристики
Тип файла документ
Документы такого типа открываются такими программами, как Microsoft Office Word на компьютерах Windows, Apple Pages на компьютерах Mac, Open Office - бесплатная альтернатива на различных платформах, в том числе Linux. Наиболее простым и современным решением будут Google документы, так как открываются онлайн без скачивания прямо в браузере на любой платформе. Существуют российские качественные аналоги, например от Яндекса.
Будьте внимательны на мобильных устройствах, так как там используются упрощённый функционал даже в официальном приложении от Microsoft, поэтому для просмотра скачивайте PDF-версию. А если нужно редактировать файл, то используйте оригинальный файл.
Файлы такого типа обычно разбиты на страницы, а текст может быть форматированным (жирный, курсив, выбор шрифта, таблицы и т.п.), а также в него можно добавлять изображения. Формат идеально подходит для рефератов, докладов и РПЗ курсовых проектов, которые необходимо распечатать. Кстати перед печатью также сохраняйте файл в PDF, так как принтер может начудить со шрифтами.















