124229 (689928)
Текст из файла
Содержание
Задание
1 Описание конструкции и назначение узла
2 Расчет и выбор посадок подшипников качения
3 Выбор посадок для сопряжений узла и их расчёт
4 Выбор средств измерений деталей
5 Расчёт рабочих и контрольных калибров
6 Расчёт и выбор посадки с натягом
7 Расчёт точности зубчатой передачи
8 Расчёт и выбор посадки с зазором
9 Расчёт размерной цепи вероятностным методом
Список используемых стандартов
1 Описание конструкции и назначения узла.
Червячной передачей называется механизм, служащий для преобразования вращательного движения между валами со скрещивающимися осями. Обычно червячная передача (рис.1) состоит из червяка 1 и сопряженного с ним червячного колеса 2. Угол скрещивания осей обычно равен 90°; неортогональные передачи встречаются редко. Червячные передачи относятся к передачам зацеплением, в которых движение осуществляется по принципу винтовой пары. Червячную передачу можно получить из рассмотренной ранее винтовой зубчатой передачи, если уменьшить число зубьев одного из косозубых колес до z1= 1...4 и увеличить их угол наклона к оси, превратив таким образом косозубое колесо в винт (червяк). Поэтому червячные передачи относят к категории зубчато-винтовых.
Все применяемые в дальнейшем термины, определения и обозначения, относящиеся к червячным передачам, соответствуют ГОСТ «Передачи червячные» и ГОСТ «Передачи зубчатые».
Витки червяка и зубья червячного колеса соприкасаются обычно по линиям и поэтому представляют собой высшую кинематическую пару. Обычно ведущее звено червячной передачи — червяк, но существуют механизмы, в которых ведущим звеном является червячное колесо.
Достоинства червячных передач: компактность конструкции и возможность получения больших передаточных чисел в одноступенчатой передаче (до u = 300 и более); высокая кинематическая точность и повышенная плавность работы; малая интенсивность шума и виброактивности; возможность обеспечения самоторможения.
На рис.2 схематически изображены основные виды червячных передач:
а — цилиндрическая червячная передача, у которой делительные и начальные поверхности цилиндрические (такие передачи имеют наибольшее распространение); б — глобоидная передача, у которой делительная поверхность червяка торообразная, а колеса — цилиндрическая (такие передачи нетехнологичны); в— червячно-реечная передача (по сравнению с зубчато-реечной такай передача обеспечивает большую плавность работы и имеет большую жесткость; оси червяка и рейки могут располагаться под углом или быть параллельны; передачи применяют в продольно-строгальных, тяжелых фрезерных и горизонтально-расточных станках).
Недостатки червячных передач: значительное геометрическое скольжение в зацеплении и связанные с этим трение, повышенный износ, склонность к заеданию, нагрев передачи и сравнительно низкий КПД (от
до
); необходимость применения для ответственных передач дорогостоящих и дефицитных антифрикционных цветных металлов. Указанные недостатки ограничивают мощность червячных передач (обычно
до 60 кВт).
Червячные передачи находят широкое применение, например, в металлорежущих станках, подъемнотранспортном оборудовании, транспортных машинах, а также в приборостроении.
Витки червяка нарезают резцом на токарно-винторезном или дисковой фрезой на резьбофрезерном станке; после нарезания резьбы и термообработки рабочие поверхности витков нередко шлифуют и полируют, что существенно повышает нагрузочную способность передачи. Зубья червячного колеса нарезают методом обкатки червячными фрезами на зубофрезерных станках; режущий инструмент в этом случае подобен червяку, снабженному режущими кромками и гранями (производящий червяк). Такая технология изготовления обеспечивает линейный контакт между витками червяка и зубьями червячного колеса.
Для цилиндрических червячных передач установлено двенадцать степеней точности и соответствующие нормы точности изготовления и монтажа передач. Независимо от степени точности передач назначают нормы бокового зазора между витками червяка и зубьями колеса.
Для глобоидных передач установлено три степени точности: 6, 7 и 8, для каждой из которых назначают нормы точности изготовления червяка, колеса и монтажа передач. Независимо от степени точности устанавливают нормы бокового зазора.
Силовые червячные передачи обычно изготовляют по 6—8-й степеням точности.
Конструктивно червячные передачи чаще всего делают в закрытом исполнении. На рис.3 приведены схемы наиболее часто встречающихся червячных редукторов: а — с верхним расположением червяка, б — с боковым расположением червяка, в — с нижним расположением червяка.
2 Расчёт и выбор посадок подшипников качения
Исходные данные:
Подшипник №7210
Класс точности 0
Радиальная реакция R = 1,6 kH
Осевое усилие A = 2 kH
Характер нагрузки - с умеренными толчками и вибрациями, перегрузка до 150%.
Размеры подшипника [2]:
2.1 Для циркуляционно нагруженного кольца определяется интенсивность нагружения PR, H.
, (2.1)
где R – радиальная реакция опоры на подшипник, кН
В – ширина подшипника, мм
r – радиус фасок колец подшипника, мм
KП – динамический коэффициент посадки [1,табл.3.5]
F – коэффициент ослабления посадочного натяга при полом вале или тонкостенном корпусе FA – коэффициент неравномерности распределения радиальной нагрузки между рядами роликов или между сдвоенными шарикоподшипниками при наличии осевой нагрузки на опору [1,табл. 3.2]
2.2 По величине интенсивности нагружения PR выбираем вид посадки [1,табл.3.6,]
«
» - посадка на вал
2.3 Для колец, воспринимающих колебательное и местное нагружение, выбирается вид посадки в зависимости от характера нагружения и вида корпуса [1, табл. 3.3]
«H» - посадка в корпус
2.4 Выбор квалитета для посадок колец подшипников
Для вала – 6 квалитет
Для корпуса – 7 квалитет
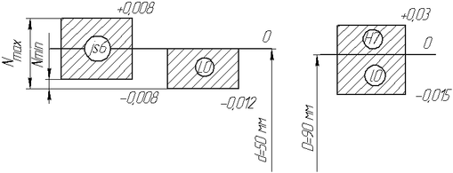
2.5 По ГОСТ 520 – 89 и ГОСТ 25347 – 82 определяем отклонения ES, EI, ei, es, строим поля допусков по наружному (D) и внутреннему (d) диаметрам и определяем табличные натяги Nmax и Nmin
Отклонения для внутреннего кольца подшипника:
ES = +8 мкм, EI = -8 мкм
Отклонение для наружного кольца подшипника:
es = +25 мкм, ei = 0 мкм
Определяем поле допуска внутреннего (L5) и наружного (l5) колец [1,табл.
3.9]
L0 = -12 мкм, l0 = -15 мкм
Схема расположения полей допуска
Nmin=dmin- Dmax=ei-ES (2.2)
Nmax=dmax-Dmin=es-EI (2.3)
Nmin=-0,008-(-0,012)=0,004 [мм]
Nmax=0,008-(-0,012)=0,020 [мм]
2.6 Вычислим минимальный допустимый натяг:
(2.4)
- конструктивный фактор,
где d0 – приведенный диаметр внутреннего кольца
(2.5)
(2.6)
где R – радиальная реакция
=4 [мкм]
Условие Nmin≥
выполняется,
- условие выполнено
2.7 Вычислим максимальный допустимый натяг:
(2.7)
где
– предел прочности шарикоподшипниковой стали
[мм]
- условие выполнено.
2.8 Проверяем наличие посадочного рабочего зазора:
По внутреннему диаметру (d)определяем min и max радиальный зазор [1,табл. 3.11]:
Gmin=12 мкм, Gmax=29 мкм
Определяем начальный радиальный зазор:
(2.8)
[мкм] или 0,0205 [мм]
Определим эффективный натяг:
(2.9)
где
- усреднённый натяг
(2.10)
Определим рабочий радиальный зазор:
(2.11)
где
Условие
- выполнено.
Определим усилие запрессовки подшипника на вал (
):
(2.12)
Где
- коэффициент трения при запрессовке
- модуль упругости стали
2.9 Определим температуру нагрева подшипника в масле для установки его на вал:
(2.13)
где
- температурный коэффициент линейного расширения подшипниковой стали
- сборочный зазор
3 Выбор посадок для сопряжений узла и их расчёт
В соответствии с заданием на курсовую работу необходимо назначить посадки для десяти сопряжений сборочной единицы.
Таблица 1 – Выбранные посадки
| Номера сопрягаемых деталей | Наименование сопрягаемых деталей | Выбранные посадки по ГОСТ 25347-82 ( СТ СЭВ144-88) |
| 22 - 04 | Подшипник - вал | 50 |
| 22 – 05 | Подшипник - крышка | 90 |
| 27 - 04 | Шпонка - вал | 55 |
| 04 – 01 | Вал - шестерня | 55 |
| 27 – 01 | Шпонка - шестерня | 55 |
| 16 - 02 | Болт - корпус | М6 |
| 16 - 08 | Болт - крышка | 6 |
| 08 - 02 | Крышка - корпус | 90 |
| 08 - 21 | Крышка подшипника -манжета | 70 |
| 26 - 04 | Шпонка - вал | 45 |
Расшифровка буквенных обозначений посадок, расчет предельных размеров, зазоров или натягов, построение полей допусков для десяти выбранных сопряжений оформляются в виде таблицы 2.
Характеристики
Тип файла документ
Документы такого типа открываются такими программами, как Microsoft Office Word на компьютерах Windows, Apple Pages на компьютерах Mac, Open Office - бесплатная альтернатива на различных платформах, в том числе Linux. Наиболее простым и современным решением будут Google документы, так как открываются онлайн без скачивания прямо в браузере на любой платформе. Существуют российские качественные аналоги, например от Яндекса.
Будьте внимательны на мобильных устройствах, так как там используются упрощённый функционал даже в официальном приложении от Microsoft, поэтому для просмотра скачивайте PDF-версию. А если нужно редактировать файл, то используйте оригинальный файл.
Файлы такого типа обычно разбиты на страницы, а текст может быть форматированным (жирный, курсив, выбор шрифта, таблицы и т.п.), а также в него можно добавлять изображения. Формат идеально подходит для рефератов, докладов и РПЗ курсовых проектов, которые необходимо распечатать. Кстати перед печатью также сохраняйте файл в PDF, так как принтер может начудить со шрифтами.















