124202 (689911)
Текст из файла
Содержание
-
Расчет мощности и выбор электродвигателей нажимного устройства
-
Выбор преобразователя
-
Методика наладки электропривода
-
Смета на приобретение электрооборудования проектируемого электропривода
1. Расчет мощности и выбор электродвигателей нажимного устройства
Для нажимных устройств с большой частотой включений в час, т.е. на обжимных реверсивных толстолистовых и среднелистовых станах горячей прокатки применяются электродвигатели постоянного тока. Для этих нажимных винтов применяется, как правило, двухдвигательный привод, причём кинематическая схема предусматривает возможность раздельной работы винтов. Применение двухдвигательного привода объясняется стремлением уменьшить момент инерции привода, что особенно важно при большой частоте включений. По этой же причине на обжимных станах существует тенденция к снижению передаточного числа редуктора нажимного устройства с заменой червячной передачи цилиндрической и с применением двигателей вертикального исполнения. Кроме того, двухдвигательный электропривод получается более компактным и надёжным, при выходе из строя одного электродвигателя можно продолжать работу с половинной мощностью. Муфты сцепления позволяют воздействовать двумя электродвигателями на один нажимной винт, что иногда необходимо при его заклинивании.
Системы управления двухдвигательными электроприводами должны обеспечивать выравнивание токов отдельных электродвигателей. Наиболее простым способом выравнивания нагрузок в многодвигательном приводе является последовательное соединение якорей двигателей. Это допустимо при наличии достаточно жёсткой механической связи между электродвигателями; кроме того, изоляция последних должна быть выполнена на повышенное напряжение, практически на полное напряжение преобразователя. В качестве приводных двигателей нажимного устройства черновой клети устанавливаем два электродвигателя постоянного тока концерна Siemens типа 1GH6 228-ONA46-1VV3 с техническими данными, приведенными в табл. 1.1 (Приложение А)
Таблица 1.1 - Технические данные электродвигателей постоянного тока
типа 1GH6 228-ONA46-1VV3
| Наименование параметра | Численное значение |
| Номинальная мощность, кВт | 94.5 |
| Номинальное напряжение, В | 420 |
| Номинальный ток якоря, А | 264 |
| Номинальная частота вращения, об/мин | 585 |
| Сопротивление обмотки якоря, обмоток дополнительных полюсов и компенсационной обмотки при 120 ºС, Ом | 0,206 |
| Индуктивность обмотки якоря, мГн | 5,83 |
| Максимально допустимая частота вращения при снижении потока возбуждения, об/мин | 1740 |
| Момент инерции якоря, кгм2 | 2,5 |
| Мощность возбуждения, кВт | 3,5 |
| Напряжение возбуждения, В | 310 |
| Масса двигателя, кг | 950 |
| К.П.Д. % | 83 |
Для проверки выбранных электродвигателей по нагреву использован уточнённый метод предельно-допустимого времени работы механизма, разработанный к.т.н., доцентом кафедры АЭМС ДонГТУ Полиловым Е.В.
-
- Наибольшая (установившаяся) осевая скорость перемещения нажимных винтов:
;
-
Время отработки критического перемещения
где:
- максимальная потребная величина эквивалентного ускорения в соответствии с Приложение Б
Таблица 1.2 – Расчёт величин эквивалентных ускорений
|
мм |
с |
мм/с |
мм/с2 |
мм/с2 |
с |
| 60 | 2 | 60 | 60 | 0 | 1,414 |
| 50 | 2 | 50 | 50 | 0 | 1,291 |
| 120 | 2 | 120 | 120 | 0 | 2 |
| 55 | 2 | 55 | 55 | 0 | 1,354 |
| 45 | 2 | 45 | 45 | 0 | 1,225 |
Выбираем максимальную требуемую величину эквивалентного ускорения с учетом осевой скорости перемещения нажимных винтов
-
Расчётная величина критического перемещения исполнительного органа:
-
- Суммарный момент инерции, приведенный к валу электродвигателя:
-
- Фактическая продолжительности включения двигателя (приложение Б):
- для определения
учитываются только те перемещения, для которых
(m- количество перемещений, больших критического);
- для определения
суммирование производится для перемещений
(
-количество перемещений, меньших критического)
-
Пересчетный коэффициент (учитывающий постоянные потери
в электродвигателе и ухудшение условий охлаждения
в неустановившихся процессах и в периоды пауз):
-
Рассчитаем средний статический момент:
-
Номинальная требуемая мощность электропривода, приведенная к величине каталожной продолжительности включения
и величина кратности пуско-тормозных токов, обеспечивающие работу электродвигателя без перегрева для случая стабилизации динамического момента электропривода:
-
Коэффициент загрузки установленных электродвигателей:
-
Перегрузочная способность:
Приведенный расчет выполнен в прикладной программе MathCad (приложение Б)
2. Выбор преобразователя
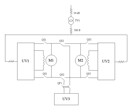
Для питания якорных цепей выберем три преобразователя, два рабочих (по одному каждой машине) и один резервный.
Для питания якорных цепей, выбранных двигателей, из каталога (приложение В) выбираем преобразователь SIMOREG DC MASTER с исходными данными табл. 2.1.
Таблица 2.1 – Технические данные преобразователя SIMOREG DC MASTER 6RA7087 – 6DV62
| Наименование параметра | Значение |
| Номинальный входной ток, А | 705 |
| Питающее 3ф напряжение, В | 400 |
| Номинальное выпрямленное напряжение, В | 420 |
| Номинальный выпрямленный ток, А | 850 |
| Номинальная мощность преобразователя, кВт | 357 |
| Номинальное напряжение возбуждения, В | 325 |
| Номинальный ток возбуждения, А | 30 |
| Масса преобразователя, кг | 45 |
SIMOREG Выпрямители шкафного исполнения - это готовые к подключению, испытанные выпрямители для питания электродвигателей постоянного тока с регулируемой скоростью. Два микропроцессора реализуют все функции управления и регулирования, а также вспомогательные функции контроля и наблюдения. Устройства шкафного исполнения содержат все компоненты, которые требуются для эксплуатации электродвигателя постоянного тока с регулируемой скоростью.
Рисунок 2 – Силовая однолинейная схема
Преобразователи шкафного исполнения могут подключаться непосредственно к сети трехфазного тока с номинальным напряжением 3 АС 50 Гц 400 В, 500 В, 690 В, 830ВиЗ АС 60 Гц 460В.
Другие подключаемые напряжения (от 90 Вдо 830 В) при частоте сети 60 Гц и 50 Гц.
Устройства шкафного исполнения поставляются как:
-
1 - и 2- квадрантные преобразователи с полностью управляемой 6-пульсной мостовой схемой выпрямления В6С (ном. токи от 30 до 2000 А).
-
4-х - квадрантные преобразователи со встречно-параллельным включением 2х полностью управляемых мостовых 6-пульсных схем (В6)А (В6)С (номинальные постоянные токи от 15 до 2000 А).
-
Специального исполнения для параллельного подключения нескольких преобразователей на одну нагрузку, 12-пульсного режима работы и для питания обмотки возбуждения - по запросу.
Семейство SIMOREG DC MASTER включает в себя все возможные варианты: от 6.3 кВт до 1900 кВт, для питания якоря и обмотки возбуждения и для одно/двух или четырёх квадрантной работы. Особенность SIMOREG DC MASTER – это высокие динамические характеристики: время нарастания тока или момента значительно менее 10 мс. Вы всегда сможете подобрать вариант исполнения для вашей задачи. Перечислим наиболее важные характеристики:
-
Полная интеграция в любую систему автоматизации
-
Возможность модульного расширения
-
От типовых применений до высокопроизводительных решений
-
Отказоустойчивые конфигурации до 12.000 А благодаря интеллектуальному параллельному подключению
-
Диапазон питающих напряжений от 400 В до 830 В
-
Быстрый и лёгкий запуск системы благодаря электронной настройке всех параметров
-
Единая философия управления
Не следует забывать, что SIMOREG DC MASTER поддерживает уникальное свойство продуктов Сименс - TIA (Totally Integrated Automation) Комплексное Решение для Автоматизации. При использовании продуктов Сименс вы выигрываете при разработке проекта и программировании, применяя единую базу данных и используя взаимодействие с широким спектром систем.
Устройства шкафного исполнения SIMOREG могут модульно оснащаться стандартизованными расширениями управления и функциональными расширениями (опциями) и этим приспосабливаться под особенности технологии и для решения конкретной поставленной задачи.
При заказе шкафа преобразователя SIMOREG с расширениями заказной номер соответствующего преобразователя указывается с опознавательным знаком"-Z" и дополняется краткими обозначениями желаемых опций (в любой очередности).
Характеристики
Тип файла документ
Документы такого типа открываются такими программами, как Microsoft Office Word на компьютерах Windows, Apple Pages на компьютерах Mac, Open Office - бесплатная альтернатива на различных платформах, в том числе Linux. Наиболее простым и современным решением будут Google документы, так как открываются онлайн без скачивания прямо в браузере на любой платформе. Существуют российские качественные аналоги, например от Яндекса.
Будьте внимательны на мобильных устройствах, так как там используются упрощённый функционал даже в официальном приложении от Microsoft, поэтому для просмотра скачивайте PDF-версию. А если нужно редактировать файл, то используйте оригинальный файл.
Файлы такого типа обычно разбиты на страницы, а текст может быть форматированным (жирный, курсив, выбор шрифта, таблицы и т.п.), а также в него можно добавлять изображения. Формат идеально подходит для рефератов, докладов и РПЗ курсовых проектов, которые необходимо распечатать. Кстати перед печатью также сохраняйте файл в PDF, так как принтер может начудить со шрифтами.
в электродвигателе и ухудшение условий охлаждения
в неустановившихся процессах и в периоды пауз):
и величина кратности пуско-тормозных токов, обеспечивающие работу электродвигателя без перегрева для случая стабилизации динамического момента электропривода:














