124200 (689910)
Текст из файла
РАСЧЕТ МЕХАНИЗМА ПОДЪЕМА ТЕЛЕЖКИ КОНСОЛЬНОЙ С БОКОВЫМИ РОЛИКАМИ
СОДЕРЖАНИЕ
-
Выбор каната и барабана
1.1 Грузоподъемная сила
1.2 КПД полиспаста
1.3 Наибольшее усилие в ветви каната, набегающего на барабан при подъеме груза
1.4 Разрывное усилие каната в целом
1.5 Выбор типа каната
1.6 Минимальный диаметр барабана
1.7 Расчетный диаметр барабана
1.8 Длина барабана с двусторонней нарезкой
1.9 Проверка размеров барабанов по условиям
1.10 Угловая скорость барабана
2. Выбор электродвигателя
2.1 Продолжительность включения
2.2 Статическая мощность электродвигателя
2.3 Выбор электродвигателя
2.4 Угловая скорость электродвигателя
3. Выбор редуктора
3.1 Выбор типа редуктора
3.2 Расчет редуктора по радиальной консольной нагрузке
3.3 Передаточное число редуктора
3.4 Грузовой момент на барабане
3.5 Проверка редуктора по грузовому моменту
4. Выбор тормоза
4.1 Статический момент на выходном валу редуктора при торможении
4.2 Тормозной момент, на который регулируют тормоз
5. Компановка механизма
5.1 Сравнение металлоемкости механизмов подъема
5.2 Условие соседства электродвигателя и барабана
5.3 Условие соседства тормоза и барабана
5.4 Расчет колеи тележки
5.5 Минимальная колея тележки
Выводы
1. ВЫБОР КАНАТА И БАРАБАНА
1.1 ГРУЗОПОДЪЕМНАЯ СИЛА
, (1)
где
- ускорение свободного падения.
Получим:
1.2 КПД ПОЛИСПАСТА
,(2)
где
- КПД блока на подшипниках качения;
-кратность полиспаста;
- число обводных блоков.
Согласно рекомендациям ВНИИПТМаш (1) с.84: «При малых грузоподъёмностях (до 3 тонн) груз может подвешиваться без полиспаста, либо на одном подвижном блоке; при грузоподъёмностях свыше 5 т обычно применяют сдвоенные полиспасты с кратностью, возрастающей от 2 до 4 при увеличении грузоподъёмности от 5 до 50 тонн».
Получим КПД полиспаста для кратностей
по формуле (2):
Согласно рекомендации ВНИИПТМаш [1] с.84: “При малых грузоподъемностях (до 3 т) груз может подвешиваться без полиспаста, либо на одном подвижном блоке; при грузоподъемностях свыше 5т обычно применяют сдвоенные полиспасты с кратностью, возрастающей от 2 до 4 при увеличении грузоподъемности от 5 до 50 т”.
1.3 НАИБОЛЬШЕЕ НАТЯЖЕНИЕ ВЕТВИ КАНАТА, НАБЕГАЮЩЕГО НА БАРАБАН ПРИ ПОДЪЕМЕ ГРУЗА
; (3)
где k- число полиспастов.
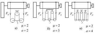
В нашем случае k=2, т.е. оба конца каната закреплены на барабане - для строго вертикального подъёма груза, выравнивания усилий на опоры барабана (рис.2).
Наибольшее натяжение ветви каната, набегающей на барабан при подъёме груза, по формуле (3):
;
Рис.2. Схемы полиспастов механизма подъема груза
1.4 РАЗРЫВНОЕ УСИЛИЕ КАНАТА ВЦЕЛОМ
,(4)
где
- минимальный коэффициент использования каната.
Символ
означает смещение по таблице вверх и вниз на 1 и 2 шага.
Таблица №1
| Группа классификации механизма по 4301/1 | Коэффициент использования каната z | Коэффициент выбора диаметра барабана h1 |
| M1 | 3.15 | 11.2 |
| M2 | 3.35 | 12.5 |
| M3 | 3.55 | 14 |
| M4 | 4 | 16 |
| M5 | 4.5 | 18 |
| M6 | 5.6 | 20 |
| M7 | 7.1 | 22.4 |
| M8 | 9 | 25 |
Согласно «Правил...» (2), с.18: ”допускается изменение коэффициента выбора диаметра барабана
, но не более чем на два шага по группе классификации в большую или меньшую сторону с соответствующей компенсацией путем изменения величины z(см. табл. прилож. 1) на то же число шагов в меньшую или большую сторону, поэтому введём ряд смещений:
Тогда получим, что для группы классификации механизма М1 z=3.15. Разрывное усилие каната (
) для кратностей
, для основного и добавочных значений z получим по формуле (4):
1.5 ВЫБОР ТИПА КАНАТА
Предположим, что кран работает на открытом воздухе при наличии пыли и влаги, тогда следует выбрать канат типа
ГОСТ 2688-80 с малым количеством проволок большого диаметра. Абразивная и коррозионная износостойкость этого каната выше, чем у
но усталостная износостойкость ниже.
По найденным в п.1.4. значениям
найдем значения диаметров каната
(см.табл. 2) и маркировочную группу, соответствующую условию прочности каната:
,(5)
где
- разрывное усилие каната в целом, по каталогу.
Таблица №2
| Диаметр каната, мм | Маркировочная группа, МПа | Диаметр каната, мм | Маркировочная группа, МПа | ||||
| 1764 | 1862 | 1764 | 1862 | ||||
| 3.8 | 0.840 | 0.875 | 8.3 | 3.81 | 3.98 | ||
| 4.1 | 0.975 | 1.015 | 9.1 | 4.54 | 4.75 | ||
| 4.5 | 1.125 | 1.175 | 9.9 | 5.34 | 5.59 | ||
| 4.8 | 1.285 | 1.340 | 11.0 | 6.88 | 7.20 | ||
| 5.1 | 1.460 | 1.515 | 12.0 | 7.85 | 8.19 | ||
| 5.6 | 1.780 | 1.855 | 13.0 | 8.9 | 9.28 | ||
| 6.2 | 2.11 | 2.225 | 14.0 | 10.8 | 11.2 | ||
| 6.9 | 2.63 | 2.74 | 15.0 | 12.5 | 13.1 | ||
По (таблице. 2) имеем следующие значения диаметров каната (в скобках указаны маркировочные группы, МПа, разрывные усилия,
):
.
1.6 МИНИМАЛЬНЫЙ ДИАМЕТР БАРАБАНА
,(6)
где
- коэффициент выбора диаметра барабана.
По табл.1 (см. пункт 1.5) для заданной группы классификации механизмов получаем основное значение
. При смещении по этой таблице вниз на два шага (т.к. М1) находят значения
, где
П
, мм:
.
1.7 РАСЧЕТНЫЙ ДИАМЕТР БАРАБАНА
Барабаны диаметром меньше 100 мм исключают из дальнейших расчетов, т.к. наименьший из выходных валов редукторов с частью зубчатой полумуфты, встраиваемый в барабан, имеет диаметр
, [3] с.30. Тогда диаметр охватывающей зубчатой обоймы составляет
. Конструктивно трудно перейти от большего диаметра зубчатой обоймы к меньшему диаметру барабана при их отношении, свыше
.
При расчёте без помощи ЭВМ можно исключить барабаны диаметром меньше 160 мм. Тогда
. Ступень барабана высотой 25% легко выполнима. Расчётный диаметр барабана
мм, принимают из ряда
, (10) с.29: 100, 110, 125, 140, 160, 180, 200, 220, 250, 280, 320, 360, 400, 450, 500.
Расчетный диаметр барабана
,мм:
Барабаны диаметром менее 160 мм исключены т.к. будут иметь большую ступень.
1.8 ДЛИНА БАРАБАНА С ДВУСТОРОННЕЙ НАРЕЗКОЙ
,(7)
где
- шаг нарезки; a - кратность полиспаста;
- диаметр каната; с - коэффициент длины средней (не нарезанной) части барабана, H - высота подъема.
Руководствуясь [1] с.85, можно принять:
для кратности
,
для кратности
,
для кратности а=3,
для кратности
.
Длина барабана с двусторонней навивкой, мм по формуле (7):
1.9 ПРОВЕРКА РАЗМЕРОВ БАРАБАНА ПО УСЛОВИЯМ
,(8) и
,(9)
При
проводят простой расчёт барабана на сжатие. При
проводят уточнённый расчёт барабана на сжатие и совместное действие напряжений изгиба и кручения, на устойчивость стенки. При необходимости усиливают барабан, вводят ребра жесткости в его полость (РТМ–24.09.21–76).
Если оба условия не выполняются, то вариант с этой кратностью полиспаста отбрасывают. Если все варианты не проходят по условиям (8) и (9), то переходят на меньшую кратность, или увеличивают диаметр барабана до следующего значения из ряда
.
Характеристики
Тип файла документ
Документы такого типа открываются такими программами, как Microsoft Office Word на компьютерах Windows, Apple Pages на компьютерах Mac, Open Office - бесплатная альтернатива на различных платформах, в том числе Linux. Наиболее простым и современным решением будут Google документы, так как открываются онлайн без скачивания прямо в браузере на любой платформе. Существуют российские качественные аналоги, например от Яндекса.
Будьте внимательны на мобильных устройствах, так как там используются упрощённый функционал даже в официальном приложении от Microsoft, поэтому для просмотра скачивайте PDF-версию. А если нужно редактировать файл, то используйте оригинальный файл.
Файлы такого типа обычно разбиты на страницы, а текст может быть форматированным (жирный, курсив, выбор шрифта, таблицы и т.п.), а также в него можно добавлять изображения. Формат идеально подходит для рефератов, докладов и РПЗ курсовых проектов, которые необходимо распечатать. Кстати перед печатью также сохраняйте файл в PDF, так как принтер может начудить со шрифтами.















