124166 (689881)
Текст из файла
Министерство Образования Республики Беларусь
Белорусский Национальный Технический Университет
Факультет транспортных коммуникаций
Кафедра “Строительные дорожные машины”
Пояснительная записка
к курсовому проекту
«Расчет и проектирование привода
ленточного конвейера»
Исполнитель:
Студент гр. 114125 Прушак Е.В
Руководитель:
Доцент каф. СДМ Шавель А.А
Минск - 2008
Содержание
Введение
1. Общие сведения
2. Расчётная часть
2.1 Кинематический расчёт и выбор электродвигателя
2.2 Расчёт плоскоременной передачи
2.3 Расчёт зубчатых передач
2.3.1 Быстроходная ступень
2.3.2 Тихоходная ступень
2.4 Расчет цепной передачи
3. Расчёт валов редуктора
4. Подбор подшипников
5. Проверка прочности шпоночных соединений
6.Расчет валов на усталостную прочность
7. Конструктивные размеры корпуса редуктора
8. Сборка редуктора
Список используемой литературы
Введение
В основе работы большинства машин и механизмов лежит преобразование параметров и кинематических характеристик движения выходных элементов по отношению к входным. Наиболее распространенным механизмом для решения данной задачи является редуктор, который представляет систему зубчатых передач выполненных в герметично закрытом корпусе.
Объектом данного курсового проекта является двухступенчатый цилиндрический редуктор общего назначения.
Цель работы — расчет и проектирование редуктора со следующими параметрами: мощность на выходе — 2,7 кВт, частота вращения вала электродвигателя — 750 об/мин; выходного вала — 40 об/мин.
Разработка редуктора выполнялась на основе теории зубчатых передач. При расчете отдельных элементов устройства использованы теории прочности и надежности.
В результате работы спроектирован редуктор, обеспечивающий заданные параметры и разработан его общий вид. Объем проведенных расчетов и конструкторских проработок позволяет перейти к разработке комплекта технической документации на двухступенчатый цилиндрический редуктор общего назначения.
1. Общие сведения
Спроектированный привод, состоит из – двухступенчатого редуктора, электродвигателя, передающего вращение к редуктору через плоскоременную передачу общего назначения, цепной передачи, на выходе.
Ременная передача – это такие передачи в которых движение между 2-мя валами, имеющими пространственное расположение осуществляется по средствам гибкой связи и шкивов - ведущего и ведомого. Передача энергии осуществляется благодаря трению между ремнем и шкивами.
Преимущества ременных передач:
-
Возможность передачи вращения большие расстояния (до 15 метров);
-
Бесшумная и плавная работа;
-
Защита механизма от поломок;
-
Низкая цена
Недостатки ременных передач:
-
Непостоянство передаточного числа в следствии скольжения ремня на шкивах;
-
Повышенные нагрузки на валы и их опоры;
-
Низкая долговечность;
-
Необходимость защиты ременной передачи от масла;
Механизм, предназначенный для передачи вращения с одного вала на другой посредствам 2-х зубчатых колес находящихся в зацеплении, называется зубчатой передачей. Меньшее из колес называется шестерней, большее – зубчатым колесом (в общем случае оба называют колесами).
Преимущества зубчатых передач:
-
Возможность передачи больших мощностей (до 50000 кВт и более) в широком диапазоне окружных скоростей;
-
Постоянство передаточного числа;
-
Малые габариты, большая долговечность и надежность в работе;
-
Высокий КПД
; -
Простота конструкции и обслуживания;
-
Слабые нагрузки на валы и их опоры;
-
Возможность изготовления из различных материалов;
Недостатки зубчатых передач:
-
Ограниченность передаточного числа
; -
Источник шума и вибраций;
-
Незащищенность от перегрузок;
-
Высокие требования к точности изготовления
Цепная передача-это механизм для передачи энергии между двумя параллельными валами с помощью цепи и звездочек. В зависимости от назначения цепи делятся на: приводные, грузовые и тяговые.
Преимущества цепной передачи:
-
Возможность передачи движения на значительные расстояния (до 8м);
-
Меньшие габариты по сравнению с ременными;
-
Постоянство среднего передаточного числа из-за отсутствия скольжения;
-
Высокий КПД (до 0,98);
-
Передача движения на несколько звездочек;
-
Меньшие нагрузки на валы по сравнению с ременной передачей;
Недостатки цепной передачи:
-
Неравномерность хода ведомой звездочки;
-
Значительный износ звеньев цепи;
-
Возникновения дополнительных динамических нагрузок;
-
Плохие условия смазки;
2. Расчётная часть.
2.1 Кинематический расчёт и выбор электродвигателя двигателя
При выполнении кинематического расчёта и выборе электродвигателя двигателя необходимо учитывать потери энергии, которые происходят в ременной передачи, в зацеплении зубчатых колёс с учётом потерь в подшипниках.
По табл. 1.2.1 [1] примем следующие значения КПД:
ηз - для закрытой зубчатой цилиндрической передачи: ηз = 0,98
ηц - для открытой цепной передачи: ηц = 0,92
ηр - для открытой ременной передачи: ηр= 0,94
ηп.п - подшипники(одна пара): ηп.п.= 0,9925
1) Общий КПД привода
ηобщ. = ηз
*ηц*ηр*ηп.п.
= 0,98
*0,92*0,94*0,9925
= 0,806
2) Требуемая мощность двигателя:
Pэл.дв. = P5/ηобщ. = 2,0/0,806= 2,481 кВт
В таблице 16.7.1 [1] по требуемой мощности выбираем электродвигатель 4A112МА6Y3 ,с асинхронной частотой вращения 950 мин-1, с параметрами: Pдв = 3,0 кВт; J=2,17 кг*м
;Tmax/Tnom= 1,9; Масса 54 кг.
3) Общее передаточное отношение:
u
= nдв/nвых = 950/100 = 9,5
Для передач выбрали следующие передаточные числа:
uр = 1,48
uц = 2,0 =>
uред= u
/ uр * uц =9,5/1,48*2,0 = 3,209
uред = uбыстр* uтих
uбыстр =
*(0,9)= 2 (после нормализации)
uтих= uр/uбыстр= 1,6045
4)Рассчитываем мощности на валах:
P1=2,481(требуемая мощность)
P2= P1* ηр* ηп.п.= 2,481*0,94*0,9925 = 2,3146 кВт
P3= P2* ηп.п* ηз=2,3146*0,9925*0,98 = 2,2513 кВт
P4= P3* ηп.п* ηз=2,2513 *0,9925*0,98 = 2,19 кВт
P5= P4* ηп.п* ηц=2,19 *0,9925*0,92 = 2,0 кВт
5) Рассчитываем частоты валов:
n1=950 мин-1
n2 = nдвиг/uр = 950/1.48= 642 мин-1
n3 = n2/uбыстр = 642/2 = 160 мин-1
n4 = n3/uтих = 321/1,6045 = 200 мин-1
n5 = n4/uц = 200/2= 100 мин-1
6)Рассчитываем крутящие моменты на валах:
T1 = 9,55* P1/ n1= (9,55*2,481*1000)/950 = 24,94 Н·м
T2 = 9,55* P2/ n2= (9,55*2,3146*1000)/632 = 34,43 Н·м
T3 = 9,55* P3/ n3= (9,55*2,2513 *1000)/321 = 67 Н·м
T4 = 9,55* P4/ n4= (9,55*2,19*1000)/200 = 104,57 Н·м
T5 = 9,55* P5/ n5= (9,55*2,0 *1000)/100 = 191 Н·м
7) Предварительные значения диаметров валов:
dвал =
d1 =
= 19 мм принимаем 20 мм
d2 =
= 21 мм принимаем 22 мм
d3=
=26 мм принимаем 26 мм
d4 =
= 30 мм принимаем 30 мм
d5 =
= 37 мм принимаем 38 мм
8) Сводная таблица
| № вала | Частота вращения об/мин | Мощность кВт | Вращ. момент Н*м |
| 1 | 950 | 2,481 | 24,94 |
| 2 | 642 | 2,3146 | 34,43 |
| 3 | 321 | 2,2513 | 67 |
| 4 | 200 | 2,19 | 104,57 |
| 5 | 100 | 2,0 | 191 |
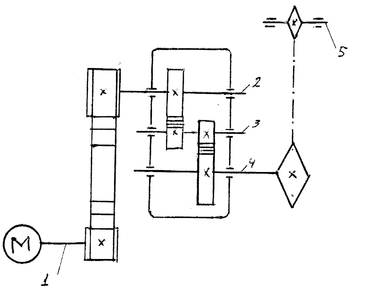
9)Рисунок 1. Кинематическая схема
2.Расчет основных параметров зубчато-ременной передачи
Исходные данные:
Р1=2,481 кВт;
Р2=2,3146 кВт;
n1=950 мин-1;
n2 =642 мин-1;
uр = 1,48;
T1 = 24,94 Н·м;
T2 = 34,43 Н·м
Условие работы передачи
Межосевое расстояние а', мм (выбираем из компоновки)
1) модуль ремня с трапецеидальными зубьями:
m = f(P1,n1) (рисунок 2.4.2 источник 1) m = 4 мм
Основные параметры данного ремня:
Нр = 5,0; Н = 0,8 мм; hp = 2,5; Sp = 4,4 мм; R1 = 1,0 мм; R2 = 1,0 мм; 2φо = 40 град
2) Шаг зубьев:
Tp = π*t = 3,14*4 = 12,57 мм
3) Размеры ремня (смотри выше)
4) Минимальное число зубьев ведущего шкива, шт:
z1 = f(n1,m) (таблица 2.4.2 источник 1). Выбираем z1=16 ( ремень с металлокордом 5Л15)
5) Число зубьев ведомого шкива:
z1 = z2*u = 16*1,48 = 23,68 округляем до 24
6) Считаем действительное число передачи
u д.рем= z2/z1 = 24/16 = 1,5
*В связи с уточнением u передачи (см. исходные данные u п.6) следует корректировать передаточное число привода и содержание столбцов n и T в таблице.
7) Диаметр шкивов:
d1 = m* z1 = 16*4=64мм; d2 = m* z2 = 4*24=96 мм
8) Минимальное межосевое расстояние:
А min = 0,55(d1+d2)+Нр = 0.55*160+5 = 93 мм
Выбираем аp = 100 мм
9) Число зубьев ремня:
z2
f1 = (16-24) 2/(4π2) = 1,621
zp = 2*100/12,57+0.5*160+1,62*12,52/100 = 96,11
Выбираем zp = 100
10) Межосевое расстояние передачи при zp=100
Для a = (( аp-( z1+ z2)f2*tp , где f2 ( таблица 2.4.3 источник 1) f2 = 0,24987
А=((2*100-(24+16))*0,24987*12,57= 502,54 мм
11) a10 = 1800-570*(96-64)/502,54 = 176,370
12)Число зубьев на дуге обхвата:
z01 = 16*176,370/3600 = 7,84
13) Ширина ремня:
Bp = P1Кt*Pt* z01
Где Кt = К1+К2 +К3 – сумма уточняющих коэффициентов, зависящих от типов двигателя К1 (таблица 2.4.5 источник 1) типа рабочей машины К2 (таблица 2.4.4 источник 1), передаточного числа К3, если u≥1, следовательно К3 = 0 Выбираем Д.В.С одноцилиндровый К1 = 1; выбираем подъемник К2 = 1,7;
Bp = 2,481*2,7/0,1*7,48 = 9,05 мм
14) Сила нагружающая вал передачи:
F = (1,10…1,05)*Ft
Ft = 2*103T1/d1 = 24,94*2*103/64=779,3 Н
F = (1,10…1,05)*779,3 = 857,32 Н
2.3.2Тихоходная ступень
Выбираем материалы со средними механическими характеристиками по табл. 16.2.1 [1]:
Для шестерни:
Сталь: 45Х
Термическая обработка: улучшение
Твердость: НВ 280
Для зубчатого колеса:
Сталь: 40Х
Термическая обработка: улучшение
Твердость: НВ 260
Расчет допускаемых контактных напряжений при расчете на усталость:
1) Определяем число часов работы передачи за весь срок службы:
L
= L
*365*K
*24*K
= 10*365*0,75*24*0,67 = 44019 часа
Характеристики
Тип файла документ
Документы такого типа открываются такими программами, как Microsoft Office Word на компьютерах Windows, Apple Pages на компьютерах Mac, Open Office - бесплатная альтернатива на различных платформах, в том числе Linux. Наиболее простым и современным решением будут Google документы, так как открываются онлайн без скачивания прямо в браузере на любой платформе. Существуют российские качественные аналоги, например от Яндекса.
Будьте внимательны на мобильных устройствах, так как там используются упрощённый функционал даже в официальном приложении от Microsoft, поэтому для просмотра скачивайте PDF-версию. А если нужно редактировать файл, то используйте оригинальный файл.
Файлы такого типа обычно разбиты на страницы, а текст может быть форматированным (жирный, курсив, выбор шрифта, таблицы и т.п.), а также в него можно добавлять изображения. Формат идеально подходит для рефератов, докладов и РПЗ курсовых проектов, которые необходимо распечатать. Кстати перед печатью также сохраняйте файл в PDF, так как принтер может начудить со шрифтами.
;
;














