124090 (689818)
Текст из файла
Тольяттинский Государственный Университет
Кафедра "Технология машиностроения"
Курсовой проект
"Разработка технологического процесса сборки редуктора червячного и изготовления крышки корпуса "
Студент: Введенский Д.И.
Группа: ТМ - 402
Преподаватель: Солдатов А.А.
Тольятти, 2006
Аннотация
Введенский Д.И. Разработка техпроцесса сборки редуктора цилиндрического двухступенчатого и техпроцесс изготовления крышки корпуса. Курсовой проект. Тольятти: ТГУ, 2006 г.
Расчетно-пояснительная записка - 45 стр.
Графическая часть - технологическая схема сборки изделия, чертеж детали, чертеж заготовки, план изготовления детали, чертежи технологических наладок.
В курсовом проекте проведен анализ служебного назначения изделия и детали. Выполнен размерный анализ сборочных размерных цепей. Выбраны технологические базы для общей и узловой сборки. Разработан технологический процесс сборки. Выбрана и разработана конструкция заготовки корпуса. Разработан технологический маршрут и план изготовления детали. Выбраны средства технологического оснащения. Приведен расчет операционных размеров. Спроектированы технологические операции. Составлена схема размерной сборочной цепи, технологические карты процесса сборки, маршрутные карты процесса изготовления, операционные карты процесса изготовления.
Введение
Высокого качества производимой продукции можно добиться внедрением в производство нового эффективного оборудования, различных методов технико-экономического анализа и расчетно-аналитических способов решения производственных задач, что обеспечит более эффективное и качественное производство с требуемой производительностью и минимум затрат на изготовление деталей.
Целью курсового проекта является разработка прогрессивной технологии сборки редукторов цилиндрических двухступенчатых в условиях крупносерийного и разработка технологии изготовления корпуса в условиях массового типа производства с применением высокопроизводительного и экономически выгодного оборудования, приспособлений и инструмента, работающих на прогрессивных режимах резания, обеспечивающих как производительность, так и требуемую точность и качество производимой продукции.
Содержание
Аннотация
Введение
1. Разработка технологического процесса сборки
1.1 Анализ служебного назначения изделия и технологичность его конструкции
1.2 Размерный анализ сборочных размерных цепей
1.3 Расчет сборочной размерной цепи
1.4 Технологическая схема сборки изделия
1.5 Выбор технологических баз на общей и узловых сборках
1.6 Организационная форма сборки
1.7 Разработка технологического процесса сборки
2. Проектирование технологического процесса изготовления детали
2.1 Анализ служебного назначения детали
2.2 Выбор заготовки. Разработка конструкции заготовки
2.3 Определение типа производства
2.4 Проектирование заготовки
2.5 Выбор технологических баз
2.6 Технологический маршрут и план изготовления детали
2.7 Расчет припусков операционных размеров
2.7 Проектирование технологических операций
Заключение
Литература
1. Разработка технологического процесса сборки
1.1 Анализ служебного назначения изделия и технологичность его конструкции
Двухступенчатый горизонтальный цилиндрический редуктор предназначен для понижения частоты вращательного движения и для увеличения крутящего момента.
Механизм состоит из следующих основных деталей: корпус 1, вал ведущий 5, вал промежуточный 4, вал ведомый 3, колесо зубчатое 6, шестерня 8, колесо зубчатое 7, крышки корпуса 2, крышек под подшипники 12, 13, 14, 23, 24.
Изделие в целом имеет простую компоновку и простое конструктивное решение, не вызывающее затруднение при сборке. Конструкция изделия допускает возможность его сборки из предварительно собранных узлов. Унификация отдельных деталей обусловливает повышение серийности выпуска, а следовательно снижение трудоемкости и себестоимости их изготовления.
Базовая деталь изделия имеет технологическую базу, обеспечивающую его достаточную устойчивость в процессе сборки. Унификация крепежных и других деталей способствует сокращению номенклатуры сборочных инструментов и более эффективному использованию средств механизации сборочных работ. При конструировании изделия обеспечивается возможность свободного подвода высокопроизводительных механизированных сборочных инструментов к местам соединения деталей.
На основании вышесказанного конструкцию изделия можно считать технологичной.
1.2 Размерный анализ сборочных размерных цепей
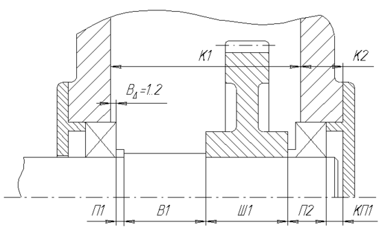
Рис. 1.1
Для размерного анализа выберем сборочную размерную цепь, замыкающим звеном В∆ которой является выступающая из корпуса часть подшипника.
Допуск на размер замыкающего звена: ТВ∆ = 1 мм.
Таким образом, данный размер принимаем за исходное звено В∆ размерной цепи в горизонтальном направлении. Рассмотрим эту размерную цепь (сборочный чертеж).
В∆ = К1 + К2 - КП1 - П2 - Ш1 - В1 - П1 1.1
Составляющими звеньями этой цепи будут:
К1 - ширина внутренней полости корпуса;
К2 - толщина стенки корпуса;
КП1 - высота буртика крышки под подшипник;
П2 - ширина подшипника;
Ш1 - ширина шестерни;
В1 - длина ступени вала;
П1 - выступ подшипника;
1.3 Расчет сборочной размерной цепи
Таблица 1.1
| № звена | Обозначение | Величина, мм | Единица допуска, i, мм | Допуск, мкм ТАi=а1∙i | I2 | Допуск, мкм ТАi=а2∙i |
| 1 | П1 | 10 | 0,8 | 51,2 | 0,64 | 128 |
| 2 | В1 | 110 | 2,5 | 160 | 6,25 | 400 |
| 3 | Ш1 | 140 | 2,5 | 160 | 6,25 | 400 |
| 4 | П2 | 80 | 1,5 | 96 | 2,25 | 240 |
| 5 | КП1 | 30 | 1,5 | 96 | 2,25 | 240 |
| 6 | К2 | 85 | 2,5 | 160 | 6,25 | 400 |
| 7 | К1 | 286 | 3,3 | 211,2 | 10,89 | 528 |
| 8 | В∆ | 1. .2 | - | - | - | - |
| Σ | 14,6 | 934,4 | 34,78 | 2336 |
Число единиц допуска составляющих размерной цепи:
а1=
(1.2)
а1=
=68,5
По таблице ат=64, что соответствует 10 квалитету.
а2=169,5
По таблице ат=160, что соответствует 12 квалитету
Значение ТА=2336 выходит за пределы допуска.
Вывод: при выбранных допусках на размеры сборочного узла, расчетное значение замыкающего звена не превышает заданного параметра. Следовательно, точность исходного звена обеспечивается полной взаимозаменяемостью.
1.4 Технологическая схема сборки изделия
Конструкция механизма имеет несколько сборочных узлов, которые возможно собирать независимо друг от друга, поэтому возможна узловая сборка изделия. Но невозможно одновременное присоединение нескольких узлов к базовому элементу из-за его конструкции.
При последовательном соединении возможна механизация процесса сборки.
При сборке редуктора доступ инструментов к деталям свободный. Большинство крепежных изделий - стандартные, что позволяет применять простой инструмент.
В данном изделии основным базовым элементом является корпус, к которому присоединятся все детали и узлы.
Технологическая схема сборки показывает, в какой последовательности необходимо присоединять и закреплять друг к другу элементы, из которых собирается изделие. Такими элементами являются детали, комплекты, узлы, подузлы и сборочные единицы.
Под деталью при составлении сборки понимают первичный элемент изделия (базовая деталь), характерным признаком которого является отсутствие в нем разъемных и неразъемных соединений. Сборочная же единица представляет собой элемент изделия, состоящий из двух или более деталей, соединенных в одно целое, не распадающееся при перемене положения в узле или подузле. Характерным отличительным признаком сборочной единицы является - возможность ее сборки независимо от других элементов изделия.
Для составления технологической схемы сборки все сборочные единицы, входящие в изделие условно разделим на группы и подгруппы. Группой будем считать сборочную единицу, входящую в изделие.
Технологическую схему сборки составляем на основе сборочного чертежа изделия, которая показывает, в какой последовательности необходимо присоединять друг к другу элементы, из которых состоит изделие.
Каждый элемент изделия будем изображать в виде прямоугольника разделенного на три части. В его верхней части дается наименование изделия, в левой нижней части указываем числовой индекс, соответствующий номеру данного элемента на сборочном чертеже и согласно принятой спецификации, в правой нижней части количество присоединяемых элементов.
Порядок составления технологической схемы сборки начинаем с назначения базового элемента. Базовым элементом назовем деталь, с которой начинаем сборку изделия.
При определении последовательности сборки заранее анализируем сборочные размерные цепи. Если изделие имеет несколько размерных цепей, то сборку следует начинать с наиболее сложной и ответственной размерной цепи.
Для более ясного представления о порядке составления технологической схемы сборки указываем необходимые технические требования на сборку. Под техническими требованиями понимаем разные надписи - сноски, поясняющие характер выполнения сборочных работ, когда они не ясны из схемы.
Такой алгоритм составления технологической схемы сборки облегчает последующее проектирование технологического процесса сборки, позволяет оценить технологичность конструкции изделия с точки зрения возможности расчленения сборки на общую и узловую и гарантирует от пропуска деталей, входящих в изделие.
Разработанная технологическая схема сборки червячного редуктора представлена на листе формата А2 графической части курсового проекта.
Таблица 1.2 Перечень сборочных работ
| № | Содержание основных и вспомогательных переходов | Время, мин. |
| 1 | 2 | 3 |
| 1. Узловая сборка корпуса | ||
| Осмотреть корпус со всех сторон | 0,4 | |
| Установить корпус в приспособление | 1,2 | |
| Осмотреть пробку | 0,07 | |
| Ввернуть пробку в корпус | 0,37 | |
| Снять корпус | 0,8 | |
| Переместить корпус на следующую позицию | 0,9 | |
| Установить корпус | 1,2 | |
| Осмотреть полукольцо | 0,08 | |
| Установить полукольцо в корпус | 0,11 | |
| Взять механическую отвертку | 0,03 | |
| Ввернуть винт | 0,27 | |
| Отложить механическую отвертку | 0,02 | |
| Снять корпус в сборе | 0,8 | |
| Переместить корпус в сборе на общую сборку | 0,05 | |
| Итого: | 6,3 | |
| 2. Узловая сборка вала ведущего | ||
| Осмотреть вал | 0,33 | |
| Установить вал на призмы | 0,13 | |
| Обдуть сжатым воздухом паз | 0,17 | |
| Запрессовать шпонку | 0,58 | |
| Снять вал с призм | 0,08 | |
| Переместить на следующую позицию | 0,02 | |
| Установить в приспособлении | 0,13 | |
| Осмотреть колесо | 0,27 | |
| Смазать колесо машинным маслом | 0,10 | |
| Напрессовать колесо на вал | 0,50 | |
| Снять вал в сборе | 0,08 | |
| Переместить вал в сборе на следующую позицию | 0,02 | |
| Переустановить вал в сборе в приспособлении | 0,13 | |
| Осмотреть втулку | 0,07 | |
| Смазать втулку машинным маслом | 0,10 | |
| Напрессовать втулку на вал в сборе | 0,30 | |
| Снять вал в сборе | 0,08 | |
| Переместить вал в сборе на следующую позицию | 0,02 | |
| Переустановить вал в сборе в приспособлении | 0,13 | |
| Промыть вал в сборе | 0,43 | |
| Переместить вал в сборе на следующую позицию | 0,02 | |
| Посушить вал в сборе | 0,14 | |
| Переместить вал в сборе на следующую позицию | 0,02 | |
| Переустановить вал в сборе в приспособлении | 0,13 | |
| Смазать подшипник индустриальным маслом | 0,15 | |
| Напрессовать подшипник на вал в сборе | 0,11 | |
| Снять вал в сборе | 0,08 | |
| Переместить вал ведущий в сборе на общую сборку | 0,02 | |
| Итого: | 4,34 | |
| 3. Узловая сборка вала промежуточного | ||
| Осмотреть вал | 0,33 | |
| Установить вал на призмы | 0,13 | |
| Обдуть сжатым воздухом паз | 0,12 | |
| Запрессовать шпонку | 0,58 | |
| Снять вал с призм | 0,08 | |
| Переместить на следующую позицию | 0,02 | |
| Установить в приспособлении | 0,13 | |
| Осмотреть колесо | 0,27 | |
| Смазать колесо машинным маслом | 0,10 | |
| Напрессовать колесо на вал | 0,50 | |
| Снять вал в сборе | 0,08 | |
| Переместить вал в сборе на следующую позицию | 0,02 | |
| Переустановить вал в сборе в приспособлении | 0,13 | |
| Осмотреть втулку | 0,07 | |
| Смазать втулку машинным маслом | 0,10 | |
| Напрессовать втулку на вал в сборе | 0,30 | |
| Снять вал в сборе | 0,08 | |
| Переместить вал в сборе на следующую позицию | 0,02 | |
| Переустановить вал в сборе в приспособлении | 0,13 | |
| Промыть вал в сборе | 0,43 | |
| Переместить вал в сборе на следующую позицию | 0,02 | |
| Посушить вал в сборе | 0,14 | |
| Переместить вал в сборе на следующую позицию | 0,02 | |
| Переустановить вал в сборе в приспособлении | 0,13 | |
| Смазать подшипник индустриальным маслом | 0,15 | |
| Напрессовать подшипник на вал в сборе | 0,11 | |
| Снять вал в сборе | 0,08 | |
| Переместить вал ведущий в сборе на общую сборку | 0,02 | |
| Итого: | 4,29 | |
| 4. Узловая сборка вала ведомого | ||
| Осмотреть вал | 0,31 | |
| Установить вал в приспособление | 0,13 | |
| Смазать подшипник индустриальным маслом | 0,15 | |
| Напрессовать подшипник на вал в сборе | 0,11 | |
| Снять вал в сборе | 0,08 | |
| Переместить вал ведущий в сборе на общую сборку | 0,02 | |
| Итого: | 0,80 | |
| 5. Узловая сборка крышки торцевой | ||
| Установить крышку торцевую в приспособлении | 0,13 | |
| Обдуть сжатым воздухом канавку для уплотнения | 0,10 | |
| Установить кольцо в крышку торцевую | 0,11 | |
| Снять крышку торцевую в сборе | 0,08 | |
| Переместить крышку торцевую в сборе на общую сборку | 0,02 | |
| Итого: | 0,44 | |
| 6. Узловая сборка крышки | ||
| Установить крышку в приспособлении | 0,11 | |
| Осмотреть отдушину | 0,07 | |
| Ввернуть отдушину в крышку | 0,06 | |
| Снять крышку корпуса в сборе | 0,08 | |
| Переместить крышку в сборе на общую сборку | 0,02 | |
| Итого: | 0,34 | |
| 7. Общая сборка редуктора | ||
| Осмотреть корпус в сборе со всех сторон | 0,40 | |
| Установить корпус в сборе в приспособлении | 0,13 | |
| Установить крышку левую глухую в корпус в сборе | 0,08 | |
| Установить кольцо распорное | 0,09 | |
| Установить крышку торцевую в сборе на вал в сборе | 0,08 | |
| Установить вал ведущий в сборе в корпус | 0,06 | |
| Установить крышку левую глухую в корпус в сборе | 0,08 | |
| Установить кольцо распорное | 0,09 | |
| Установить крышку правую глухую в корпус в сборе | 0,08 | |
| Осмотреть промежуточный вал в сборе | 0,33 | |
| Установить вал промежуточный в сборе в корпус в сборе | 0,06 | |
| Установить кольцо распорное на вал в сборе | 0,09 | |
| Установить крышку торцевую левую в сборе на вал в сборе | 0,08 | |
| Установить крышку торцевую правую в сборе на вал в сборе | 0,08 | |
| Установить вал ведомый в сборе в корпус в сборе | 0,06 | |
| Переместить корпус в сборе на следующую позицию | 0,02 | |
| Смазать штифт первый цилиндрический индустриальным маслом | 0,14 | |
| Запрессовать штифт первый цилиндрический | 0,10 | |
| Смазать штифт второй цилиндрический индустриальным маслом | 0,14 | |
| Запрессовать штифт второй цилиндрический | 0,12 | |
| Осмотреть крышку корпуса в сборе со всех сторон | 0,33 | |
| Установить крышку корпуса в сборе на корпус на штифты | 2,3 | |
| Переместить корпус в сборе на следующую позицию | 0,02 | |
| Установить шайбы пружинные на винты | 0,05∙18 | |
| Ввернуть винты предварительно | 0,12 | |
| Подтянуть винтоверт, включить | 0,04 | |
| Ввернуть винты окончательно | 0, 19 | |
| Выключить винтоверт, выпустить из рук | 0,03 | |
| Осмотреть крышку в сборе | 0,24 | |
| Установить крышку в сборе на корпус в сборе | 0,1 | |
| Подтянуть винтоверт, включить | 0,04 | |
| Ввернуть винты | 0,02 | |
| Выключить винтоверт, выпустить из рук | 0,03 | |
| Контролировать легкость вращения ведущего вала | 0,18 | |
| Снять редуктор в сборе | 0,1 | |
| Итого: | 6,95 | |
| Всего tоп | 23,64 | |
1.5 Выбор технологических баз на общей и узловых сборках
При сборке изделия в качестве базового элемента на начальном этапе применяют корпус редуктора, базирующийся на нижней опорной плоскости. Для реализации направляющей и опорной баз используем отверстия в нижней части корпуса, предназначенные для крепления редуктора на фундаменте/опорной плите. Такое базирование обеспечивает возможность ручной, механизированной, автоматизированной сборки в приспособлениях, обеспечивающих точное положение сопрягаемых деталей, удобство и доступность сборки без переустановки.
Характеристики
Тип файла документ
Документы такого типа открываются такими программами, как Microsoft Office Word на компьютерах Windows, Apple Pages на компьютерах Mac, Open Office - бесплатная альтернатива на различных платформах, в том числе Linux. Наиболее простым и современным решением будут Google документы, так как открываются онлайн без скачивания прямо в браузере на любой платформе. Существуют российские качественные аналоги, например от Яндекса.
Будьте внимательны на мобильных устройствах, так как там используются упрощённый функционал даже в официальном приложении от Microsoft, поэтому для просмотра скачивайте PDF-версию. А если нужно редактировать файл, то используйте оригинальный файл.
Файлы такого типа обычно разбиты на страницы, а текст может быть форматированным (жирный, курсив, выбор шрифта, таблицы и т.п.), а также в него можно добавлять изображения. Формат идеально подходит для рефератов, докладов и РПЗ курсовых проектов, которые необходимо распечатать. Кстати перед печатью также сохраняйте файл в PDF, так как принтер может начудить со шрифтами.















