124046 (689778), страница 2
Текст из файла (страница 2)
Фактическое усилие берется больше расчетного усилия и принимается с поправочным коэффициентом 1,3 /1/, учитывающим наличие побочных явлений - неравномерность толщины материала, затупления режущих кромок и т.д.
Следовательно:
5. Выбор оборудования
Пресс для осуществления заданного технологического процесса листовой штамповки должен отвечать следующим требованиям:
иметь в своей структуре столько исполнительных механизмов, сколько требуется для обеспечения необходимых манипуляций над заготовкой;
развивать усилие, необходимое для деформирования заготовки;
иметь соответствующие скоростные параметры;
иметь необходимые размеры штампового пространства;
величина хода рабочих органов должна быть достаточной;
обеспечивать требуемую точность штамповки;
иметь необходимые размеры элементов крепления;
отвечать серийности производства.
При выборе типа процесса решающими обстоятельствами является характер операции и производства. Наиболее универсальными являются кривошипные прессы, на которых можно производить практически любые операции холодной штамповки - вырубку, пробивку, гибку, необходимую вытяжку, надсечку. Для операции «Вырубка детали по контуру с пробивкой отверстий» выбираем пресс однокривошипный простого действия открытый КИ2128
Таблица 1. Характеристики пресса
| масса | 4400 |
| размер | 1009-1990-2535 |
| мощность | 6,3 |
| макс. скорость шпинделя | 600 |
| мин. скорость шпинделя | 350 |
| Частота ходов ползуна непрерывных, 1/мин | 72 |
| Расстояние между столом и ползуном, мм | 320 |
| Ход ползуна, мм | 130 |
| Номинальное усилие, кН | 63 |
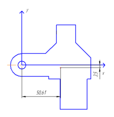
6 Определение центра давления штампа
Для правильной уравновешенной работы штампа необходимо вырезаемый контур расположить на матрице таким образом, чтобы центр давления совпадал с осью хвостовика (рис.3). В противном случае в штампе возникают перекосы, несимметричность зазора, износ направляющих, быстрое притупление режущих кромок, а затем и к поломке штампа. Нахождение центра давления штампа имеет смысл главным образом для сложных вырубных, многопуансонных пробивных и последовательных комбинированных штампов. Существует два способа нахождения центра давления штампа: 1) графический; 2) аналитический.
Аналитический способ нахождения центра давления штампа основан на равенстве момента равнодействующей нескольких сил сумме моментов этих сил относительно одной и той же точки. Составляем уравнения равенства моментов относительно обеих осей.
Уравнение моментов относительно оси Х:
; (6.1)
Уравнение моментов относительно оси Y:
, (6.2)
где Х – искомое расстояние от оси 0Y до центра давления;
Y - искомое расстояние от оси 0Х до центра давления;
х1, х2 - расстояния от оси 0Y до центра тяжести фигуры;
у1, у2 - расстояния от оси 0Х до центра тяжести фигуры;
Р1, Р2 – усилия вырубки каждой фигуры. При расчете вместо усилий вырубки следует подставлять длину соответствующего контура.
мм,
мм.
Рис.4 – Эскиз центра давления штампа
7 Расчет исполнительных размеров пуансонов и матриц
При определении исполнительных размеров пуансонов и матриц для разделительных операций следует исходить из размеров штампуемой детали, ее точность и характера износа штампа.
Размеры контура штампуемой детали и отверстий в ней определяется размерами оформляющей части штампа, т. е. матрицей при вырубке и пуансона при пробивке. Для получения штампуемого изделия с заданной степенью точности необходимо предусмотреть правильный выбор зазоров и допусков на рабочие размеры инструмента.
Исполнительные размеры пуансонов и матриц вырубного штампа определяем исходя из расположения поля допуска относительно номинального размера детали и совместного их изготовления.
Вырубка:
;
(7.1)
где
- исполнительные размеры матрицы и пуансона;
- припуск на износ пуансона (таблица 13 /2/);
,
- предельное отклонение исполнительного размера матрицы и пуансона ( таблица 13 /2/);
z – нормальный зазор между матрицей и пуансоном.
По таблице 13/2/ для 14 квалитета находим значения Пи. По таблице 14/2/ при уср=290 МПа, s=0,6 находим значения зазоров z. По таблице 15/2/ находим поля допусков для матрицы и пуансонов
,
рисунок 5,6.
Пробивка:
;
(7.2)
Отверстие
3 мм
R0.6 мм
Длина паза:
Ширина паза:
8. Проектирование технологических и вспомогательных деталей штампов
Проектирование матриц
Форма матрицы определяется формой и размерами штампуемой детали. Размеры круглой матрицы ориентировочно определяют исходя из размеров ее рабочей зоны. Размеры рабочей зоны:
aр х bр = 24 х 30
Размеры матрицы принимаем диаметр матрицы D=64мм.
Высоту штампа Нм находим по формуле:
где Рф – фактическая сила вырубки, кН
мм,
округляем значение до ближайшего из стандартного ряда Нм = 10мм.
Форму рабочих и провальных отверстий в матрице для пробивки и вырубке принимаем по табл.22/3/
Конструирование съемника
Неподвижный съемник предназначен для съема отхода и ленты с пуансона, выполняется с отверстиями, повторяющими контур соответствующего пуансона с зазором, определяемым по табл.28/3/. Наибольший двухсторонний зазор zc между съемником и пуансоном zc =0,9мм. Если зазор будет больше, лента будет застревать в зазоре. Толщина съемника составляет 10мм, зазор между съемником и матрицей 2мм – соответствует высоте направляющих планок.
9. Расчет пуансона на прочность
Проверочному расчету на прочность подлежат в основном наиболее нагруженные пробивные пуансоны небольших размеров.
Рассчитываем на прочность пуансон для пробивки отверстия 3 мм .
Материал пуансона – Сталь У8А Твёрдость 58…61HRC
Наименьшее сечение пуансона- 3 мм.
Расчет пуансона на сжатие в наименьшем сечении
/3/
где
- усилие пробивки, Н;
- площадь наименьшего поперечного сечения пуансона,
;
- допускаемое напряжение на сжатие, МПа, для стали - 2500МПа.
/3/
где
- толщина материала, мм;
- длина контура пробиваемого отверстия, мм;
- сопротивление срезу
=290МПа
Н
Т. к. на практике может иметь место неточность изготовления штампа и некоторое смещение оси пуансона штампа относительно оси матрицы, в результате чего появится изгибающий момент, то следует дополнительно проверить пуансон на напряжение от изгиба
в близи посадочной его части.
Приняв величину смещения пуансона
равной половине зазора между матрицей и пуансоном штампа
, напряжение изгиба определяем по формуле
/3/
где
;
- момент сопротивления пуансона,
.
Тогда суммарные напряжения
Сравнивая полученное действительное напряжение
, возникающее в пуансоне с допустимым
, можно сделать вывод, что при
,
данный пуансон отвечает условию прочности на сжатие.
Определим какую наибольшую длину пуансона можно принять при конструировании штампа. Для штампа с направляющей плитой свободная длина пуансона определяется исходя из третьей расчетной формулы по Эйлеру
где Е- модуль упругости,
;
эквивалентный момент инерции,
, определяемый поперечным сечением пуансона;
n- коэффициент запаса. n=3.
.
Свободная длина пуансона должна быть меньше критической, т. е.
.
Заключение
В данном курсовом проекте рассматриваются особенности холодной листовой штамповки, ее преимущества и недостатки, разработан технологический процесс изготовления детали - скоба, спроектирован штамп в котором совмещены все операции по изготовлению заданной детали. Особенность данного курсового проекта в том, что был изготовлен малоотходный раскрой материала, который позволяет наиболее эффективно использовать материал.
Выполнение курсового проекта позволило систематизировать, закрепить и расширить теоретические знания, а также приобрести опыт самостоятельного решения вопросов, связанных с проектированием технологического процесса и конструированием рабочего инструмента для холодной листовой штамповки.
Список использованных источников
-
Справочник конструктора штампов, Под редакцией Л.И. Рудмана. – М.: Машиностроение, 1988 г.
-
В.П. Романовский, Справочник по холодной листовой штамповки, - Л.: Машиностроение, 1979 г.
-
Зубцов М.Е., Листовая штамповка: Учебник для студентов вузов, обучающихся по специальности “Машины и технологии обработки материалов давлением”, 3-е изд., перераб. и доп. – Л.: Машиностроение, 1980 г. – 432 с.
-
Основные требования к текстовым документам ГОСТ 2.105.95 – М.: Издательство стандартов 1996 г.
-
Отчет о научно-исследовательской работе. Структура и правила оформления ГОСТ 7.32.-91-М.: Издательство стандартов 1996 г.
-
Анурьев В.И. Справочник конструктора-машиностроителя: В 3-х т. Т. 1. – 5-е изд., перераб. и доп. – М.: Машиностроение, 1980. -728с.
-
Кузнечно-прессовое оборудование, выпускаемое в 1992-1993гг. Номенклат. кат. / НПО “ЭНИКмаш” – М.
















