124046 (689778)
Текст из файла
МИНИСТЕРСТВО ОБРАЗОВАНИЯ РОССИЙСКОЙ ФЕДЕРАЦИИ
ОРЛОВСКИЙ ГОСУДАРСТВЕННЫЙ ТЕХНИЧЕСКИЙ УНИВЕРСИТЕТ
Кафедра: «Автоматизированные процессы и машины пластической обработки материалов»
Расчетно-пояснительная записка
к курсовому проекту
по курсу: Технология листовой штамповки
на тему: Разработка технологии и оснастки для изготовления детали «Планка»
Проектант студент гр. 41-Д
Руководитель к.т.н, доцент
Орел 2008
Содержание
Задание на курсовой проект...................................................................................3
Аннотация................................................................................................................4
Введение…………………………………………………………………….…..…5
1. Анализ конструктивности формы и технологичности изготовления элементов детали операциями листовой штамповки………...……….…...……7
2. Составление технологической схемы штамповки…………………….…..…8
3. Разработка схемы раскроя материала………………………………….……...9
4. Определение величины потребного усилия штамповки по операциям и полного технологического усилия………………………………………..….....10
5. Выбор оборудования………………………………………………….……....12
6. Определение центра давления штампа……………………………………...13
7. Расчет исполнительных размеров пуансонов и матриц…………………....15
8. Проектирование технологических и вспомогательных деталей штампов..16
9. Расчет пуансона на прочность……………………………..………………...17
Заключение……………………………………………………………………….21
Список использованных источников…………………………………………...22
Задание на курсовой проект
Студенту группы 41-Д Жаркову С.В.
Специальность 150201, факультета новых технологий и автоматизации производства
Тема проекта Разработка технологии и оснастки для изготовления детали “Планка”
Исходные данные для проектирования Чертеж детали “Планка”
Содержание основных разделов пояснительной записки в соответствии с методическими указаниями
Перечень графических работ Штамп для вырубки-пробивки -1л. Деталировочные чертежи -2л.
Примечание_____________________________________________________________________________________________________________________________________________________________________________________________________________________________________________________
Дата выдачи
Срок сдачи проекта
Руководитель проекта И.И.Бурнашев__________________
Аннотация
Курсовой проект выполнен на тему: «Разработка технологии и оснастки для изготовления детали «Планка». В ходе выполнения курсового проекта разработаны:
Оптимальная технология изготовления заданной детали;
Комплект штампов для ее изготовления.
Кроме этого дан анализ технологичности конструкции детали, разработаны технологическая схема штамповки и схема раскроя материала, определена величина потребного усилия по операциям, проведен расчет исполнительных размеров пуансонов и матриц, и расчет пуансона на прочность.
Введение
В общем комплексе технологии Машиностроения все возрастающее значение приобретает обработка металлов давлением, в том числе листовая штамповка. Это один из способов обработки, при котором металл пластически деформируется в холодном состоянии при помощи штампов. Листовая штамповка применяется для изготовления самых разнообразных деталей практически во всех отраслях промышленности связанных с металлообработкой.
Листовая штамповка представляет собой самостоятельный вид технологии, обладающей рядом особенностей:
высокой производительностью;
возможностью получения самых разнообразных по форме и размерам полуфабрикатов и готовых деталей;
возможностью автоматизации и механизации штамповки путем создания комплексов оборудования, обеспечивающих выполнение всех операций производственного процесса в автоматическом режиме (в том числе роторных и роторно-конвейерных линий);
возможностью получения взаимозаменяемых деталей с высокой точностью размеров, без дальнейшей обработки резанием.
Современное холодноштамповочное производство развивается по пути совершенствования традиционных и создания новых технологий и оборудования. При этом наметились тенденции создания холодноштамповочного оборудования для крупносерийного и массового производства автоматических линий и холодноштамповочных пресс-автоматов и оборудования для мелкосерийного, серийного и единичного часто переналаживаемого производства холодноштамповочного оборудования с числовым программным управлением, универсальных прессов, гибких производственных модулей с ЧПУ.
Целью данного курсового проекта является разработка технологического процесса для изготовления детали, заданной руководителем. Выполнение курсового проекта позволяет систематизировать, закрепить и расширить теоретические знания, а также приобрести опыт самостоятельного решения вопросов, связанных с проектированием рабочего инструмента для холодной листовой штамповки.
Основной задачей данного проектирования является разработка оптимальной технологии изготовления заданной детали.
Этапы реализации этой задачи:
анализ технологичности конструкции детали;
разработка технологической схемы штамповки;
разработка схемы раскроя материала;
определение величины потребного усилия по операциям;
выбор оборудования;
расчет исполнительных размеров пуансонов и матриц;
расчет пуансона на прочность
1. Анализ конструктивности формы и технологичности изготовления элементов детали операциями листовой штамповки
Под технологичностью следует понимать такое сочетание конструктивных элементов, которое обеспечивает наиболее простое и экономичное изготовление деталей при соблюдении техники и эксплуатационных требований к ним.
Основными показателями технологичности листовых холодноштамповочных деталей являются:
наименьший расход материала;
наименьшее количество и низкая трудоемкость операции;
отсутствие последующей механической обработки;
наименьшее количество требуемого оборудования и производственных площадей;
применение прогрессивных материалов;
наименьшее количество оснастки при сокращении затрат и сроков подготовки производства.
Общим результативным показателем технологичности является наименьшая стоимость штампуемых деталей.
Возможность формообразования при разделительных операциях определяется способностями материала заготовки изменять форму под действием деформирующего усилия и возможностью изготовления рабочих частей штампа способных осуществить заданное формоизменение. Деталь получаем за две операции: вырубка контура, пробивка отверстий. Конфигурация детали простая.
Для достижения качественных деталей при вырубке должны соблюдаться определенные требования по наименьшему расстоянию отверстий и пазов от края детали, а также минимальные диаметры вырубаемых отверстий.
Расстояние между пробиваемыми отверстиями, а также между краем детали и отверстием больше минимальных значений перемычек, при которых можно использовать пробивку, т.е. больше чем
таблица 1 /2/.
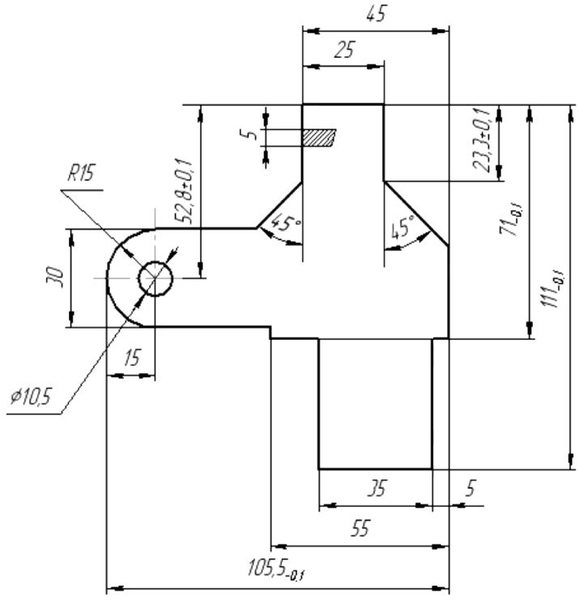
Масштаб 5:1
Рис.1 Эскиз для анализа технологичности формы детали
2. Составление технологической схемы штамповки
Технологическая схема штамповки включает в себя определение размеров плоской заготовки, необходимой для изготовления заданной детали, определения операций для изготовления детали, их качество и последовательность. Также оценивается возможность совмещения операций. Определение типа штампа с учетом серийности производства.
В рассматриваемом случае деталь гибке не подлежит, поэтому все размеры оставляем без изменений.
3. Разработка схемы раскроя материала
Понятие раскрой включает в себя такие составные элементы, как раскрой листа и раскрой полосы. Мерой эффективности раскроя служит коэффициент использования металла.
Раскрой полосы должен обеспечить: наилучшее качество детали, наилучшее использование материала, простоту конструкции штампа и наивысшую стойкость его рабочих частей, а также удобство и безопасность работы на штампе. Экономичность раскроя зависит от правильно выбранной величины перемычек. Ширина перемычек при вырубке (между деталями и по краям полосы) зависит от ряда факторов: толщины листа, свойств материала. типа штампа. Размеров и формы вырубаемого контура.
Рассчитаем ширину полосы
/2/
где
- допуск на ширину ленты (таблица 1/2/), мм;
- ширина перемычки, мм;
- ширина полосы, мм;
- размер вырубаемой детали, мм;
По ГОСТ 4986-70 выбираем ленту 12Х18Н9(М)
Находим коэффициент использования металла:
где
- коэффициент использования металла;
- площадь штампуемой детали,
; Площадь
ширина ленты,
;
- шаг подачи.
Рис.2 Эскиз схемы раскроя
4. Определение величины потребного усилия штамповки по операциям и полного технологического усилия
При вырубке и пробивке, потребное для этих операций усилие зависит от габаритных размеров вырубаемой детали и пробиваемых отверстий, толщины и механических свойств штампуемого материала, зазора между пуансоном и матрицей формы и состояния режущих кромок пуансона и матрицы, способа удаления деталей и отхода применяемой смазки.
Для операции «вырубка детали по контуру с пробивкой отверстий применяем инструмент с плоскими кромками.
Усилие вырубки и пробивки определяем по формуле
/1/
где
- усилие вырубки, кН;
- периметр вырубаемого контура, включая отверстие, мм;
- толщина материала, мм;
- сопротивление срезу, МПа.
.
(Приложение 1 /2/)
При вырубке деталь остается в матрице, а отход плотно охватывает пуансон. В связи с этим при рабочем ходе пуансона необходимо преодолеть не только сопротивление выруке-пробивки, но и сопротивление сил трения, возникающих при перемещении детали относительно матриц, а также сопротивление сил трения на контактной поверхности пуансону и отхода металла. В этом случае усилие пресса
/1/
Усилие для снятия с пуансона полосы
и проталкивания детали через матрицу
принимаются в процентах от усилия вырубки
где
=0,03 (по таблице 11 /2/)- коэффициент усилия снятия.
где
=0,02 (по таблице 11/2/)- коэффициент проталкивания детали (отхода) после штамповки.
Характеристики
Тип файла документ
Документы такого типа открываются такими программами, как Microsoft Office Word на компьютерах Windows, Apple Pages на компьютерах Mac, Open Office - бесплатная альтернатива на различных платформах, в том числе Linux. Наиболее простым и современным решением будут Google документы, так как открываются онлайн без скачивания прямо в браузере на любой платформе. Существуют российские качественные аналоги, например от Яндекса.
Будьте внимательны на мобильных устройствах, так как там используются упрощённый функционал даже в официальном приложении от Microsoft, поэтому для просмотра скачивайте PDF-версию. А если нужно редактировать файл, то используйте оригинальный файл.
Файлы такого типа обычно разбиты на страницы, а текст может быть форматированным (жирный, курсив, выбор шрифта, таблицы и т.п.), а также в него можно добавлять изображения. Формат идеально подходит для рефератов, докладов и РПЗ курсовых проектов, которые необходимо распечатать. Кстати перед печатью также сохраняйте файл в PDF, так как принтер может начудить со шрифтами.
















