123958 (689734), страница 2
Текст из файла (страница 2)
Процесс гидрирования проводят обычно в жидкой фазе в присутствии катализаторов, в качестве которых, как правило, используют никелевые суспендированные (никель Ренея), нанесенные (Ni/Al2Oa, Ni на кизельгуре, восстановленная гидроокись никеля) и низкотемпературные, содержащие благородный металл (Pt/Al203l Rh/Ai203).
В связи с тем, что реакция гидрирования бензола характеризуется высокой экзотермичностью, важное значение при разработке промышленного процесса имеют эффективный контроль за температурой реакции и использование выделяющейся теплоты.
1.3.1 Процесс, разработанный Французским институтом нефти
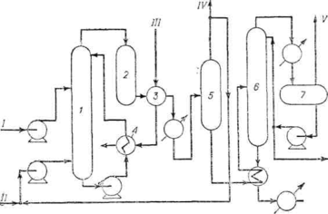
Назначение — производство циклогексана высокой чистоты каталитическим гидрированием бензола. Процесс протекает в две стадии. На первой из них осуществляется гидрирование основной части бензола на суспендированном непирофорном никеле Ренея, на второй — дегидрирование на стационарном катализаторе Ni/Al203 (рис. 1.4).
Схема процесса производства циклогексана, разработанного Французским институтом нефти:
Рис. 1.4
1 — основной реактор гидрирования; 2 — вспомогательный реактор гидрирования; 3 — теплообменник; 4 — конденсатор; 5 — сепаратор высокого давления; 6 — колонна стабилизации; 7 — сепаратор; / — бензол; // — водород; /// — вода; IV — отдувочный газ; V — циклогексан.
Бензол и водород поступают в основной реактор жидкофазного гидрирования, куда насосом подается и катализатор в виде суспензии. Однородность распределения катализатора обеспечивается барботированием газа через жидкость и интенсивной циркуляцией реакционного раствора через выносной теплообменник, в котором генерируется технический пар низкого давления. Температура в реакторе регулируется за счет испарения циклогексана. Гидрирование проводится при 200 СС и 4 МПа (парциальное давление водорода приблизительно 0,3 МПа).
Продукты реакции из верхней части основного реактора гидрирования поступают во вспомогательный реактор, в котором обеспечивается практически 100%-ная степень превращения бензола в циклогексан. Затем продукты отводятся в сепаратор высокого давления и подвергаются фракционированию в колонне стабилизации. Газообразные продукты из сепаратора частично возвращаются па рецикл. Газы отдувки из сепаратора и колонны стабилизации используются в качестве топлива. Расход суспендированного катализатора составляет 1 кг на 2,3 т циклогексана. Активность катализатора зависит от содержания окиси углерода в водороде — максимально 0,002% (масс). Длительность работы обусловливается содержанием серы в бензоле, которой должно быть не более 0,0001% (масс).
Лимитирующими факторами производительности реактора гидрирования являются мощность жидкостных насосов и предельно допустимая скорость барботирования газа, при превышении которой начинается унос жидкости и катализатора с отходящими парами.
При нормальном режиме установка работает 5—6 месяцев до полной смены катализатора. Выход циклогексана стехиометрический, чистота £>99,8% (масс).
Основные показатели промышленной установки производительностью 215 тыс. т/год циклогексана при использовании бензола 99,9%-ной чистоты и насыщенного водой водорода при давлении 3,0—3,4 МПа приведены в табл. 1.1. /2/.
Таблица 1.1.
| Показатели | Содержание водорода в газе, % (мол.) | |
| 75 | 95-98 | |
| Расход бензола, т/ч Расход водорода, тыс. м3/ч Использование водорода, % Выход циклогексана, т/ч Начальная загрузка катализатора NiPS-2в жидкофазный реактор, т Расход катализатора, т/год Расход катализатора, т/100 т циклогексана Расход охлаждающей воды, т/ч Расход технологической воды, т/ч Расход пара среднего давления, т/ч Расход генераторного пара низкого давления (188 °С; 0,55 МПа), т/ч Расход электроэнергии, кВт-ч Общие капитальные затраты, тыс. долл. | 22,85 31,15 89 24,375 8,25 13,4 0,062 0,575 23,4 2,4 23,4 220,0 2300 | 22,67 22,14 98 24,375 8,25 13,4 0,062 0,575 23,4 2,4 23,4 280,0 2450 |
1.3.2 Процесс, разработанный фирмой Atlantic Richfield
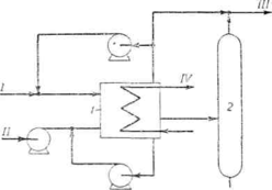
Гидрирование бензола осуществляется с применением катализатора Pt/A!203, предложенного фирмой Engelgard. Бензол смешивают со свежим и циркулирующим водородом, смесь нагревают в теплообменнике сырье/продукт и направляют в реактор (рис. 1.5). Теплоту реакции отводят водой, используя ее для получения пара. Это облегчает поддержание максимальной предельной температуры на выходе из реактора, отпадает необходимость рециркуляции циклогексана для регулирования температурного режима.
После теплообмена с сырьем продукты реакции дополнительно охлаждают и направляют в сепаратор. Часть выделяющегося водорода используют для циркуляции, а отходящий газ охлаждают (холодильный цикл) для выделения циклогексана, после чего направляют в заводскую сеть топливного газа.
Жидкую фазу из сепаратора вместе с конденсатом от охлаждения отходящего газа подают в колонну стабилизации, где отгоняются легкие компоненты, а товарный циклогексан выводится как кубовый продукт, Выход циклогексана стехиометрический, чистота 99,9% .
Схема производства циклогексана, разработанного фирмой Atlantic Richfield
Рис. 1.5.
1-основной реактор гидрирования; 2 -котел-утилизатор; 3 –адсорбер-осушитель; 4- сепаратор; 6 - колонна стабилизации; / - бензол; // - водород; /// - водяной пар; IV -вода; V- пар; отдувочный газ; топливный газ; циклогексан.
Зависимость чистоты циклогексана от качества исходного бензола представлена в табл. 1.2. /2/.
Таблица 1.2
Характеристики бензола и циклогексана
| Вещество | Содержание , % (масс.) | |
| В бензоле | В циклогексане | |
| Парафин С6 Метилциклопентан Метилциклогексан н-Гексан Толуол Бензол Циклогексан | 0,015 0,010 0,003 0,002 0,005 99,950 0,015 | 0,015 0,010 0,008 0,002 - 0,001 99,964 |
1.3.3 Процесс «Хайдрар», разработанный фирмой Universal Oil Products Co
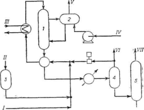
В зависимости от содержания серы в исходном бензоле в качестве катализаторов могут быть использованы стационарные никелевый или платиновый катализаторы. При содержании серы более 10~4 % (масс.) применяется платиновый катализатор, при меньшем содержании — никелевый. Для удаления серы из водорода последний предварительно промывается щелочью. Гидрирование осуществляется в нескольких реакторах - обычно в трех — для уменьшения количества выделяющейся теплоты (рис. 1.6).
Схема процесса «Хайдрар», разработанного фирмой Universal Oil Products Co
Рис. 1.6
1- блок реакторов гидрирования; 2- сепаратор; 3 -отпорная колонна; / - бензол; // - водород; /// - отдувочный газ; IV - топливный газ; V -циклогексан.
Свежий бензол смешивается с циркулирующим и свежим водородом и поступает в реактор. Выходящие из него продукты охлаждают, смешивают с новыми порциями бензола и подают во второй реактор, затем после охлаждения и смешивания с последними порциями бензола — в третий реактор. Сырье, выходящее из третьего реактора, отдает теплоту потоку, направляемому в первый реактор, и поступает в сепаратор, где отделяется от газа. Газ очищается отдувкой от легких углеводородов, охлаждается для выделения небольших количеств захваченного циклогексана и вновь возвращается в первый реактор. Часть жидкого продукта из сепаратора поступает на рецикл для разбавления бензола, остальная часть под давлением передается в отпарную колонну, где отделяются легкие растворимые углеводороды. Наличие легких углеводородов в исходном бензоле может вызвать необходимость в стадии дополнительного фракционирования для получения циклогексана высокой степени чистоты. Полное гидрирование бензола осуществляется за один проход через реакторную секцию. Выход циклогексана стехиометрический. Получают циклогексан с температурой застывания 6,4 °С, что соответствует 99,9%-ной чистоте. Длительность работы катализатора — более 5 лет.
В 1971 г. действовало 11 установок, работающих по процессу «Хайдрар». На трех установках используется никелевый катализатор, на остальных — платиновый. Аппаратура пригодна также для гидрирования толуола и высокомолекулярной ароматики (нафталина) в соответствующие циклопарафины.
1.3.4 Процесс, разработанный фирмой Haines Associates
На первой ступени процесса происходит удаление серы из бензола за счет сульфидной реакции с суспендированным никелевым катализатором, на второй — гидрирование бензола на стационарном катализаторе.
Бензол, нагретый до 93 СС, поступает в реактор десульфирования под давлением; туда же подается циркулирующий водород с добавленными в него свежими порциями газа (рис. 1.7). После десульфирования бензол направляется в реактор гидрирования, который может быть использован как для жидкофаз-кого, так и для парофазного осуществления процесса. Температура в реакторе регулируется за счет испарения циркулирующего циклогексана, а теплота реакции используется для нагревания поступающих порций бензола. Образующийся циклогексан с избыточным водородом удаляется из верхней части реактора гидрирования, охлаждается, конденсируется и поступает в сепаратор. Избыточный водород направляется на циркуляцию. Выход циклогексана стехиометрический. Чистота циклогексана обусловлена чистотой исходного бензола.
Схема процесса производства циклогексана, разработанного фирмой Haines Associates
1 - реактор десульфирования; 2 - реактор гидрирозания; 3 - конденсатор; 4 -сепаратор; / — бензол; // — водород; /// - циклогексан.
1.3.5 Процесс «Аросат», разработанный фирмой Lummus Co.
Схема процесса «Аросат», разработанного фирмой Lummus Co















