123897 (689691)
Текст из файла
Министерство образования и науки Российской Федерации
Федеральное агентство по образованию
ГОУ ВПО «Магнитогорский государственный университет
Кафедра общетехнических дисциплин
КУРСОВАЯ РАБОТА
"Проектирование технологического процесса изготовления "Тяги"
Магнитогорск 2009
Содержание
Введение
1. Исходная информация для проектирования технологических процессов изготовление деталей машин
1.1 Описание конструкции
1.2 Анализ исходной технологической информации
2. Проектирование технологического процесса механической обработки детали
2.1 Разработка маршрутной технологии обработки детали
2.2 Определение припусков на обработку детали
2.3 Выбор технологического оснащения
Заключение
Список литературы
Введение
Практика показывает, что гарантированное качество изготовления, обслуживания и капитального ремонта машин и аппаратов химического производств, бумагоделательного оборудования машин и механизмов лесозаготовительного оборудования, деревообрабатывающих станков, тяговых лесозаготовительных машин в решающей мере зависит от точности, класса чистоты и микрорельефа рабочих поверхностей базисных деталей. Эти параметры выдерживаются в заданных пределах лишь при том условии, что разработка технологического процесса на механическую обработку детали удовлетворяла требованиям надёжности, долговечности, точности изготовления и сборочных работ, технологичности производственных процессов, а так же повышению единичной мощности.
1. Исходная информация для проектирования технологических процессов изготовление деталей машин
1.1 Описание конструкции
1.1.1 Назначение детали
Тяга – это часть машины или сооружения, подверженная растягивающим нагрузкам. Обычно стержень круглого или прямоугольного сечения, а также уголкового, таврового или другого профиля.
1.1.2 Конструкция
Данная деталь изготавливается из горячекатаного проката (круг) диаметром 69 мм и общей длиной 126 мм. Данная деталь имеет 8 поверхностей, без учёта фасок:
Химический состав стали 45 (ГОСТ 1050–74), (см. табл. 1)
Таблица 1
| Углерод | Кремний | Марганец | Сера | Фосфор | Хром | Никель | Медь |
| 0,42–0,50 | 0,17–0,37 | 0,50–0,80 | 0,04max | 0,035max | 0,25 | 0,3 | 0,3 |
Механические свойства стали 45 (1050–88), (см. табл. 2)
Таблица 2
| Предел текучести Н/мм2 кгс/мм2 | Временное сопротивление Н/мм2 кгс/мм2 | Относительное удлинение | Относительное сужение |
| % | |||
| 355 (36) | 600 (61) | 16 | 40 |
1.2 Анализ исходной технологической информации
1.2.1 Анализ точности изготовления детали и обоснование технического требования
Так как данная деталь является «тягой» полученная растачиванием заготовки из горячекатаного проката, на токарном станке по металлу, то все поверхности у заготовки обрабатываются.
У детали будет только одна поверхность с шероховатостью
, остальные имеют шероховатость
.
1.2.2 Анализ технологичности конструкции детали
-
Данная конструкция детали является жесткой и виброустойчивой при обработки;
-
На данной детали предусмотрены надежные технологические базы и места крепления;
-
Имеется чёткое разграничение обрабатываемых поверхностей;
-
Отверстие перпендикулярно к плоскости торцов;
-
Отверстие глухое, но в нём предусмотрен запас длины на сбег резьбы, размещения метчиком;
-
В отверстие под резьбу предусмотрена заходная фаска;
-
На детали используется резьба диаметром;
-
Деталь, на одной из стадии обработки, помимо, растачивания на токарном станке, так же прошла фрезерную расточку;
На основе проведенного анализа можно сделать вывод о технологичности данной детали «тяга».
1.2.3 Анализ рабочего чертежа
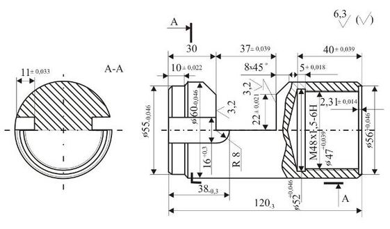
Спроектируем технологический процесс обработки тяги. Объём выпуска деталей – 30 шт. Материал – сталь 45.
Рис. 1. Рабочий эскиз
На первом этапе проектирования (анализ исходных данных) необходимо осуществить анализ рабочего чертежа детали и технических требований на изготовление. Выявить соответствие заданных требований точности и качества обрабатываемых поверхностей служебному назначению детали. Все размеры чертежа в последовательности подсчётах будут указаны с соответствующими допусками на изготовление.
Анализируя все поверхности заданной детали – «тяги», представим его диаметральные и линейные размеры в табличной форме. (См. табл. 3).
Таблица 3. Соответствие параметров шероховатости обрабатываемой поверхности степени точности (квалитету)
| № | Характеристика поверхности | Шероховатость Ra, мкм | Квалитет точности | Допуски размеров, мм |
| Диаметральные размеры наружные | ||||
| 1 | Диаметр 60 мм | 6,3 | 8 | -0,046 |
| 2 | Диаметр 55 мм | 6,3 | 8 | -0,046 |
| Диаметральные размеры внутренние | ||||
| 3 | Отверстие, диаметр 56 мм | 6,3 | 8 | +0,046 |
| 4 | Отверстие, диаметр 52 мм | 6,3 | 8 | +0,046 |
| 5 | Отверстие, диаметр 47 мм | 6,3 | 8 | +0,039 |
| Линейные размеры | ||||
| 6 | Размер 40 мм | 6,3 | 8 | ±0,039 |
| 7 | Размер 37 мм | 6,3 | 8 | ±0,039 |
| 8 | Размер 22 мм | 3,2 | 7 | ±0,021 |
| 9 | Канавка (глубина) 11 мм | 6,3 | 8 | ±0,033 |
| 10 | Размер 10 мм | 6,3 | 8 | ±0,022 |
| 11 | Размер 5 мм | 6,3 | 8 | ±0,018 |
| 12 | Размер 2,31 | 6,3 | 8 | ±0,014 |
Уточнённый технологом чертёж будет иметь следующий вид (см. рис. 2):
Рис. 2. Уточнённый эскиз
2. Проектирование технологического процесса механической обработки детали
На втором этапе, после предварительного анализа исходных данных, технолог приступает к непосредственному проектированию технологического процесса механической обработки, включающего в себя разработку маршрутной (определение состава операций и необходимого технологического оснащения) и операционной технологии (разработка структуры операции и осуществление технологических расчётов) обработки деталей. Традиционно выполняются следующие виды работы:
-
Выбор установочной базы и способа закрепления заготовки на этой базе.
-
Намечают измерительные и чистовые базы и способы закрепления заготовок на этих базах.
-
Установление последовательности обработки.
-
Выбор методов (операций) обработки.
-
Выбор оборудования, приспособлений и инструментов.
-
Определение состава переходов в пределах операции.
-
Определение расчётных размеров обрабатываемых поверхностей для каждого перехода (расчёт припусков на обработку);
-
Выбор режимов работы оборудования (расчёт режимов резания), определение основного (технологического) времени и нормы на выполнение работы в целом.
Указанная последовательность действий в основном отражает специфику массового и серийного производства, В этих условиях у технолога есть возможность разработать «идеальный» технологический процесс изготовления изделия, под который будут заказаны соответствующие станки, изготовлены приспособления и инструмент.
В известной степени такое разделение проектировочных процедур является условным: вопросы базирования, определения последовательности методов обработки, выбора оборудования решаются взаимосвязано. В условиях единичного, мелкосерийного производства указанная последовательность определенным образом меняется. В первую очередь, определяется принципиальная возможность изготовления изделия существующими средствами технологического оснащения.
2.1 Разработка маршрутной технологии обработки детали
2.1.1 Выбор методов (операций) обработки, оборудования инструментов и приспособлений
Намечая методы обработки, можно руководствоваться следующими общими принципами проектирования технологических процессов:
-
Необходимо выбирать наиболее прогрессивные способы обработки, ориентируясь на имеющееся оборудование. Например, плоская поверхность может быть получена фрезерованием, строганием, протягиванием, шлифованием, выбор наиболее целесообразного определяется наличием оборудования, способного в данных производственных условиях реализовать выбранный метод обработки и сопоставлением методов по экономичности и производительности.
-
Оборудование необходимо выбирать по размерам в соответствии с габаритными размерами обрабатываемых деталей.
-
При назначении метода обработки следует стремиться к тому, чтобы число переходов в пределах данного метода при обработке каждой поверхности было минимальным. Желательно, чтобы одним и тем же методом обрабатывалось как можно большее количество поверхностей заготовки.
-
Методы окончательной обработки всех поверхностей заготовки определяют исходя из требований, предъявляемых к точности и качеству готовой детали, с учётом характера исходной заготовки и свойств обрабатываемого материала. Если заготовка в процессе изготовления подвергается закалке (посадочное место под подшипник), то при условии обеспечения заданных параметров качества обрабатываемой поверхности окончательным методом её обработки будет шлифование, поскольку лезвийная обработка оказывается нецелесообразной в силу большого расхода инструмента.
-
Степень точности станка должна соответствовать техническим требованиям, предъявляемым к детали или заготовке. Нельзя грубую обработку выполнять на точном станке или точную деталь выполнять на неточном станке.
При обработке на универсальных станках стремятся к более полному использованию их возможностей. Наиболее точные станки используют для чистовой и отделочной обработок, выделяемых в отдельные операции. Чтобы избежать трудоёмких переустановок крупногабаритных и тяжёлых заготовок черновую и чистовую обработку таких заготовок выполняют за одну операцию. Во всех случаях выполнения черновой и чистовой обработки за одну операцию рекомендуется сначала провести черновую обработку всех поверхностей, а затем выполнить чистовую обработку тех поверхностей, для которых она необходима.
-
Где возможно, заменять ручную обработку механической.
-
По возможности уменьшать вспомогательное время обработки.
-
При проектировании любого технологического процесса искать средства повышения производительности труда.
Выбирая методы предварительной и окончательной обработки поверхностей, ориентируются на рекомендуемые значения параметров шероховатости и точности после обработки поверхности различных деталей.
Характеристики
Тип файла документ
Документы такого типа открываются такими программами, как Microsoft Office Word на компьютерах Windows, Apple Pages на компьютерах Mac, Open Office - бесплатная альтернатива на различных платформах, в том числе Linux. Наиболее простым и современным решением будут Google документы, так как открываются онлайн без скачивания прямо в браузере на любой платформе. Существуют российские качественные аналоги, например от Яндекса.
Будьте внимательны на мобильных устройствах, так как там используются упрощённый функционал даже в официальном приложении от Microsoft, поэтому для просмотра скачивайте PDF-версию. А если нужно редактировать файл, то используйте оригинальный файл.
Файлы такого типа обычно разбиты на страницы, а текст может быть форматированным (жирный, курсив, выбор шрифта, таблицы и т.п.), а также в него можно добавлять изображения. Формат идеально подходит для рефератов, докладов и РПЗ курсовых проектов, которые необходимо распечатать. Кстати перед печатью также сохраняйте файл в PDF, так как принтер может начудить со шрифтами.















