123608 (689533), страница 2
Текст из файла (страница 2)
От работоспособности и ресурса цилиндрического редуктора во многом зависит обеспечение требуемых функциональных параметров и надежности машины в целом. Показатели долговечности и надежности элементов привода и, в частности, редукторов и мотор-редукторов, зависят от обоснованного выбора самого редуктора при проектировании машины, т.е. соответствия этого выбора действующей нормативной документации (НД).
3. Построение компоновки цилиндрического двухступенчатого редуктора
Задачей курсовой работы является построение и параметризация компоновочного чертежа многоступенчатого редуктора, поэтому кинематические расчеты производиться не будут и за основу взята модель ранее спроектированного редуктора. Производятся расчеты только геометрических параметров редуктора.
3.1 Проектный расчет валов
Средние диаметры валов определяются по формуле
где Т – крутящий момент на валу (Нм)
- пониженное допускаемое напряжение на кручение
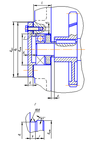
3.1.1 Ведущий вал
Т1=56,98 Нм
1
Принимается db1=30 мм
dn1= db1+2t 2
где t=2,2мм
мм
Принимается dn1=35 мм
Шестерни Z1 и Z1 являются единым целым с валом.
Рисунок 1 – Ведущий вал
3
где s=1,6 мм
мм
Принимается d2=40 мм
Длиновые размеры:
l1=56 мм, l2=27 мм, l3=219 мм, l4=40 мм, l5=21 мм.
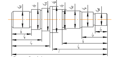
3.1.2 Промежуточный вал
Средний диаметр вала рассчитывается по формуле
мм 4
Шестерня Z3 является единым целым с валом.
dk2=45 мм, dn2=40 мм
Рисунок 2 – Промежуточный вал
Длиновые размеры:
l1= l3= 40 мм, l2= l4= 66 мм, b3=68 мм.
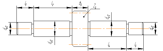
3.1.3 Тихоходный вал
мм
dk4=60 мм, dБ=70 мм, dn3=45 мм, dу=40 мм, dш5=35 мм, d2=55 мм.
l1=50 мм, l2=77 мм, l3=112 мм, l4=175 мм, l5=35 мм, l6=105 мм, l7=187 мм, l=370 мм.
Рисунок 3 – Тихоходный вал
3.2 Конструирование зубчатых колес
Шестерни Z1 и Z1
Рисунок 4 – Шестерни Z1 и Z1
Делительный диаметр d1=55 мм
Диаметр окружности вершин зубьев dо1=58 мм
Диаметр окружности впадин зубьев df1=51,25 мм
Ширина зубчатого венца bw1=21 мм
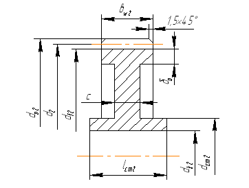
Колеса Z2 и Z2
Рисунок 5 – Колеса Z2 и Z2
Делительный диаметр d2=205 мм
Диаметр окружности вершин зубьев dо2=208 мм
Диаметр окружности впадин зубьев df2=201,25 мм
Ширина зубчатого венца bw2=16 мм
Диаметр ступицы bст2=70 мм
Длина ступицы lст2=60 мм
Толщина диска с=5 мм
Толщина обода δо=5 мм
Шестерня Z3
Рисунок 6 – Шестерня Z3
Делительный диаметр d3=97,5 мм
Диаметр окружности вершин зубьев dо3=86,25 мм
Диаметр окружности впадин зубьев df3=86,25 мм
Ширина зубчатого венца bw3=69 мм
Колесо Z4
Рисунок 7 – Колесо Z4
Делительный диаметр d4=267,5 мм
Диаметр окружности вершин зубьев dо4=272 мм
Диаметр окружности впадин зубьев df4=261,25 мм
Ширина зубчатого венца bw4=64 мм
Диаметр ступицы bст4=96 мм
Длина ступицы lст4=80 мм
Толщина диска с=20 мм
Толщина обода δо=10 мм
3.3 Первый этап компоновки редуктора
Данный этап служит для приближенного определения положения зубчатых колес относительно друг друга и относительно опор.
Компоновочный чертеж выполняется в двух проекциях в масштабе 1:1
Толщина стенок корпуса и крышки δ= δ1=8 мм
Толщина фланцев корпуса и крышки b=12 мм
Толщина нижнего пояса корпуса p=20 мм
Диаметры болтов
Болты крепящие редуктор к раме
d1=19.30…21.16 мм
Принимаются болты с резьбой М20
Болты крепящие крышку к корпусу
d2=10…13 мм
Принимаются болты с резьбой М12
Для крепления крышек подшипников принимаются болты с резьбой М8, зачерчиваем упрощенно колеса и шестерни.
Внутренняя стенка:
- зазор между торцами ступиц колес Z2 и Z2 и внутренней стенкой корпуса А1=10 мм;
- зазор от окружности вершин до внутренней стенкой корпуса А2= δ =8 мм;
- расстояние между наружным кольцом подшипника ведущего вала и внутренней стенкой корпуса А3= δ =8 мм;
- расстояние между дном корпуса и поверхностью выступов зубьев колес Z4 А4=32 мм.
Расстояние между колесами определяется конструктивно.
Для опор принимаются радиальные шариковые подшипники средней серии по ГОСТ 8338-75 (рисунок 8)
Рисунок 8 – Радиальный шариковый подшипник
В таблице 1 (Приложение 1) приведены основные данные подшипников.
Рисунок 9 – Кольцо мазеудерживающее
а=6…9 мм, t=2…3 мм
Глубина гнезд подшипников l2=40 мм
Толщина фланцев крышек подшипников равна диаметру отверстий Δ=d0=9 мм
Рисунок 10 – Крышка подшипника
3.4 Подбор муфты
Ведущий вал редуктора соединяется с валом электродвигателя муфтой. Типоразмеры муфты подбираются по диаметрам соединяемых валов.
Рисунок 11 – Муфта
d=30 мм
D=120 мм
L=140 мм
l=80 мм
3.5 Конструирование корпусных деталей и крышек
Корпус редуктора служит для размещения и координации деталей передач, защиты их от загрязнения пылью, организации системы смазки, восприятия усилий, возникающих в зубчатых зацеплениях. Корпус редуктора выполняем разъемным, состоящим из основания (корпуса) и крышки.
Основные размеры корпуса указаны в пункте 3.3.
Оформление прилива подшипниковых гнезд.
Ведущий вал
Dподш=80 мм
Dф=112 мм
Dприл=115 мм
Промежуточный вал
Dподш=90 мм
Dф=122 мм
Dприл=125 мм
Ведомый вал
Dподш=100 мм
Dф=132 мм
Dприл=135 мм
Глубина гнезд подшипников lг=37,5 мм
Рисунок 12 – Выходной конец вала
Рисунок 13 – Положение деталей относительно друг друга
Результаты расчетов размеров корпуса занесены в таблицу 2 (Приложение 1).
Крышка люка
δк=2 мм
Рисунок 14 – Крышка смотрового окна
3.6 Эскизы стандартных деталей
Болты с шестигранной уменьшенной головкой ГОСТ 7808-80 Параметры болтов представлены в таблице 3 (Приложение 1)
Рисунок 15 – Болт ГОСТ 7880-80
Винт с цилиндрической головкой по ГОСТ 1491-82
Рисунок 16 – Винт ГОСТ 1491-82
d=6 мм
D=10 мм
l=15 мм
l0=10 мм
Н=4 мм
Гайки шестигранные с уменьшенным размеров под ключ ГОСТ 2524-80. Параметры гаек в таблице 4 (Приложение 1)
Рисунок 17 – Гайка ГОСТ 2524-80
Шайбы граверные ГОСТ 6402-80. Параметры шайб в таблице 5 (Приложение 1)
Рисунок 18 – Шайба ГОСТ 6402-80
Штифт конический с внутренней резьбой
Рисунок 19 – Штифт ГОСТ 9464-80
Шпонки призматические со скругленными торцами ГОСТ 23360-80. Параметры шпонки в таблице 6 (Приложение 1)
Рисунок 20 – Шпонка ГОСТ 23360-80
Подшипники радиальные упорные ГОСТ 8338-75. Параметры подшипников указаны в таблице 7 (Приложение 1)
Рисунок 21 – Подшипник ГОСТ 8338-75
Заключение
В процессе написания курсовой работы была выполнена компоновка двухступенчатого цилиндрического редуктора с параметризацией некоторых ее элементов. Работа выполнялась в программе Компас-3D V11.
При создании параметризированной компоновки редуктора были изучены основные возможности CAD-пакета Компас-3D V11. Построение параметризированных 2D-моделей не полностью отражает все возможности параметризации, т.к. полная параметризация чертежей является излишней и только усложняет процесс проектирования.
Поэтому в будущем планируется параметризация 3D-моделей редуктора и составление компоновок многоступенчатых редукторов на основе 3D-моделей. Компас-3D V11 дает много возможностей для реализации этого проекта.
Список литературы
-
Проектирование механических передач: Учебно-справочное пособие для вузов / С.А. Чернавский, Г.А. Снесарев, Б.С. Козинцев и др. М.: Машиностроение, 1984. 560 с.
-
Казанский Г.И. Детали машин: Методические указания по рсчету зубчатых и червячных передач. Свердловск : УПИ, 1983. 44с.
-
Расчёт двухступенчатого цилиндрического редуктора: Методические указания к выполнению самостоятельной работы по курсам: «Детали машин», «Прикладная механика»/ Г.Л.Баранов, Л.В.Мальцев, Л.П.Вязкова. Екатеринбург: УГТУ-УПИ, 1994, Ч.1, 42 с.
-
Расчёт двухступенчатого цилиндрического редуктора: Методические указания к выполнению самостоятельной работы по курсам: «Детали машин», «Прикладная механика»/ Г.Л. Баранов, Л.В. Мальцев, Л.П. Вязкова. Екатеринбург: УГТУ-УПИ, 1994, Ч.2, 28 с.















